Shuts off when hot?

Tiny
TATERBUILT
  • MEMBER
  • 1997 GMC JIMMY
  • 4.3L
  • 6 CYL
  • 4WD
  • AUTOMATIC
  • 212,000 MILES
Fuel pressure is perfect. Has brand new pump filter and spider injection.

Timing light indicates I am losing spark.

I've changed the crank sensor, cam sensor, ignition control module, coil.

No matter what, when it's hot it shuts off.

When it's cold it runs absolutely perfectly.

shuts off.
Tuesday, January 7th, 2025 AT 9:17 PM

11 Replies

Tiny
AL514
  • MECHANIC
  • 5,584 POSTS
Hello, just a quick question about the parts you've changed already, have you tried more than one ignition module and coil? Unfortunately, parts today are not up to the standards they should be, and it's very possible to get an ignition module bad right out of the box. If you have tried more than one part. Or have put the old module back on with the same exact issue, then you need to determine what you are losing, I know you said spark. But an issue like this could be a solder joint on the PCMs circuit board that's opening up when hot, so it could be losing its crank signal right inside the PCM is what I'm getting at. Does the engine start right back up after the stall out? If not, do you have an RPM signal during the fault?
Was this
answer
helpful?
Yes
No
+1
Thursday, January 9th, 2025 AT 10:55 AM
Tiny
AL514
  • MECHANIC
  • 5,584 POSTS
If you have a scan tool and can monitor live engine data, that would be a quick way to determine if you are losing an rpm signal to the PCM/ECM. If the PCM is losing it you will see it on a scan tool or your Tach on the dash should also stop working, when it stalls I assume it will not restart until it cools down, if the Tach does not jump a little while cranking, that will give you some direction in diagnosing the issue. I fully understand when you have been working on a problem vehicle like this and have replaced a bunch of parts, it gets frustrating quickly. This being a 1997 it should be OBD2 and have somewhat ok live engine data with a scan tool, but if it's something to do with the computer's circuit board you will need to see what the computer is seeing. Such as a lost rpm or even lost power to the computer where you could run into a No communications issue during the fault, meaning the computer could be down, in that case as well, if a computer has lost power and is down you won't have a check engine light at Key On during the fault.

Just looking through the wiring diagrams real quick, this engine has some sensors that use a 5-volt Reference, such as the MAP, Fuel tank pressure sensor, EGR position sensor, etc. If one of these sensors is shorting out internally, it will pull that 5volt reference to Ground, and this same type of fault will occur. You would have to be prepared and catch a fault like this by checking a 3-wire sensor for the 5volt feed, if its missing, you can start unplugging sensors until it comes back, and you know your fault area.
I'll post the wiring diagrams showing that 5v Ref for you, just so you can check it, if need be, its best to have a back probing pin so you can check a sensor when it's still plugged in.
Was this
answer
helpful?
Yes
No
+1
Thursday, January 9th, 2025 AT 11:20 AM
Tiny
AL514
  • MECHANIC
  • 5,584 POSTS
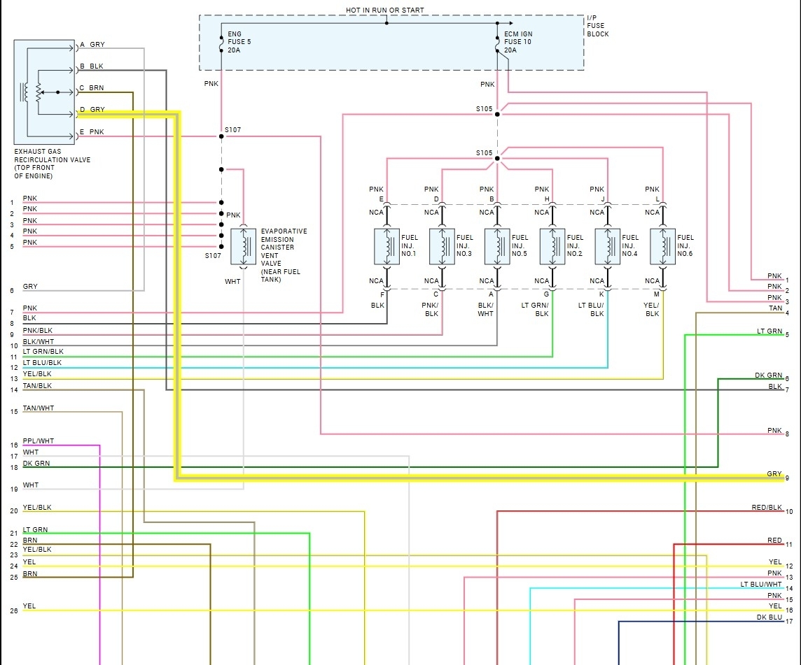
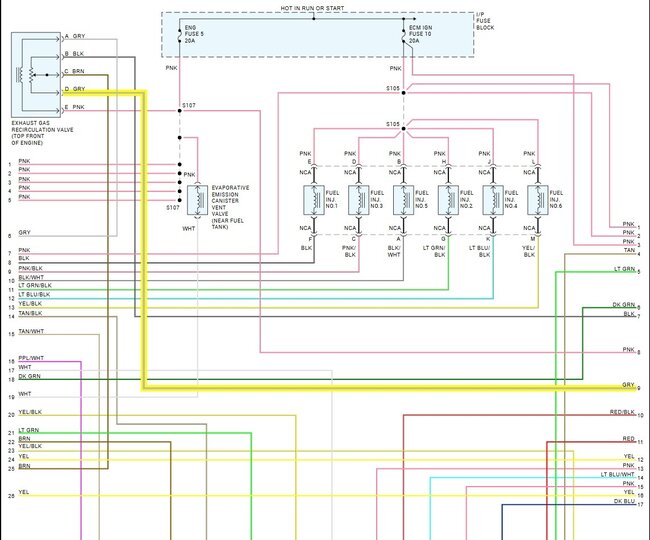
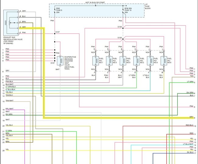
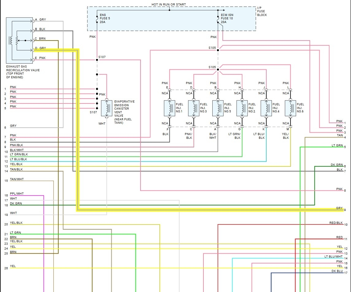
These are the PCM/ECM wiring diagrams, starting with the 5v reference side of the computer. Diagrams 1 & 2 are top and bottom, and so on. The 5 volt Ref on this vehicle is a Grey wire, you'll noticed its shared with a bunch of sensors, and even though there are 2 wires coming from the computer labelled "5v. Ref Voltage", this reference voltage is most like definitely shared internally inside the computer, so if it's a shorted sensor when hot, causing this fault, it can pull every 5v Ref down, this can even shut the computer down.

The MAP sensor or Throttle Position Sensor (TPS) will be the two easiest sensors to get to being right on top of the engine to check when the vehicle stalls out, since the fault sounds to be repeatable pretty easy, I would back probe the connector at the MAP sensor with a back probing pin, so you're ready to check it when the engine stalls out. You can put the other lead of a meter just to Battery negative for now. Key On, the grey wire should read a solid 5volts.

Diagrams 6,7 (top and bottom) are the last page of the engine computer diagrams, they don't have any reference voltage wires on them with the grey wire, but do have the Cam and Crank sensors, which are a 12volt feed to them, being Hall effect sensors.

I do see a Mass Air Flow sensor as well (MAF), that's another live data point to look at on a scan tool during the fault, I would expect the computer to store some sort of trouble code as well, if it's not, it may be losing power, and left long enough would end up erasing any diagnostic trouble codes.

Let us know what you find, or if you need any other service information.

https://www.2carpros.com/articles/how-to-use-a-voltmeter

https://www.2carpros.com/articles/engine-stalls
Was this
answer
helpful?
Yes
No
+1
Thursday, January 9th, 2025 AT 12:10 PM
Tiny
TATERBUILT
  • MEMBER
  • 4 POSTS
Thank you so much for your response, and the diagrams, I really needed those. O'Reilly's tested both ICM and they tested good. I am not losing power to the coil or the ICM when it dies. Sometimes it starts right up after it shuts off, sometimes it takes a couple hours to restart.

I saw somewhere the coolant temperature sensor could be doing funny things, so I replaced that, and the problem is not near as bad but still stalls

I don't have access to a nice scan tool to be able to see the live data which absolutely sucks because like you said I could see if I'm losing the CKP or CMP signals. The tach always bumps while cranking though.

This problem makes zero sense to me.

Seems I need to find a scan tool that has the live data that I need.

Once again thank you for your response!
Was this
answer
helpful?
Yes
No
Thursday, January 9th, 2025 AT 3:56 PM
Tiny
AL514
  • MECHANIC
  • 5,584 POSTS
Most basic OBD2 code readers these days, even cheap ones, will read live engine data. Just check on the box what's it able to do. You really only need to see engine data, If the Tach jumps while cranking then you most likely are not losing the crank signal, but on live engine data, if a coolant temperature sensor goes open circuit for some reason, either inside the ECM, or otherwise, and the computer is still powered up (key On), the coolant temp sensors will usually default to -40 degrees, that's there lowest reading and what the computer will usually display on a scan tool if one of the wires for a temp sensor is open. So you may be dealing with more than one issue if it improved some.
Does the Check Engine light come on when it won't start? At Key On, it should come on. If it doesn't then the computer is losing power, or possibly a sensor is shorting the 5volt Reference down. That can disable a computer as well.
Check the engine grounds as well, if you have a multimeter, check the voltage from engine ground (block ground) to battery negative, it should read as close to zero volts as possible, under 0.2-0.3volts. If you read something like 8, or 9 volts, that's a bad ground. When checking from the block to battery negative you are checking for voltage drop on the negative side.
Let us know what you find, so we can help further if possible.
Was this
answer
helpful?
Yes
No
+1
Friday, January 10th, 2025 AT 1:20 PM
Tiny
AL514
  • MECHANIC
  • 5,584 POSTS
Since this is thermal issue related to temperature, these can be difficult to diagnose, it's a good thing you have already replaced the spider injection setup, they are a known failure point, there is actually an updated fuel injections system that updates the injectors to powered injectors instead of just the poppets nozzles.
But the main power wire that comes from the fuse panel when the key is on is a solid pink wire, it feeds the cam and crank sensors, as well as the injectors, ECM, and other 12volt components. So, check the fuse panels for any corroded fuses or corrosion underneath the fuse panel in the engine compartment, that's another location that causes problems due to being exposed to the elements. Relay connections can become corroded causing high resistance, so just other things to check.
Was this
answer
helpful?
Yes
No
+1
Friday, January 10th, 2025 AT 1:46 PM
Tiny
TATERBUILT
  • MEMBER
  • 4 POSTS
Yes I got the updated spider unit. I will check the pink wire for power while the engine is stumbling.

Thank you so much for your time and help. I really appreciate it. I don't have a Chilton's book or access to all data or anything, so you giving me the diagrams and knowledge of what wire and color of wire help me tremendously.

I also found out about an hour ago that when I unplug the MAF while it stumbles it clears up and stays running and doesn't miss fire and runs decent.
Was this
answer
helpful?
Yes
No
Friday, January 10th, 2025 AT 3:39 PM
Tiny
AL514
  • MECHANIC
  • 5,584 POSTS
Well that's a good find, this engine has a MAP and MAF, and might run on a default fuel strategy if the MAF signal is missing, you could check that the MAF is not losing power or ground during the fault, Have the MAF connector already back probed to check for using the power feed and ground wire right at the MAF before replacing the sensor. But it sounds like you're on the right path, I'll post the power wiring diagrams for you.
Was this
answer
helpful?
Yes
No
+1
Friday, January 10th, 2025 AT 4:44 PM
Tiny
AL514
  • MECHANIC
  • 5,584 POSTS
The MAF uses the same Pink wire for 12v power, and then a Black wire with a White stripe for a separate Ground, so putting a meter across those 2 wires to check for full power when the faults occurring, if its good, you can check the signal wire for a voltage signal, if its missing, you can either just replace the sensor, or go a little further and make sure the signal wire is not shorting to ground. Checking the signal wire for continuity to ground with the meter on a resistance (ohms) setting. This would be another live data PID for a scan tool to check, just depends on how expensive the MAF is.
Was this
answer
helpful?
Yes
No
+1
Friday, January 10th, 2025 AT 4:53 PM
Tiny
TATERBUILT
  • MEMBER
  • 4 POSTS
Well, I went ahead and bought a new MAF, and the problem is solved. Been driving it for the last 3 hours with no issue.

Once again, I absolutely appreciate what you have done for me. I was ready to throw in the towel to be honest. Thank you for the diagrams I have saved those in case my problem comes back. But as of now I believe it is fixed and running great.
Was this
answer
helpful?
Yes
No
Friday, January 10th, 2025 AT 10:47 PM
Tiny
AL514
  • MECHANIC
  • 5,584 POSTS
Awesome, glad you got it figured out. I know how frustrating it can be sometimes.
Was this
answer
helpful?
Yes
No
Saturday, January 11th, 2025 AT 11:08 AM

Please login or register to post a reply.