Saturday, June 16th, 2018 AT 7:51 PM
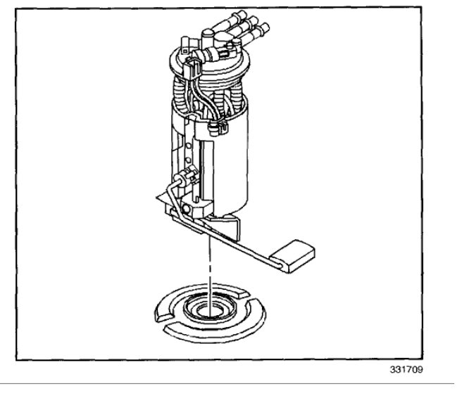
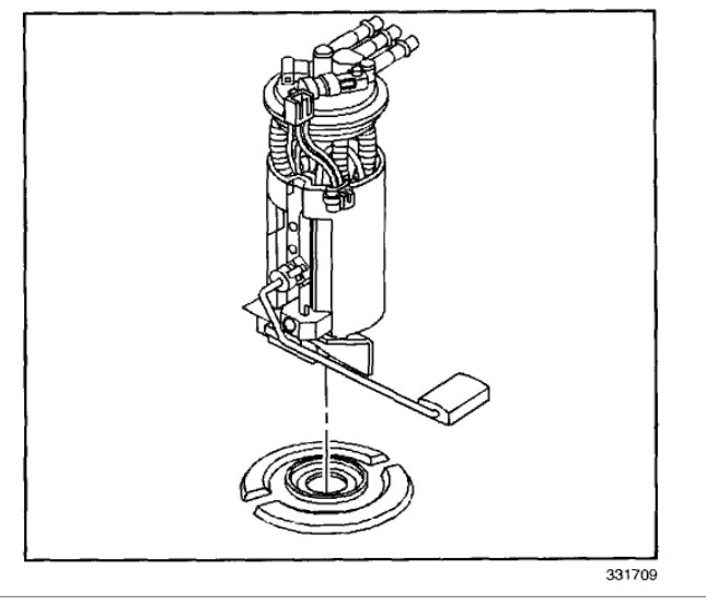
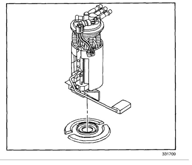
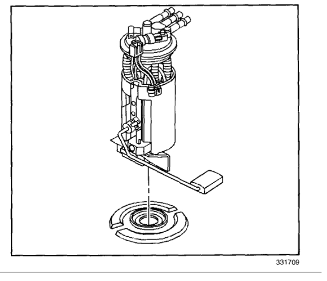
It used to be that when the fuel was under a half tank it would stall out, let it sit for a few minutes and go again. It will run fine for a long time. Yesterday it stalled out again and I could not get it home. Next morning went back, started fine and drove it home, (approximately seven miles). Now I am about half scared to drive it to AutoZone to get it tested. Tomorrow I will try to change the fuel filter.









