Stabilitrak, codes: C0242, U0100, U0073, U0293, U1888, U0101 and U1868

Tiny
DAVIDBM
  • MEMBER
  • 2010 CHEVROLET SILVERADO HYBRID
  • 6.0L
  • V8
  • 4WD
  • AUTOMATIC
  • 124,000 MILES
Do you have wiring diagrams? Suggestions?
Saturday, February 13th, 2021 AT 10:51 AM

4 Replies

Tiny
KASEKENNY
  • MECHANIC
  • 18,907 POSTS
More then likely you have a short to ground on one of your CAN bus wires or battery feed to one of the modules.

Basically these codes are telling you that the modules are trying to communicate but they are not getting the proper info from the EBCM.

So we need to check the bus voltages at the DLC and go from there.

Here is a guide that will help with more information about this network:

https://www.2carpros.com/articles/can-scan-controller-area-network-easy

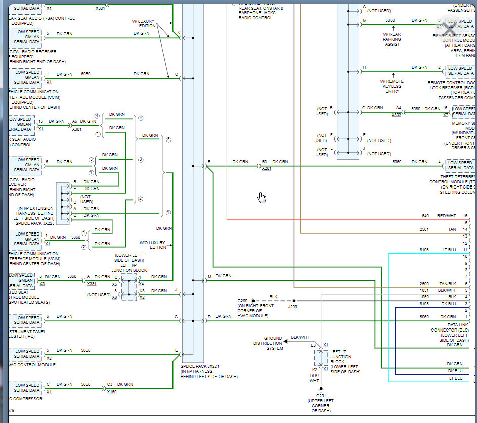
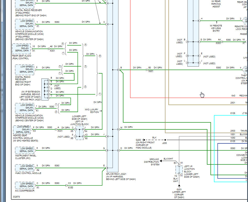
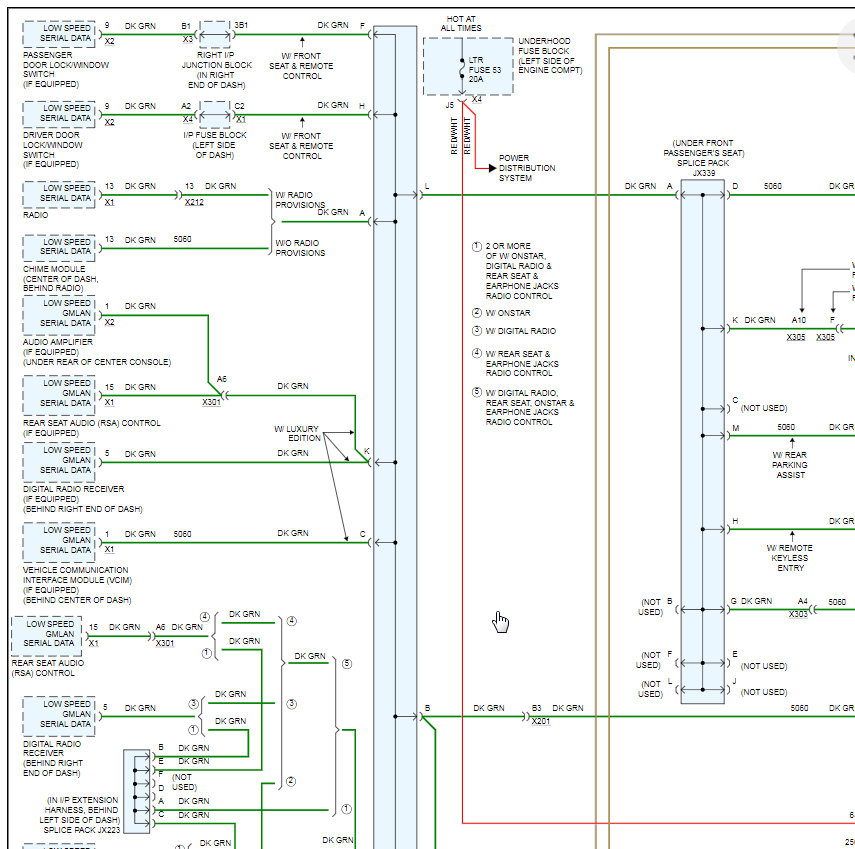
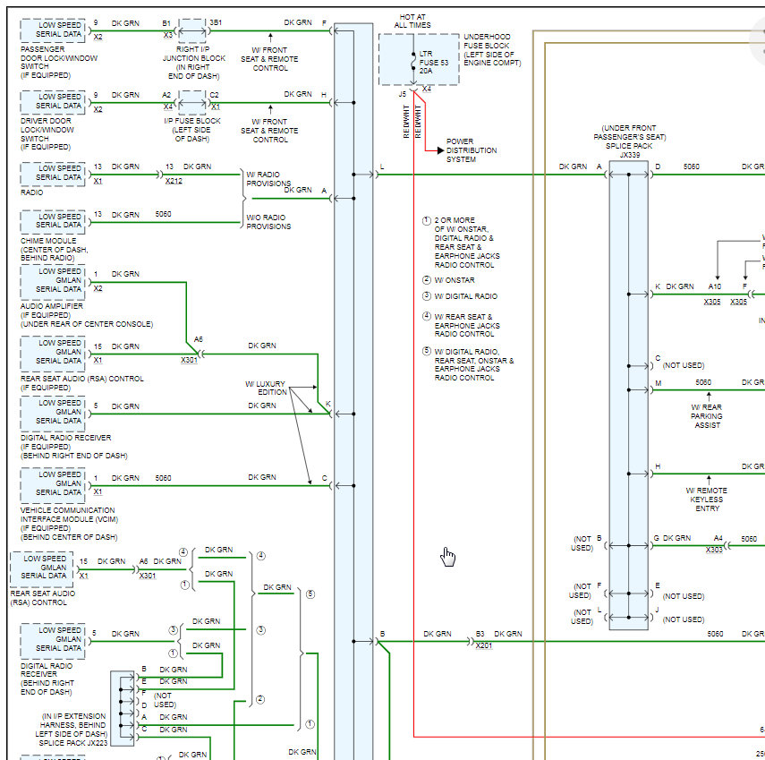
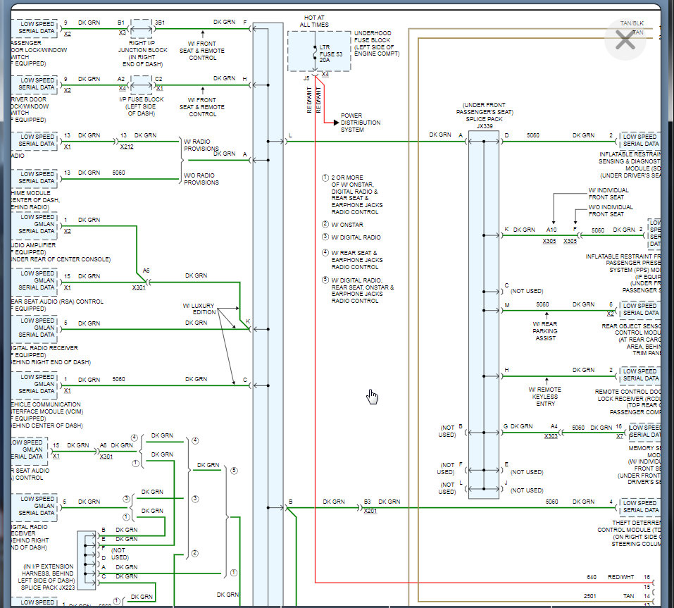
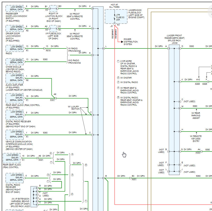
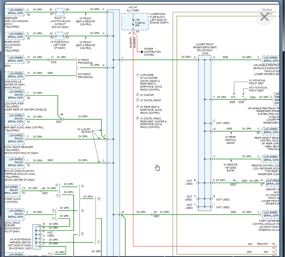
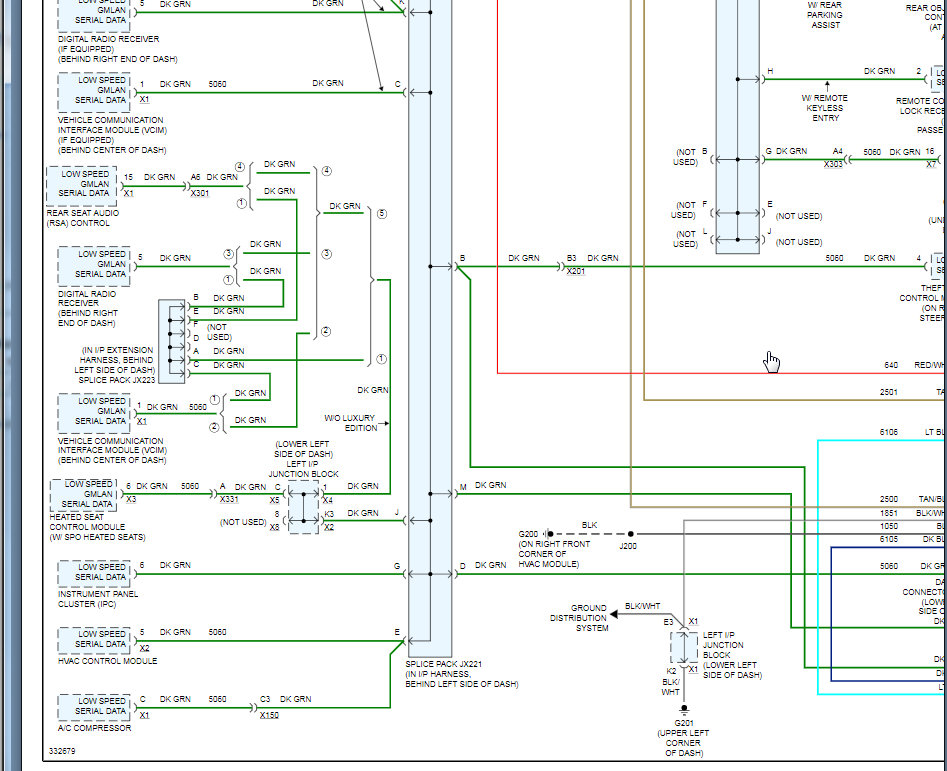
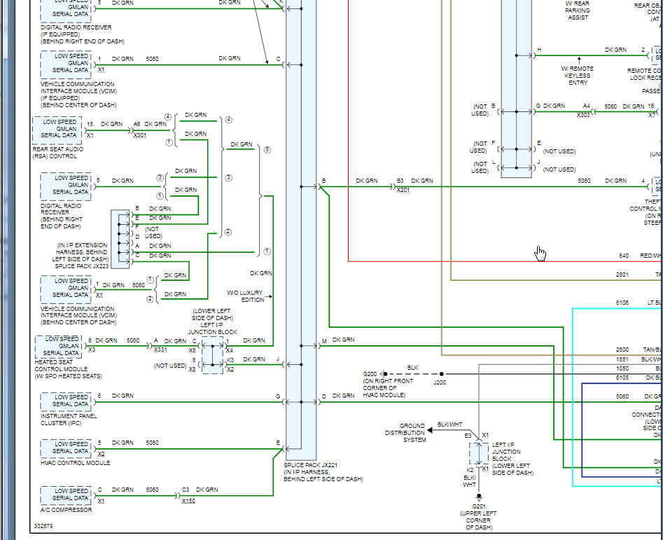
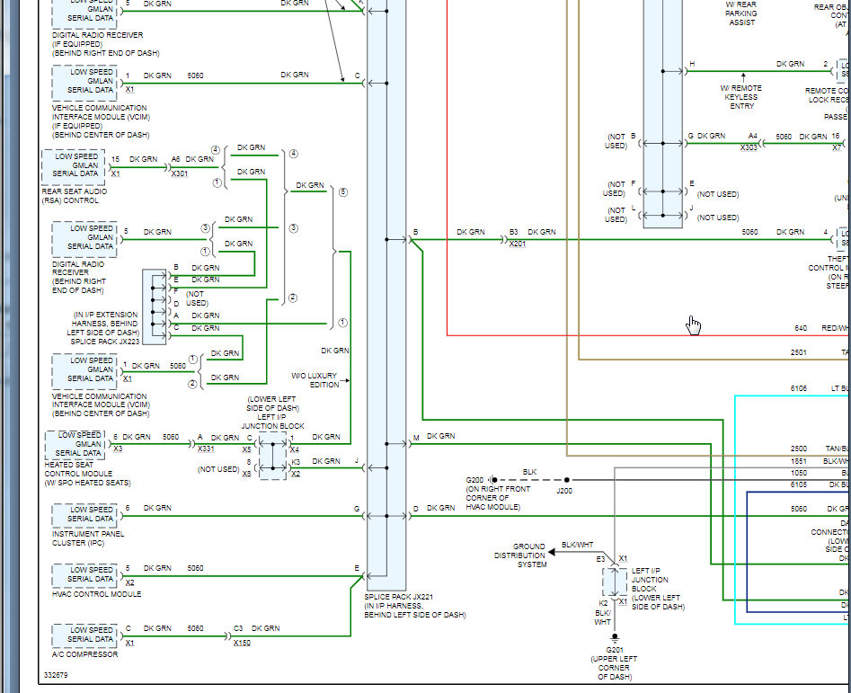
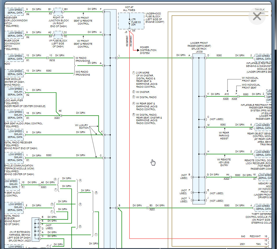
I attached the wiring diagram below of the DLC. We need to check power at terminal 6 and ground. Then 14 and ground. Let me know what those voltages are and we can go from there.

https://www.2carpros.com/articles/how-to-check-wiring

Thanks
Was this
answer
helpful?
Yes
No
+1
Sunday, February 14th, 2021 AT 5:21 PM
Tiny
DAVIDBM
  • MEMBER
  • 3 POSTS
Hi Kenny,

The DLC voltages were fine. The wiring diagrams were not that helpful since they did not include the high-speed circuit which all the modules the codes were indicating were on. I agree that it sounds like CAN Bus wiring or power to the individual modules. Do you also have that diagram? BTW, I am a student and was distracted from my vehicle repair by finals. Law school sucks. I've taken this vehicle to several shops and not one even looked at the CANBus wiring, even though I brought it to them specifically for that purpose. They never even downloaded the wiring diagrams-just threw it on the code reader and gave up. One side there was like 1,500 miles of wires to look at. I had pointed to the 2 CANbus wires and told him they were about 16 feet each. I really appreciate your help.

David
Was this
answer
helpful?
Yes
No
Saturday, May 1st, 2021 AT 12:07 PM
Tiny
DAVIDBM
  • MEMBER
  • 3 POSTS
  • 2010 CHEVROLET SILVERADO HYBRID
  • 0.6L
  • V8
  • 4WD
  • AUTOMATIC
  • 130,000 MILES
KaseKenny1 previously replied: "More then likely you have a short to ground on one of your CAN bus wires or battery feed to one of the modules." I agree. I live out in the sticks and had to had a back probe kit delivered. We then had a blizzard here, followed by my final exams, and I had to stop working on it. Now I'm back, the snow is gone, and it's time for me to get back on it.

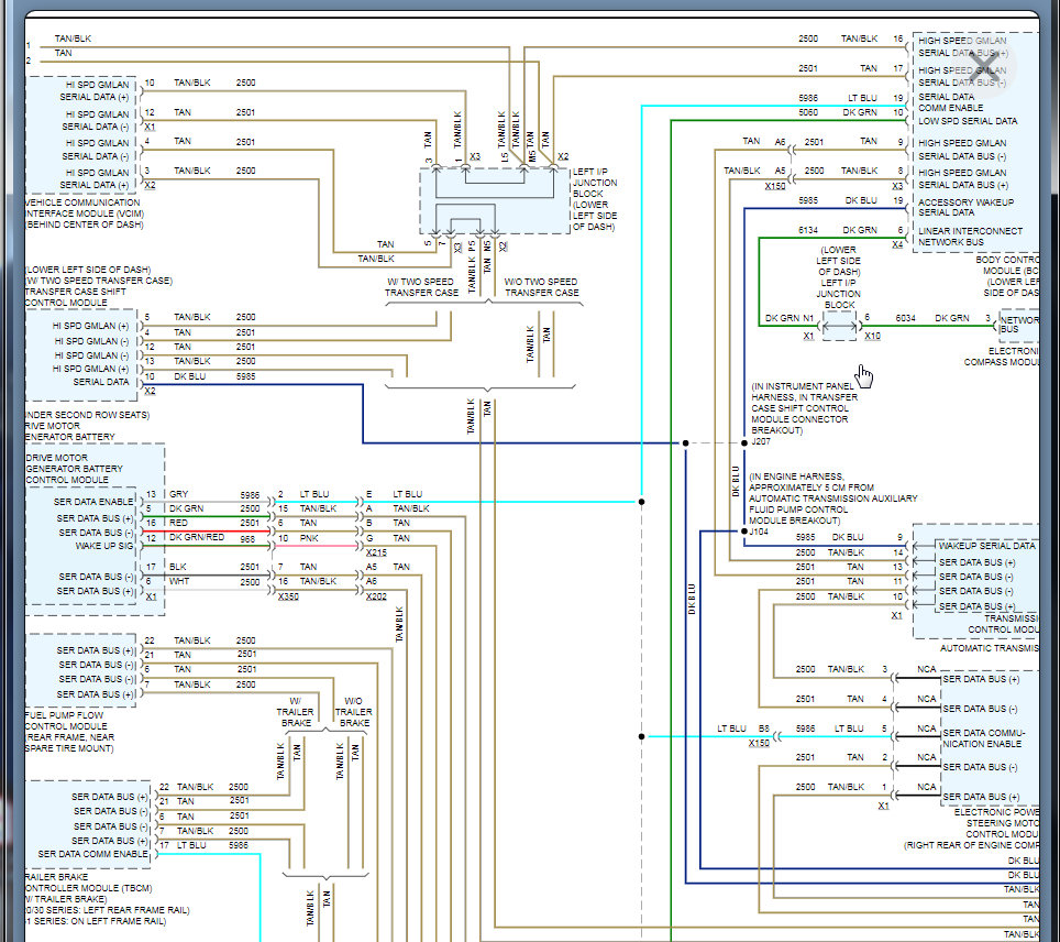
Do you have CAN bus wiring diagrams? I'm getting codes indicating communication loss for ECM, TCM, and others, so I need the high-speed circuit showing the various modules. KaseKenny1 already sent the low speed circuit diagrams.

The DLC voltages were fine. The code is intermittent. ABS code comes on too. The previous owner installed a SnowDog plow and there are some wires under the dash not connected to anything. A wiring diagram would be greatly appreciated.
Was this
answer
helpful?
Yes
No
Sunday, May 2nd, 2021 AT 5:24 PM (Merged)
Tiny
KASEKENNY
  • MECHANIC
  • 18,907 POSTS
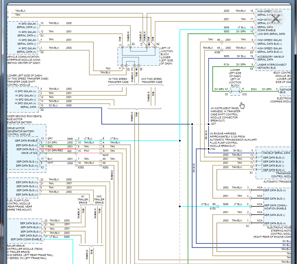
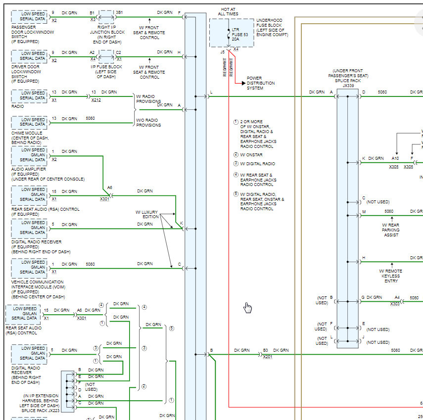
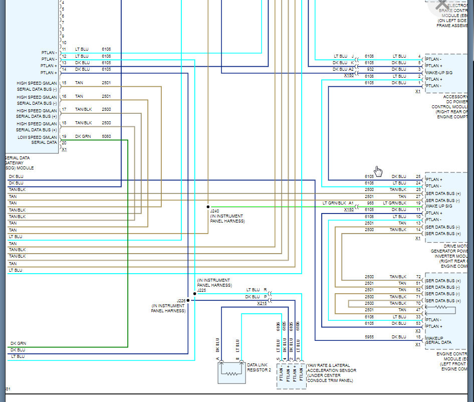
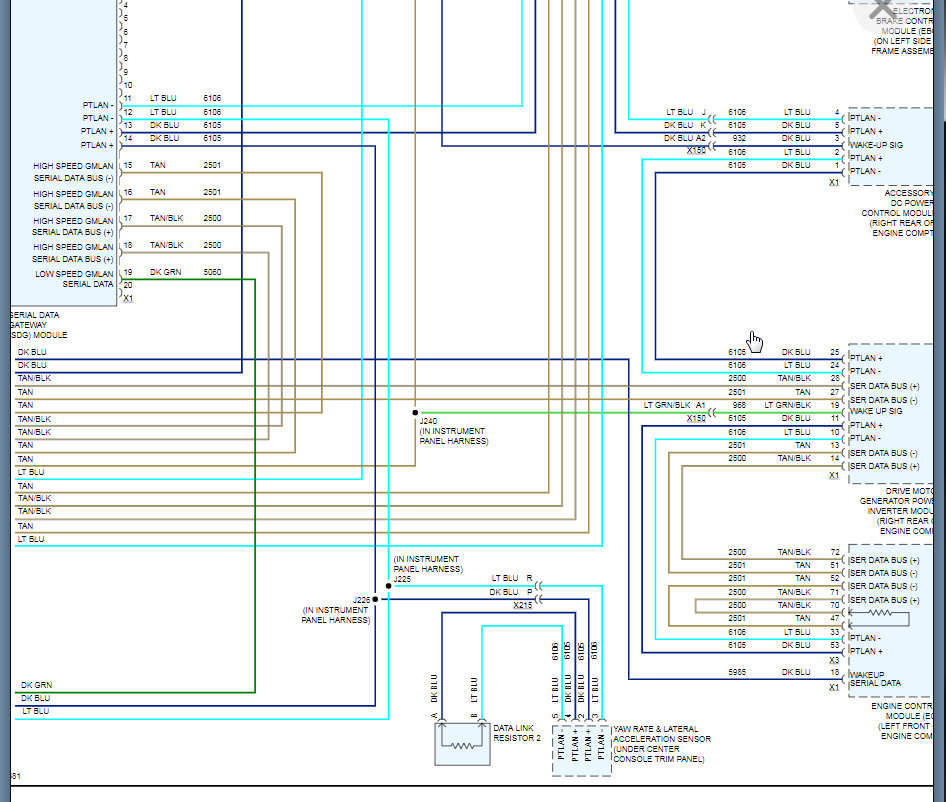
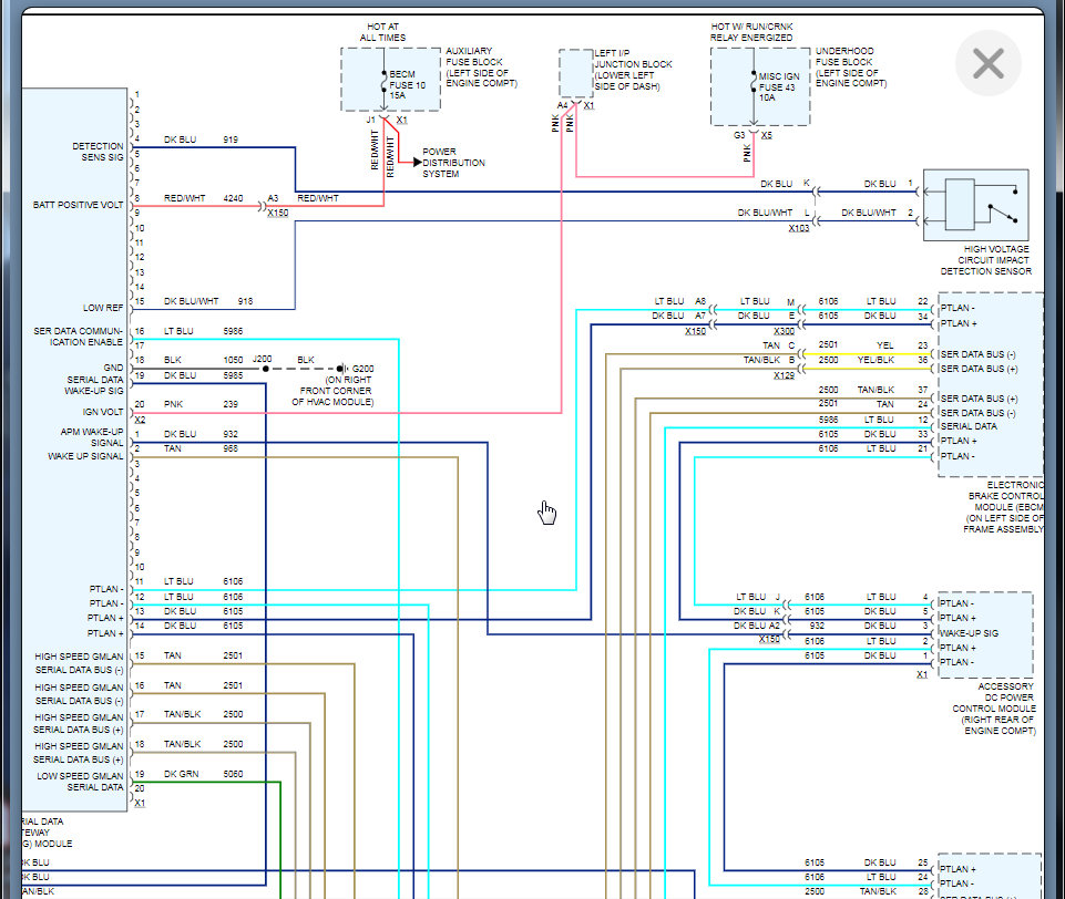
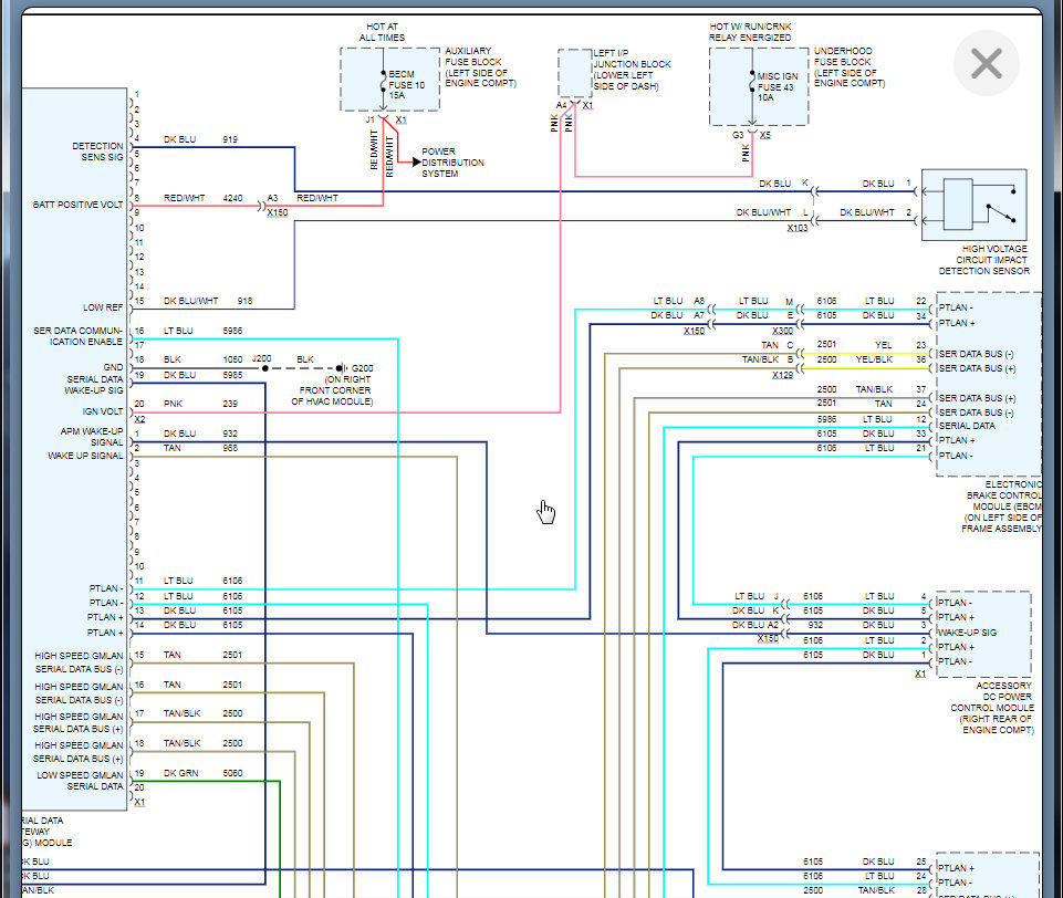
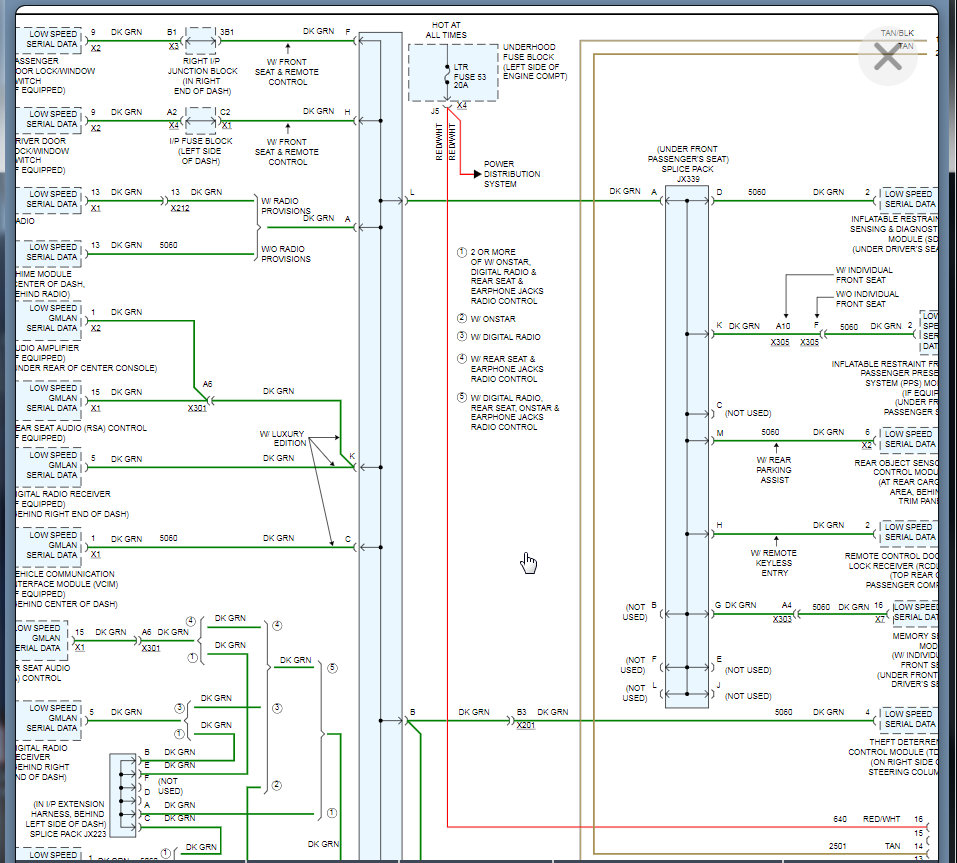
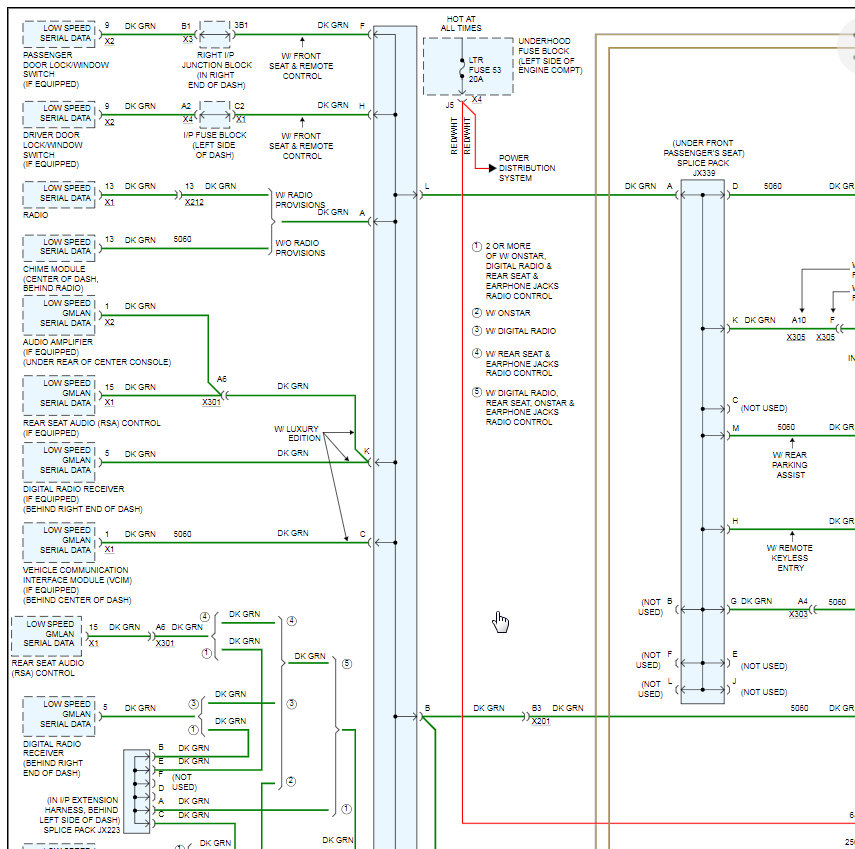
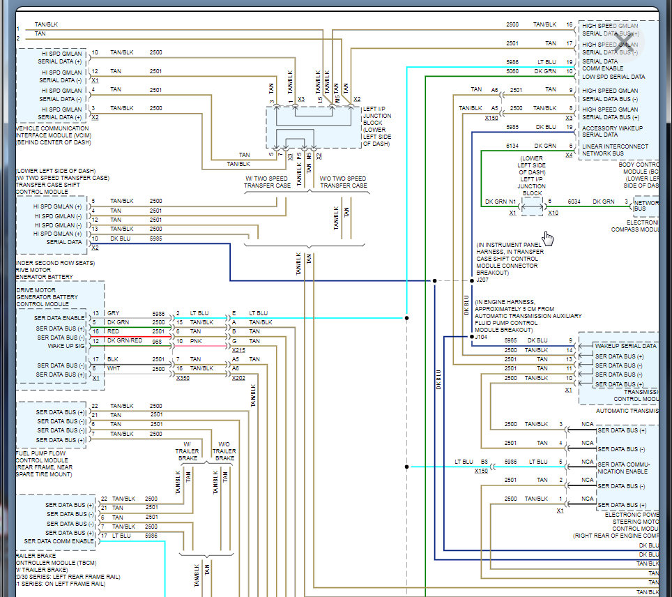
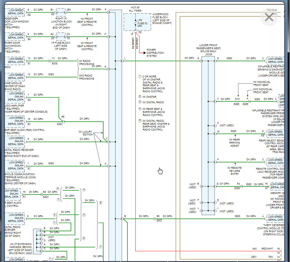
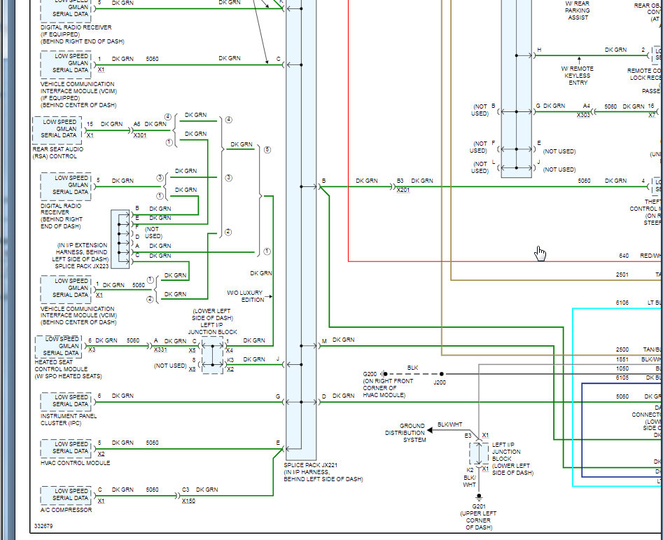
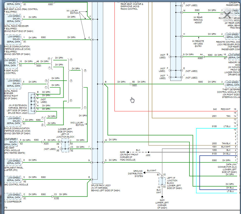
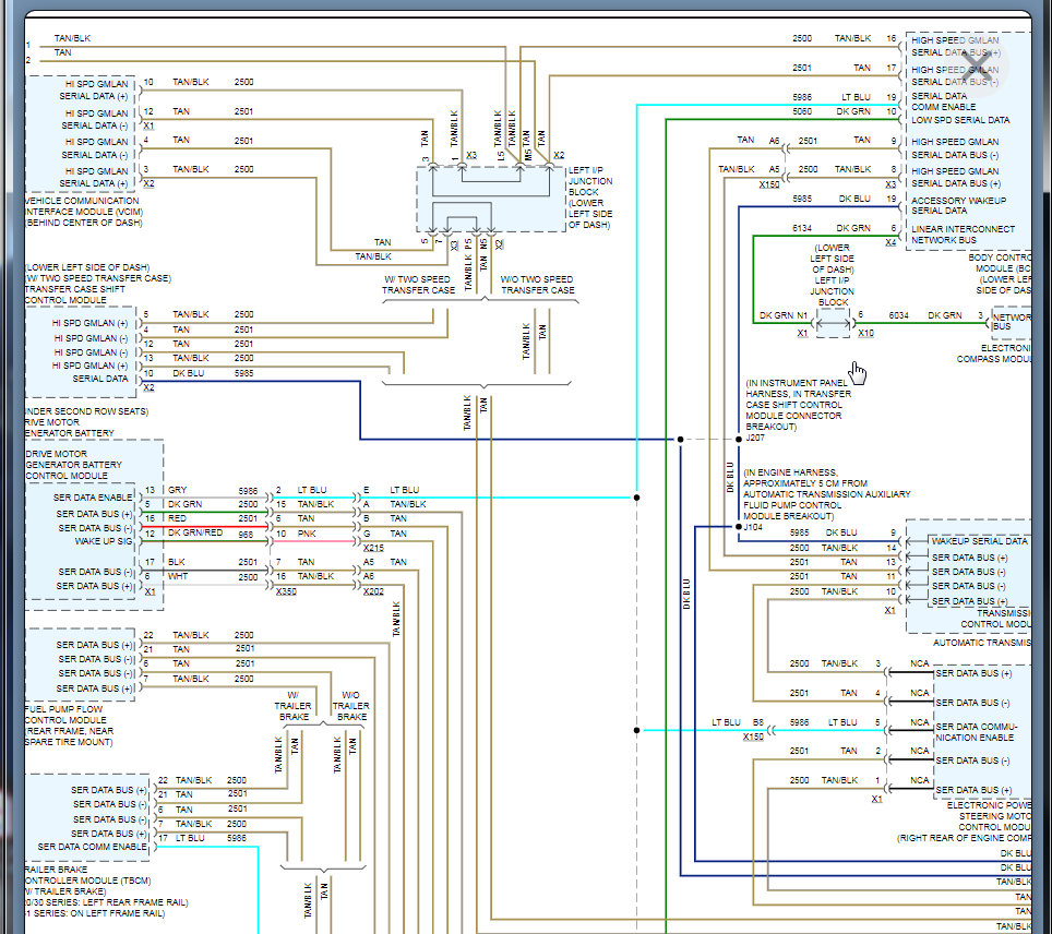
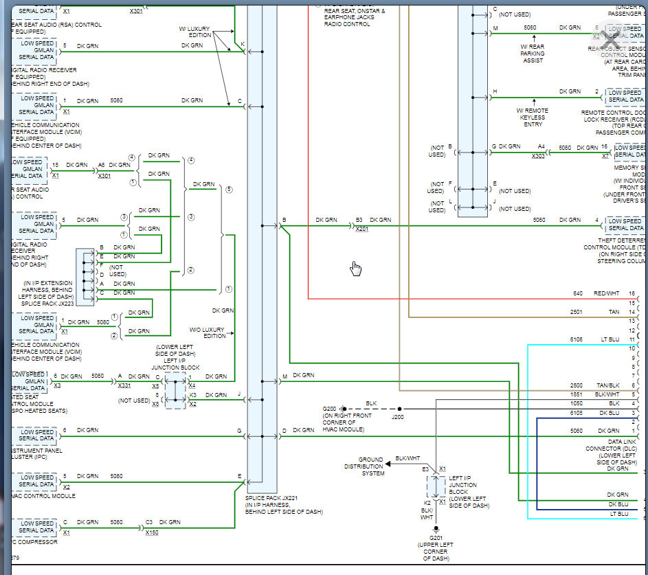
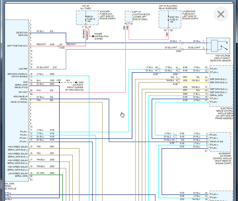
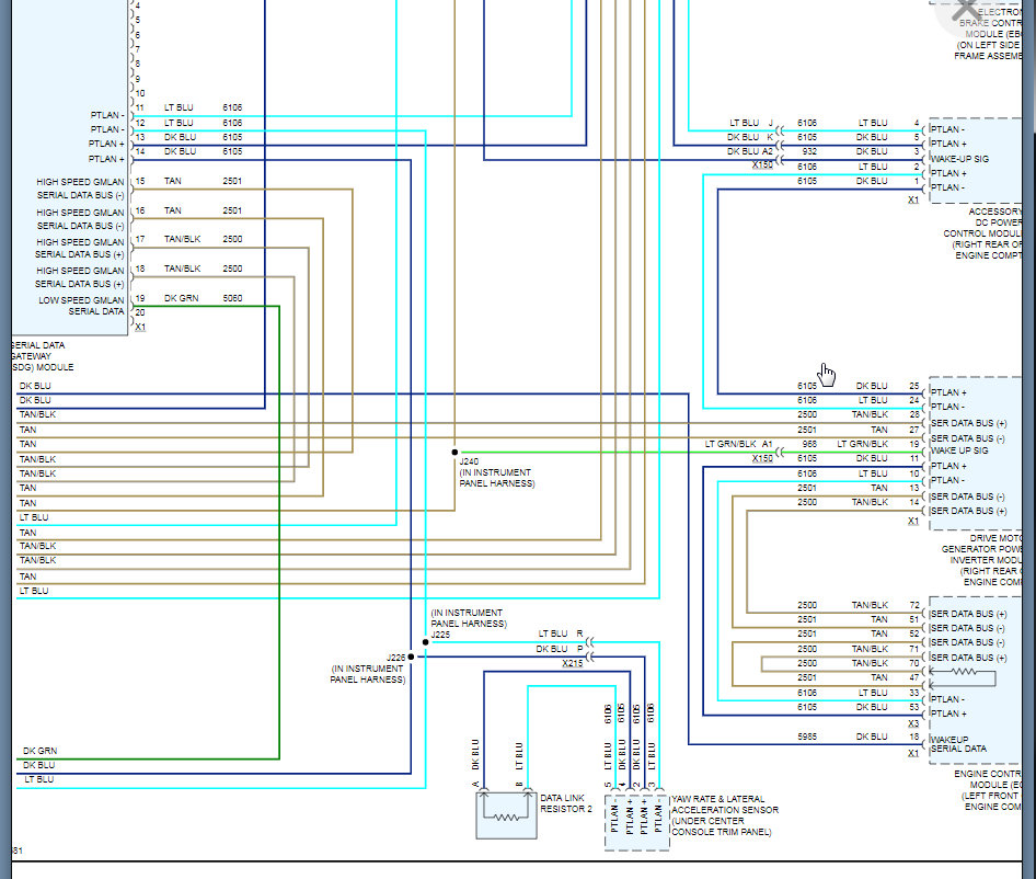
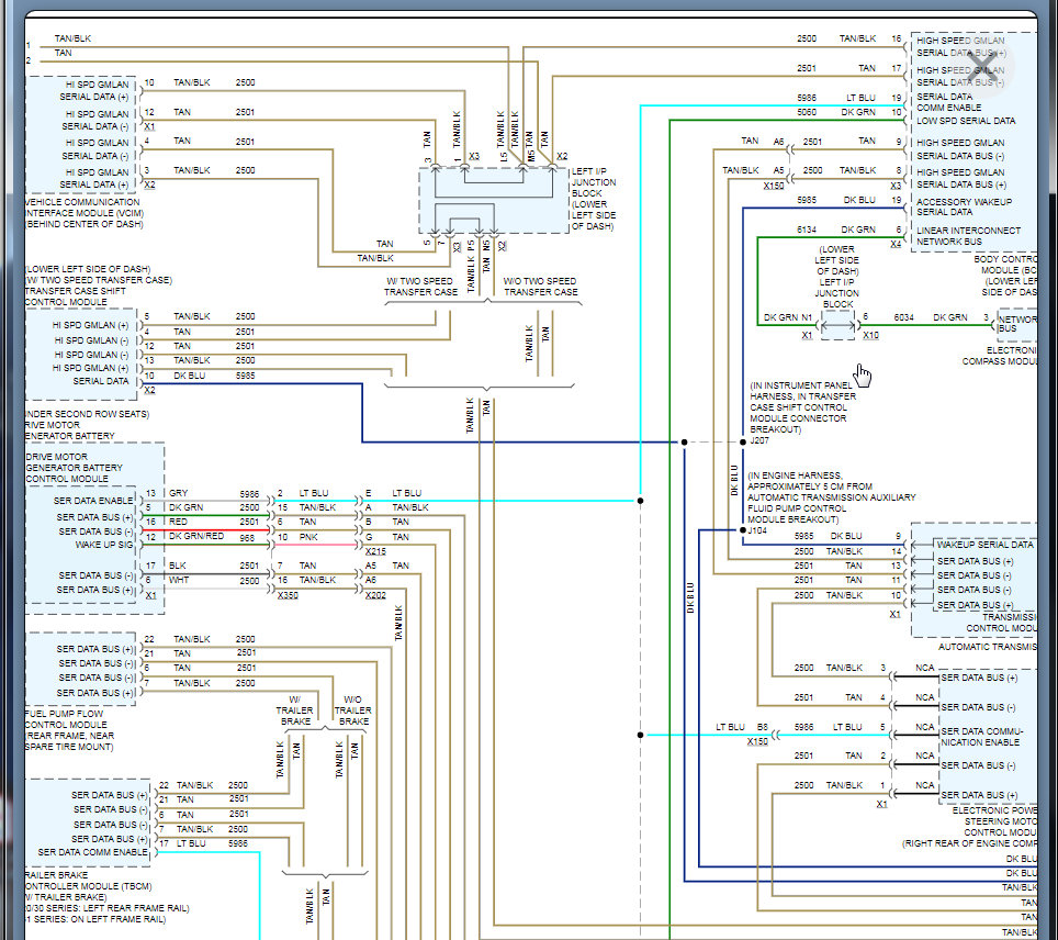
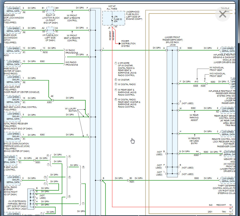
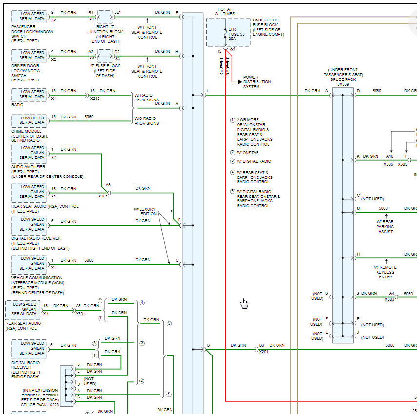
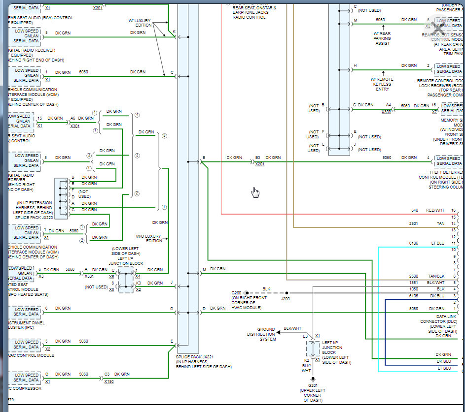
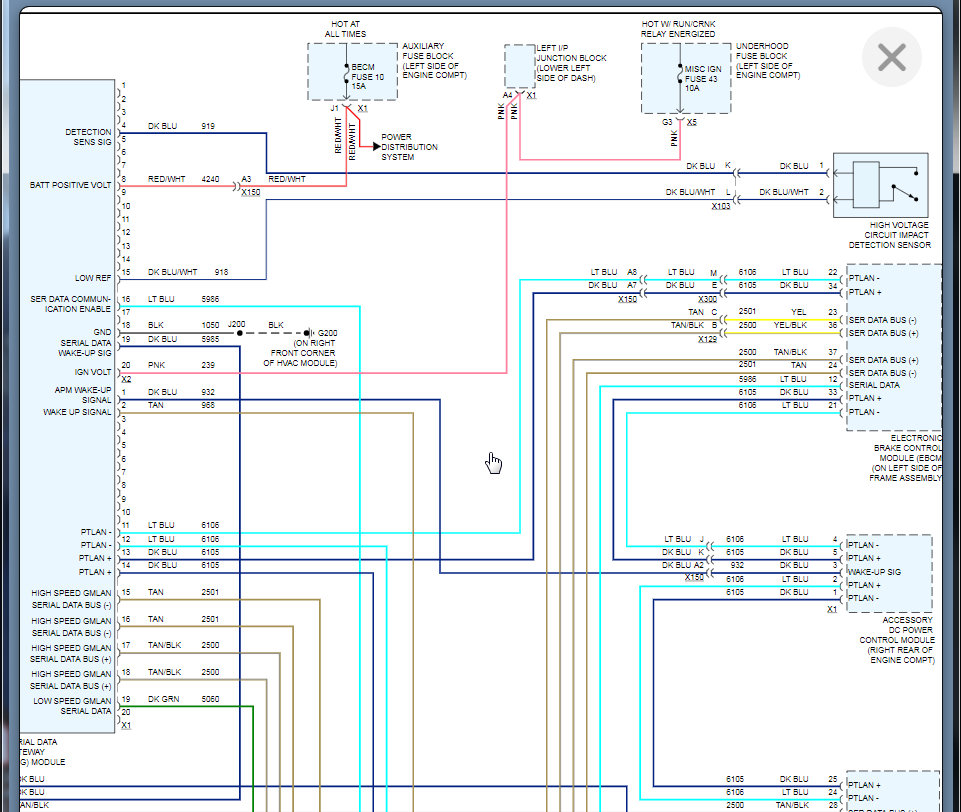
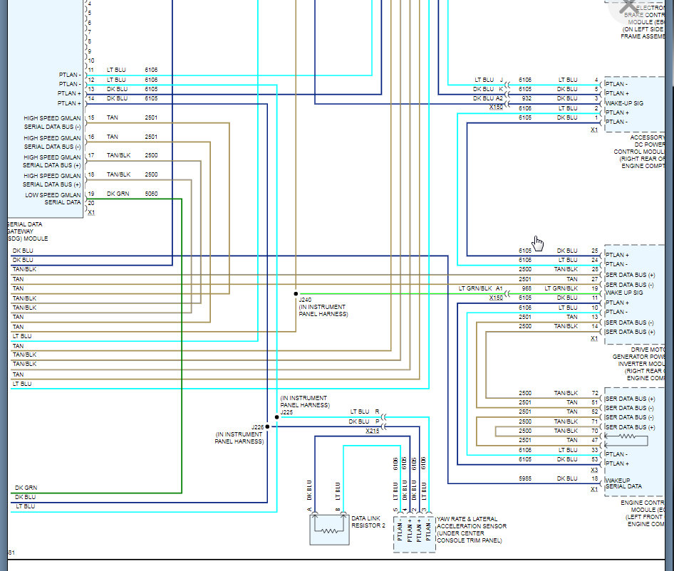
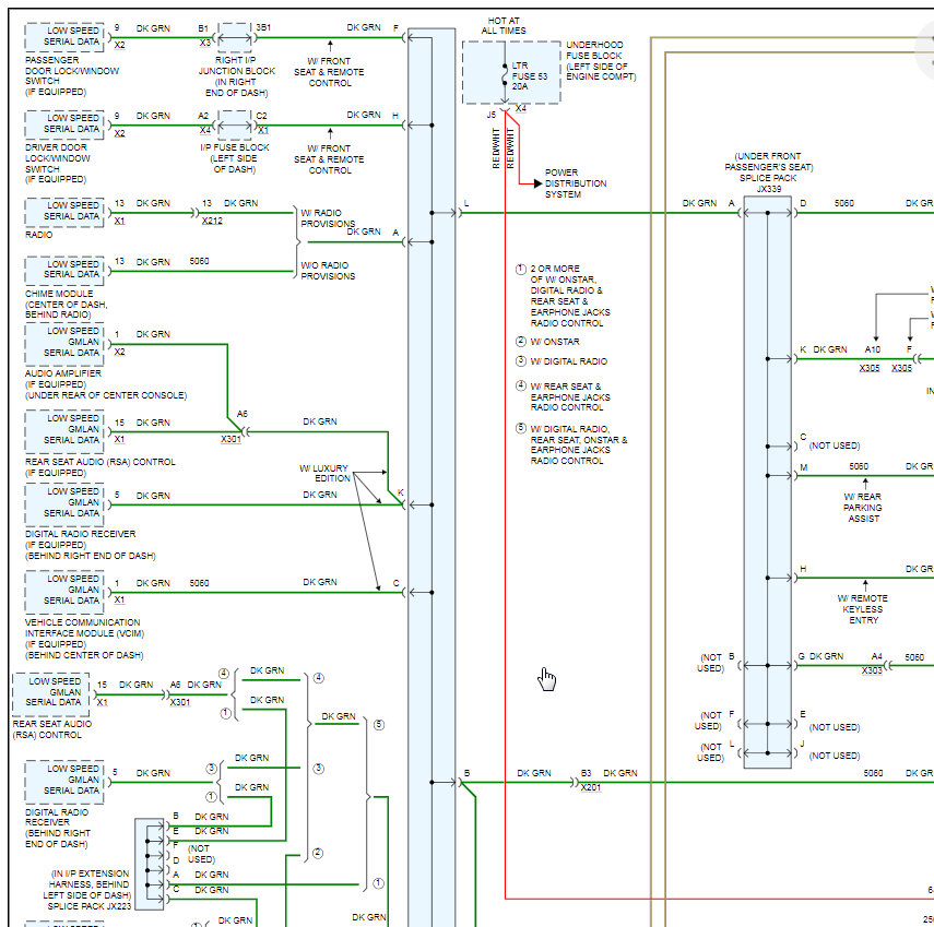
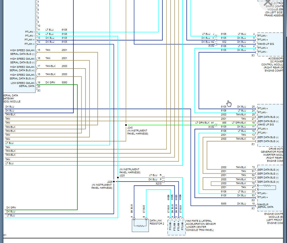
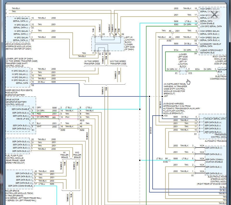
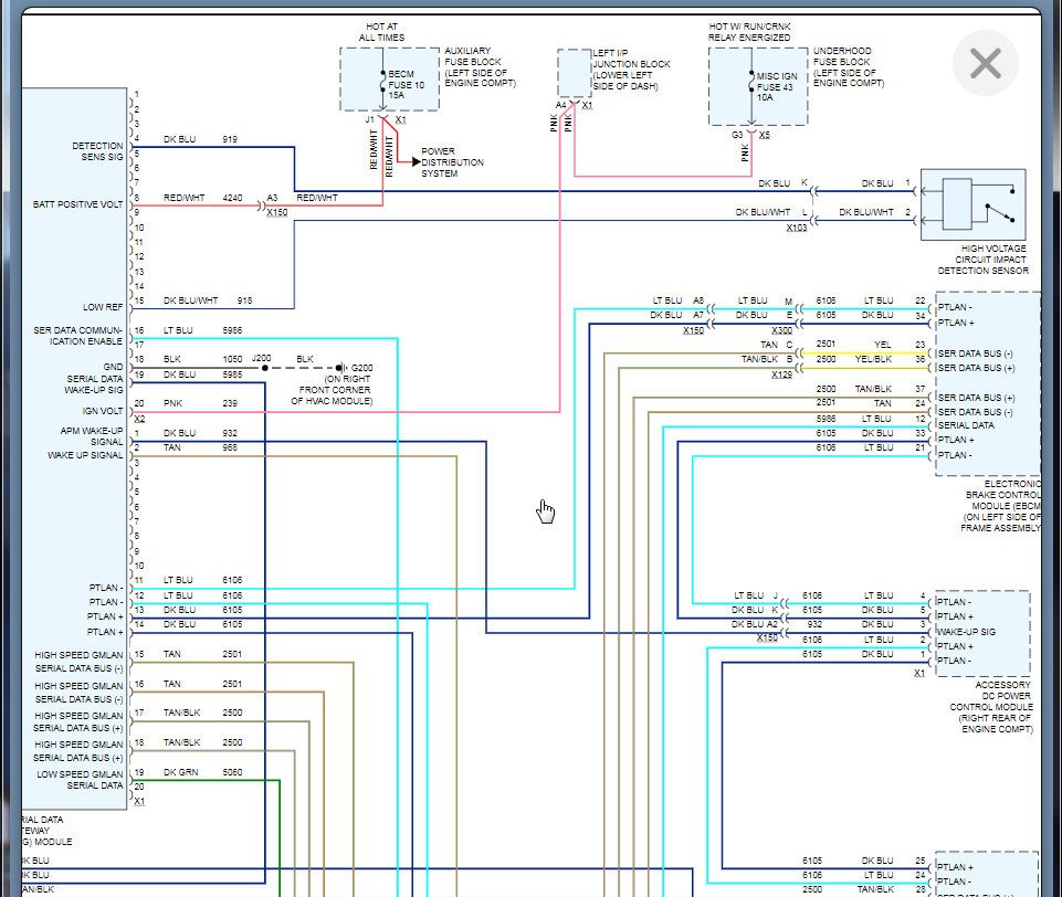
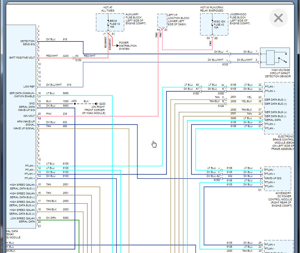
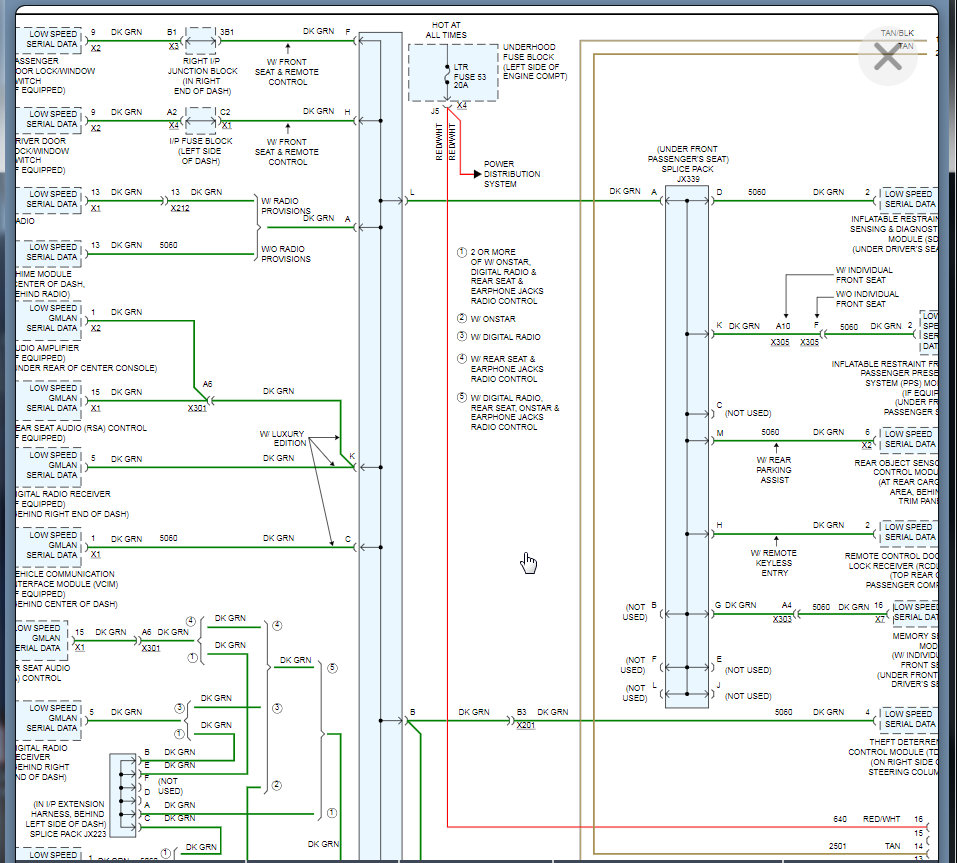
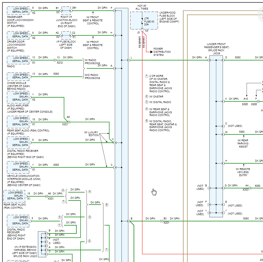
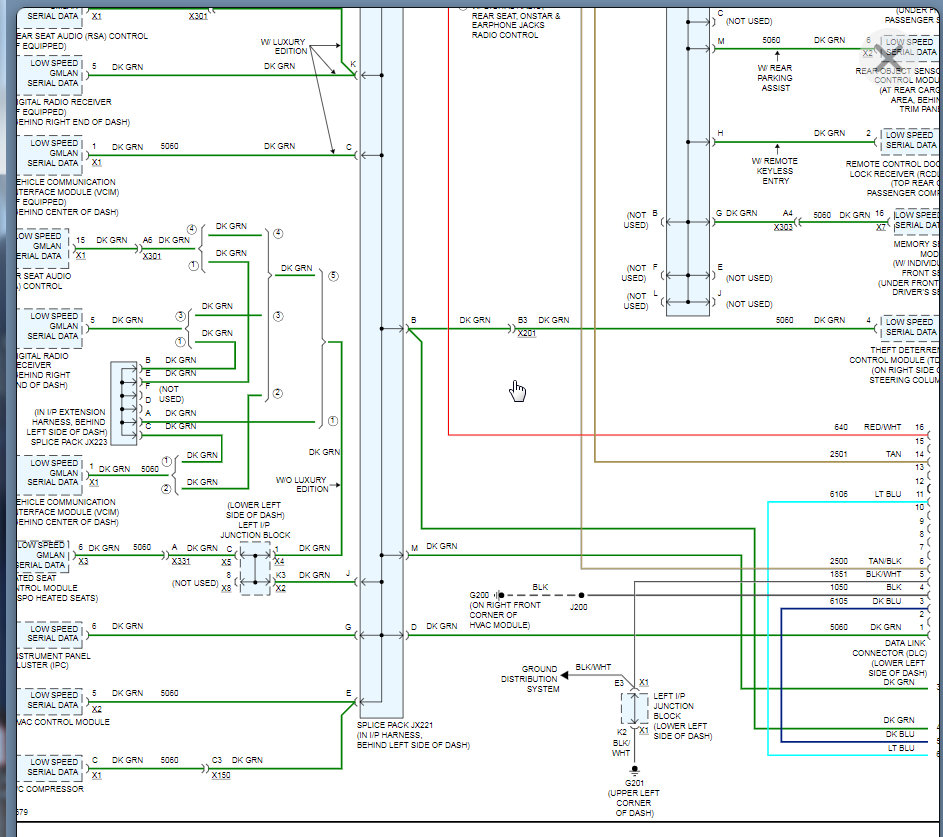
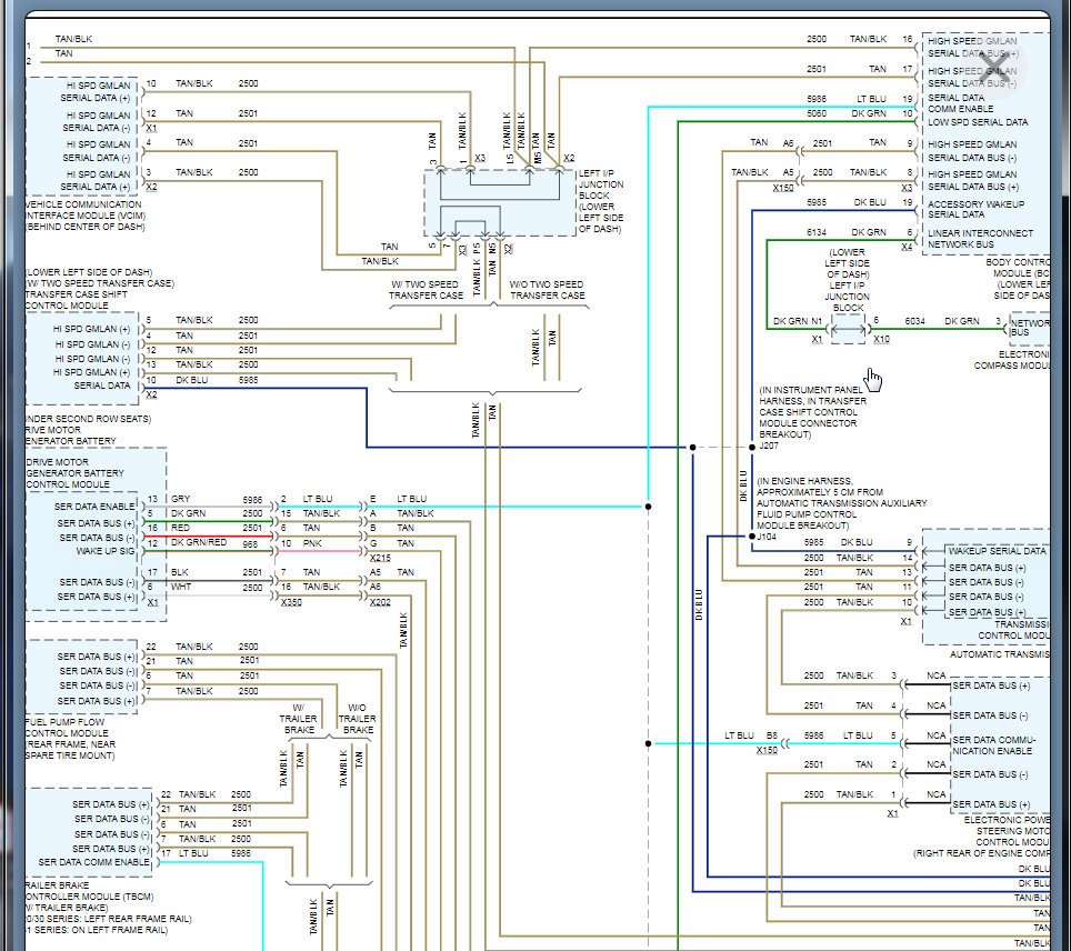
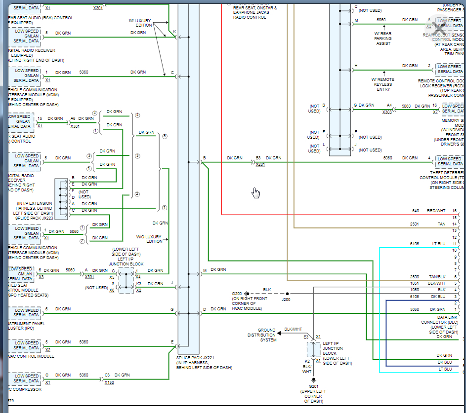
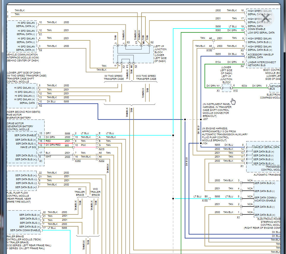
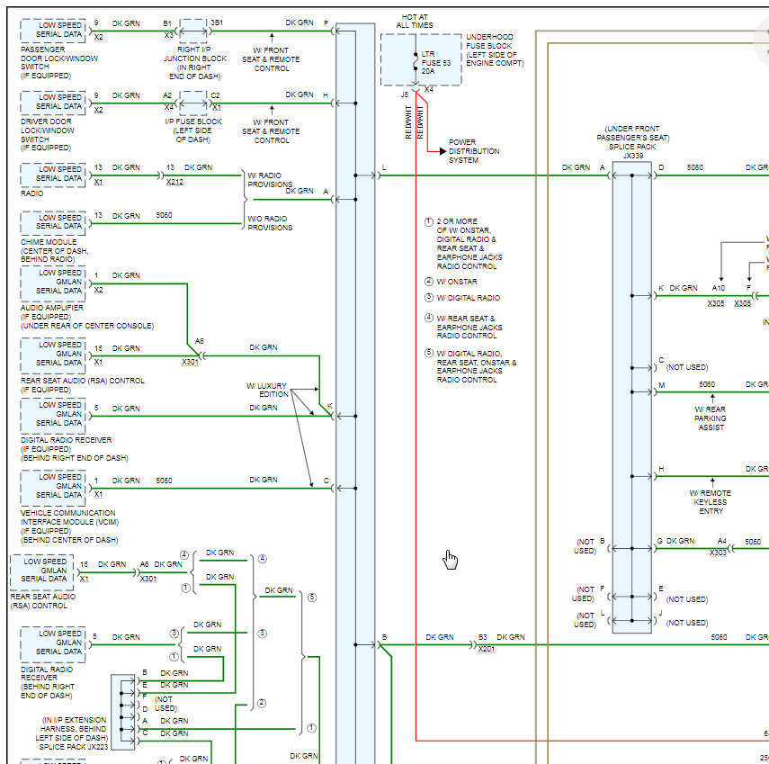
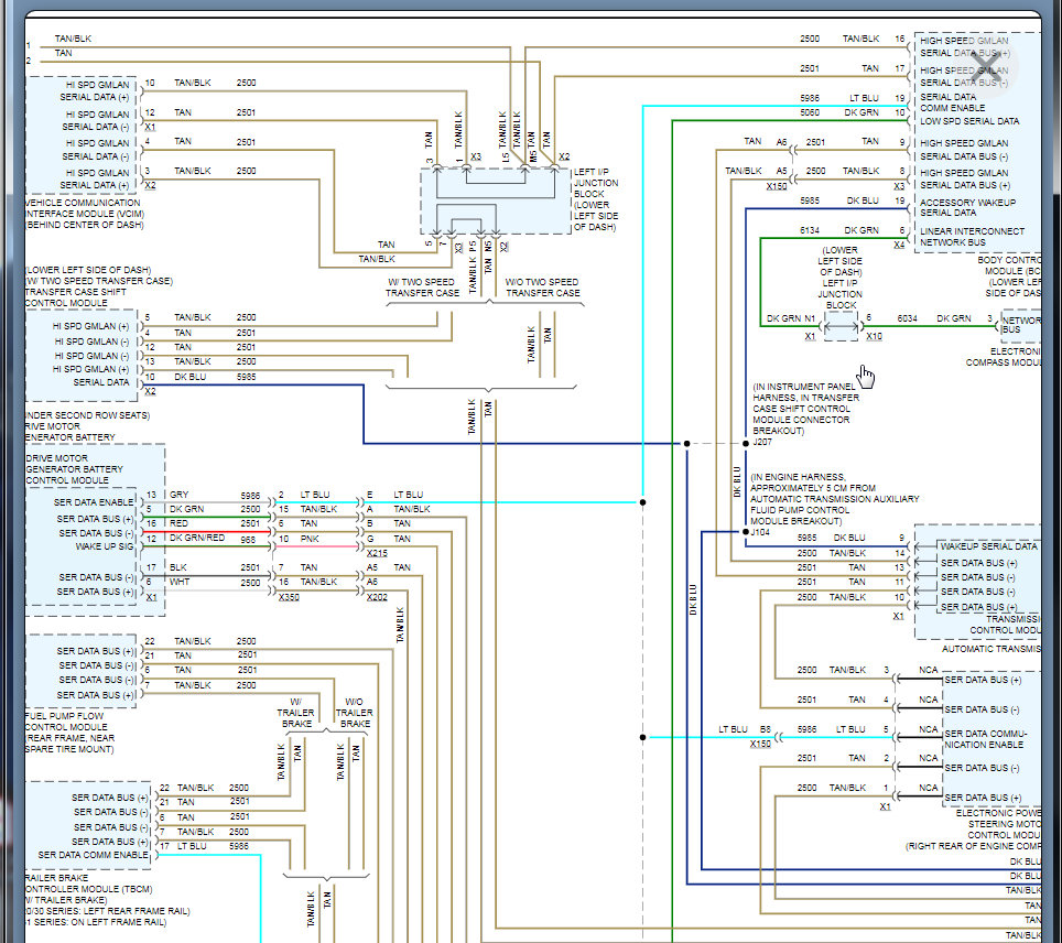
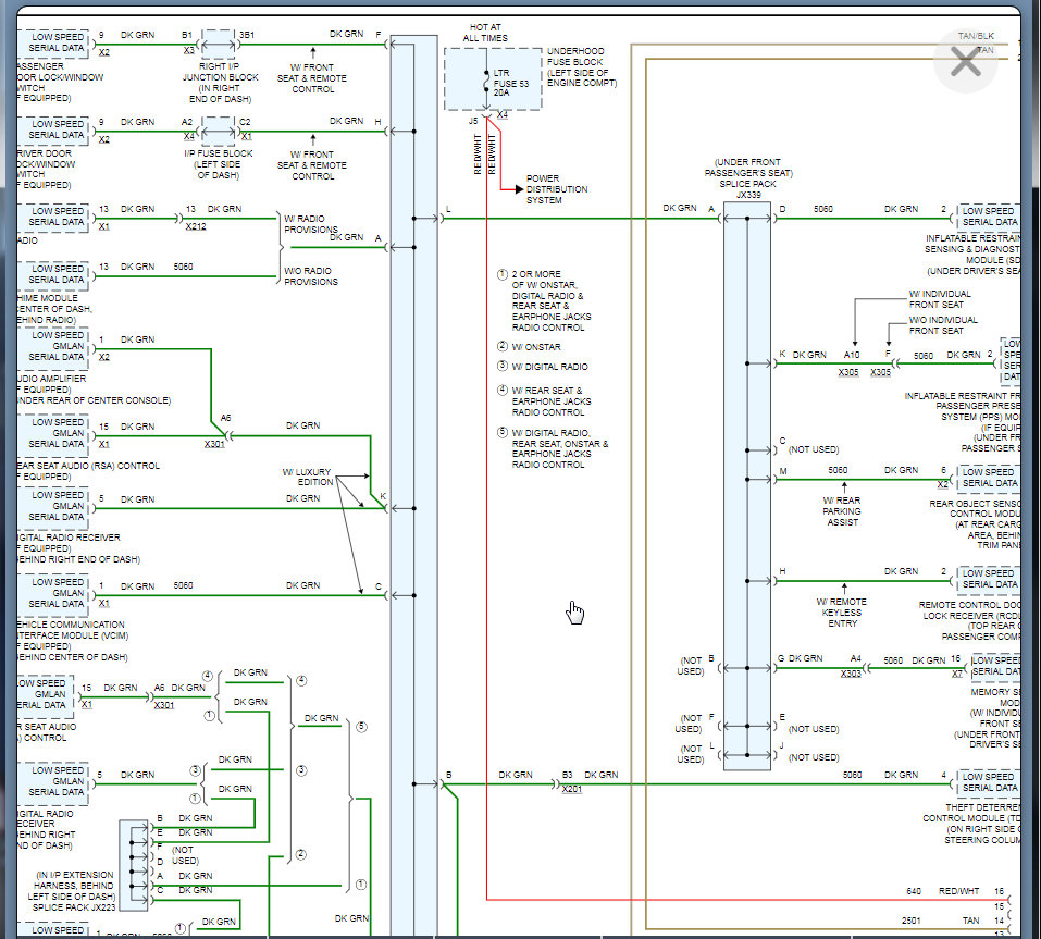
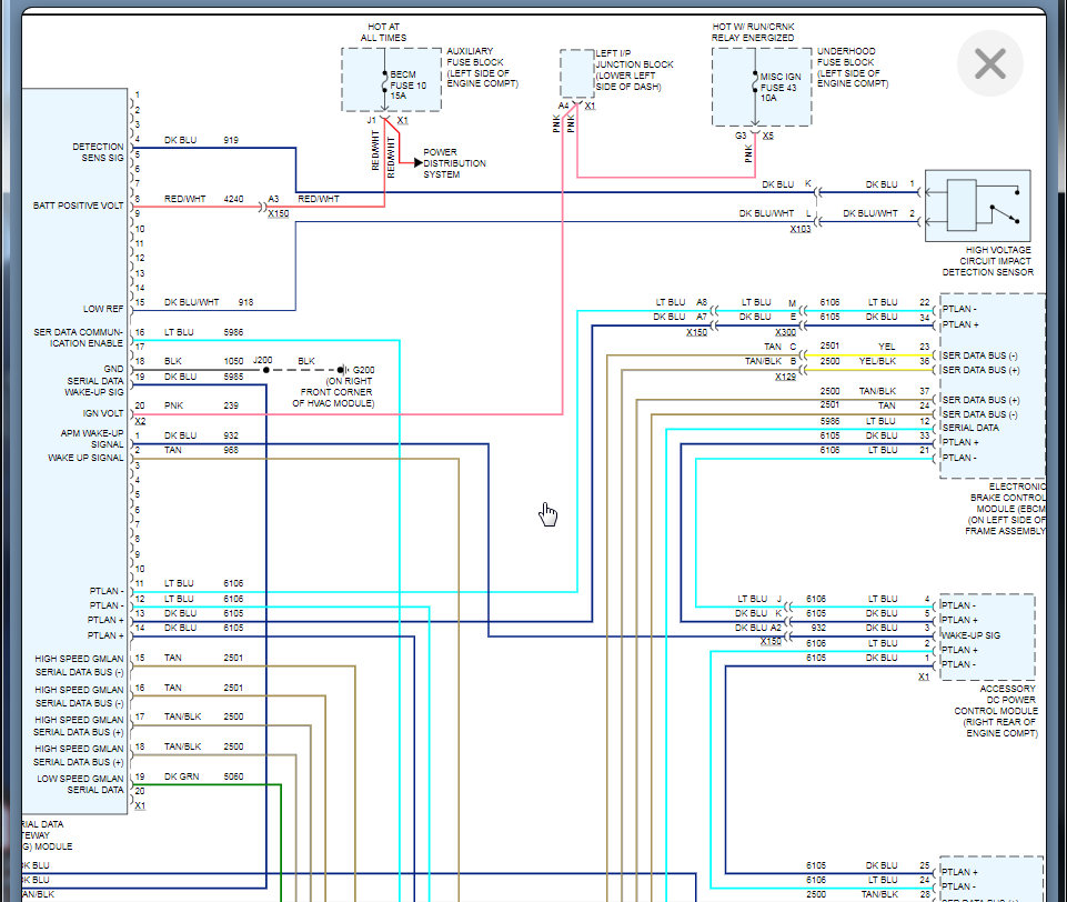
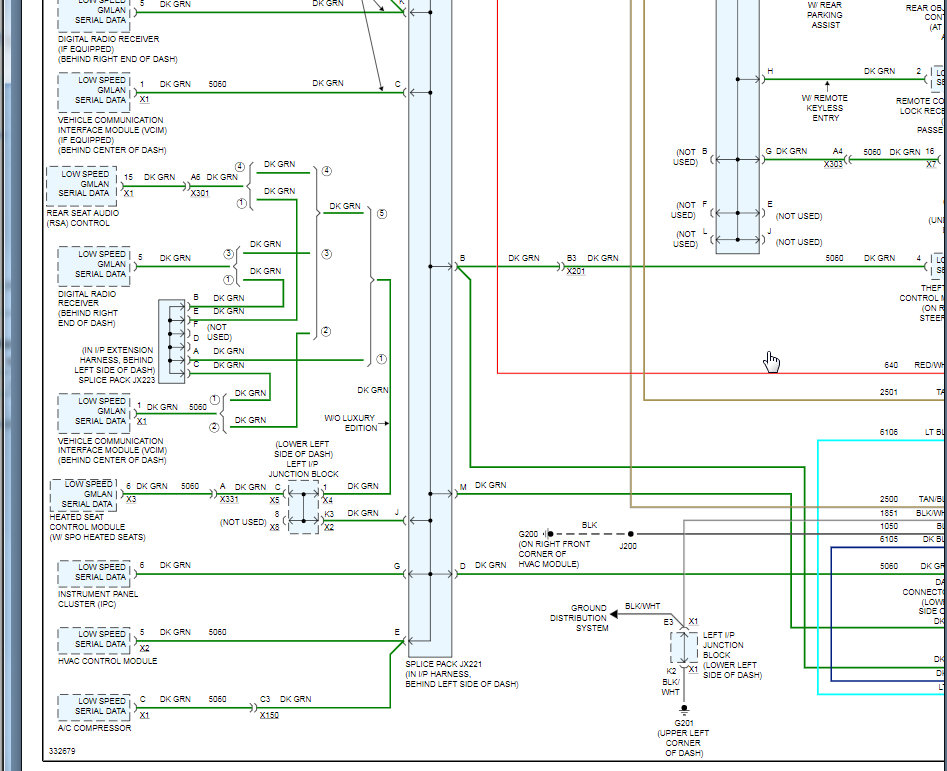
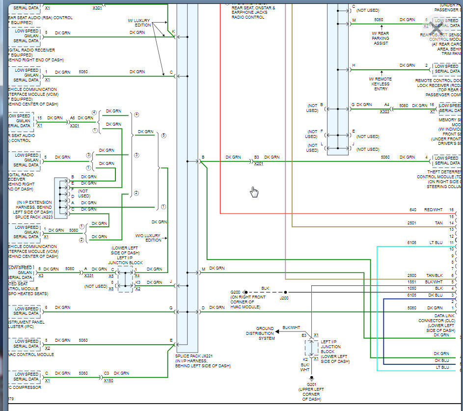
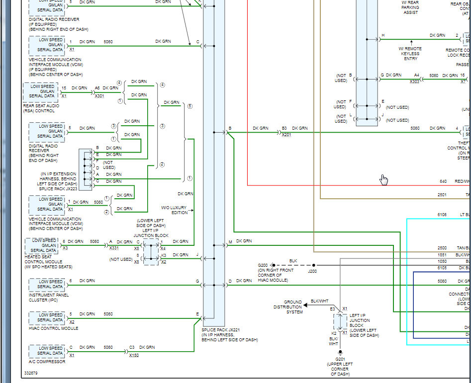
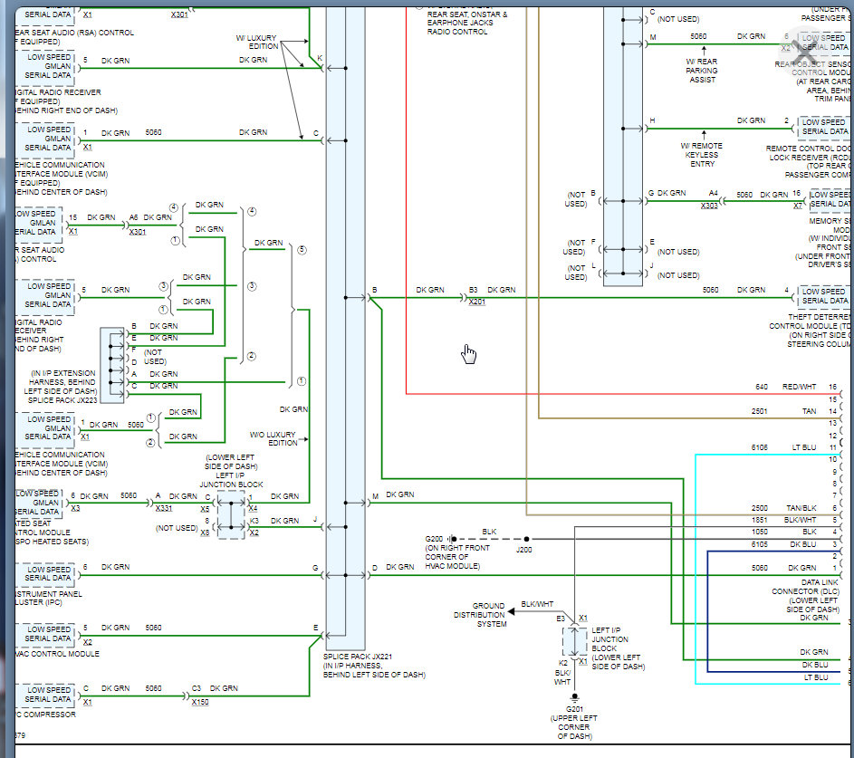
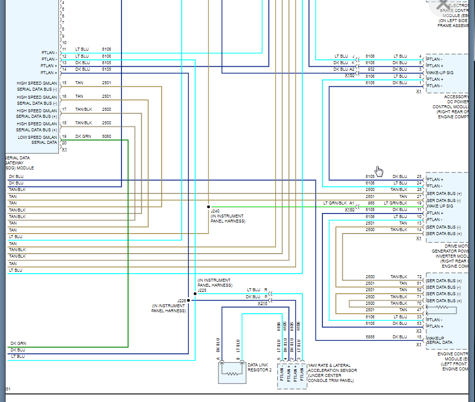
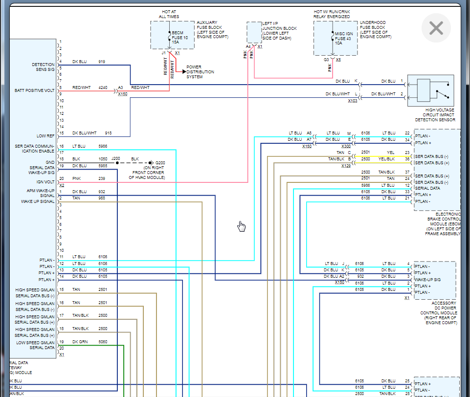
Here is the complete diagram for the CAN bus system.

What were the voltages at the DLC?

Plus if there was a plow, do you see anything actually plugged in? If so, that can corrupt the bus.

The place to start is the gateway module. I attached the info below on this.

Please let us know what you find. Thanks
Was this
answer
helpful?
Yes
No
Monday, May 3rd, 2021 AT 7:57 PM

Please login or register to post a reply.