Engine sputters/jerks

Tiny
ALBRIGHT333
  • MEMBER
  • 2001 ISUZU RODEO
  • 2.3L
  • V6
  • 2WD
  • AUTOMATIC
  • 143,000 MILES
Car starts up just fine and drives if you put it in drive or reverse and let it roll it sputters/jerks but still drives also feels like there is some resistance when accelerating it also sputters harder if you accelerate.
Wednesday, April 1st, 2020 AT 2:13 PM

3 Replies

Tiny
ASEMASTER6371
  • MECHANIC
  • 52,796 POSTS
Good evening,

It sounds like the engine is misfiring.

https://www.2carpros.com/articles/engine-misfires-or-runs-rough

How long since you had a tune up?

Is the check engine light on? If it is, do you know the code?

https://www.2carpros.com/articles/checking-a-service-engine-soon-or-check-engine-light-on-or-flashing

Roy
Was this
answer
helpful?
Yes
No
+1
Wednesday, April 1st, 2020 AT 3:18 PM
Tiny
ALBRIGHT333
  • MEMBER
  • 2 POSTS
Yes it gave me a p1340 code.
Was this
answer
helpful?
Yes
No
Wednesday, April 1st, 2020 AT 4:13 PM
Tiny
ASEMASTER6371
  • MECHANIC
  • 52,796 POSTS
Okay, I attached a description and possibilities for the code.

You will need a scan tool to work through this.

Let me know if you have any questions.

Roy

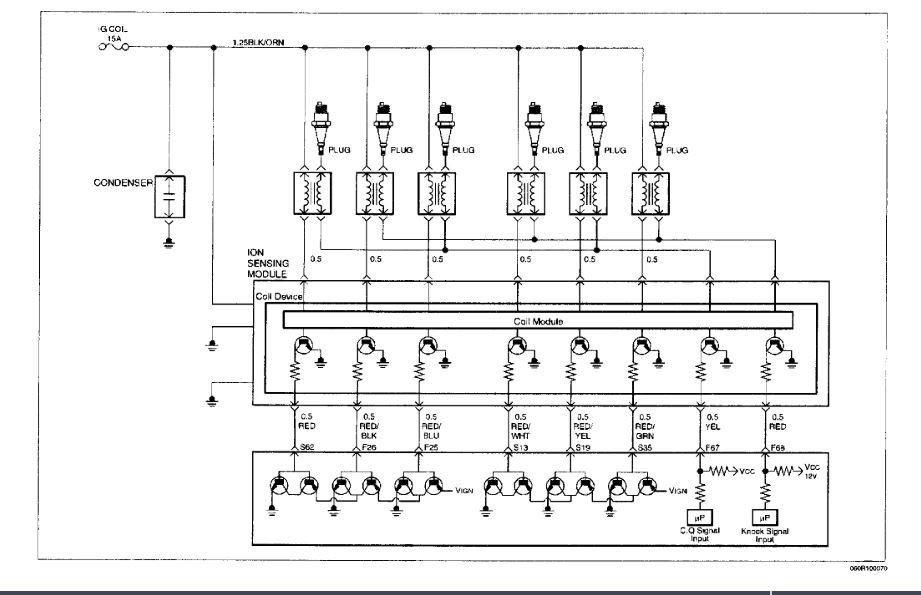
Circuit Description
The Power Control Module (PCM) checks the validity of the signals used in the ION Sensing module at the following engine operating conditions.
This test will return a fault if the cylinder synchronization routine has not been completed after a predetermined number of events after crank. This test will detect fault that will prevent the PCM from synchronization, such as Knock Signal (KI) - Combustion Quality (CQ) lines being swapped, shorted spark plugs, ION Sensing module faults, an PCM hardware faults.

Conditions for Setting the DTC
Ignition voltage is between 11 volt and 16 volts.
Engine speed is between 650 rpm and 6250 rpm.
No ECT DTCs set.
No injector DTCs set.
No Fuel Trim DTCs set.
No Misfire DTCs set.
No system voltage DTCs set.

Action Taken When the DTC Sets
The PCM will ON the MIL after second trip with detected the fault.
The PCM calculates an air flow value based on idle air control valve position, throttle position, RPM and barometric pressure.
The PCM will store condition which were present when the DTC was set as Freeze Frame and in the Failure Records data.

Conditions for Clearing the MIL/DTC
The PCM will turn the MIL "OFF" on the third consecutive trip cycle during which the diagnostic has been run and the fault condition is no longer present.
A history DTC P1340 will clear after 40 consecutive trip cycle during which the warm up cycles have occurred without a fault.
DTC P1340 can be cleared using the Tech 2 "Clear Info" function or by disconnecting the PCM battery feed.

Diagnostic Aids
An intermittent may be caused by the following:
Poor connections.
Mis routed harness.
Rubbed through wire insulation.
Broken wire inside the insulation.

Check for the following conditions:
Poor connection at PCM-Inspect harness connectors for backed out terminals, improper mating, broken locks, improperly formed or damaged terminals, and poor terminal to wire connection.
Damaged harness-Inspect the wiring harness for damage. If the harness appears to be OK, observe the moving connectors and wiring harnesses related to the sensor.

A change in the display will indicate the location of the fault. If DTC P1340 cannot be duplicated, the information included in the Failure Records data can be useful in determined vehicle mileage since the DTC was last set.

If it is determined that the DTC occurs intermittently, performing the DTC P1340 Diagnostic Chart may isolate the cause of the fault.

Steps 1 - 9
Was this
answer
helpful?
Yes
No
Wednesday, April 1st, 2020 AT 4:20 PM

Please login or register to post a reply.