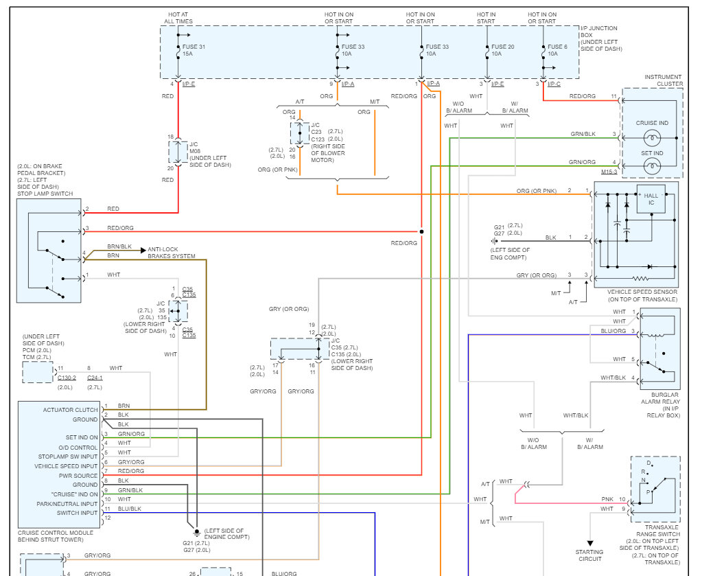
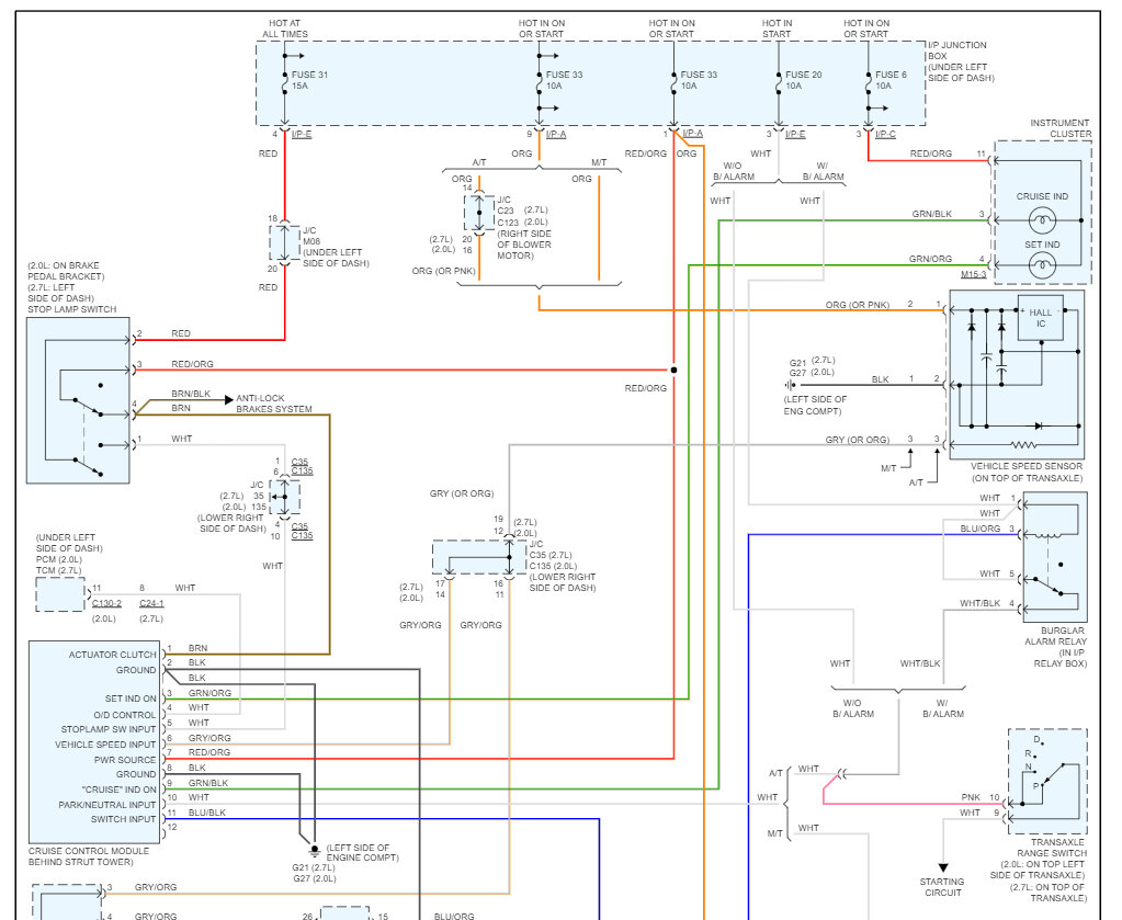
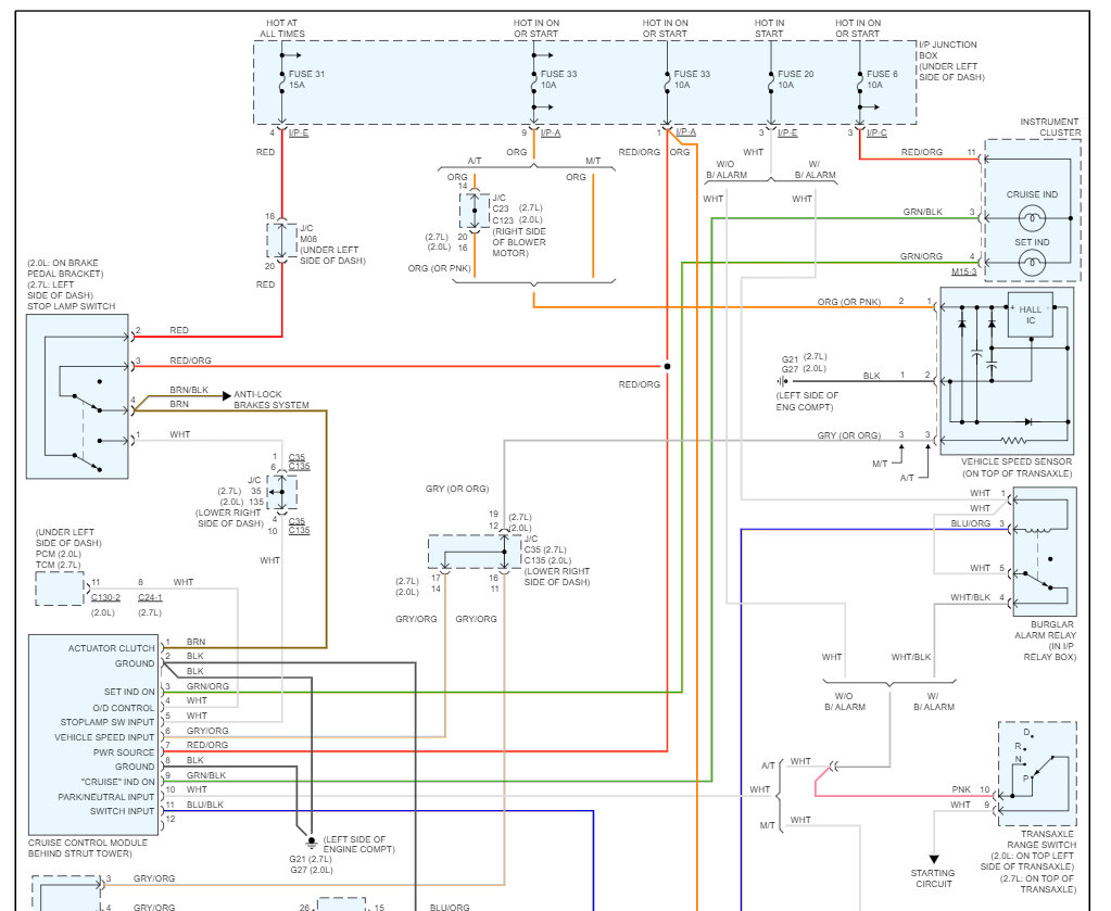
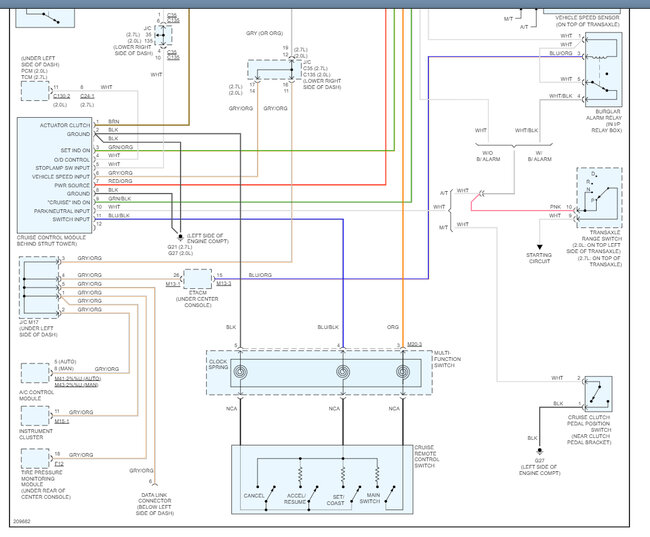
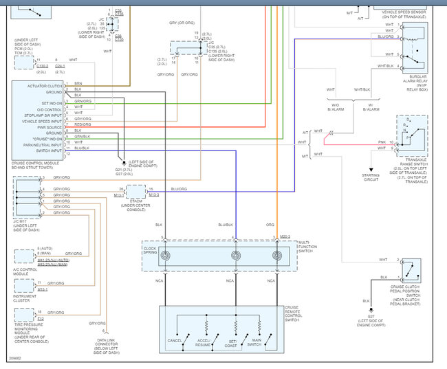
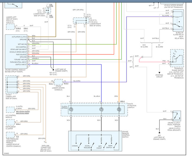
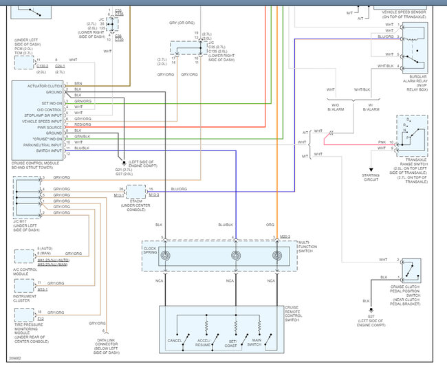
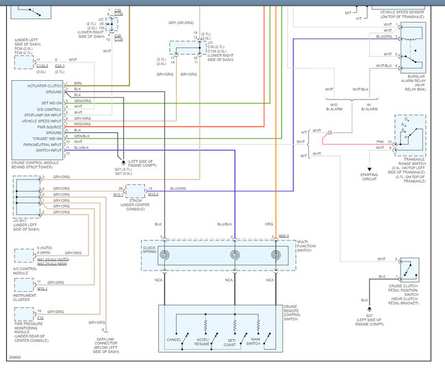
I did unplug the VSS, and it continued to show speed on the scan tool under vehicle speed sensor. So, it’s confirmed that the scan tool gets speed from something else. I read it gets it from the front wheel speed sensor.
I noticed that if I use the ground on the battery terminal, I can get 11.95v from the power supply terminal of the VSS connector and 10.4v on the signal wire. If I move the black probe back to negative terminal on the connector it drops voltage to 2.5-3v. I don’t know if that’s indicating a bad ground to the VSS or not. I’m trying to educate myself more about this. Electrical issues make my brain hurt, lol.
Was this helpful?
Yes
No
Sunday, March 12th, 2023 AT 11:41 AM






