Speedometer/shift issues?

Tiny
E BONEZ
  • MEMBER
  • 2001 CHEVROLET BLAZER
  • 4.3L
  • 6 CYL
  • 4WD
  • AUTOMATIC
  • 176,000 MILES
My speedometer quit working, and it won't shift from 2nd to 3rd. I have replaced the vehicle speed sensor. No change.
Monday, October 28th, 2024 AT 12:01 PM

7 Replies

Tiny
KEN L
  • MASTER CERTIFIED MECHANIC
  • 55,522 POSTS
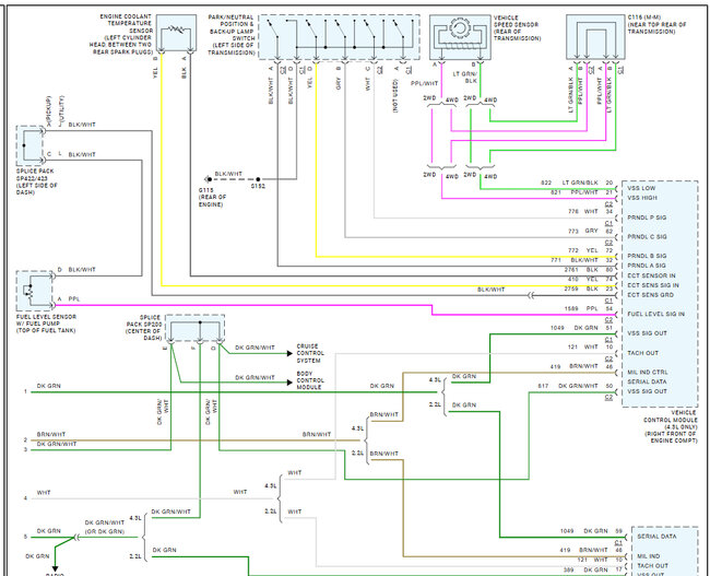
So there are two VSS's on this car because it is 4wd. The one you want to change is not on the transmission rather on the transfer case. Here is the location of the sensor you need to change. Check out the images (below). Let us know if you need anything else.
Was this
answer
helpful?
Yes
No
Monday, October 28th, 2024 AT 2:23 PM
Tiny
E BONEZ
  • MEMBER
  • 5 POSTS
I will replace that one I'll will let you know if it resolved my issue give me a couple days! Thank you!
Was this
answer
helpful?
Yes
No
Monday, October 28th, 2024 AT 7:08 PM
Tiny
E BONEZ
  • MEMBER
  • 5 POSTS
Is this true for the 4 button 4wheel drive?
Was this
answer
helpful?
Yes
No
Monday, October 28th, 2024 AT 7:13 PM
Tiny
KEN L
  • MASTER CERTIFIED MECHANIC
  • 55,522 POSTS
Yes, the car uses the rear VSS sensor for the PCM input for the speedo and transmission controls.
Was this
answer
helpful?
Yes
No
Tuesday, October 29th, 2024 AT 11:01 AM
Tiny
E BONEZ
  • MEMBER
  • 5 POSTS
So I replaced the speed sensor. No change, speedometer not working and shifting is not working. I have found a 30-amp relay on the passenger side by the battery that was blown. I'm not sure what this is for in the first place or if it would relate to my original issue.
Was this
answer
helpful?
Yes
No
Monday, November 18th, 2024 AT 2:40 PM
Tiny
E BONEZ
  • MEMBER
  • 5 POSTS
30 amp fuse not relay.
Was this
answer
helpful?
Yes
No
Monday, November 18th, 2024 AT 2:41 PM
Tiny
KEN L
  • MASTER CERTIFIED MECHANIC
  • 55,522 POSTS
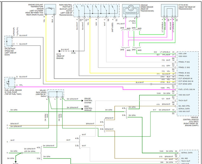
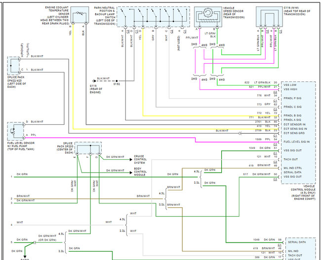
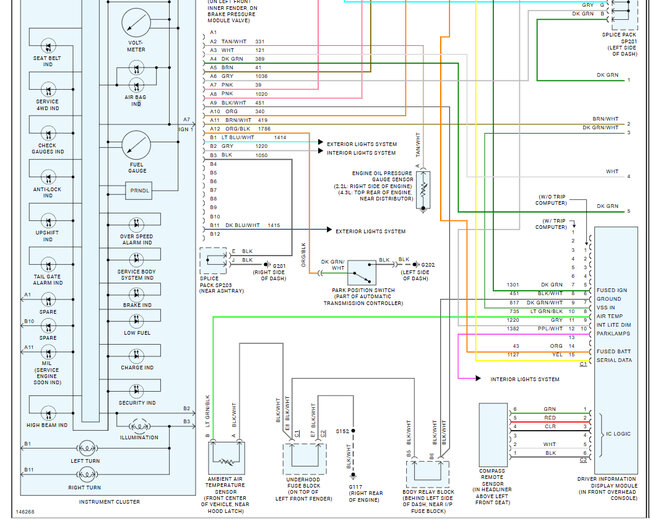
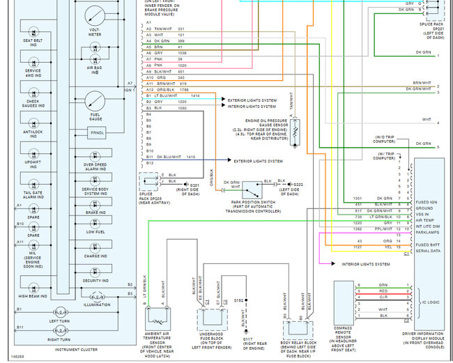
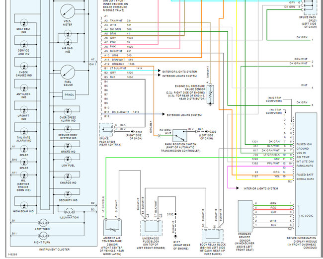
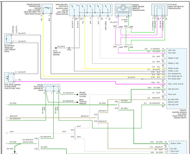
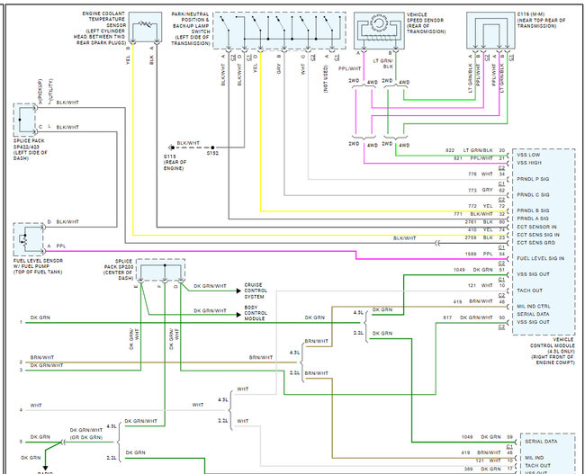
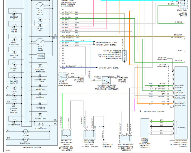
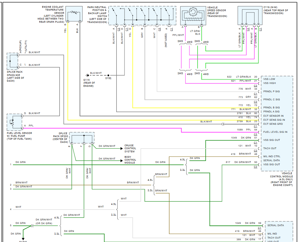
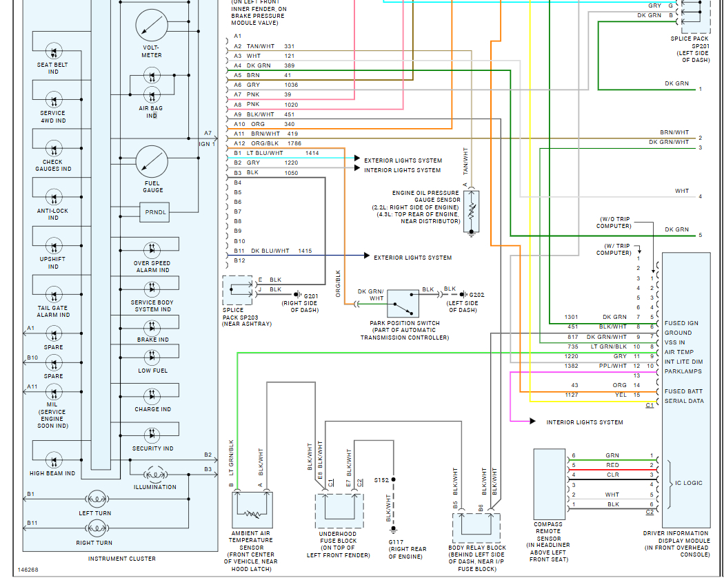
I would check the fuses for the cluster which I have included in the images below. It also shows the wiring for the VSS sensors which if the fuses are okay you will need to check, here is a guide to help you and the complete VSS and speedometer wiring diagrams:

https://www.2carpros.com/articles/how-to-check-a-car-fuse

and

https://www.2carpros.com/articles/how-to-check-wiring

Check out the images (below). Please let us know what happens.
Was this
answer
helpful?
Yes
No
Tuesday, November 19th, 2024 AT 9:28 AM

Please login or register to post a reply.