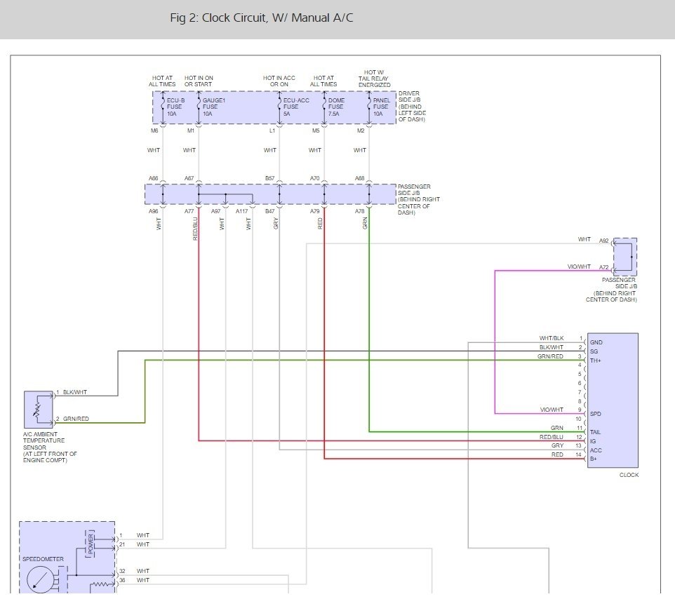
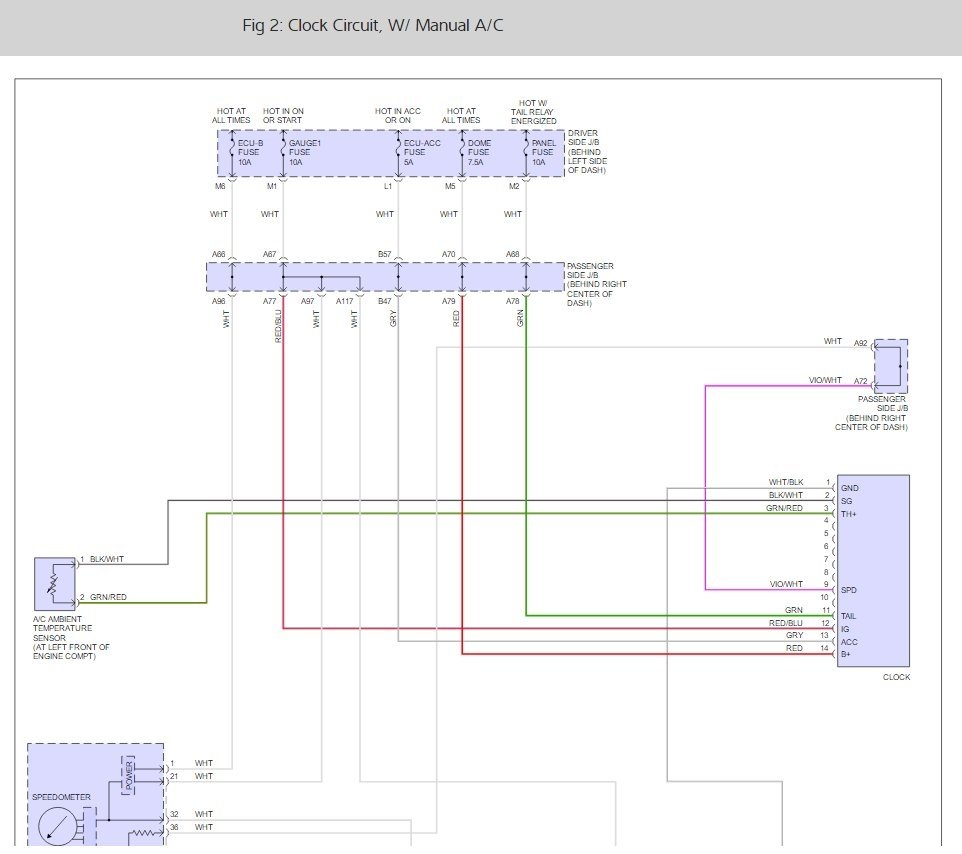
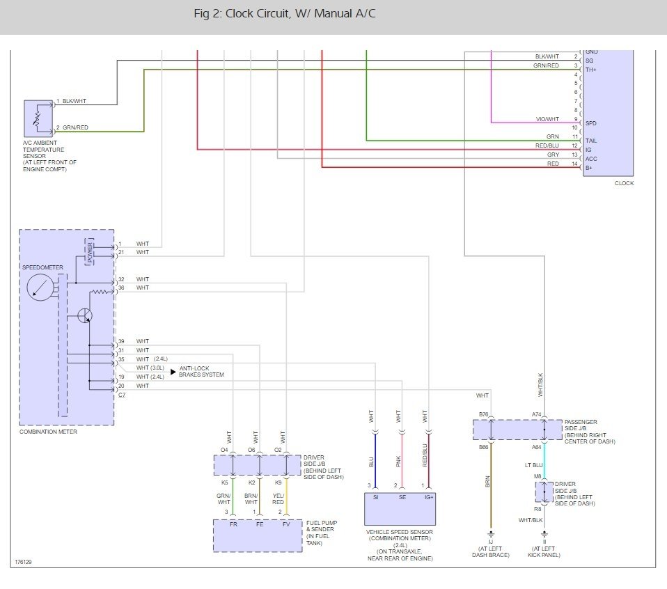
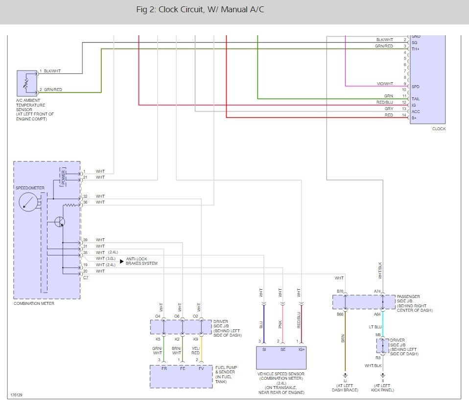
Wednesday, May 31st, 2017 AT 6:40 PM
I replaced the output speed sensor, no change. I watched your video on replacing the ABS module, no change. I have replaced the instrument cluster, no change. I did a five hour reset each time. Where else should I be looking? This one has me stumped. Thank you for your help. Bill








