Thursday, December 21st, 2023 AT 6:52 AM
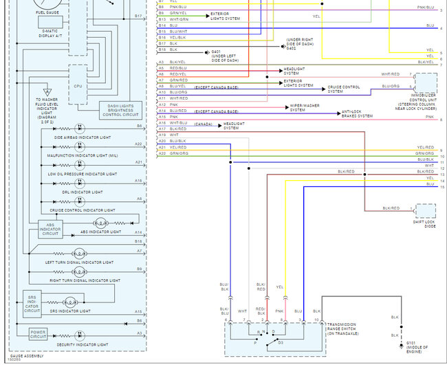
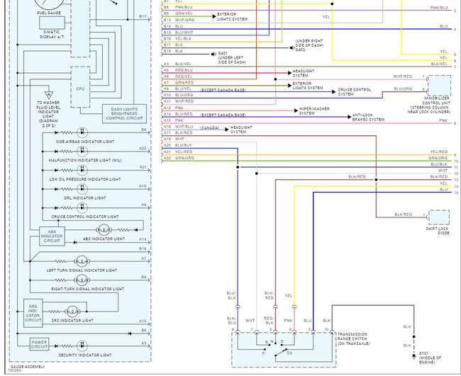
I bought the vehicle listed above and the guy said the speedometer doesn't work and that he bought a new cluster but hasn't had time to put it in. So, I replaced it and upon doing this I noticed that the speedometer is reading as the tachometer and the tachometer isn't moving and neither is the temperature gage. I put back in the old cluster and it was still reading the RPMs and the speed. Why is it doing this and how can I fix it?







