Speedometer and odometer not working?

Tiny
RWVAUGHN
  • MEMBER
  • 2008 KIA OPTIMA
  • 2.7L
  • V6
  • 2WD
  • AUTOMATIC
  • 215,000 MILES
Kia dealer replaced vehicle speed sensor, the one-and-only wheel speed sensor and the input and output sensors on transmission but the dealer no longer had the Kia diagnostic scan tool that fits, nor are wiring diagrams available. They also had no cluster or PCM to test or swap out. (Too old) Service manager said enough time and money was spent and returned car with nonfunctioning speedo or odometer. Ugh!
I bought a used cluster and used PCM off eBay just in case but have done nothing with the used parts. Any ideas before I remove the cluster or see if I can get the used PCM programmed somehow?
Tuesday, July 9th, 2024 AT 3:22 PM

1 Reply

Tiny
JACOBANDNICKOLAS
  • MECHANIC
  • 110,194 POSTS
Hi,

As far as the issue, what I recommend is scanning the can-bus system. This type of scan will retrieve codes regardless of the module storing them. Here is a link that explains how it's done:

https://www.2carpros.com/articles/can-scan-controller-area-network-easy

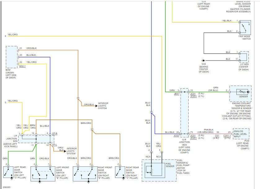
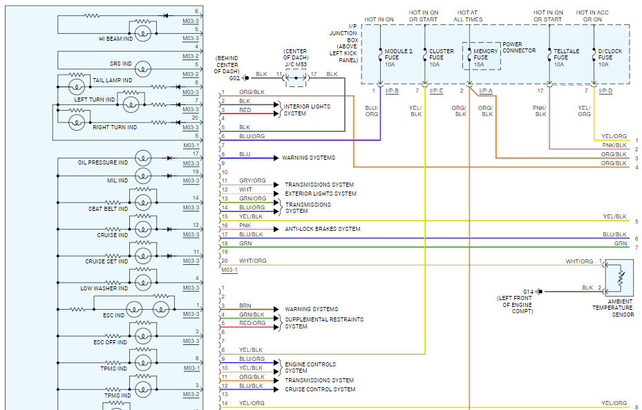
As far as the instrument cluster wiring schematics, I attached them below. Note that they were two pages long. I had to cut each page in half to make them readable for you. I did overlap each one so you can follow from one to the next.

Let me know if this helps.

Joe

See pics below.
Was this
answer
helpful?
Yes
No
Tuesday, July 9th, 2024 AT 7:05 PM

Please login or register to post a reply.