Speedometer stops working

Tiny
LYNDAP
  • MEMBER
  • 2004 KIA OPTIMA
  • 6 CYL
  • FWD
  • AUTOMATIC
  • 65,000 MILES
The speedometer intermitantly quits working. I cannot use my cruise control consistently. Can you help?
Tuesday, May 5th, 2009 AT 1:37 PM

1 Reply

Tiny
KASEKENNY
  • MECHANIC
  • 18,907 POSTS
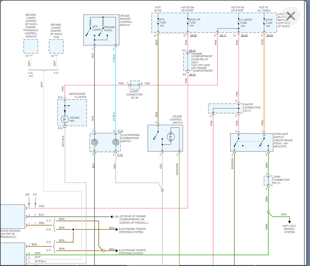
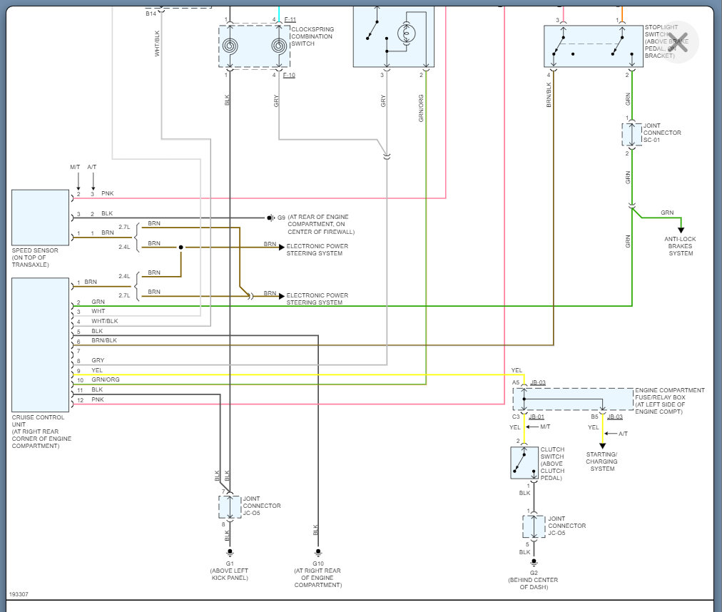
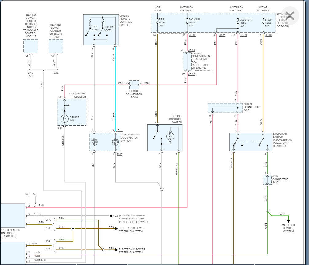
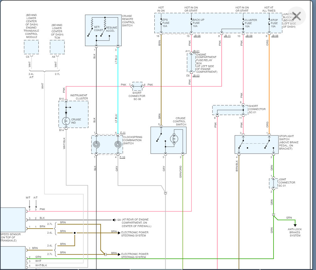
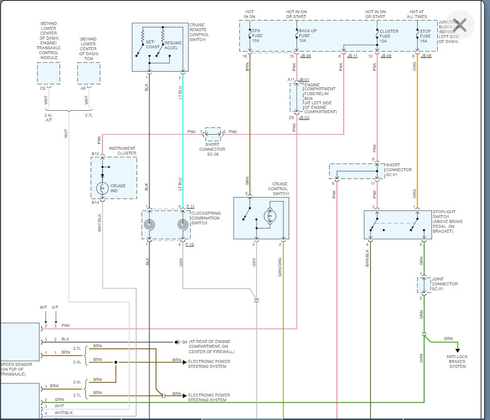
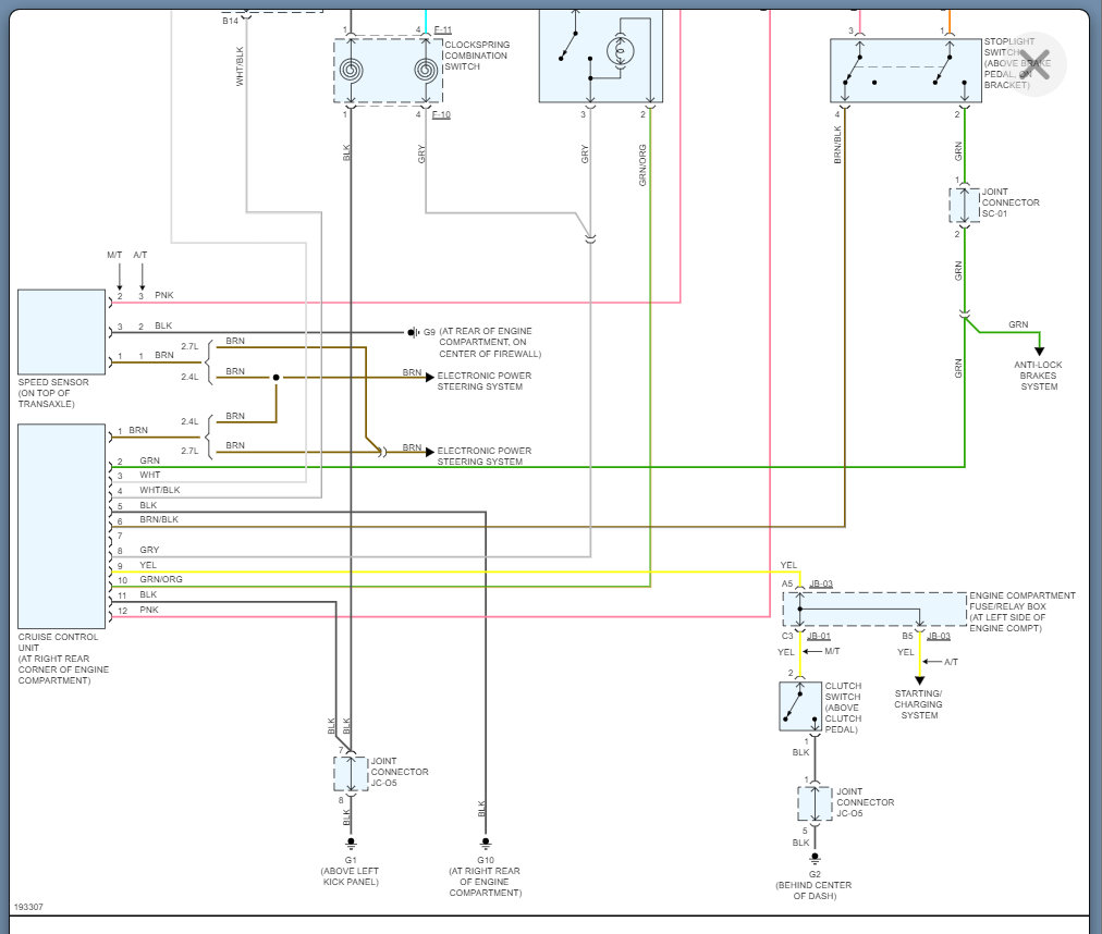
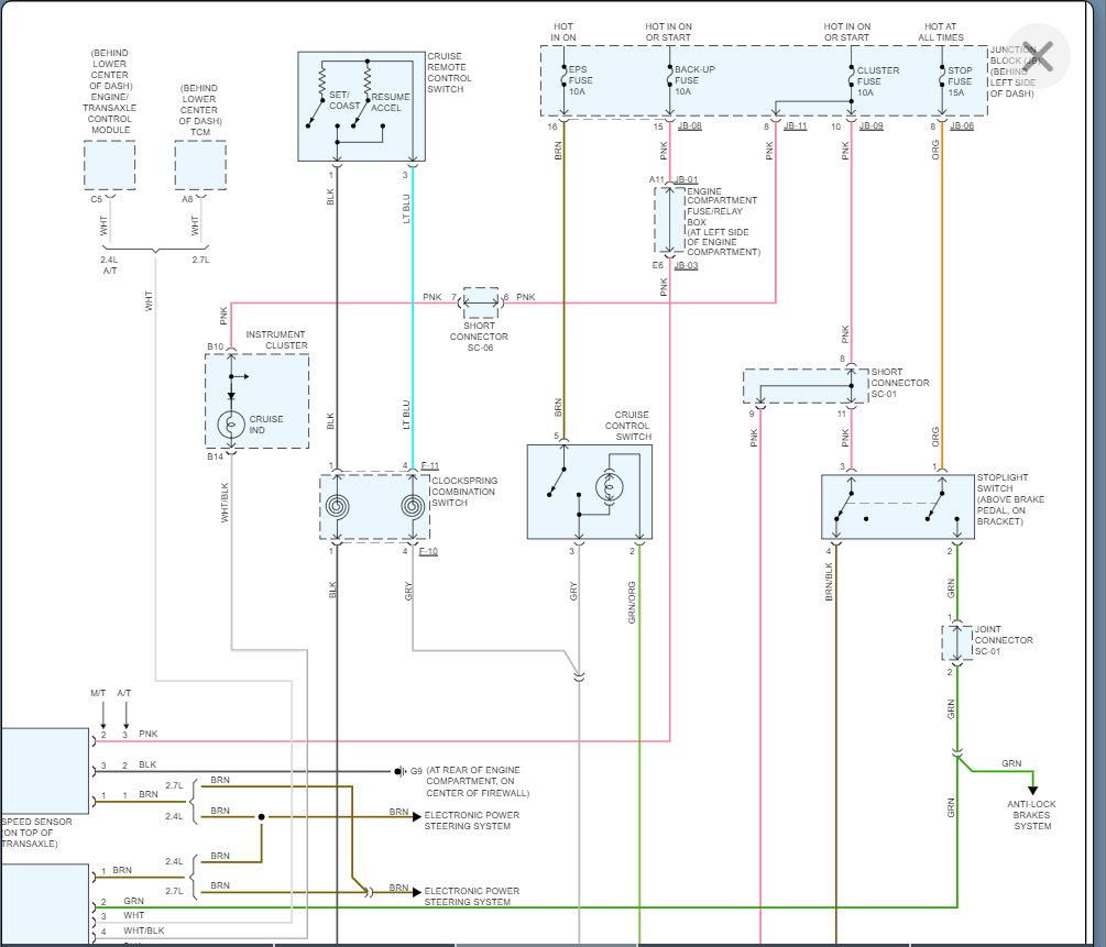
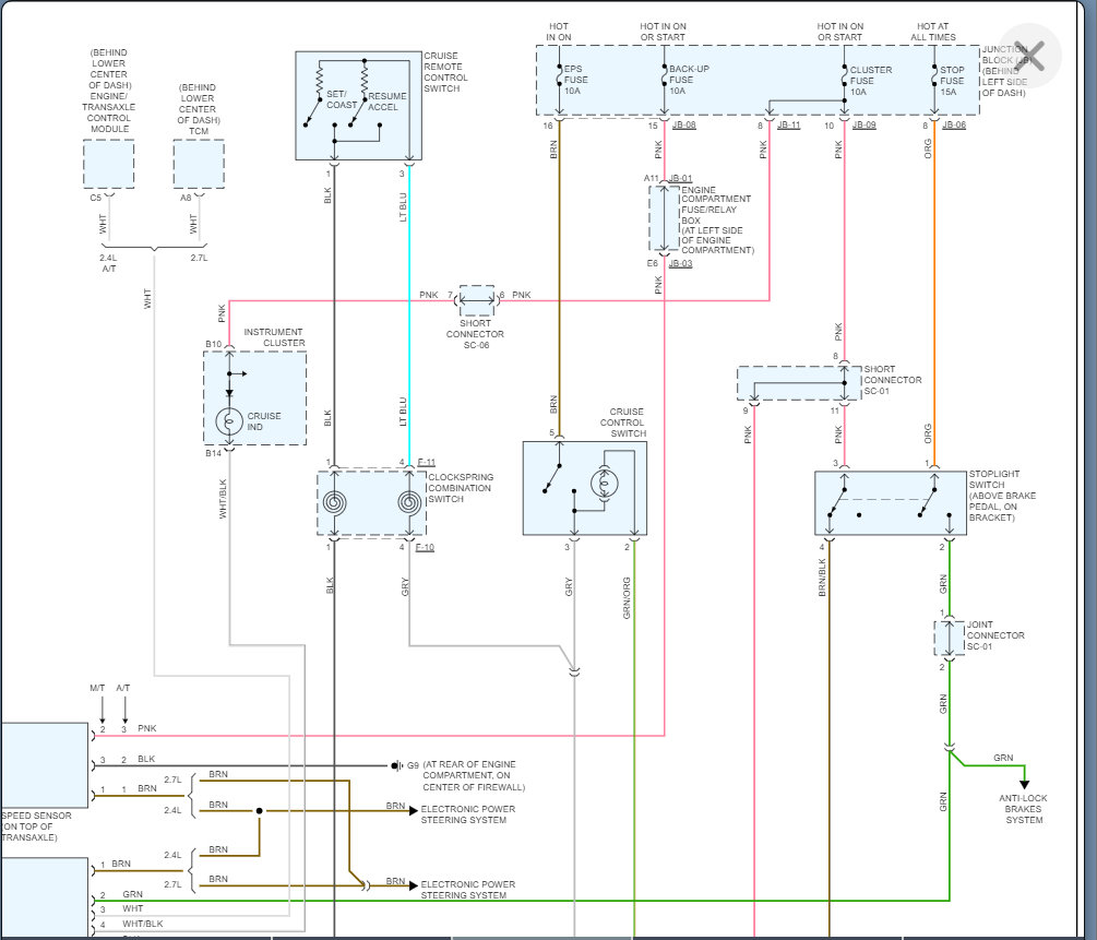
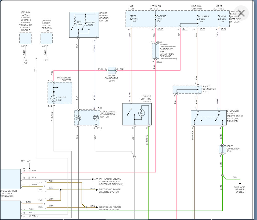
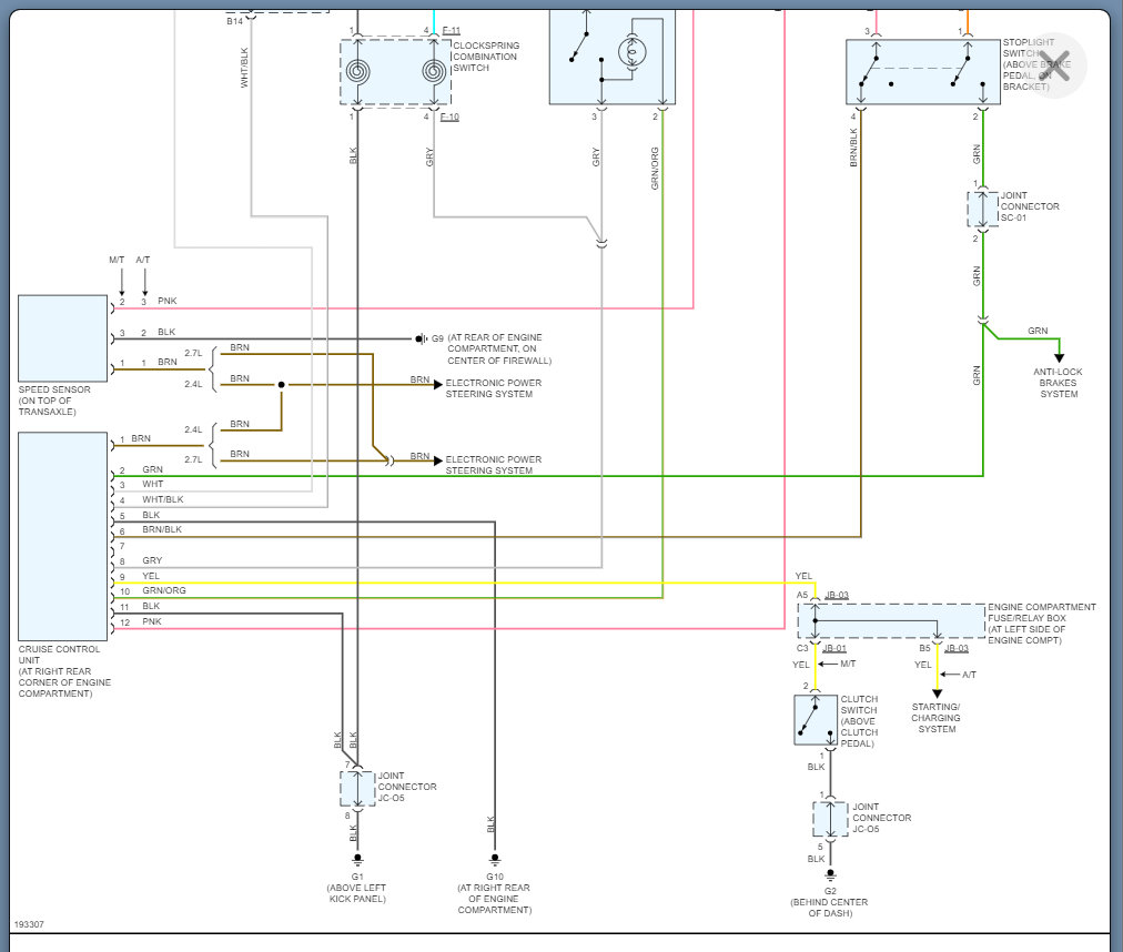
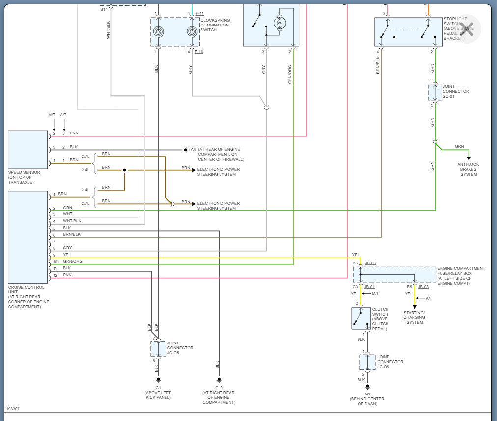
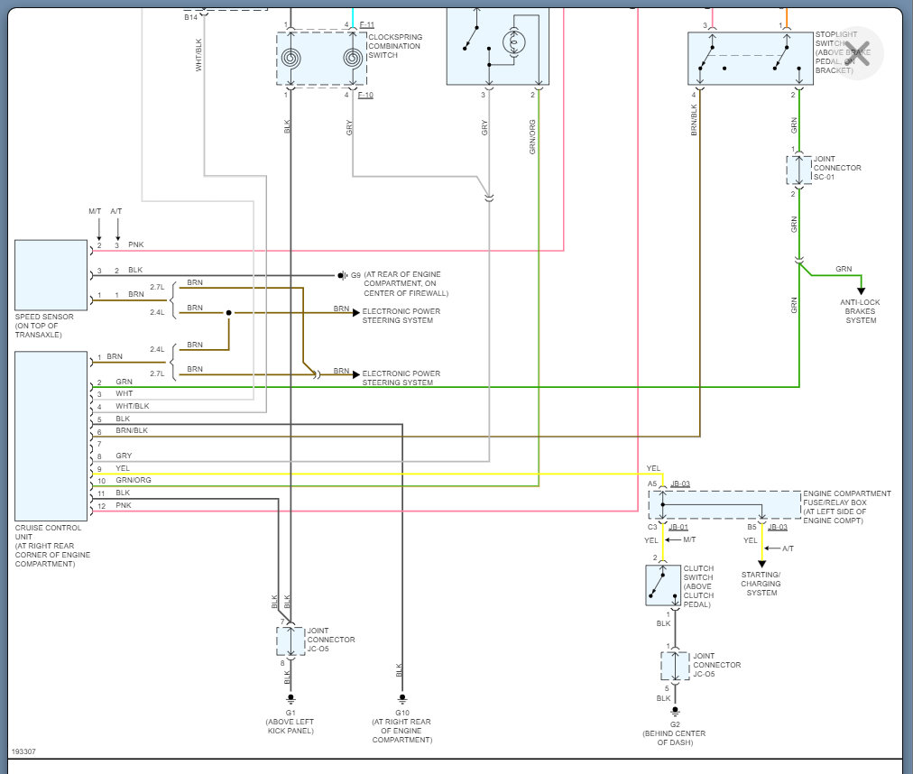
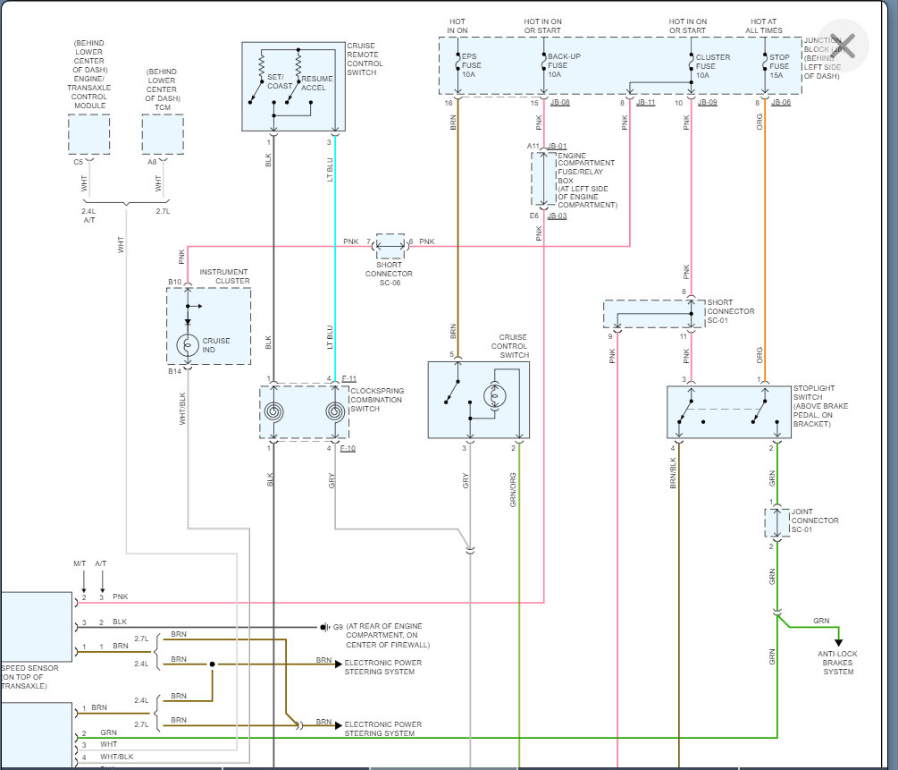
More than likely this is a speed sensor issue.

Below you will find the info from the manual on how to replace this speed sensor as I would suggest replacing it.

The way we need to test this is check the voltage that is coming from the speed sensor and make sure there is a power going to the speed sensor.

Here is a guide that will help with this:

https://www.2carpros.com/articles/how-to-check-wiring

Below you will find the wiring diagram that will help with this info.

Please run through this and let us know what questions you have.

Thanks
Was this
answer
helpful?
Yes
No
Friday, January 28th, 2022 AT 6:57 PM

Please login or register to post a reply.