Sunday, May 7th, 2023 AT 2:25 PM
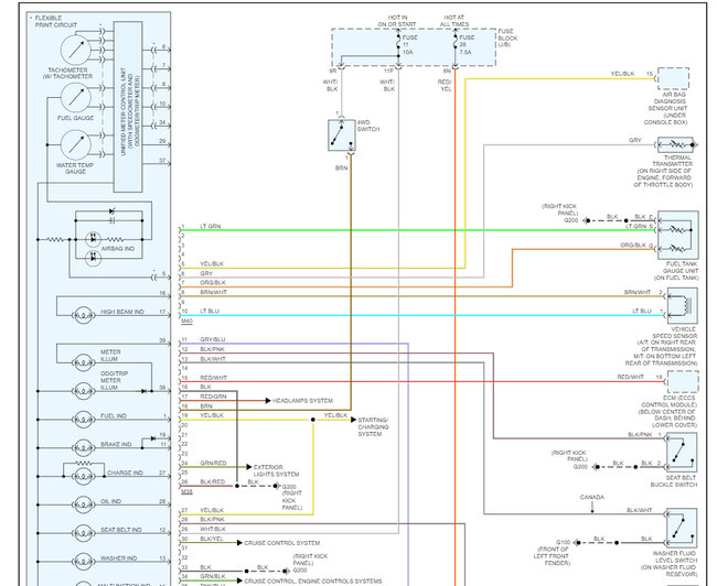
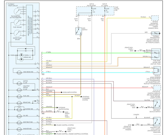
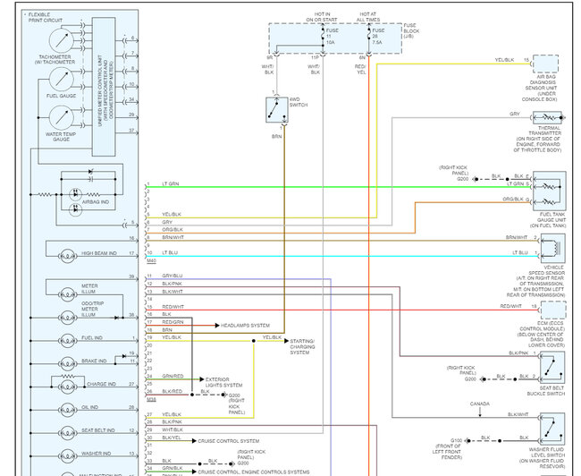
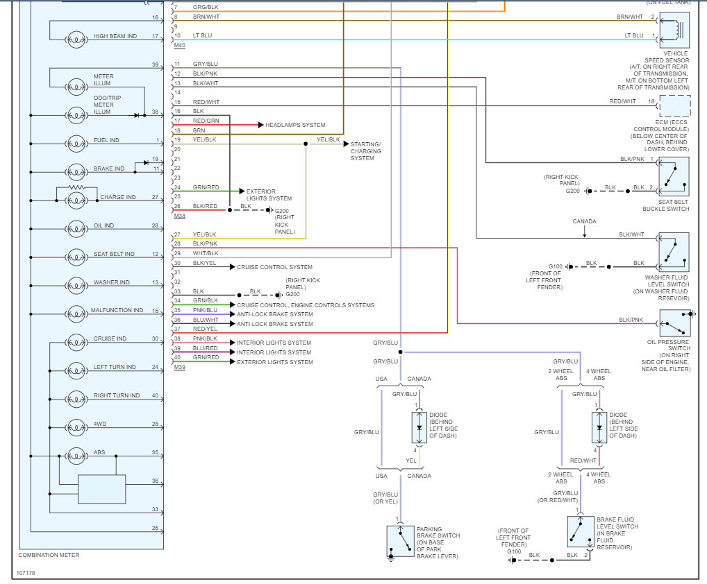
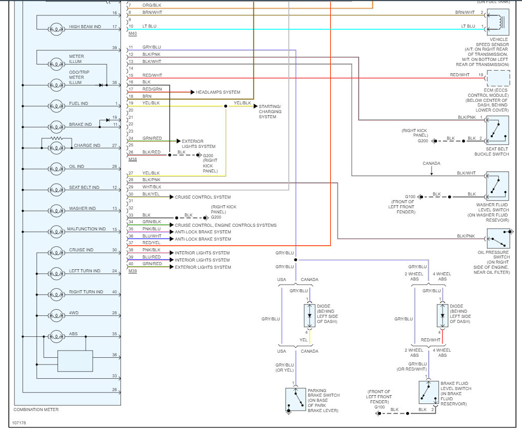
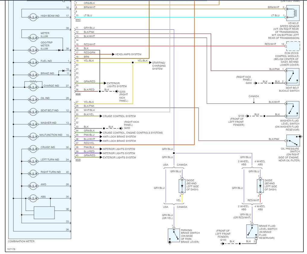
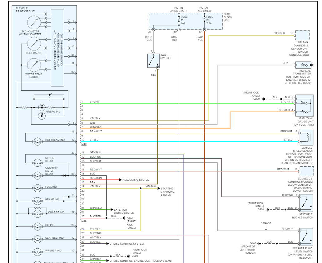
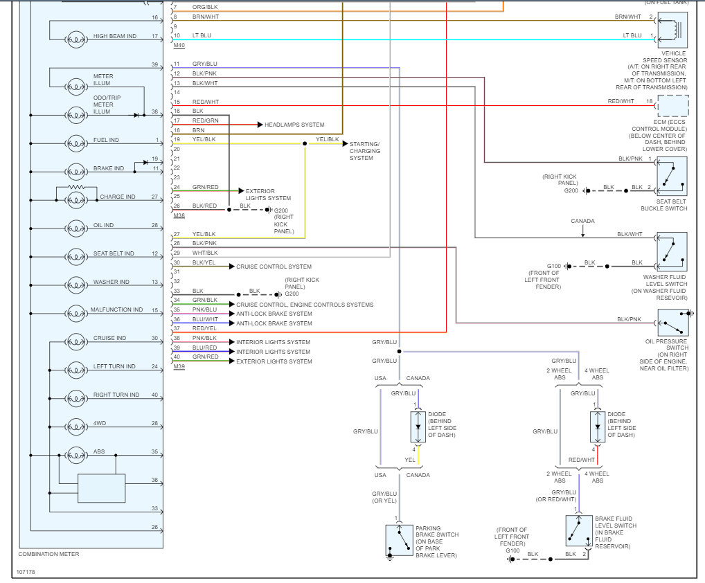
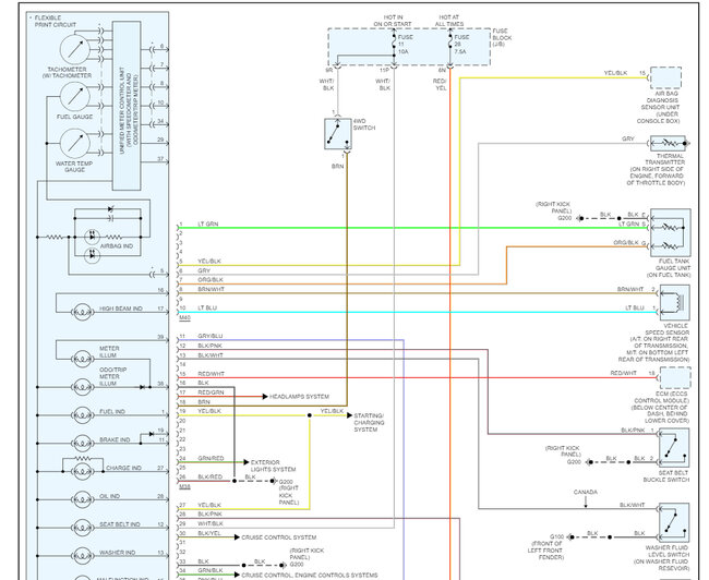
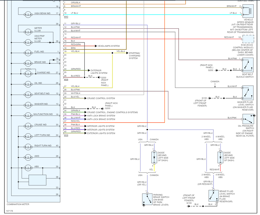
No other check engine lights, all other gauges seem to be working normally. Just the issue with the speedometer indication. I replaced the Vehicle Speed Sensor on the side of the manual transmission with no change in the speedometer working properly. I have removed the cluster and will be taking it to a Speedometer overhaul/repair shop to have it bench tested and check for faults. I will update as to if that helps, But I would like to know what else is inputs into the system that could give a bad signal to the speedometer. Do the ABS sensors play into this or is it the signal from the VSS on the trans, to the ECU then directly to the motors to drive the indicator needle. Any appropriate wiring diagrams or system schematics would be helpful for troubleshooting. Also, are there any common failures on the speedometer circuit board like resistor or chips that would cause this.


