Monday, April 17th, 2023 AT 7:43 AM
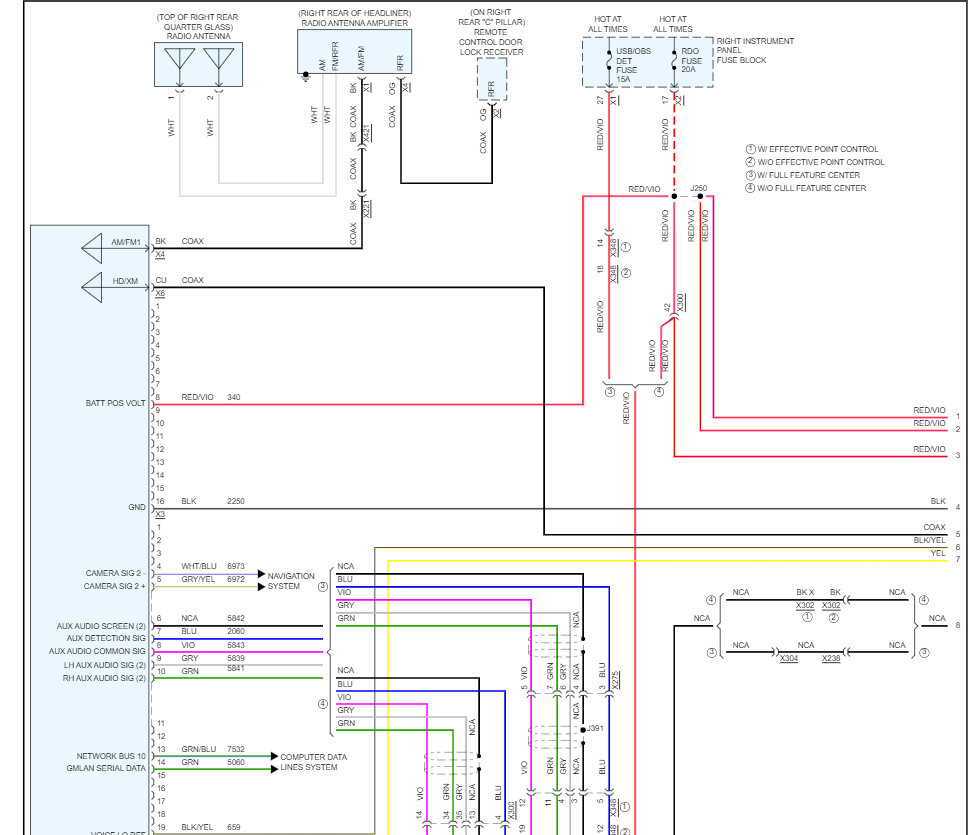
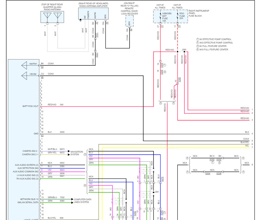
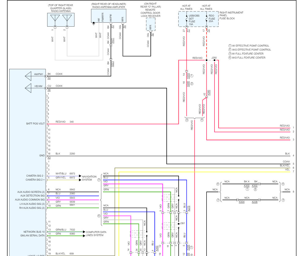
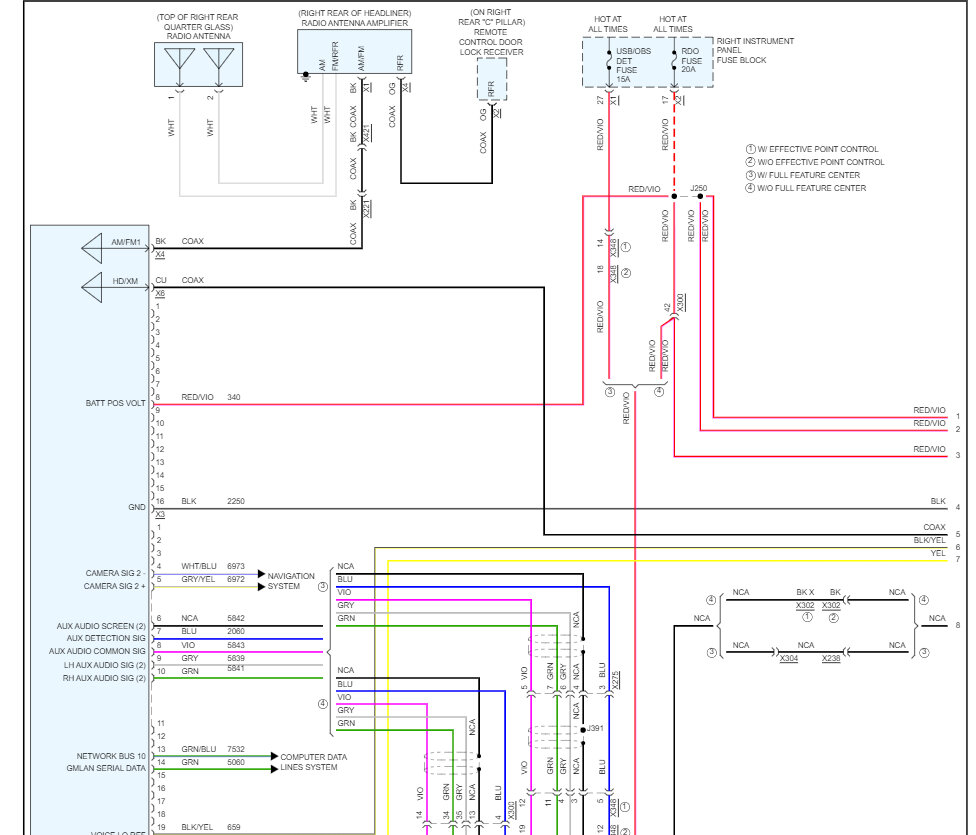
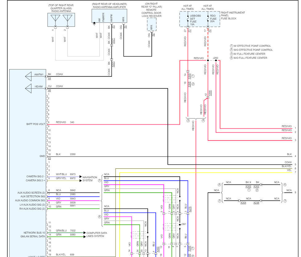
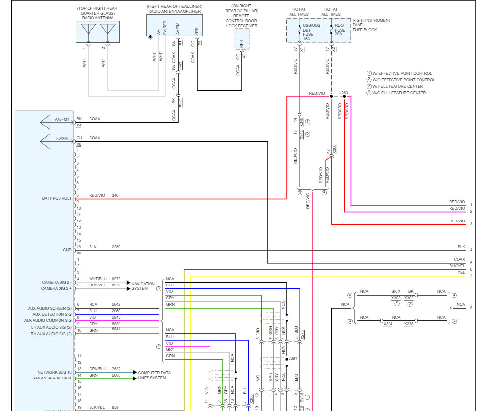
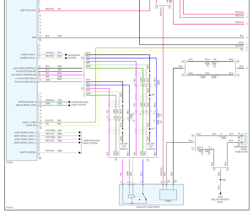
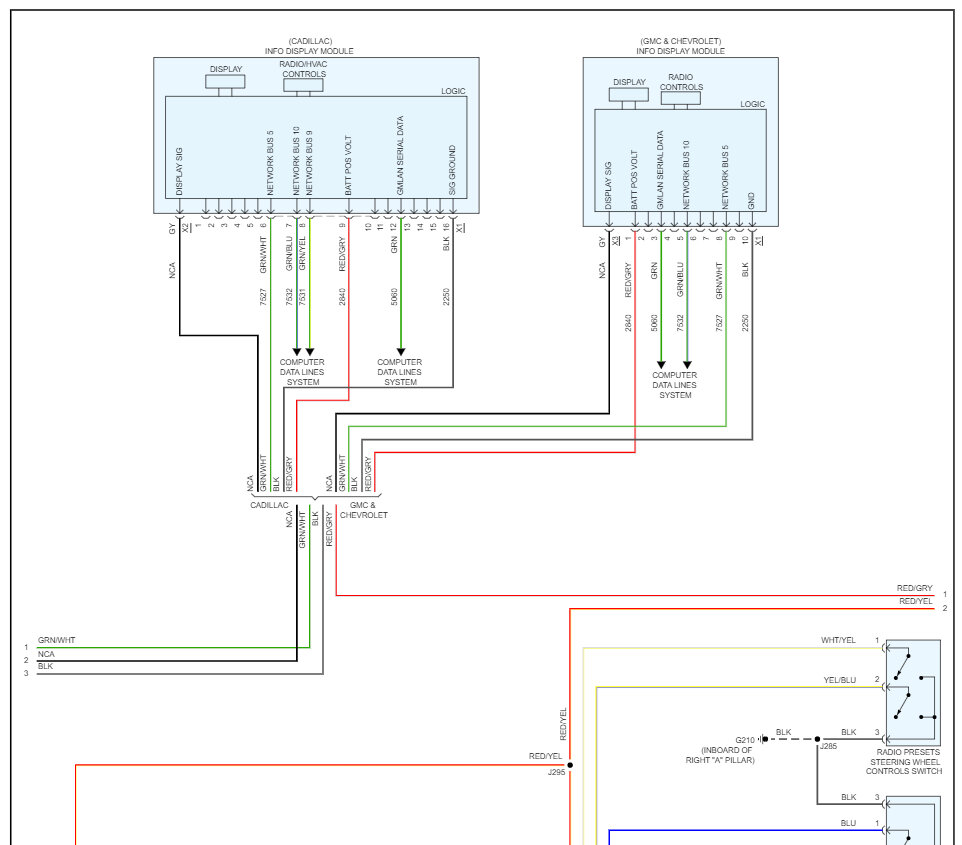
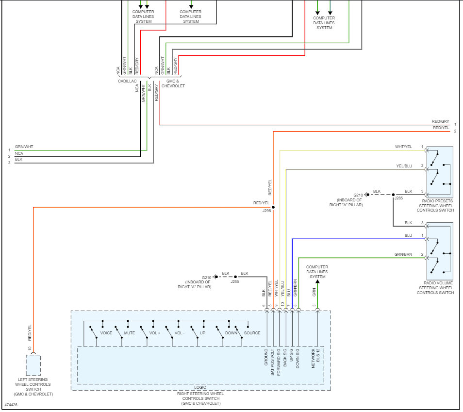
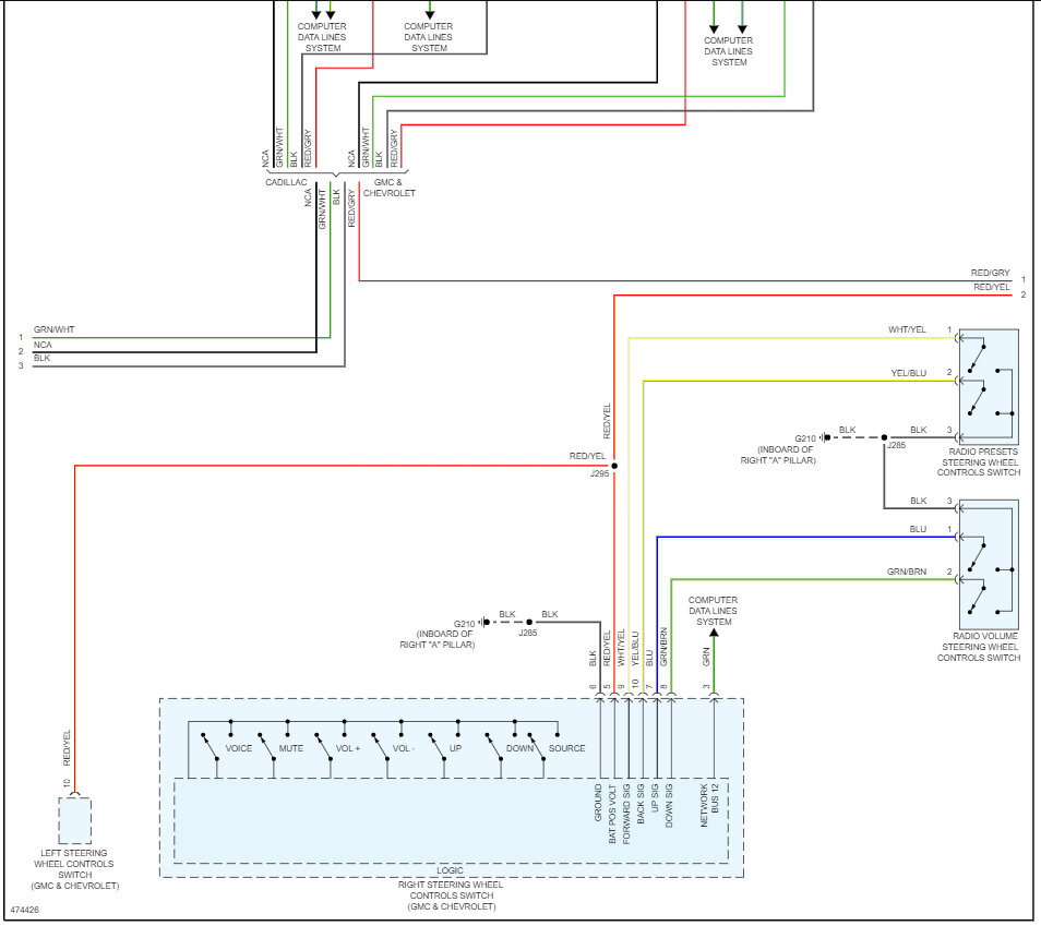
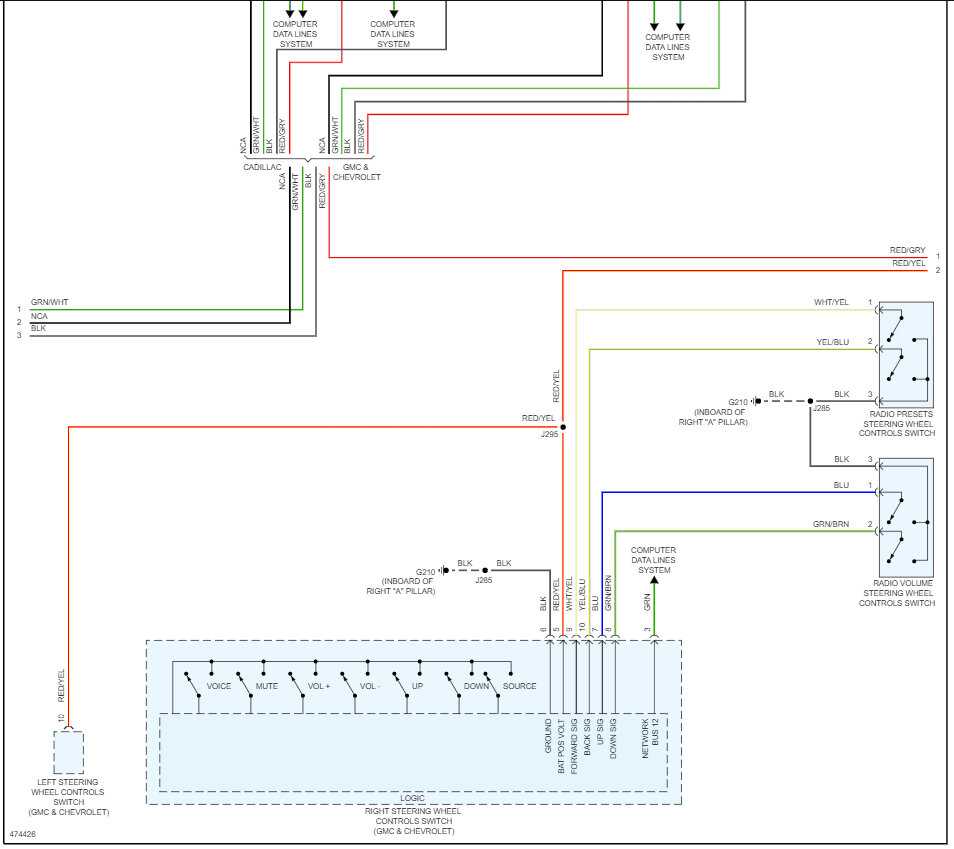
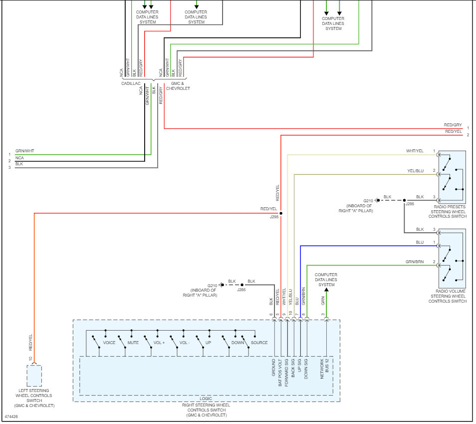
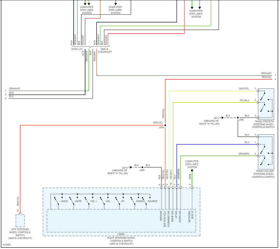
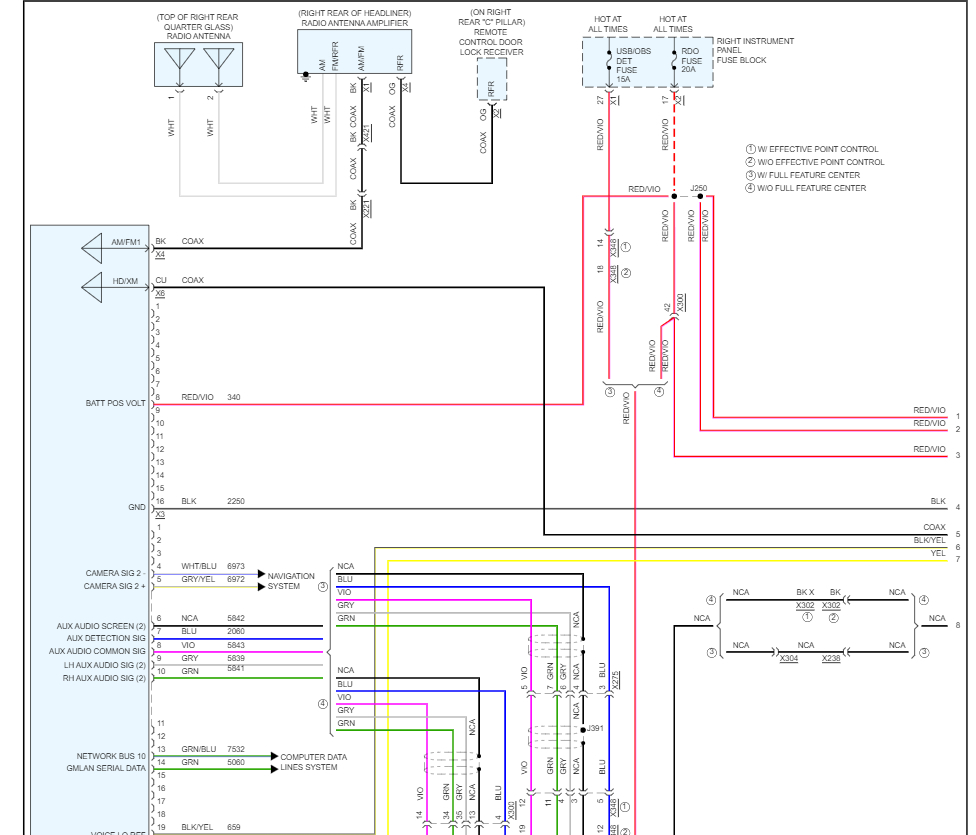
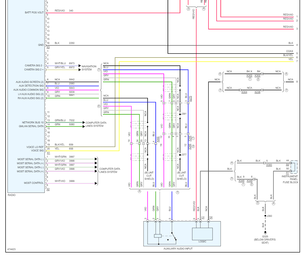
I have the vehicle listed above LS non-Bose, no factory amp. I have installed 2 factory A pillar dash speakers, 4 aftermarket door speakers, and 2 aftermarket 3.5 2way D pillar speakers, an aftermarket 3700watt 5 channel amp. My problem is that I cannot get the rear door speakers and D pillars to play In sync with the A pillars and the front speakers, Front speakers play will while the rare speakers play at a very low volume, And the balance is all out of whack, I've tried many different configurations on the amp wiring the speakers but it's always the same, No real balance. I'm wondering if the 2016 suburban speaker system is wired for surround sound, PS I wired the deep pillar speakers there was no existing wiring for them, But there is like a 6 wire plug back there I don't know if that's for the factory amp or for the d pillar speakers, So I'm looking for you to post a speaker wiring diagram.













