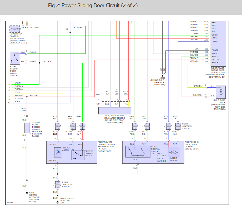
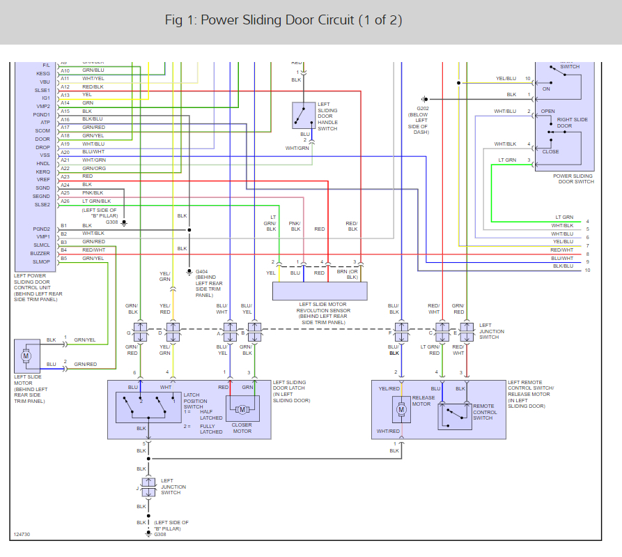
Monday, December 10th, 2018 AT 11:00 AM
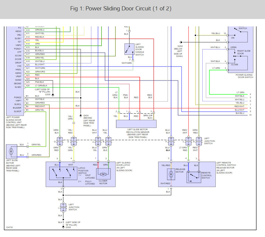
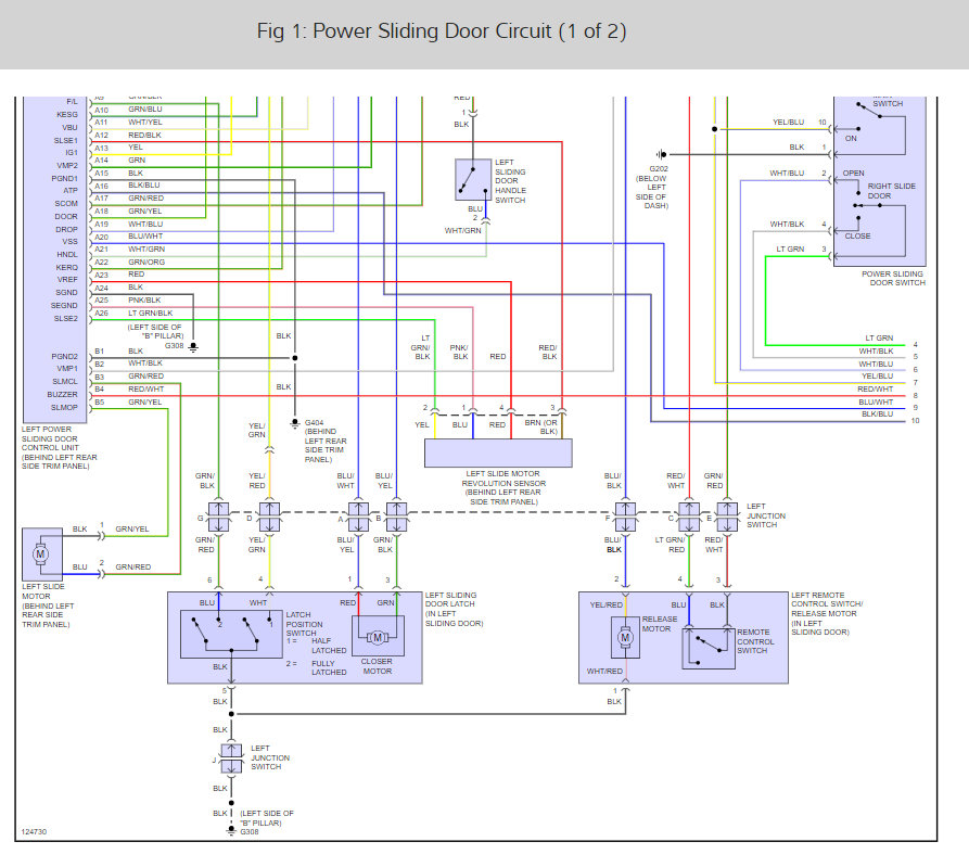
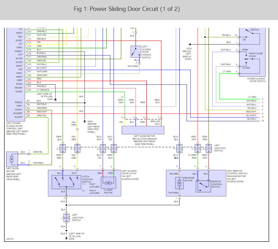
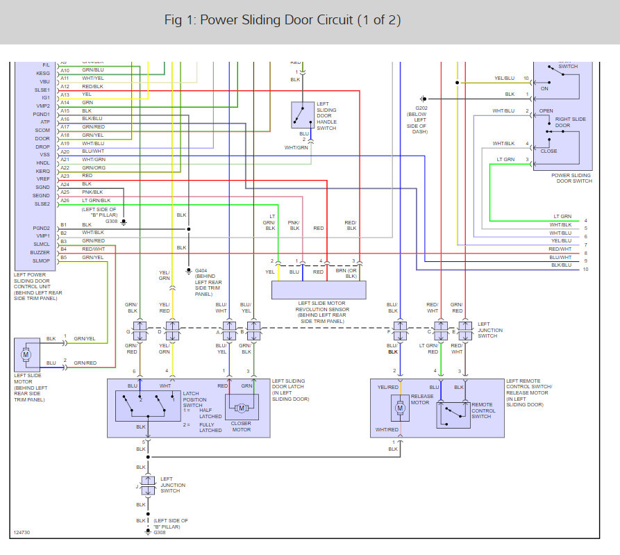
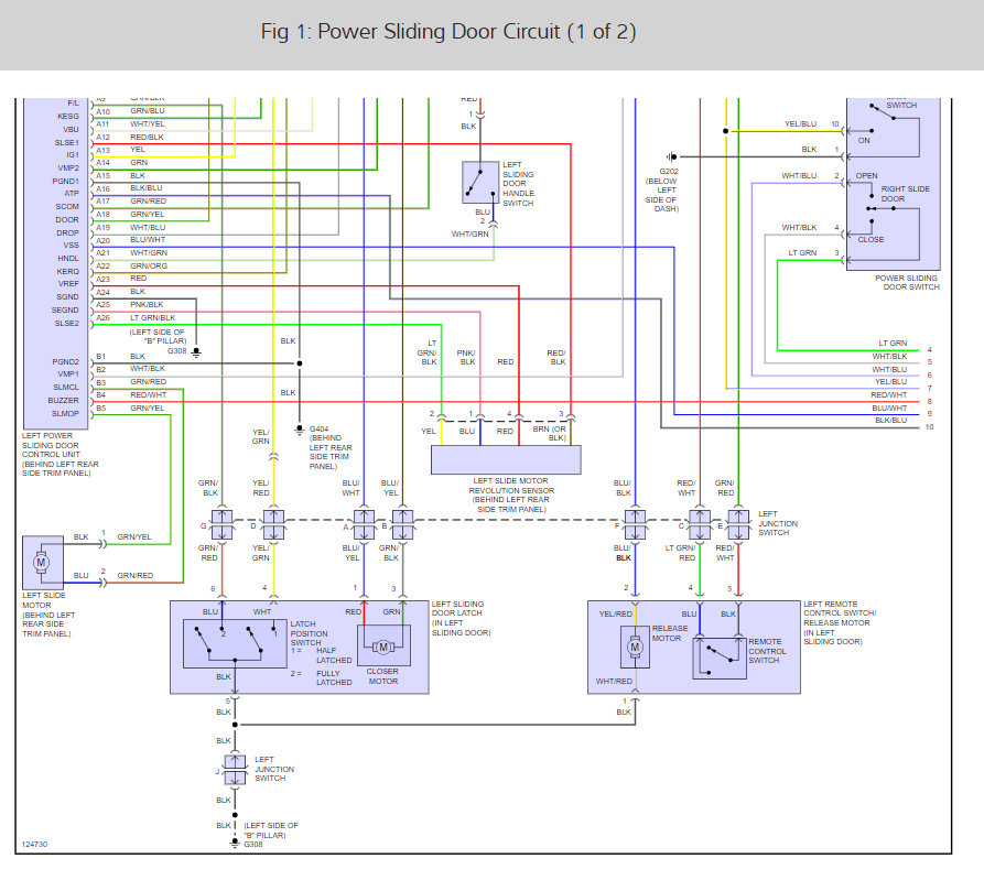
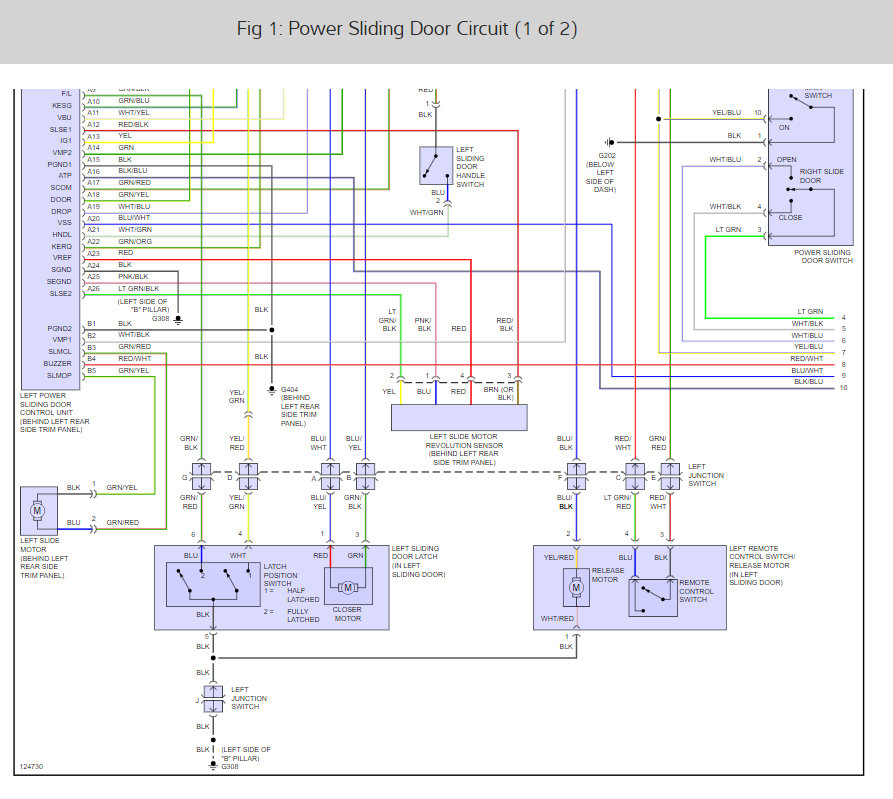
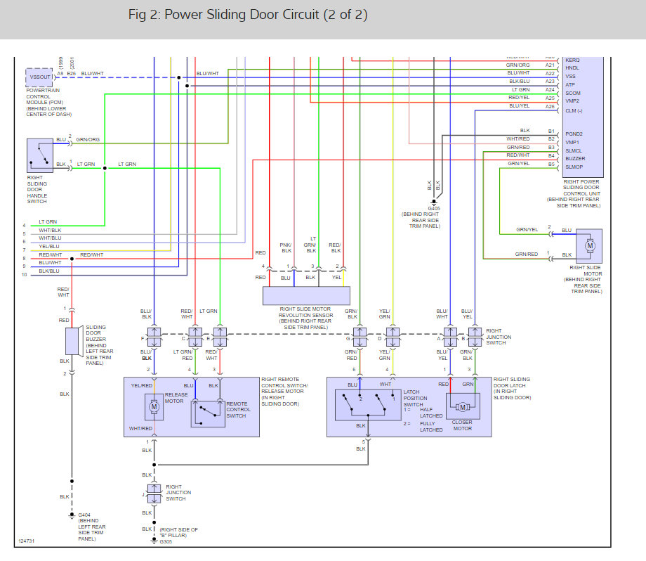
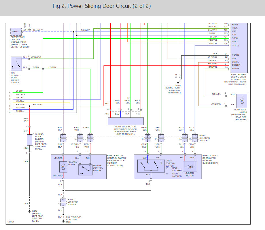
Recently both sliding doors have quit working. Only the passenger side would open but not latch and the driver side would not work whatsoever. My battery died and after the jump the passenger door would not do anything and the driver tried to open but the latch at the lock seems stuck. Any help would be greatly appreciated.











