Monday, August 19th, 2024 AT 9:06 AM
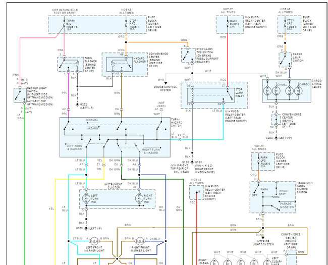
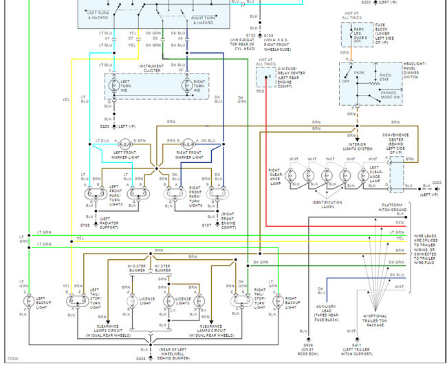
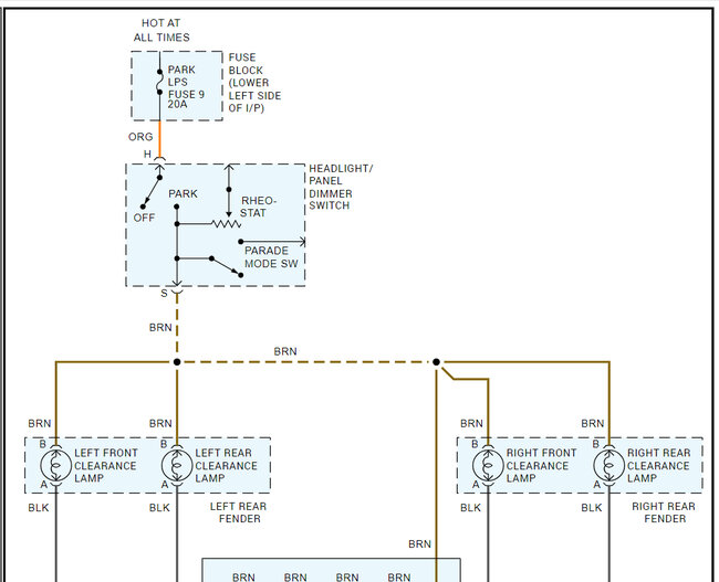
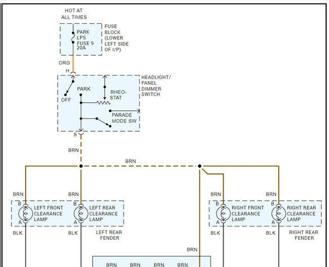
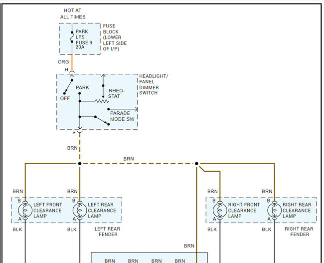
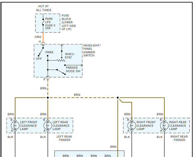
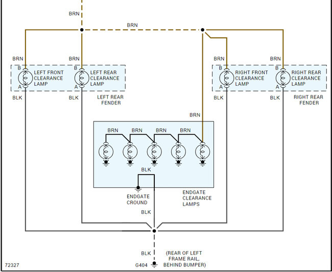
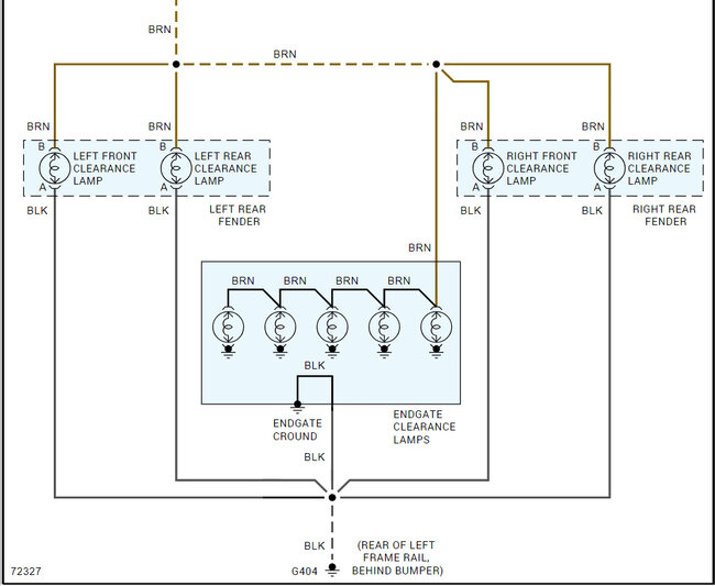
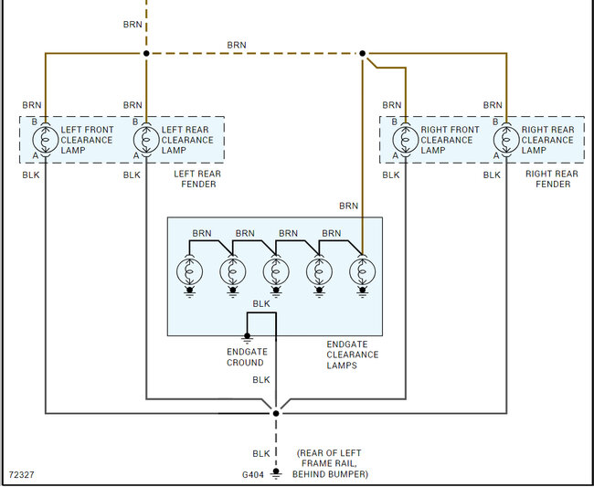
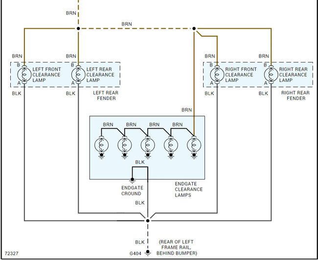
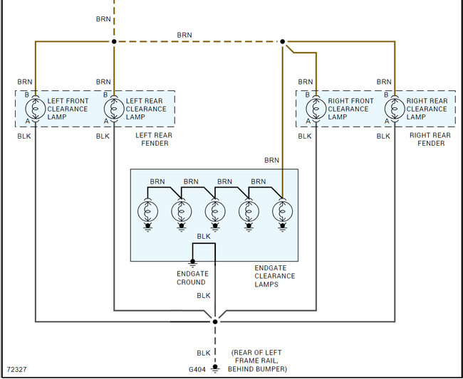
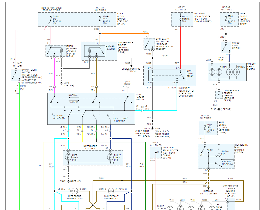
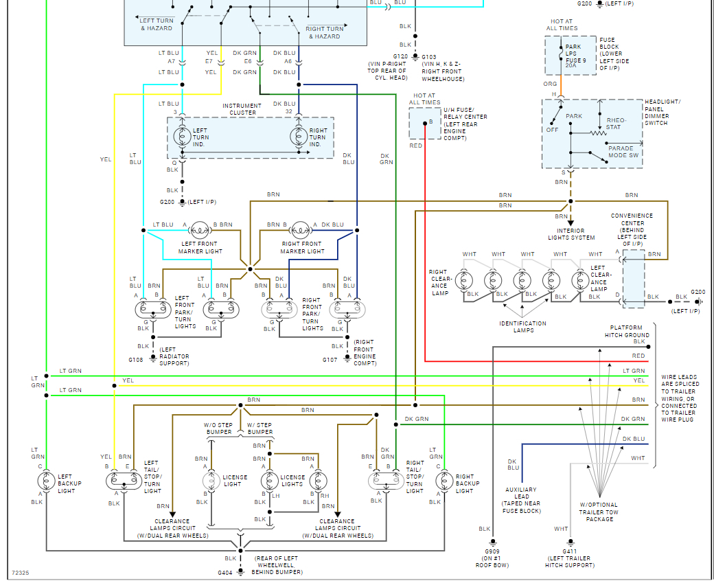
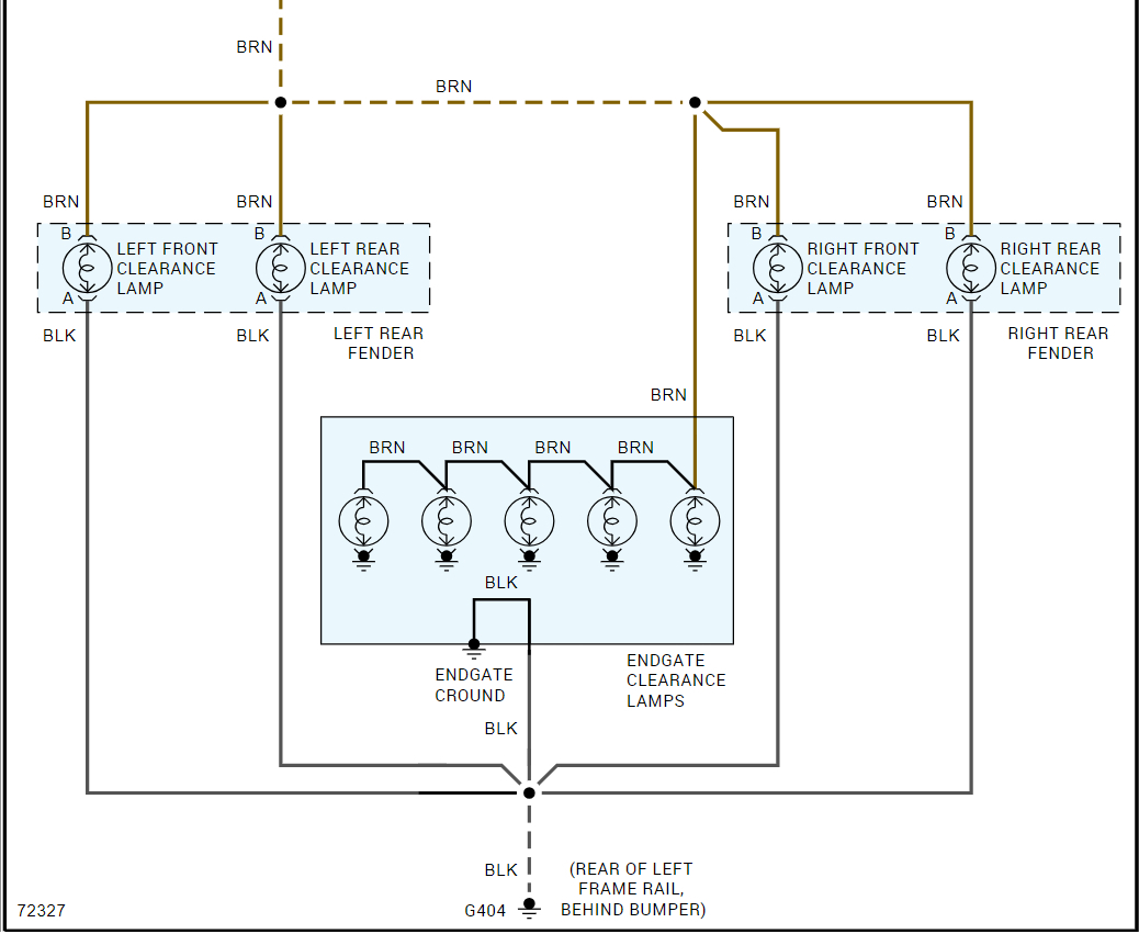
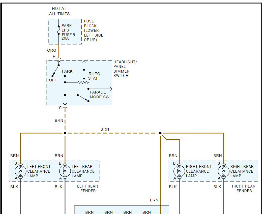
I added some aftermarket lights to a utility rack I installed on the truck as the rack covers the third brake light. The new lights also function as running and signal lights. I tapped into the wires of the driver's side and both the factory and new lights worked fine. I did the same procedure on the passenger side and now the new light on driver side works but not the original. With the switch on, I have one running light which is the new light, nothing on the passenger side. New light signal and brake work on driver side but not original light. Passenger side original and new lights both not working. Test light on the harness indicates power to lights is working, running, signal, and brake.






