Turn signal click noise when turn signal is not engaged

Tiny
HAMBONE887
  • MEMBER
  • 2003 CHEVROLET SILVERADO
  • 45,000 MILES
Hello I was working on this truck when I noticed the turn signal flasher was making the click sound like it was suppose to only the turn signal had not been engaged. I replaced the flasher thinking that was the problem. After I replaced it it stopped making the clicking sound but instead made a buzz noise now and now when I engage the left turn signal it blinks fast like a bulb is out. Is it possible there is another bad flasher or prolly not any help is appreciated.


thanks,
Eric
Thursday, December 22nd, 2011 AT 11:51 PM

7 Replies

Tiny
DRCRANKNWRENCH
  • MECHANIC
  • 3,380 POSTS
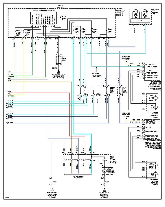
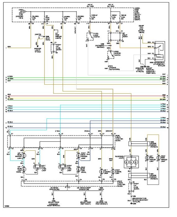
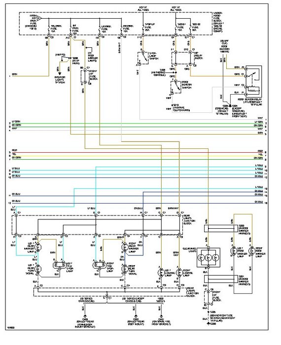
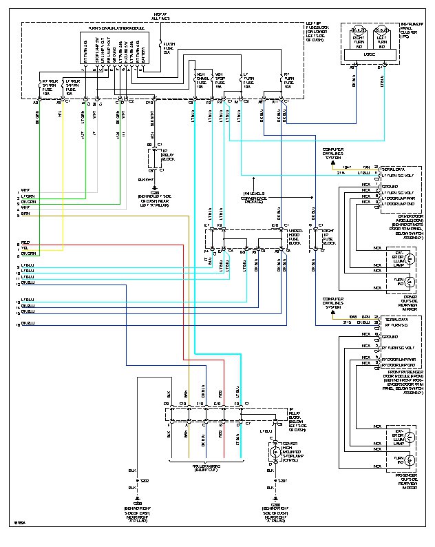
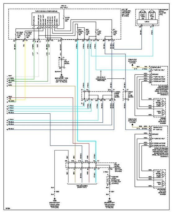
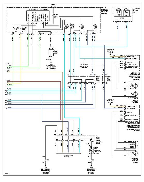
You may have a faulty turn signal switch. It is a multifunctional switch but has to be replaced as a unit.
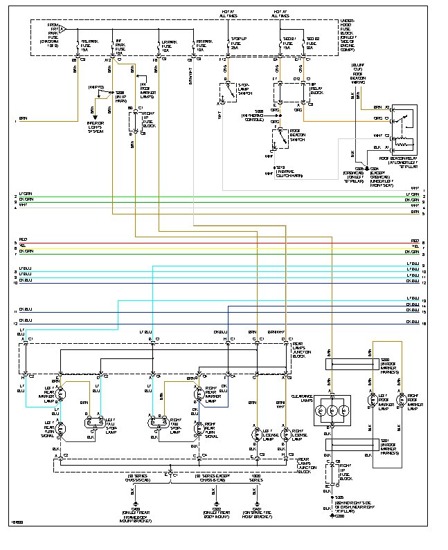
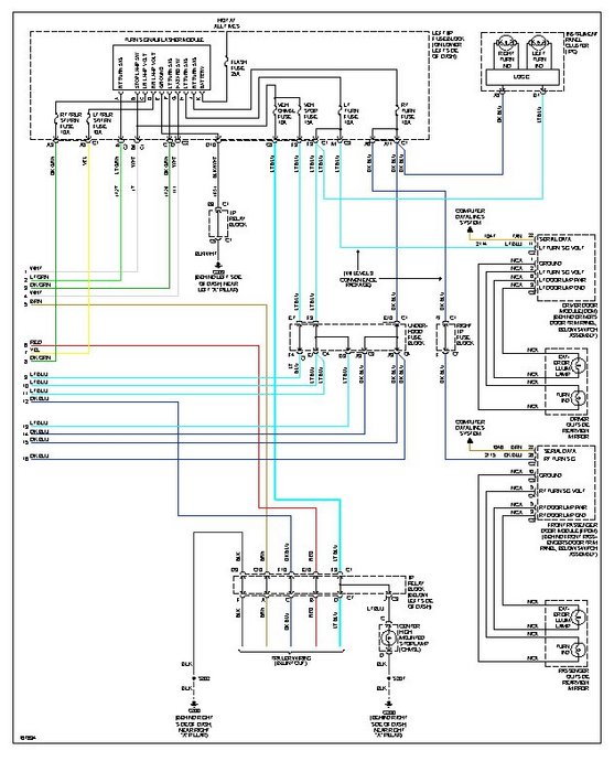
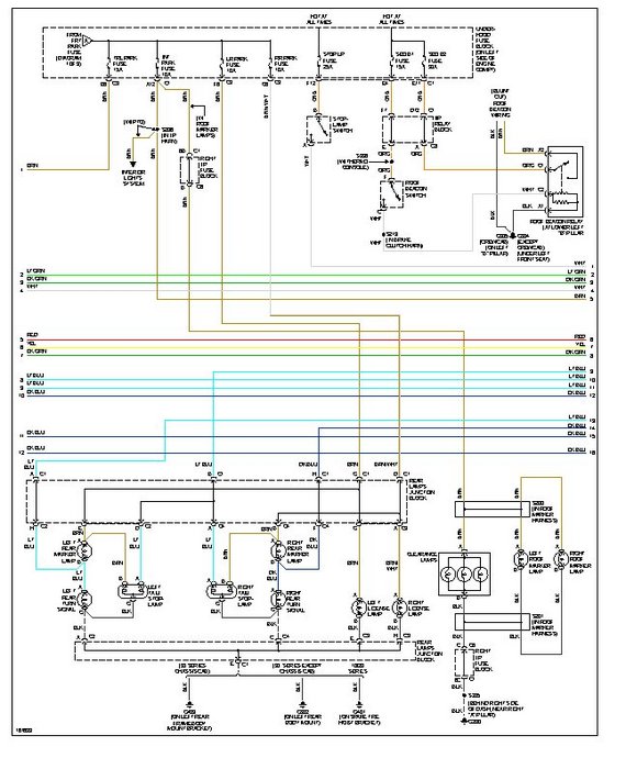
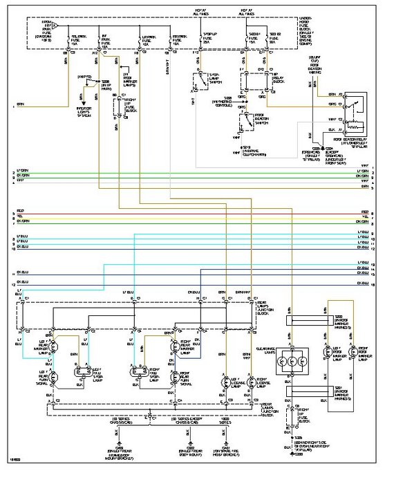
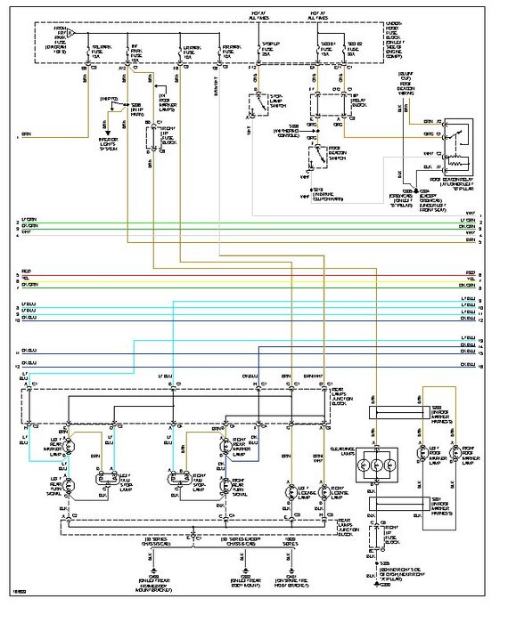
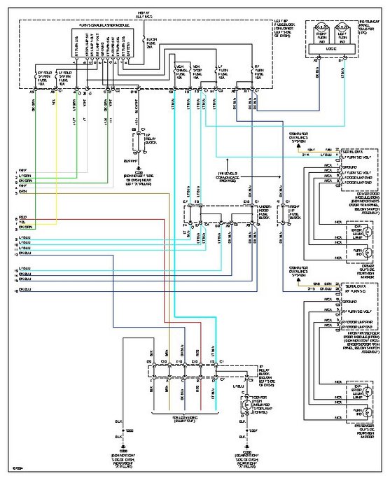
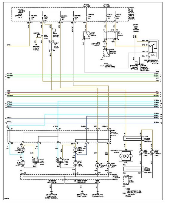
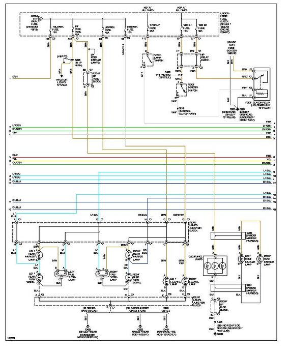
I provided you with 3 wiring diagrams which is the exterior lights which has the turn sugnal circuit in it. You can lay them out left to right connecting the colored and numberd wires by using 1of1 first and so on. You may want to check grounds for corrosion and a tight fit as well
Was this
answer
helpful?
Yes
No
Friday, December 23rd, 2011 AT 12:02 AM
Tiny
RASMATAZ
  • MECHANIC
  • 75,992 POSTS
You probably got a wiring problem could be open/shorted wire from the flasher module to the lights or a bulb socket-inspect
Was this
answer
helpful?
Yes
No
Friday, December 23rd, 2011 AT 12:03 AM
Tiny
RASMATAZ
  • MECHANIC
  • 75,992 POSTS
Hey Doc -you have a Merry Christmas and a Happy New 2012-
Was this
answer
helpful?
Yes
No
Friday, December 23rd, 2011 AT 12:04 AM
Tiny
HAMBONE887
  • MEMBER
  • 24 POSTS
Hey thanks for all the help guys hey drCranknWrench could you possibly email those wiring diagrams to me my computer keeps freezing after I try to print them thanks
Was this
answer
helpful?
Yes
No
Friday, December 23rd, 2011 AT 5:24 AM
Tiny
DRCRANKNWRENCH
  • MECHANIC
  • 3,380 POSTS
Ras--you are the man, always on the money for advice and a great dude all around MERY XMAS to you too. Have a happy new year in the Armagedon year. Which actually translates to, "Revealing of the Truth". It does not translate to the end or destruction so its a new beginning.
Was this
answer
helpful?
Yes
No
Friday, December 23rd, 2011 AT 5:28 AM
Tiny
DRCRANKNWRENCH
  • MECHANIC
  • 3,380 POSTS
You should be able to print them if you save them into a folder and make sure the file extension is. Jpeg. If that is still a problem try saving it as a bitmap, can't remember the extension. They are saved as Jpegs and you should be pulling them up as such and if I email them to you there won't be a difference in the fact that they will still be attached to a FTP/IP protocal just as they are here.
If you can open them, printing them shouldn't be an issue. Check the file extension and the drawing in file print preview and if you still have issues reply to this post and I will send them to you, but it won't be any different but I will try it. You never know.
Happy holidays from all of us at 2carpros.
Was this
answer
helpful?
Yes
No
Friday, December 23rd, 2011 AT 5:33 AM
Tiny
DRCRANKNWRENCH
  • MECHANIC
  • 3,380 POSTS
I actually checked the pics here and it is HTTP protocal but it is a jpeg. The file extension is. Jpg and not. Jpeg, sorry about that. The dimensions should be 557x700 pixels. So try saving the file first and check dimensions and make sure to save it as a. Jpg file. Then see if it will print and check the preview first.
Was this
answer
helpful?
Yes
No
Friday, December 23rd, 2011 AT 5:36 AM

Please login or register to post a reply.