Tuesday, August 15th, 2023 AT 10:53 AM
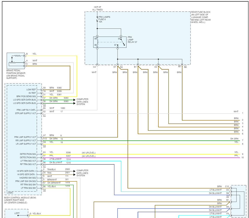
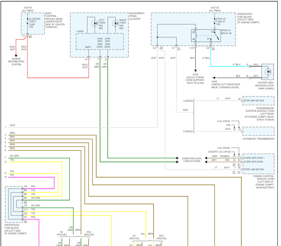
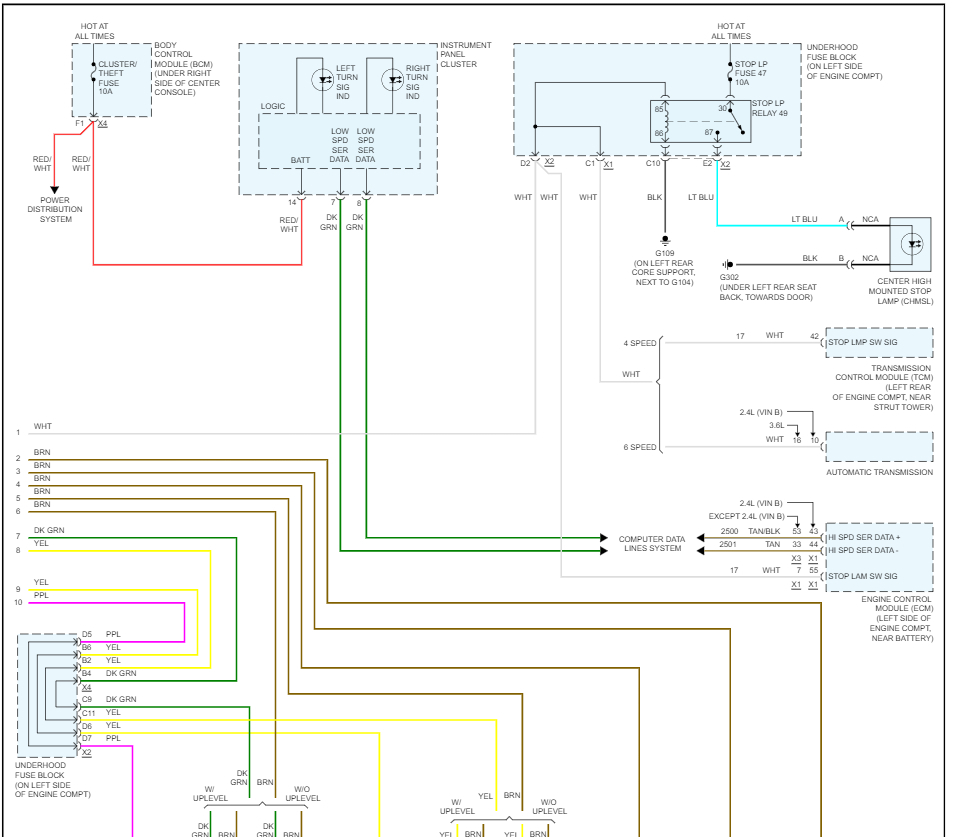
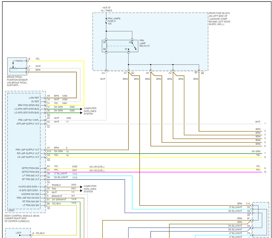
My left turn signal light the front one isn't working the back one that is on the same side is like a quick flash. I've already replaced the bulb and it still isn't working correctly. Is it possible it could be a fuse? If so, what is the fuse number or relay?






