Transmission shifts but it will not Move in any gear?

Tiny
NETKUHNS
  • MEMBER
  • 2004 CHEVROLET TAHOE
  • 5.3L
  • V8
  • 2WD
  • AUTOMATIC
  • 240,000 MILES
The vehicle listed above has a 4l60e. The gear shifter spring broke. I was going to go get a new one. I went to make a turn no power to go and cut off. I cranked her back up and I could shift into all gears, but she wouldn't go forward, backward nothing. Also, the indicator for the gears won't light up.
Friday, March 3rd, 2023 AT 6:52 AM

14 Replies

Tiny
JACOBANDNICKOLAS
  • MECHANIC
  • 110,192 POSTS
Hi,

If you are not seeing any selected gear on the indicator, check to see if there is a problem at the transmission range sensor. (See pic below). Check the connector to make sure it wasn't damaged or disconnected.

Although the TRS doesn't tie into the spring issue you mentioned, the indicator lamps not working doesn't either. I'm trying to narrow things down.

Additionally, if you haven't already, I recommend having the can-bus scanned for codes. CAN stands for controller area network. Basically, the different modules are tied together via a few wires. This type of scan will retrieve codes regardless of the module storing them.

Here is a link that shows how it's done:

https://www.2carpros.com/articles/can-scan-controller-area-network-easy

If you are able to scan the computer, let me know if there are codes stored and what they are.

Let me know what you find.

Take care,

Joe

See pic below.
Was this
answer
helpful?
Yes
No
Friday, March 3rd, 2023 AT 8:59 PM
Tiny
NETKUHNS
  • MEMBER
  • 7 POSTS
I did can scan and it said nothing about transmission codes. I can either send all the pics of what it sent or send you the codes since I wrote them down. Here's the written list. I have the fault codes from the can scanner, but I don't know how to check them via the internet.
Lanette Kuhns
Was this
answer
helpful?
Yes
No
Saturday, March 4th, 2023 AT 9:01 AM
Tiny
NETKUHNS
  • MEMBER
  • 7 POSTS
It's shifting fine. The problem is you rev the engine, and it doesn't move in any gear.
Was this
answer
helpful?
Yes
No
Saturday, March 4th, 2023 AT 11:38 AM
Tiny
JACOBANDNICKOLAS
  • MECHANIC
  • 110,192 POSTS
Hi,

Send me the codes that you got. Please correct me if I'm wrong, but when you say it's shifting fine, do you mean the shift lever is working properly or something different? I ask because when I think of shifting, the vehicle is moving.

Please confirm. Also, if possible, let me know the codes.

Take care,

Joe
Was this
answer
helpful?
Yes
No
Sunday, March 5th, 2023 AT 8:38 PM
Tiny
NETKUHNS
  • MEMBER
  • 7 POSTS
Sorry. Yes, shift lever and linkage is moving properly.
Was this
answer
helpful?
Yes
No
Sunday, March 5th, 2023 AT 9:10 PM
Tiny
JACOBANDNICKOLAS
  • MECHANIC
  • 110,192 POSTS
If possible, could you let me know the codes?

Joe
Was this
answer
helpful?
Yes
No
Monday, March 6th, 2023 AT 7:06 PM
Tiny
NETKUHNS
  • MEMBER
  • 7 POSTS
U1000, b2961, b3770, b0229, u1064, b3531, b0429, b0434, the following codes are due to prior owner cutting the cats out, straight piping and welding o2 sensors into the straight pipe p0135, p0141, p0161.
Was this
answer
helpful?
Yes
No
Monday, March 6th, 2023 AT 7:13 PM
Tiny
JACOBANDNICKOLAS
  • MECHANIC
  • 110,192 POSTS
Hi,

All of the "B" codes and the one "U" code are related to the HVAC system/Body Control module, so that isn't related to the transmission.

Let's start over. What spring did you replace? Also, does the shift indicator identify the correct gears? Is the transmission fluid clean and full? Are there any odd sounds when you place the transmission from park/neutral to any other gear?

Let me know.

Take care,

Joe
Was this
answer
helpful?
Yes
No
Tuesday, March 7th, 2023 AT 5:27 PM
Tiny
NETKUHNS
  • MEMBER
  • 7 POSTS
I was replacing the gear shifter lever because that spring broke. Shift indicator isn't showing any gears. Yes, transmission fluid is new, clean and full. No there's no noise, grind nothing when shifted.
Was this
answer
helpful?
Yes
No
Tuesday, March 7th, 2023 AT 6:23 PM
Tiny
JACOBANDNICKOLAS
  • MECHANIC
  • 110,192 POSTS
If none of the gear indicator lights are turning on, we either have a fuse/power issue with the powertrain control module or the PCM or Range Sensor has failed. None of which makes sense because you were working inside the vehicle.

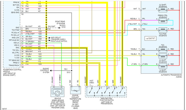
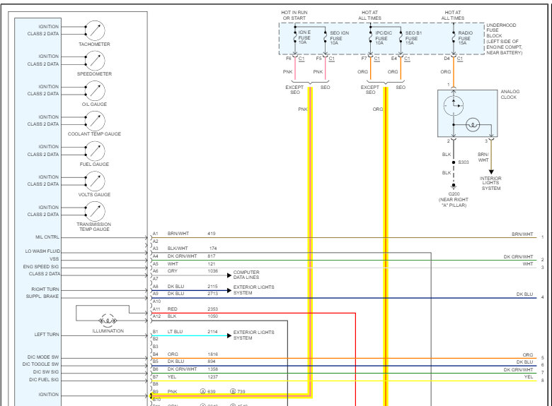
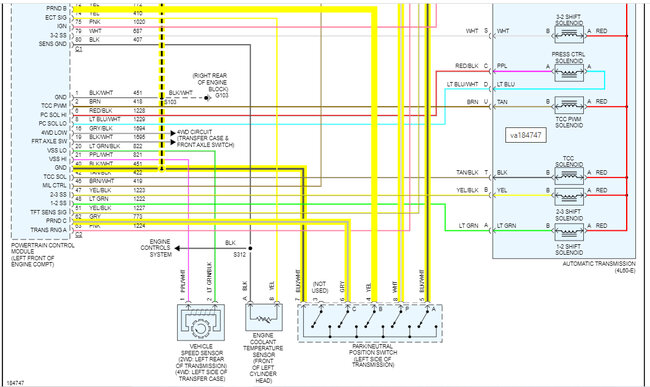
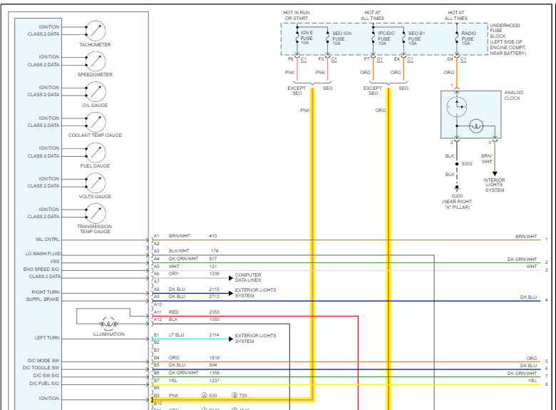
I attached the wiring schematic below for the transmission circuit. I highlighted two fuses that are located in the under-hood fuse panel. Check these fuses for condition and make sure there is power to and from them.

https://www.2carpros.com/articles/how-to-check-a-car-fuse

If they are good and have power, we next need to check the connectors at the PCM (under the hood) and the range sensor on the transmission.

As I mentioned. This isn't making sense because you were working inside the vehicle, but something is preventing the gear indicator lamp from working, so in essence, the vehicle doesn't realize it's in gear. The signal for the gear indicator comes from the range sensor, so that is the next thing to check if the fuses are good.

The odd thing about this is you only have codes related to the HVAC.

Let me know what you find.

Take care,

joe

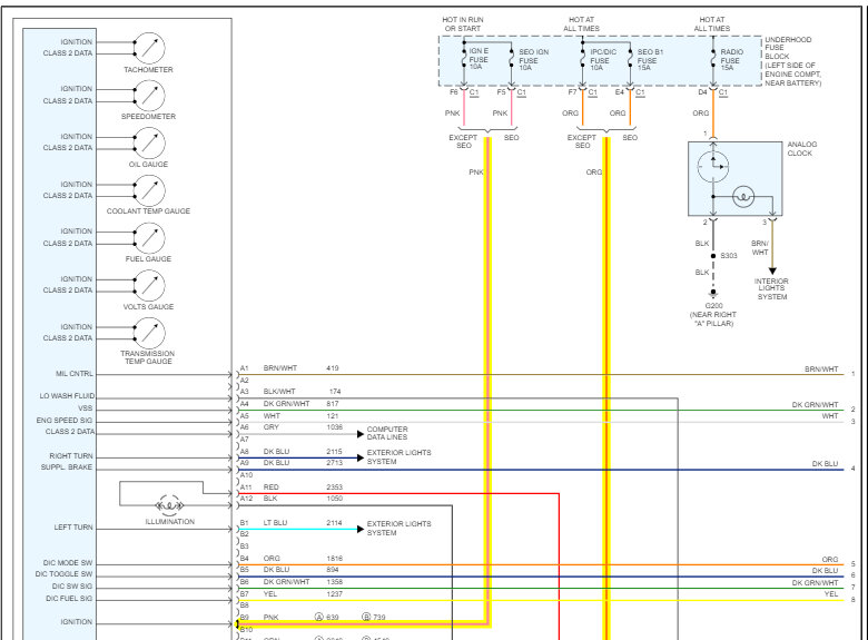
See pics below. I highlighted wires of interest for you. One last thought, I found something of interest. The PRNDL indicator grounds at the left kick panel. That may be of interest. See pics 3 and 4. That is the instrument panel schematic. There should be a black wire with a white tracer (left kick panel) that is ground. Locate that wire and trace it to make sure it hasn't been damaged.

Was this
answer
helpful?
Yes
No
Wednesday, March 8th, 2023 AT 6:14 PM
Tiny
NETKUHNS
  • MEMBER
  • 7 POSTS
I will check all that out tomorrow morning. When I bought this Tahoe I didn't know that the engine block was cracked at the water jets which caused blown/deteriorated head gaskets, so we have replaced the engine but had no issues until the gear shifter lever spring broke. Then the ignition cylinder we noticed was busted so I replaced it also.
Was this
answer
helpful?
Yes
No
Wednesday, March 8th, 2023 AT 6:53 PM
Tiny
JACOBANDNICKOLAS
  • MECHANIC
  • 110,192 POSTS
Hi,

Was the transmission working prior to the engine replacement?

Let me know.

Joe
Was this
answer
helpful?
Yes
No
Wednesday, March 8th, 2023 AT 7:11 PM
Tiny
NETKUHNS
  • MEMBER
  • 7 POSTS
Yes. I had no problems for a month then the indicator stopped working correctly and the shift lever spring broke.
Was this
answer
helpful?
Yes
No
Wednesday, March 8th, 2023 AT 8:28 PM
Tiny
JACOBANDNICKOLAS
  • MECHANIC
  • 110,192 POSTS
Something must have happened under the dash. Check that ground to see if something was disconnected or damaged.

Let me know.

Joe
Was this
answer
helpful?
Yes
No
Thursday, March 9th, 2023 AT 5:52 PM

Please login or register to post a reply.