Shifter is stuck?

Tiny
KAY ROY
  • MEMBER
  • 2011 BMW X5
  • V8
  • AUTOMATIC
  • 25,000 MILES
The shifter is stuck and won't go into drive or anything. Even when I press the brake and try.
Tuesday, November 22nd, 2022 AT 7:25 AM

1 Reply

Tiny
KEN L
  • MASTER CERTIFIED MECHANIC
  • 55,322 POSTS
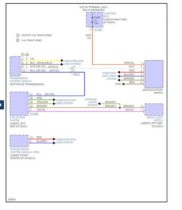
When the key is on do the brake lights work? The system tries to the brake lights so if they are not working, we need to start there if so, here is the emergency override for the shift lock in case you need it. We need to check fuse #15 in the fuse panel under the dash on the right side.

Here is the wiring diagram for the shift lock as well so you can see how the system works:

https://www.2carpros.com/articles/how-to-check-a-car-fuse

Check out the images (below). Let us know what happens and please upload pictures or videos of the problem.
Was this
answer
helpful?
Yes
No
Wednesday, November 23rd, 2022 AT 11:56 AM

Please login or register to post a reply.