Severe loss of power when driving thirty minutes, codes PO171 and PO141

Tiny
FRANKIE PROVANCE
  • MEMBER
  • 2001 CHEVROLET S-10
  • 2.2L
  • 4 CYL
  • 2WD
  • MANUAL
  • 220,000 MILES
The truck starts easily I can hop on the freeway and do 85MPH for about thirty miles the then it slowly loses power to unsafe speeds for the freeway. If I pull over and let it completely cool down for a few hours, I can drive it again for about thirty more miles. The fuel pump and filter are less than a year old. It is a Flex fuel vehicle running on E85 mainly or 87 unleaded. Took it to AutoZone today to have the codes read and was showing PO171 and Secondary DTCs PO141: HO2S.
Friday, December 3rd, 2021 AT 10:48 PM

1 Reply

Tiny
AL514
  • MECHANIC
  • 5,596 POSTS
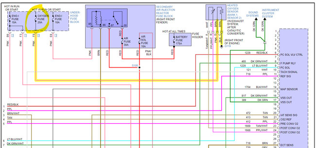
Hello, so what's happening here is the p0141 is the rear Oxygen Sensor heater circuit code. This is the 02 sensor behind the catalytic converter. It has two wires that will be the same color and those are the heater circuit wire for that sensor. They are a 12-volt feed that helps to heat the oxygen sensor and get it up to temperature so it can operate. Without that circuit working the sensor will stay cold and fail to do its job. It's staying cold and reading a very low voltage and the ECM is seeing that low voltage (which means a lean condition) and setting the p0171 (which is a lean exhaust bank 1 code). The ECM is enriching the mixture pretty much as far as it can because of the false reading. If you have a multimeter you can go to the back 02 sensor, unplug it, doesn't matter if it's cold or hot, find the two wires that are the same color and check the resistance of them.
The second check is to turn the key on, and on the harness side of that 02 plug (so coming from the ECM) across those two wires should read 12-volts. if it does the circuit is okay, and you need a new rear 02 sensor. If it fails, the first test (the resistance test) you still need a rear 02 sensor.
The reason I mention checking for the 12-volts, is if it's a wiring issue and the 12-volts is missing it will cause the same issue.
I'm putting up the wiring diagram so you can get the idea better, highlighted in yellow are the heater circuits. Check that Oxygen Fuse20amp as well. But if you don't find any wiring issues, like the 02-wiring melted to the exhaust, you'll need a new oxygen sensor.

https://www.2carpros.com/articles/how-an-oxygen-sensor-works

https://www.2carpros.com/articles/how-to-replace-an-oxygen-sensor

https://www.2carpros.com/articles/how-to-test-an-oxygen-sensor-02-sensor
Was this
answer
helpful?
Yes
No
Saturday, December 4th, 2021 AT 9:14 AM

Please login or register to post a reply.