Service park lamps

Tiny
TINA MAGOUIRK
  • MEMBER
  • 2005 CHEVROLET UPLANDER
  • 6 CYL
  • FWD
  • AUTOMATIC
  • 95,000 MILES
Both tail lights are not coming on. Brake lights work and blinkers work.
Saturday, September 17th, 2016 AT 8:06 PM

1 Reply

Tiny
CJ MEDEVAC
  • MECHANIC
  • 11,005 POSTS
Okay,

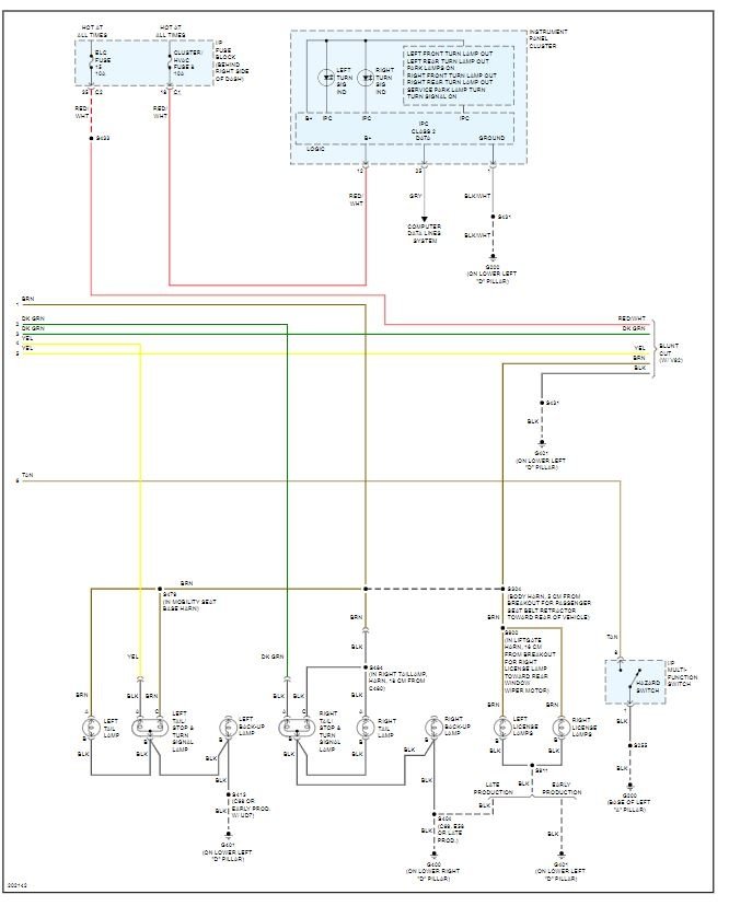
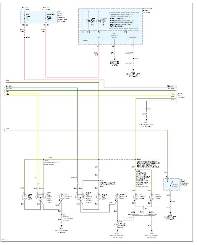
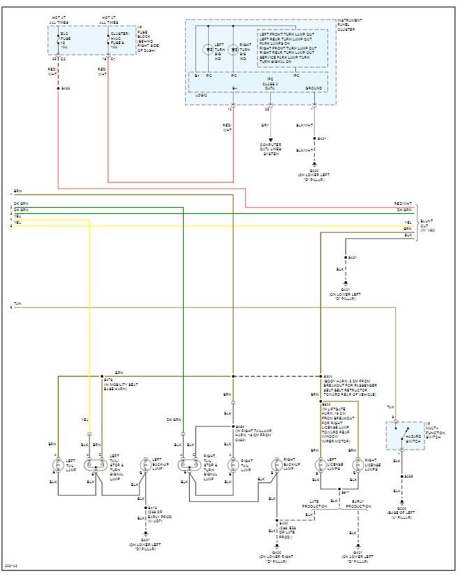
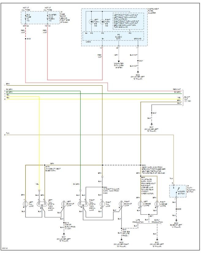
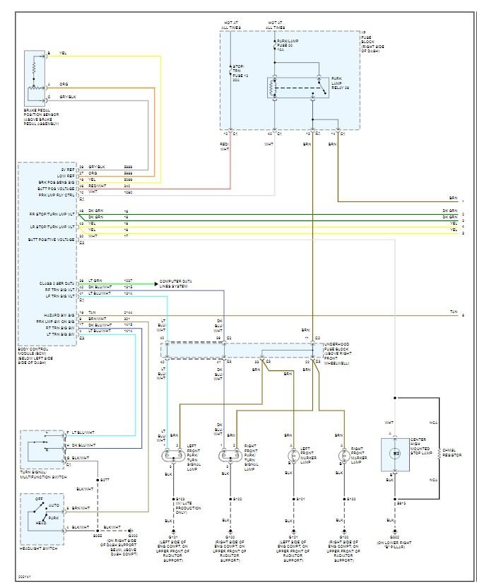
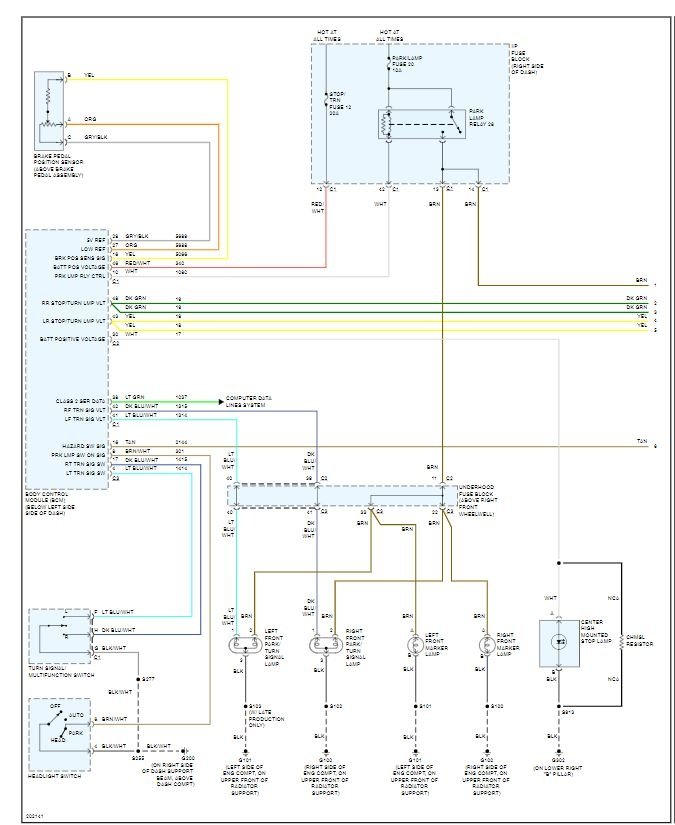
Lets look in the IP fuse block, manual says it is on the right side of your dash.

We want to look at the park lamp fuse. it is fuse 20, says it is a 10 AMP.

Using a test light to check fuses is the best way, you can see if power is making it through, even if the fuse may be good (Bad blade contact in fuse block)

If it is bad/ burned/ blown always replace any fuse with the exact same amp as the one that goes there.

Your vehicle also has a parking lamp relay (Relay 28, same fuse block as fuse 20)
This could also be the problem... see guide below on relay testing

The Medic

See the guide below on fuses and test light instructions

https://www.2carpros.com/articles/how-to-check-a-car-fuse

https://www.2carpros.com/articles/how-to-use-a-test-light-circuit-tester

https://www.2carpros.com/articles/how-to-check-an-electrical-relay-and-wiring-control-circuit

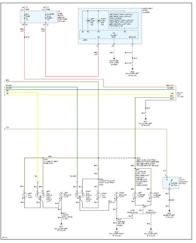
Check the wiring diagram below, let us know if you need anything else
Was this
answer
helpful?
Yes
No
+2
Saturday, September 17th, 2016 AT 10:08 PM

Please login or register to post a reply.