Service 4WD light on, 4WD does not work

Tiny
PUTERTOPIA
  • MEMBER
  • 2006 DODGE RAM
  • 5.7L
  • V8
  • 4WD
  • AUTOMATIC
  • 165,000 MILES
I have the truck listed above 1500 SLT. The previous owner replaced the transfer case shift actuator, but nothing changed. I've removed and opened up the TIPM, but I do not see any obvious signs of burnt leads or corrosion on the board or any of the connectors/pins. I was thinking it may have been the TIPM because my RPM gauge does not work, but I ran the cluster self-test and found the gauge does move but doesn't complete the final sweep up to 6,000 RPMs so I probably need to reflow the ICs on the cluster, and it is unrelated to my 4wd issue.

I also tried cycling the key 3-4 times fast to read codes, but it just reads six dashes like there are no codes and then says done. Since the Serv 4WD light is on, shouldn't there be a code showing that I can reference in the FSM for diag steps or does this method no longer work in this year truck?
Thursday, December 9th, 2021 AT 8:01 PM

5 Replies

Tiny
KASEKENNY
  • MECHANIC
  • 18,907 POSTS
You are correct that there will be some codes but not in the cluster retrieval of codes. This is going to be a power train code, so we are going to need to use a scan tool and get them out of the PCM.

https://www.2carpros.com/articles/checking-a-service-engine-soon-or-check-engine-light-on-or-flashing

Once we know what code is there, we will have a better idea and some testing to follow but if not then we are going to have to start checking power through the system to find what the issue may be.

However, this could be a speed sensor issue so that will most likely be hard to pick up from just blindly testing the voltage.

https://www.2carpros.com/articles/how-to-check-wiring

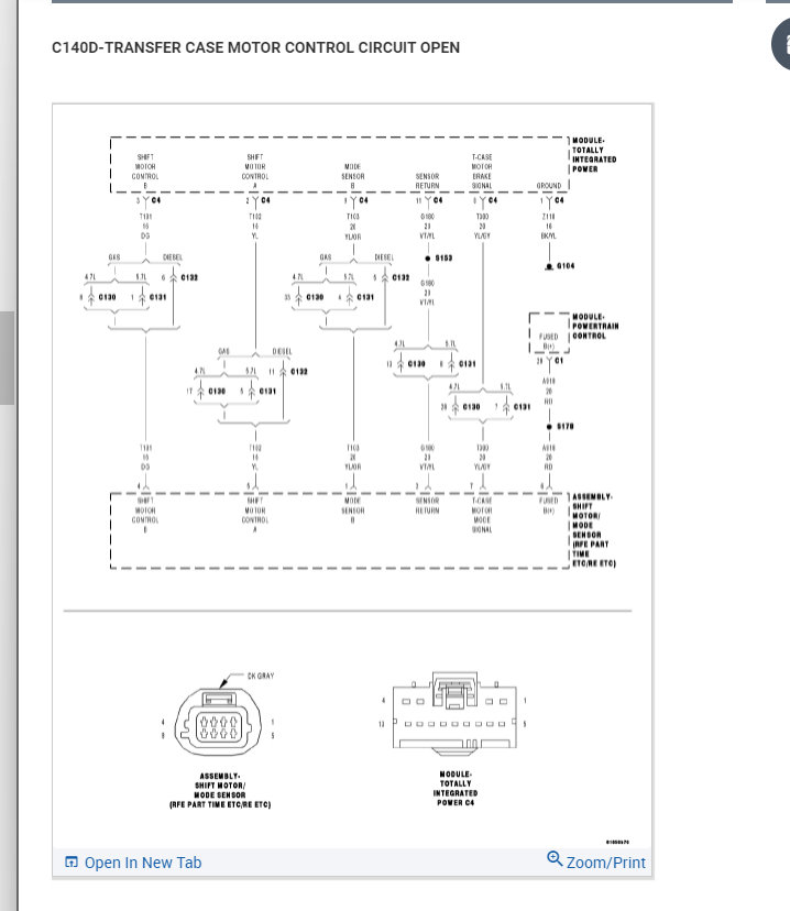
I am attaching the wiring diagram below, but we need to start with any codes and go from there. Thanks
Was this
answer
helpful?
Yes
No
Friday, December 10th, 2021 AT 11:07 AM
Tiny
PUTERTOPIA
  • MEMBER
  • 3 POSTS
Hello,

I purchased some software for my laptop that allowed me full access to all of the modules through my WiFi ELM327 connector so that I wouldn't have to pay the $130/hour that local shops want to charge to grab codes each time.

Based on the DTC info below, to me, this does still seem like a potential wiring or TIPM issue even though there was nothing visibly wrong with the TIPM when I had it all apart considering the opposing DTCs (circuit high vs circuit low).

After clearing these DTCs, I cycled the key off and back on to ACC. The SERV 4WD light went off and the 4wd light started blinking on the cluster when I turned the selector, but it just kept flashing until the SERV 4WD light came back on. Codes that came back were the fog light B1661 as well as C140D Transfer Case Motor Control Circuit Open. I did not hear any sounds when I turned the knob.

For now, I am going to follow the FSM suggested troubleshooting for C140D, C1404 and C1405 to see what I end up with. Not sure if this DTC pattern stands out as anything specific to anyone here?

DTCs present prior to resetting (only showing modules that had DTCs):
ABS - Anti Lock Brakes
Part no: 55366355AD
Num of DTCs: 1
No. DTC code DTC status Description
1 C1009 Stored Brake Fluid Level Low

ORC - Occupant Restraint
Part no: 68024335AA
Num of DTCs: 1
No. DTC code DTC status Description
1 U1415 Stored Implausible/Missing Vehicle Configuration Data

RADIO - Radio
Part no: 05064173AF
Num of DTCs: 1
No. DTC code DTC status Description
1 B140B Stored Rear Left Audio Speaker Output Circuit Open

TCM - Transmission Control Module
Part no: 56029224AE
Num of DTCs: 1
No. DTC code DTC status Description
1 P1684 Stored Battery Was Disconnected

TIPMCGW - Central Gateway
Part no: 56049889AJ
Num of DTCs: 6
No. DTC code DTC status Description
1 B1661 Active Front Fog Lamp Control Circuit Open
2 C140D Active Transfer Case Motor Control Circuit Open
3 C1008 Stored Brake Fluid Level Circuit High
4 C1404 Stored Transfer Case Range Position Sensor Circuit Low
5 C1405 Stored Transfer Case Range Position Sensor Circuit High
6 P0533 Stored A/C Pressure Sensor Circuit High

DTCs present after reset:
TIPMCGW - Central Gateway
Part no: 56049889AJ
Num of DTCs: 2
No. DTC code DTC status Description
1 B1661 Active Front Fog Lamp Control Circuit Open
2 C140D Active Transfer Case Motor Control Circuit Open
Was this
answer
helpful?
Yes
No
Sunday, December 12th, 2021 AT 6:02 AM
Tiny
KASEKENNY
  • MECHANIC
  • 18,907 POSTS
Okay. That is great info. Yes, you need to follow the C140D through and it could turn out to be a TIPM issue, but I attached the testing below in case you or others need it.

Let me know what questions you have, and we can go from there. Thanks
Was this
answer
helpful?
Yes
No
Sunday, December 12th, 2021 AT 7:29 AM
Tiny
PUTERTOPIA
  • MEMBER
  • 3 POSTS
I ended up getting this fixed. Troubleshooting kept coming back in spec at both the harness that goes into the TIPM and into the transfer case motor itself, although the resistance did fluctuate slightly when testing at the harness from the TIPM. After spending a few hours and starting to get frustrated, I had my wife stand up front watching the voltmeter and I got underneath and started wiggling wires. As it turns out, both the connector at the transfer case motor and the gray 13 pin connector going into the TIPM both didn't seem to be making good contact. I did clean the TIPM side when I had it all apart, but I never took a close look and noticed just how wallowed out the pins in the connectors were.

I took a pick tool, opened up the connectors on the harness and bent the pins back closed. First go around didn't fix it, but then I bent them more shut than I thought they should be, put it back together and the SERV 4WD light went off and I was able to shift into 4WD afterward. I've driven it about 100 miles and haven't had any further issues.

I probably should have immediately suspected this when I saw the TIPM mounting clips already broken and saw that someone had been probing wires under there. I'm not sure if they just shoved their probes right into the pins and opened them up too wide during some other troubleshooting or if these things just tend to wallow out when you disconnect/reconnect the harness a few times, but I'm ecstatic that it's fixed.

I still have a fog light code that I suspect will be traced back to a similar connection issue, but I'll deal with that when it warms up a bit outside.

Thanks for all the help!
Was this
answer
helpful?
Yes
No
Wednesday, December 22nd, 2021 AT 1:08 PM
Tiny
KASEKENNY
  • MECHANIC
  • 18,907 POSTS
Great job. Thanks for the update and let us know if you need help with the fog light issue but I suspect you are correct there too.

I am sure this info will help others so thanks again for sharing this and let us know if we can help in the future.
Was this
answer
helpful?
Yes
No
+1
Wednesday, December 22nd, 2021 AT 1:50 PM

Please login or register to post a reply.