Electrical issues when the headlights are turned on

Tiny
CALVIN WONG
  • MEMBER
  • 2006 MERCEDES BENZ C230
  • 2.5L
  • V6
  • 2WD
  • AUTOMATIC
  • 115,000 MILES
When ever the headlights turn on the dashboard comes up with check coolant level and windshield level. Also, the outside temperature goes to 185F to 44F back and forth. But when the headlights are not turned on it is fine.
Friday, January 19th, 2018 AT 3:43 PM

3 Replies

Tiny
KEN L
  • MASTER CERTIFIED MECHANIC
  • 55,488 POSTS
Hello,

It sounds like you have problem with the front or rear SAM module I would disconnect the battery and then locate the electrical connector and remove them to check for corrosion.

Also, check the fuses because the SAM units use many fuses to work the system. # 16, 14, 13, 12, 10, 4 ,2 ,1 and 7.

Here is a guide to help us get started:

https://www.2carpros.com/articles/how-to-check-a-car-fuse

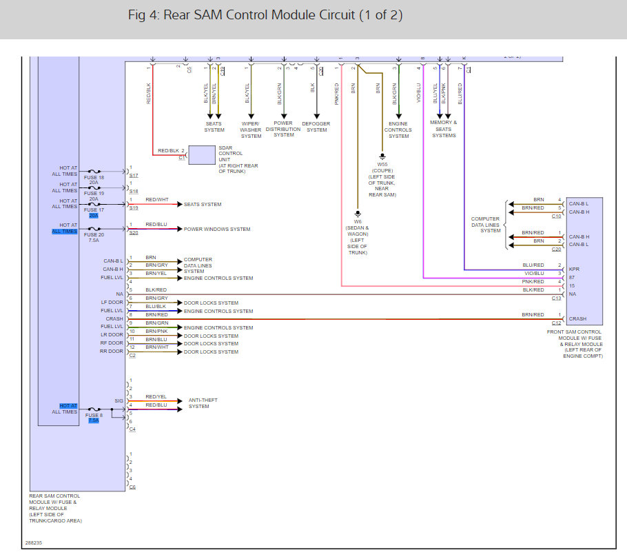
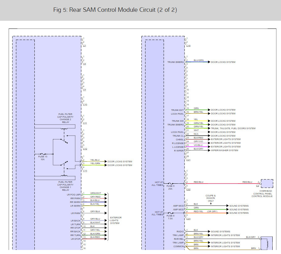
Here are the SAM module locations and the wiring diagrams so you can see how the system works along with the fuse panel locations and identifications. You can follow this guide to check the wiring before you replace the SAM modules. This will need to be done by the dealer or a shop because they will need to be programmed.

https://www.2carpros.com/articles/how-to-check-wiring

Check out the diagrams (below).

Please let us know what you find. We are interested to see what it is.

Cheers, Ken
Was this
answer
helpful?
Yes
No
Sunday, January 21st, 2018 AT 1:55 PM
Tiny
CALVIN WONG
  • MEMBER
  • 2 POSTS
Wow never knew I got a response. I am going to check and give an update. Also what is the rough estimate of programming SAM modules?

Thanks
Was this
answer
helpful?
Yes
No
Wednesday, February 28th, 2018 AT 12:29 PM
Tiny
KEN L
  • MASTER CERTIFIED MECHANIC
  • 55,488 POSTS
Was the notification email lost in your spam filter? Please let me know how you found out you had a response?

A BMW shop will need to do the reprogramming which will cost about $230.00

Please let us know what happens.

Cheers, Ken
Was this
answer
helpful?
Yes
No
Thursday, March 1st, 2018 AT 12:29 PM

Please login or register to post a reply.