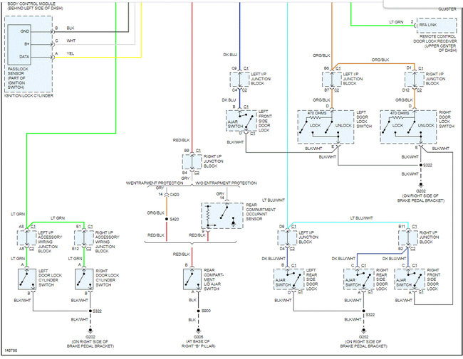
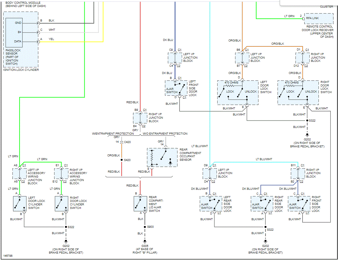
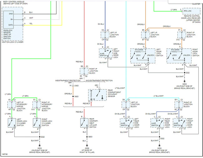
Monday, September 27th, 2021 AT 8:04 AM
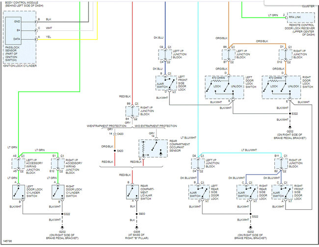
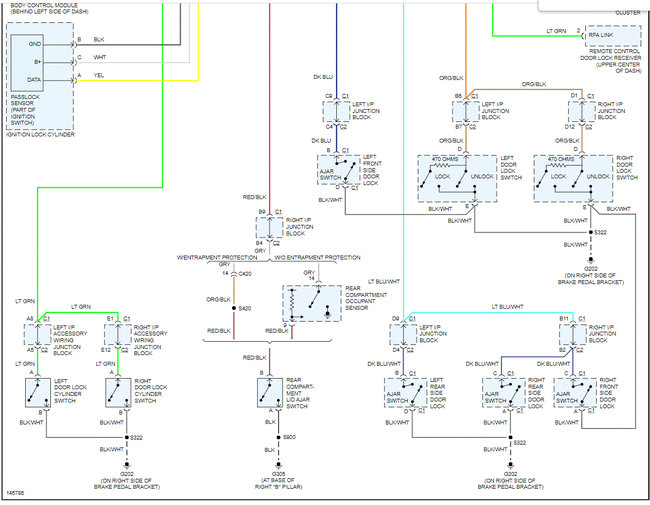
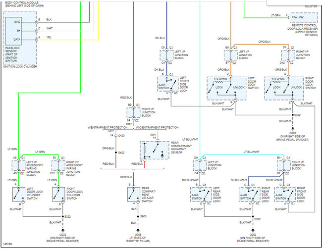
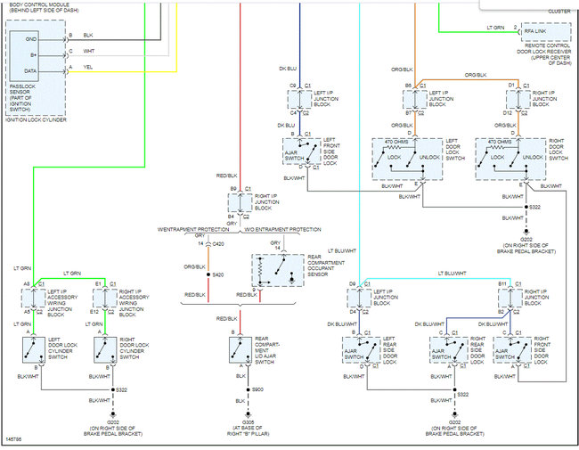
I unhooked the negative battery cable, not from the end that goes onto the battery but that is connected to a bolt on the other side of the battery, I don't know what it's called. Anyway, I hooked it back up, went to start the car and the security light was on. This car does not have the factory radio in it so I could not reprogram that way nor does it have the chipped key.





