Engine will not start

Tiny
0434335480
  • MEMBER
  • 1985 JAGUAR XJ12
  • 5.3L
  • V12
  • 2WD
  • AUTOMATIC
  • 190,000 MILES
The engine wont start. When I test the spark condition by cranking the engine with a plug removed and connected by its lead and resting loose on top of cam cover I observe a small spark. If I remove the wires (positive and negative) that connect the secondary coil to the primary coil then the spark is"fatter". It seems that connecting secondary coil actually impedes spark strength. Using Haynes workshop manual I have tested condition of secondary coil using multimeter as instructed and it passes as good. Is the secondary coil needing replacement as indicated by reduced spark strength or is it normal that it does this and boosts the spark once the engine starts and runs?
Sunday, March 7th, 2021 AT 8:38 PM

3 Replies

Tiny
JACOBANDNICKOLAS
  • MECHANIC
  • 110,194 POSTS
Hi,

If the coil checks good, chances are it deals either with the pick-up coil or the amplifier. Here are diagnostics for testing. Do this and let me know what you find.

____________________________

1985 Jaguar XJ-S V12-5.3L
Initial Diagnostic Tests
Vehicle Powertrain Management Ignition System Testing and Inspection Component Tests and General Diagnostics Ignition System Fault Finding Initial Diagnostic Tests
INITIAL DIAGNOSTIC TESTS
Fig. 1 Lucas twin coil ignition system

pic 1

Test 1
Check battery. A heavy discharge test applied to the battery terminals will determine whether the battery is capable of suppling the heavy currents required by the starter motor.

Check the specific gravity of the electrolyte in each cell. A variation of 0.040 in any cell means the battery is suspect.

Test 2
Check for HT spark. Remove the HT lead from the centre of the distributor cap 'A' and position the end of the lead approximately 6mm (0.25 in] from a good earth point on the engine. Crank the engine and if a spark is obtained, check the HT leads, spark plugs, distributor cap and the rotor. If test is satisfactory reconnect the HT lead.

Test 3
With the ignition switched on. The voltage at the positive terminal of the 'MAIN' HT coil 'C' should be battery voltage. If the voltage is more than a volt below battery voltage check the wiring to/from the ignition switch, check the switch and wiring to/from battery to switch.

Test 4
Disconnect the leads from the negative terminal of the 'MAIN' HT coil. With the ignition switched on a battery voltage reading should be obtained from the HT coil negative terminal. A zero reading would indicate a faulty 'MAIN' coil. If a battery voltage reading is obtained, reconnect the disconnected leads to the 'MAIN' coil and repeat tests 3 and 4 at the auxiliary coil.

If tests are satisfactory reconnect all disconnected leads and switch ignition off.

Fig. 2 Distributor Exploded View

pic 2

Test 5
Disconnect the distributor pick-up leads from the amplifier 'B'. Measure the resistance of the distributor pick-up 'A' with an ohm meter. The resistance should be 2.2 to 4.8 K ohms. An incorrect reading indicates a faulty pick-up coil, If test is satisfactory reconnect the pick-up leads.

Test 6
Connect a voltmeter between the positive terminal of the battery and the negative terminal of the 'MAIN' HT coil. Switch the ignition on, the voltmeter should indicate zero volts. Crank the engine, the voltmeter reading should rise between 2 to 3 volts. If the voltmeter reading remains at zero the amplifier is suspect.

Let me know if this helps or if you have other questions.

Take care and God Bless,

Joe
Was this
answer
helpful?
Yes
No
+1
Tuesday, March 9th, 2021 AT 6:07 PM
Tiny
0434335480
  • MEMBER
  • 2 POSTS
Thanks Joe, for your comprehensive reply, unfortunately the procedures you advise are what I have already done and as I mentioned are listed in my Haynes workshop manual. Therein lies my confusion. All static tests indicate all is okay yet the spark strength visually reduces as I crank the motor whilst connecting and disconnecting the leads from the main coil to the secondary coil. That is, decent spark disconnected, barely visible spark connected, which is why I thought that perhaps the engine management needs high revs or vacuum before the secondary coil "activates". Perhaps the leads are faulty. I love this engine but it is so complicated as to be frustrating. Unless what I have just illuminated rings a bell with you as to possible cause I fully accept that I may need to buy some new parts to solve problem. Cheers from down under especially for your continued help during this time of covid.
Was this
answer
helpful?
Yes
No
Wednesday, March 10th, 2021 AT 10:12 PM
Tiny
JACOBANDNICKOLAS
  • MECHANIC
  • 110,194 POSTS
Hi,

Does the tachometer move when you are cranking the engine? I'm asking because of the ignition amplifier. (Pic 1 below) The resistors in the amplifier provide two engine speed signals one for the tachometer and one for the ECU. Just questioning if that could be related.

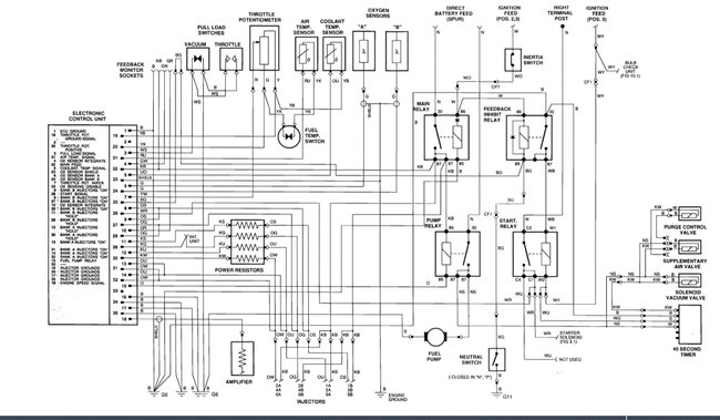
It's just a thought. However, I have a feeling we have a wiring issue that is causing too much resistance and reducing power. It could even be the ECM.

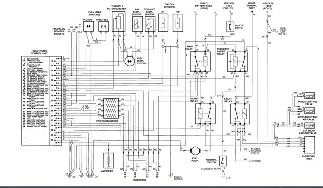
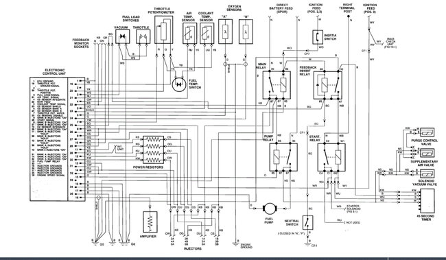
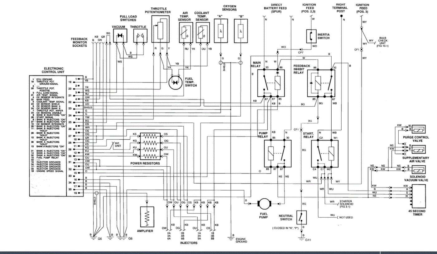
I looked through the OEM wiring schematic (pic 2 below). It is extremely vague.

Joe
Was this
answer
helpful?
Yes
No
+1
Thursday, March 11th, 2021 AT 3:29 PM

Please login or register to post a reply.