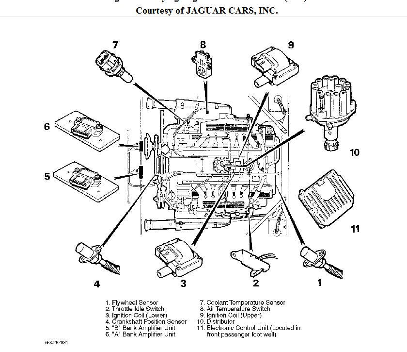
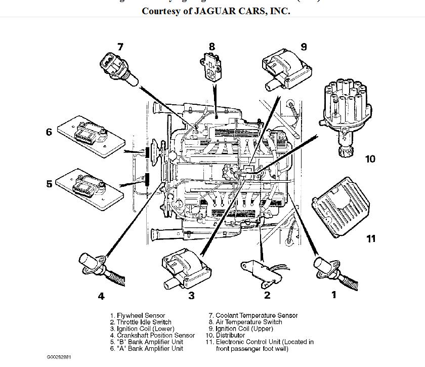
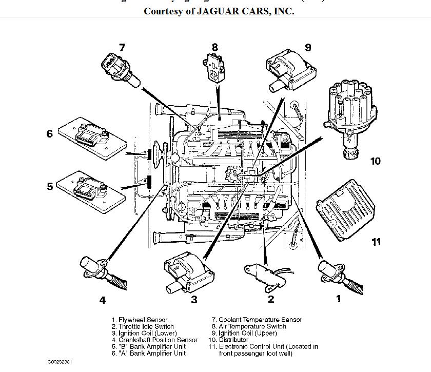
me and my father bought a Jaguar XJ12 1990 model, the previous owner had put it away because of the starter was broken so it was just standing in a little over 1 year.
eventually so we chose and buy it and when we got it home and replaced the starter.
cranking but there are no signs of life, if you crank the engine at full throttle, it sort of limp at 1800-2000 rpm, but first you so we thought that the car had too much fuel, so we turned out and looked at the plug and it was completely dry.
we tried and replace fuel pump, but it did not help, we have also tried and drain fuel tank and refill but no luck
best regards vegard johannessen
(sorry for the bad English)
Monday, June 3rd, 2013 AT 5:18 AM


