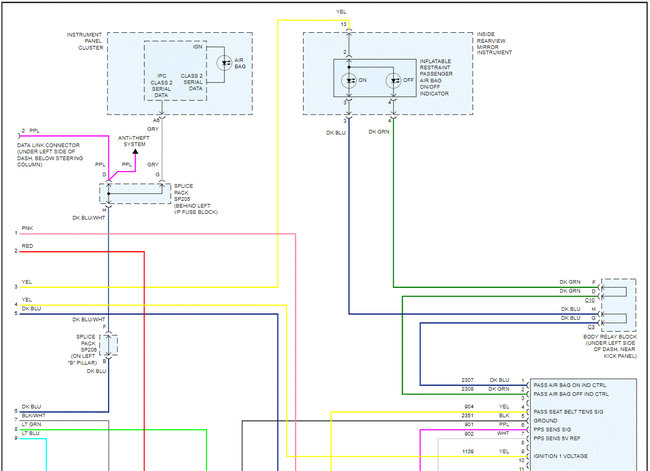
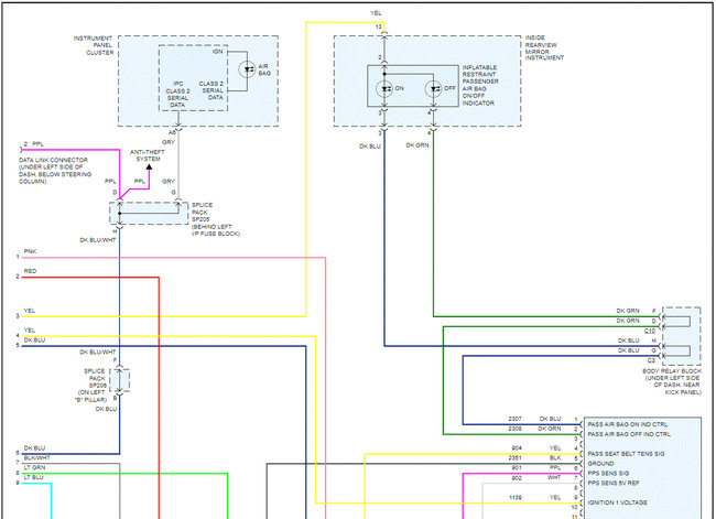
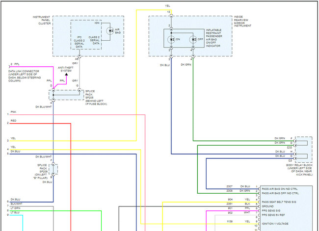
SDM wiring diagram

Tiny
LOUD PELLETIER
  • MEMBER
  • 2003 CHEVROLET AVALANCHE
  • 5.3L
  • V8
  • 4WD
  • AUTOMATIC
  • 155,000 MILES
I would like to have the wiring diagram of the airbag service that passes to the floor and the wiring diagram of the floor of an avalanche 2003 lt
Monday, August 30th, 2021 AT 7:30 PM

1 Reply

Tiny
JACOBANDNICKOLAS
  • MECHANIC
  • 110,194 POSTS
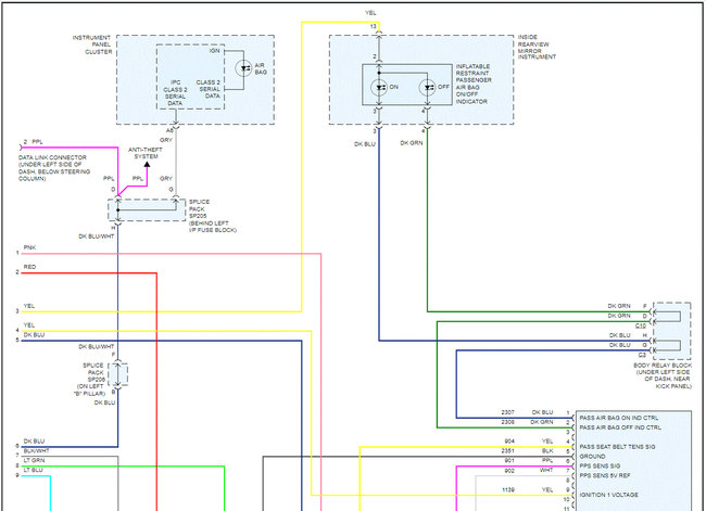
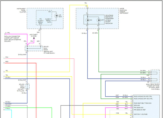
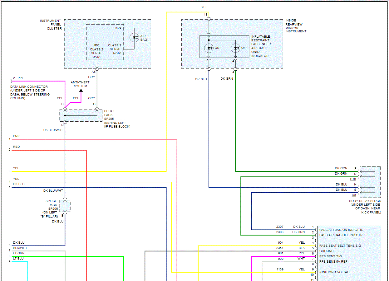
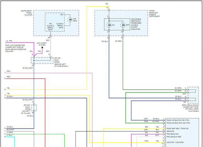
Hi: If you look at the pics below, I included the entire system wiring schematic. Take a look through it and let me know if that is what you needed.

The schematic was two pages long. I had to cut each in half to make them readable for you. I did overlap them so you can follow from one to the next.

Here is a link you may find helpful when checking wiring.

https://www.2carpros.com/articles/how-to-check-wiring

Let me know if this helps or if you have other questions.

Take care,

Joe

See pics below

Was this
answer
helpful?
Yes
No
+1
Tuesday, August 31st, 2021 AT 7:49 PM

Please login or register to post a reply.