Monday, February 25th, 2019 AT 10:33 PM
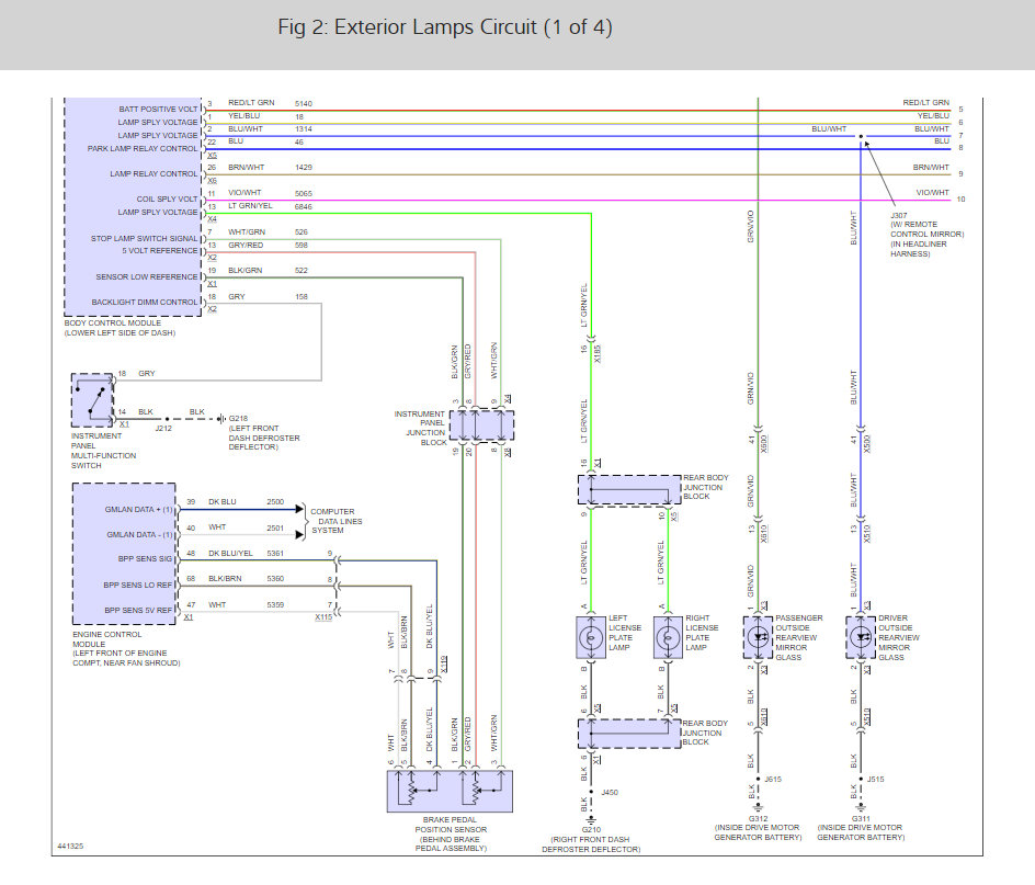
My rear running lights on the left side of the truck stopped working at the same time. But brake lights work in the reverse light works. Also the bulbs are good in the fuses are good. I'm not sure what to do next but to see if there's a broken wire or a ground wire somewhere.

















