Running light issue

Tiny
SSTRACK
  • MEMBER
  • 2012 GMC SIERRA
  • 4.8L
  • V8
  • 4WD
  • AUTOMATIC
  • 88,480 MILES
I recently had the center of my rear bumper pulled off in a slight towing mishap. When this happened the passenger side license plate light was ripped from the wiring. The other side was fine so I thought nothing of it but on my way into work a coworker noticed that the front and rear running lights on the passenger side were out. Signal lights and brake lights work normal. Is this a direct result of the license plate late being pulled from the wiring as it is still just hanging there.
Thanks.
Wednesday, April 14th, 2021 AT 3:33 AM

3 Replies

Tiny
4DRTOM
  • MECHANIC
  • 467 POSTS
Hello,

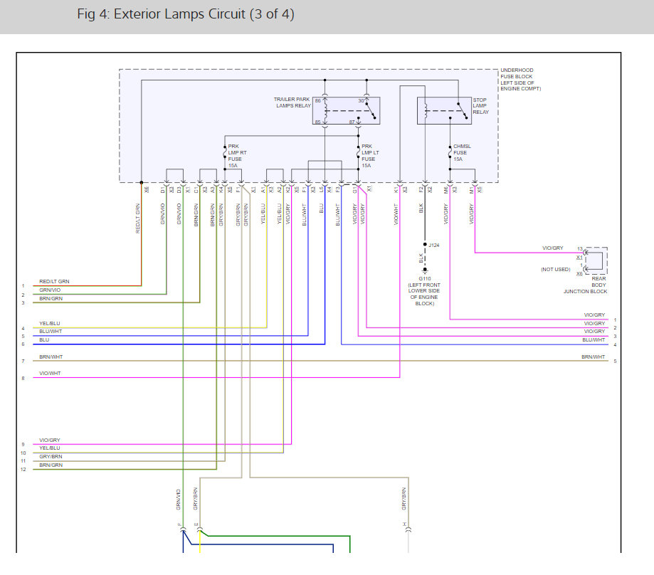
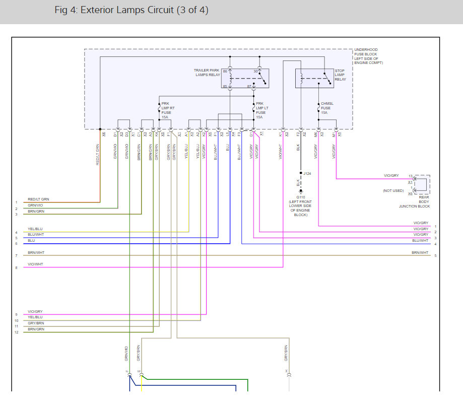
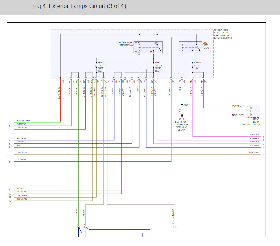
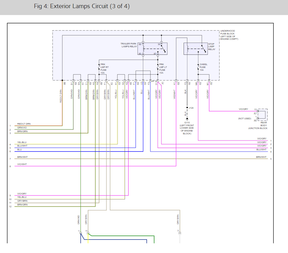
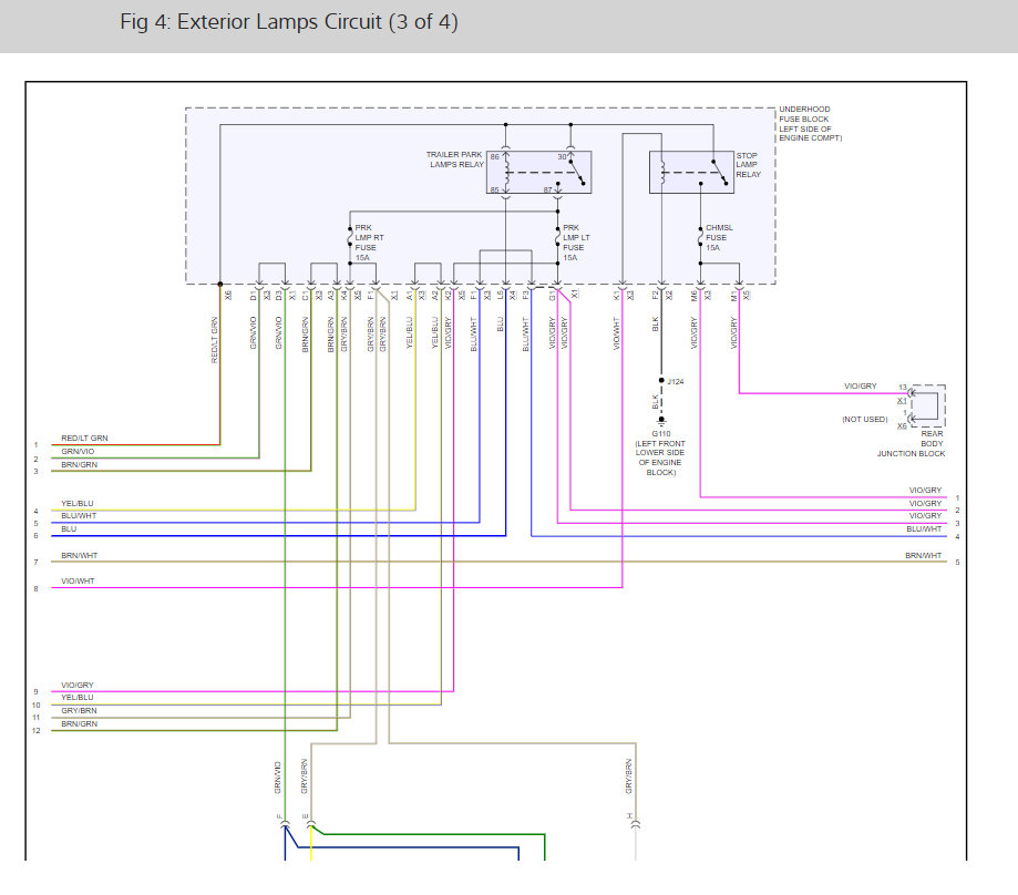
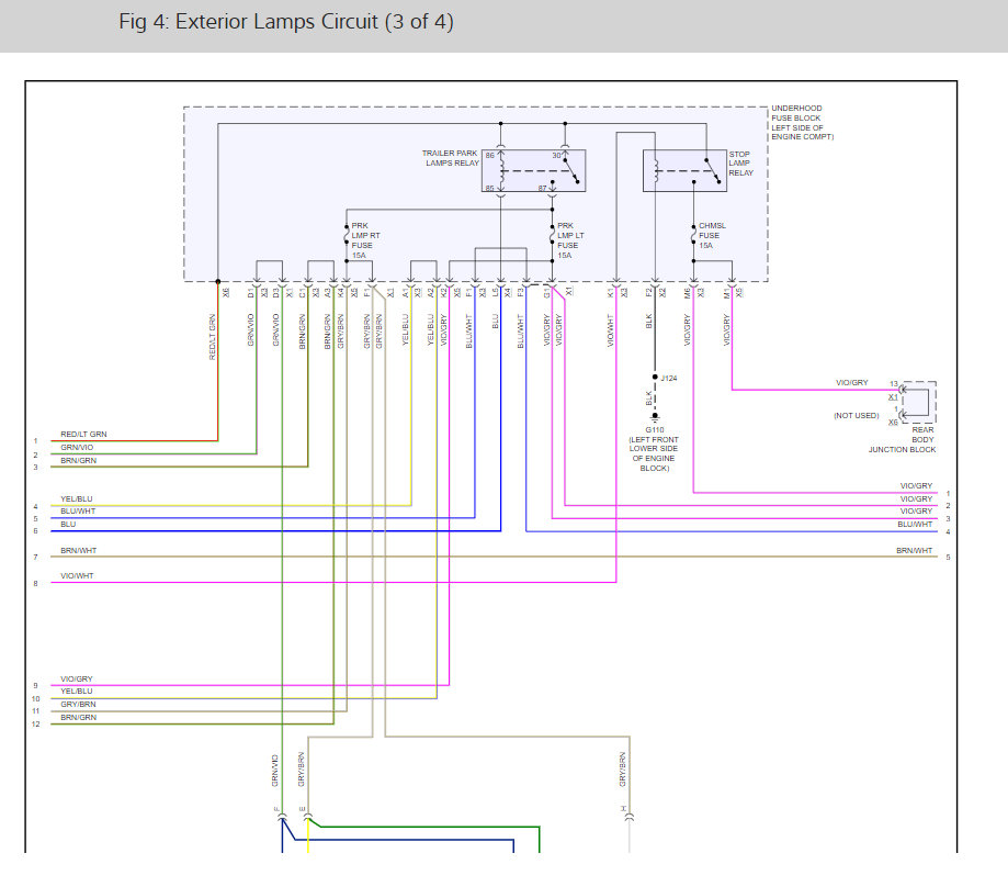
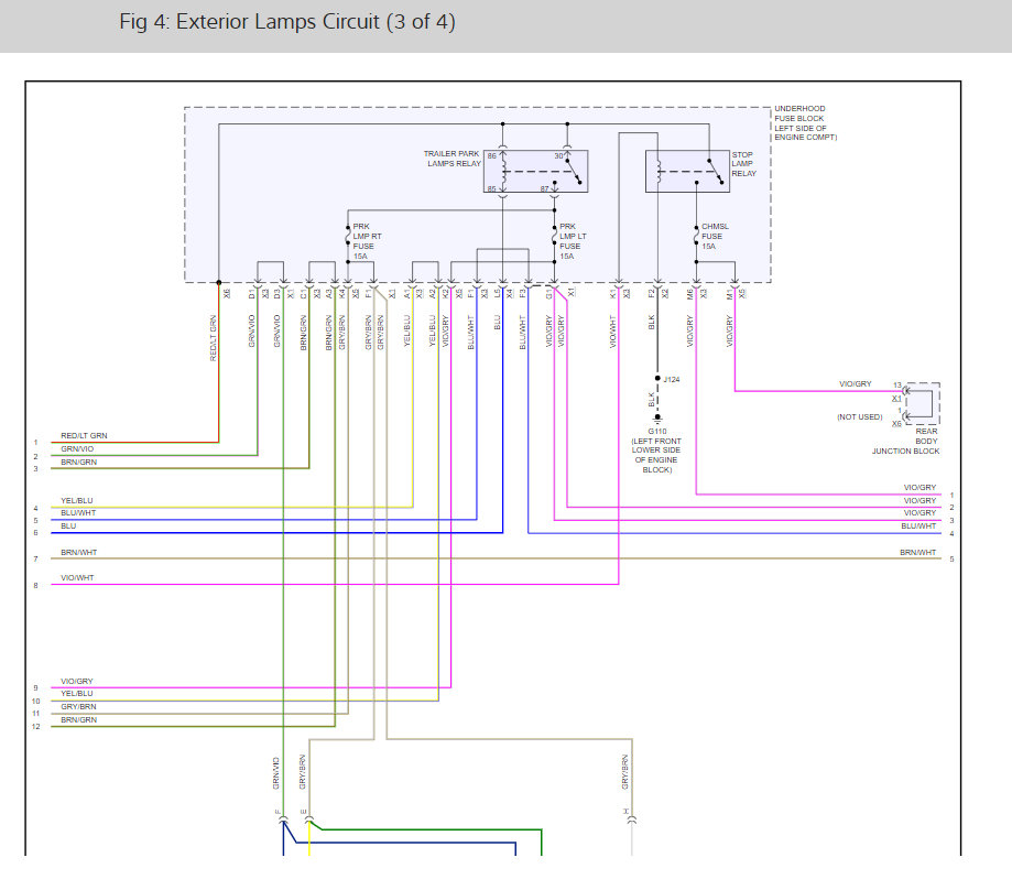
The ground wire from bumper to frame or body probably got disconnected and this is affecting the other lights. Look for a wire back there disconnected or broken. You will probably see one hanging. Here ias how to check the wiring and the running light wiring diagrams so you can see how the system works:

https://www.2carpros.com/articles/how-to-check-wiring

Check out the diagrams (below). Please let us know what you find. We are interested to see what it is.
Was this
answer
helpful?
Yes
No
Wednesday, April 14th, 2021 AT 6:39 AM
Tiny
SSTRACK
  • MEMBER
  • 2 POSTS
Thank you! I will take a look!
Was this
answer
helpful?
Yes
No
Wednesday, April 14th, 2021 AT 6:45 AM
Tiny
JACOBANDNICKOLAS
  • MECHANIC
  • 110,192 POSTS
Hi,

I noticed we haven't heard from you for a couple of days. Have you been able to make any progress with the problem? We're interested in knowing.

Take care,

Joe
Was this
answer
helpful?
Yes
No
Friday, April 16th, 2021 AT 11:27 PM

Please login or register to post a reply.