Shut off while driving will not start

Tiny
TOYPACIFIC
  • MEMBER
  • 2003 TOYOTA HIGHLANDER
  • 4 CYL
  • 2WD
  • AUTOMATIC
  • 160,000 MILES
This has never happened before. There is still power because the lights on dash and everything is still on. But having to jump it from another vehicle it wont even click or crank over. Absolutely nothing. But I can see that all power lights and stuff still on. So I'm curious as to why it wont jump start with another vehicle or that I don't even here a crank or click anywhere.
Any ideas?
Monday, August 10th, 2020 AT 8:00 PM

3 Replies

Tiny
JACOBANDNICKOLAS
  • MECHANIC
  • 110,194 POSTS
Hi,

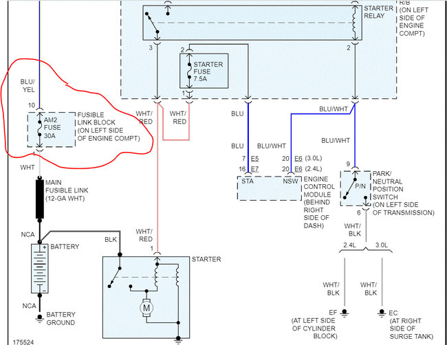
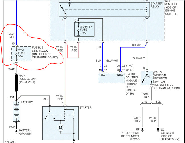
The first thing I need you to check is a 30 amp fuse in the under hood fuse box. See pics 1 and 2. Pic 2 shows the location.

In addition to checking the fuse, make sure there is power to the fuse. If there isn't, we need to check a fusible link.

Here is a link you may find helpful:

https://www.2carpros.com/articles/how-to-check-a-car-fuse

Let me know what you find. Also, see if it will start if you place it in neutral.

Joe
Was this
answer
helpful?
Yes
No
Monday, August 10th, 2020 AT 11:20 PM
Tiny
TOYPACIFIC
  • MEMBER
  • 159 POSTS
A couple taps to the starter and it started right up. Question now is before this the car was driving and when it came to a stop it shut off following the starter being stuck. But cars running again now. Thank you
Was this
answer
helpful?
Yes
No
Monday, August 10th, 2020 AT 11:23 PM
Tiny
JACOBANDNICKOLAS
  • MECHANIC
  • 110,194 POSTS
If you had to tap on the starter, it's going bad. Here is a link you may find helpful if you decide to replace it:

https://www.2carpros.com/articles/how-to-replace-a-starter-motor

I hope this helps.

Take care,
Joe
Was this
answer
helpful?
Yes
No
Monday, August 10th, 2020 AT 11:27 PM

Please login or register to post a reply.