Right turn signal not working?

Tiny
FAN4RN12
  • MEMBER
  • 2014 CHEVROLET SUBURBAN
  • 5.4L
  • V8
  • 4WD
  • AUTOMATIC
  • 114,000 MILES
The right blinker has stopped working. It was intermittent but now has completely stopped. I have checked all the fuses I could find and changed the blinker assembly on the column to no avail. Also, curiously the right side of the hazard lights still work and are the same bulb/filament.

Thanks
Monday, October 17th, 2022 AT 9:43 AM

1 Reply

Tiny
KEN L
  • MASTER CERTIFIED MECHANIC
  • 55,335 POSTS
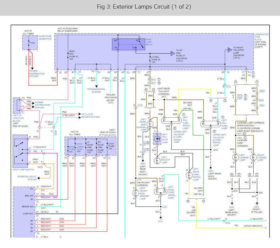
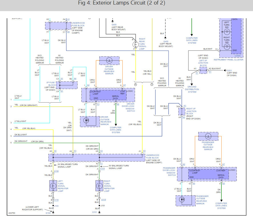
The right turn signal is controlled by the BCM, so it sounds like it is not working. here are the blinker wiring diagrams so you can see how the system works and the location and instructions on how to change the BCM out. You can get a rebuilt BCM by searching Google or eBay, just have your VIN number ready. To confirm this is the problem you can do a CAN SCAN which is easy to do. You can get a CAN scanner (Controller Area Network) from Amazon for about $36.00.

Here is a video to show you how:

https://youtu.be/u-4syLc-ifQ

and

https://www.2carpros.com/articles/can-scan-controller-area-network-easy

Amazon CAN scanner link for about $35.00.

https://amzn.to/3R9lJ60

Check out the images (below). Let us know what happens and please upload pictures or videos of the problem.
Was this
answer
helpful?
Yes
No
Monday, October 17th, 2022 AT 10:53 AM

Please login or register to post a reply.