Friday, July 25th, 2025 AT 4:24 PM
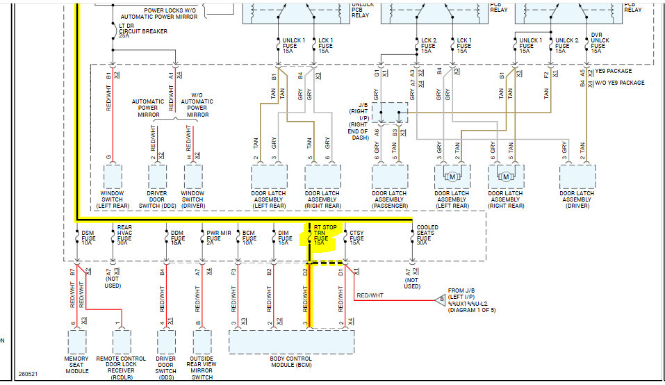
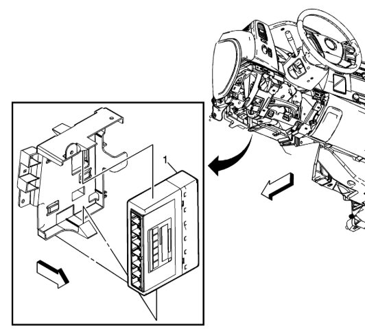
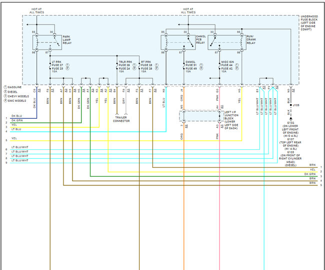
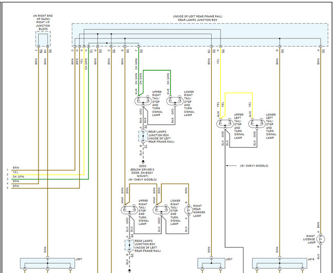
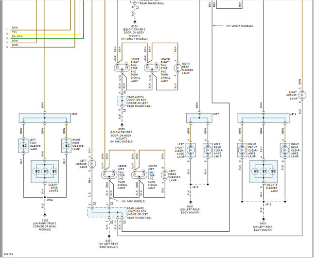
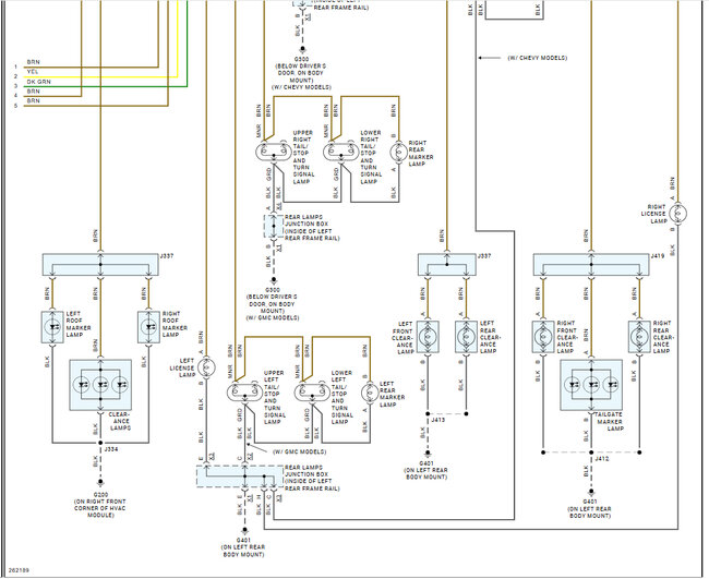
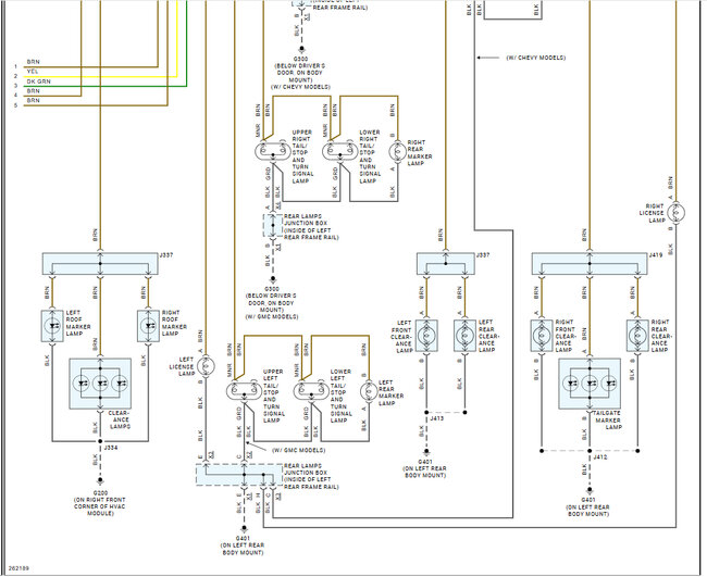
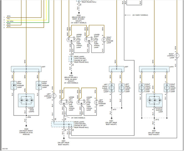
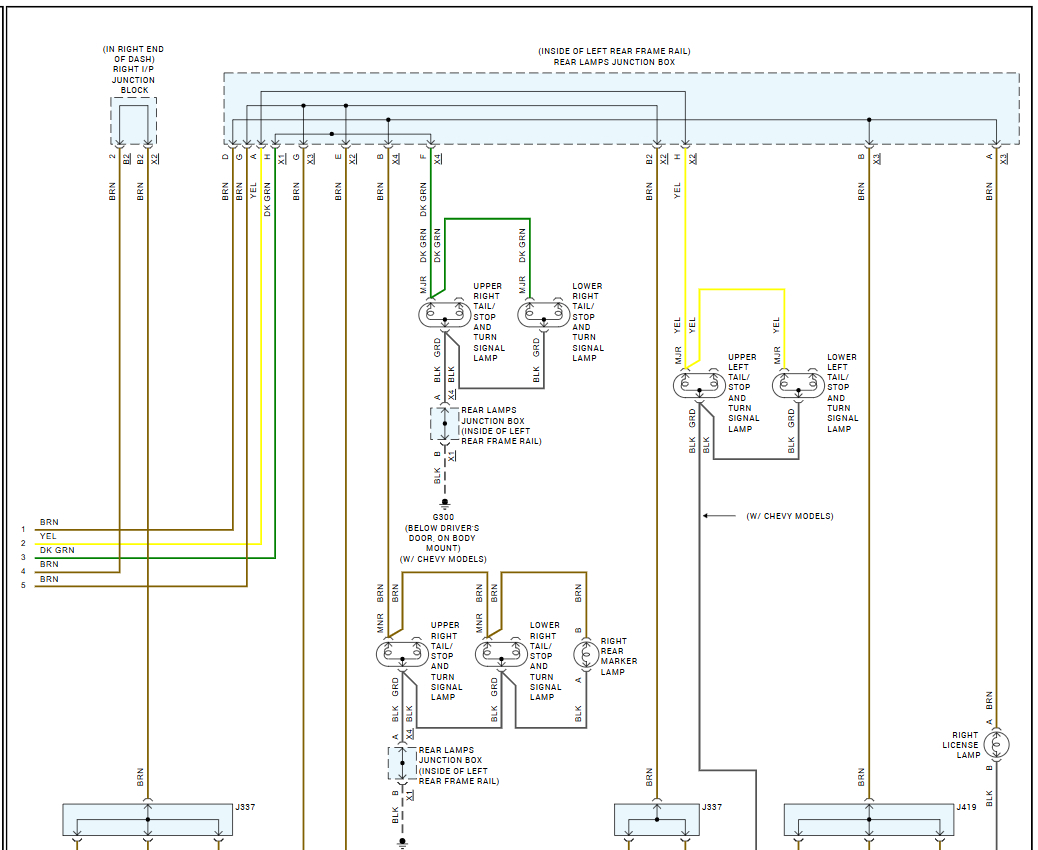
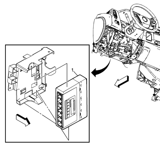
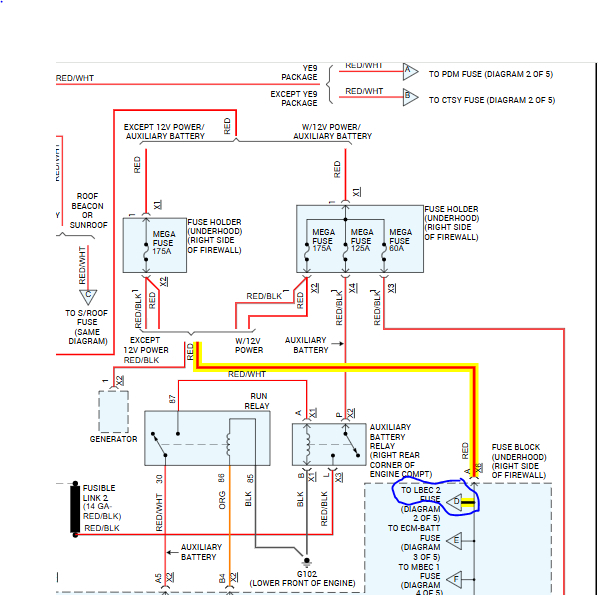
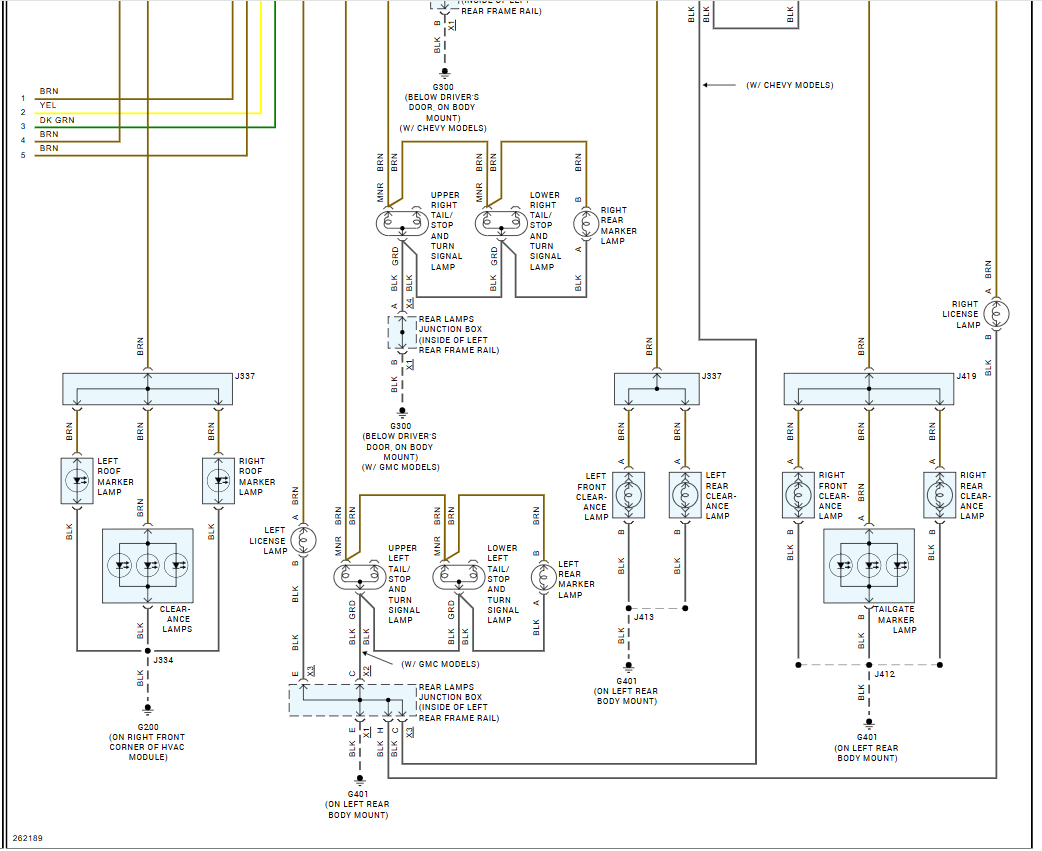
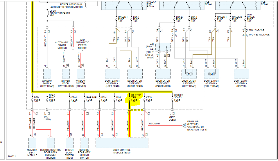
Right side signal light or emergency flasher not working (no light) front or back. At times I can hear a single or double click from the flasher under the dash but no lights. I've checked all the fuses, replaced the signal light switch, swapped the bulbs from side to side. Even replaced the flasher and I'm still not getting any power to the right signal fuse on the left side of the dash like I do with the left. Do you think I may have received a faulty flasher?














