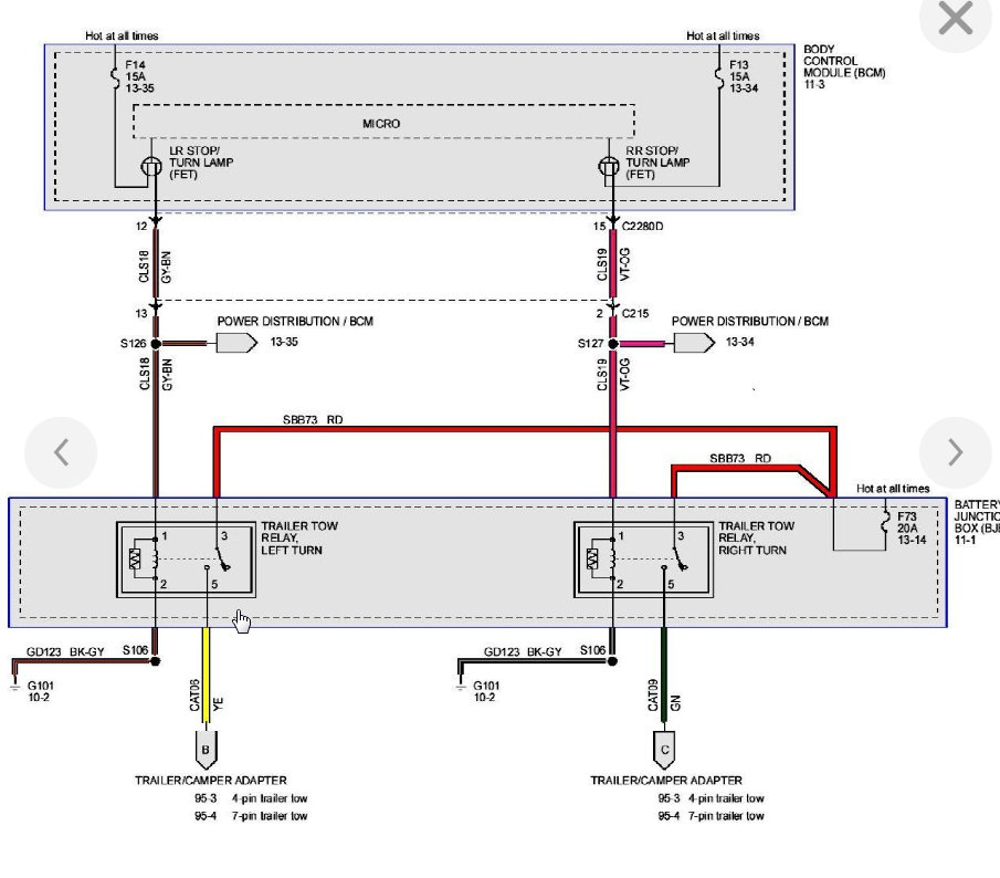
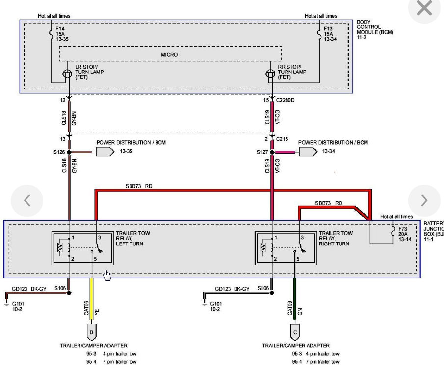
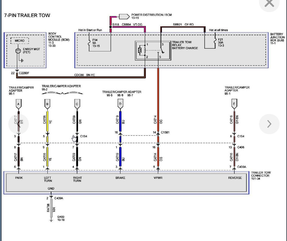
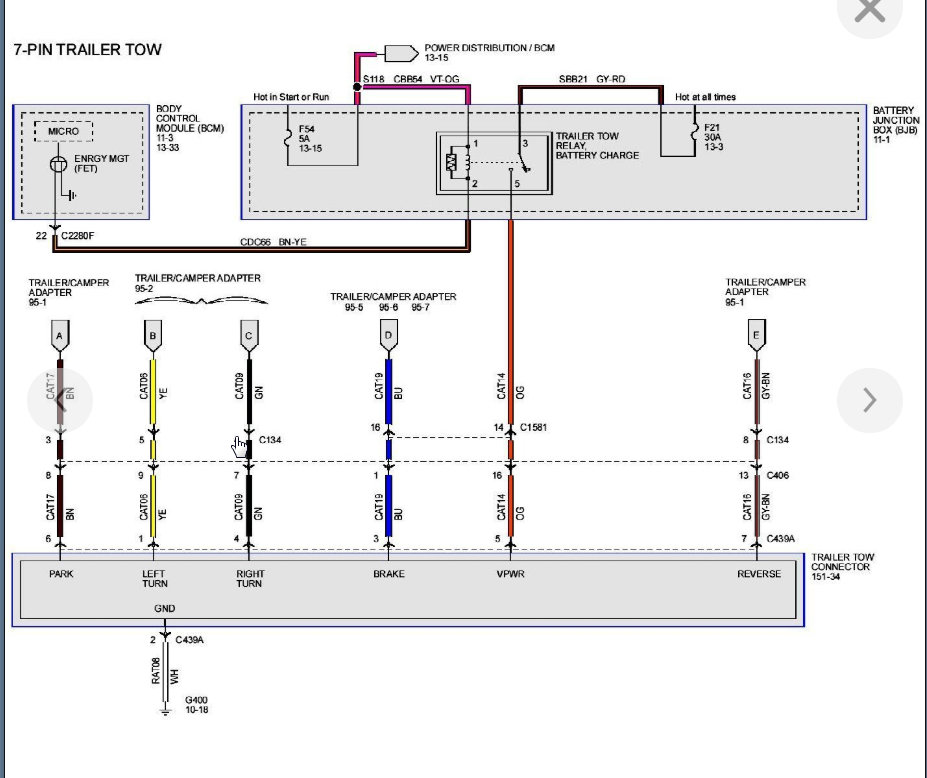
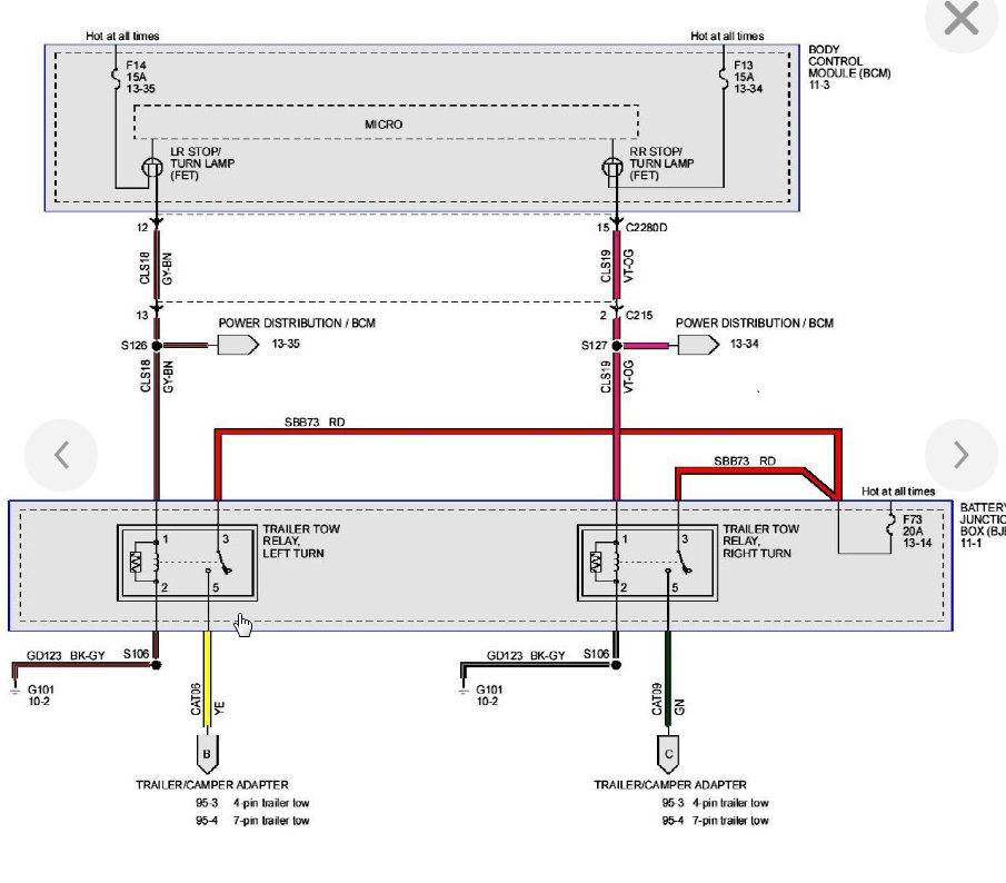
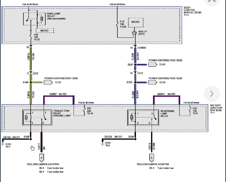
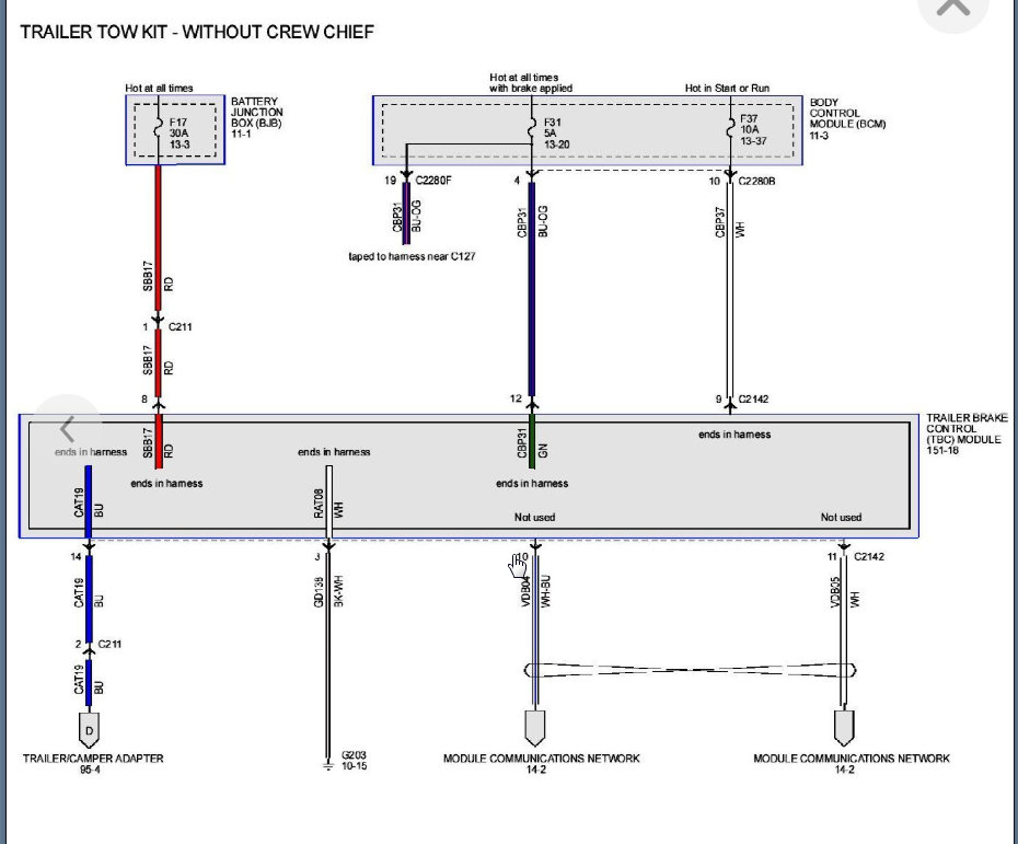
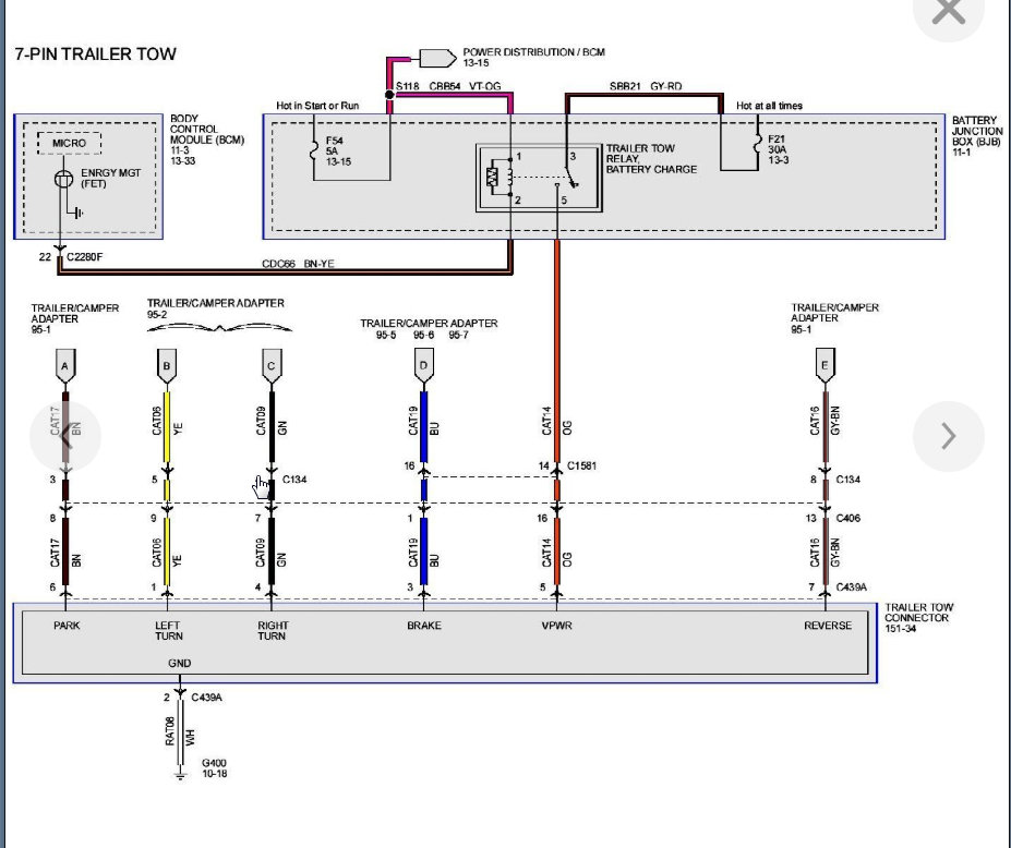
The truck turn lights all work. There's no power for the right turn at 7 pin receptacle. The tail, and left turn lights are okay. I have the checked the TT right turn relay and is okay.
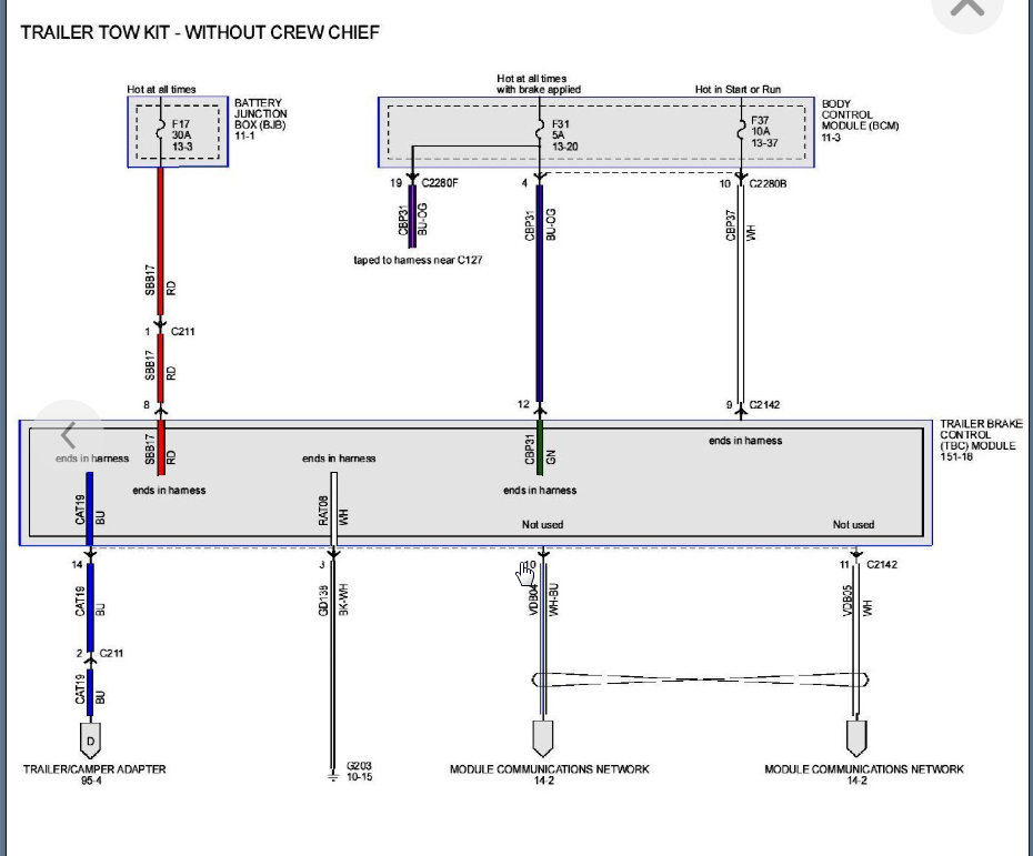
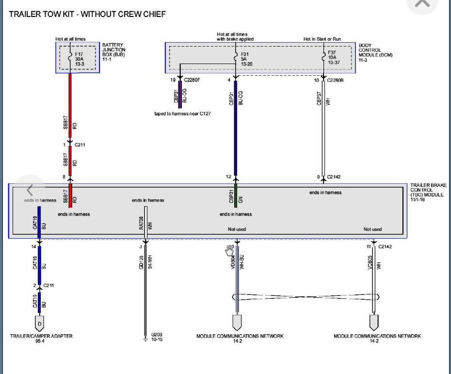
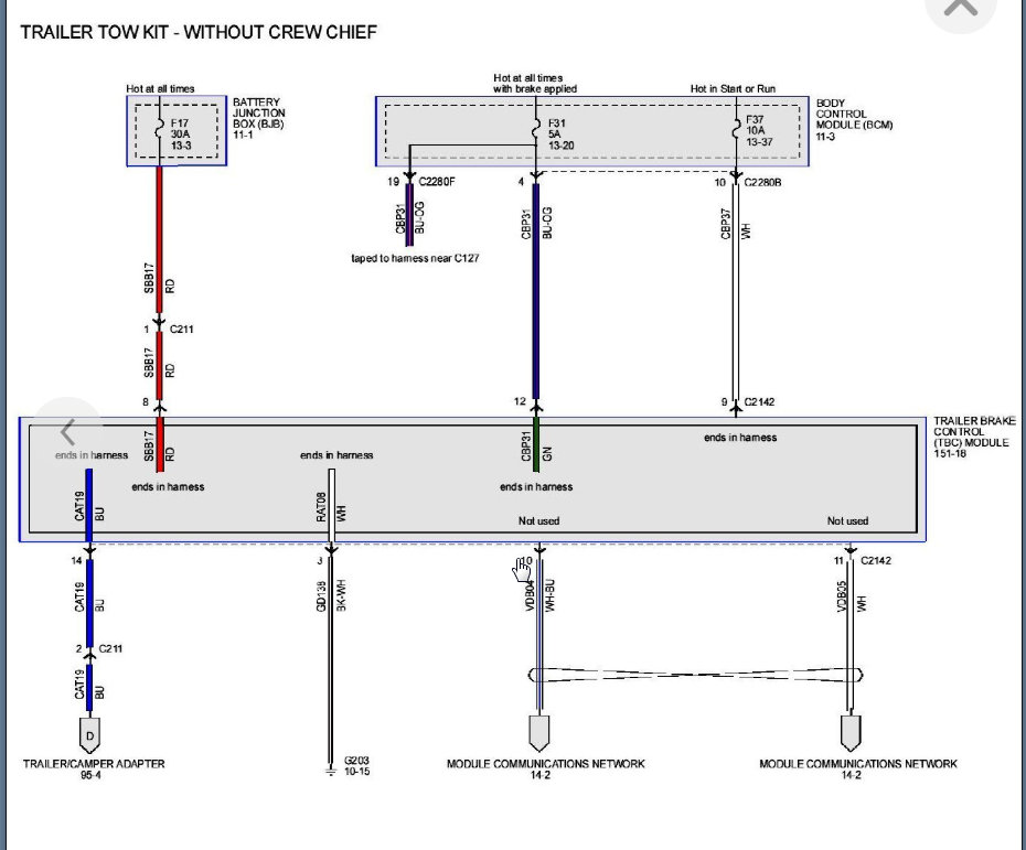
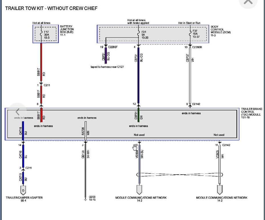
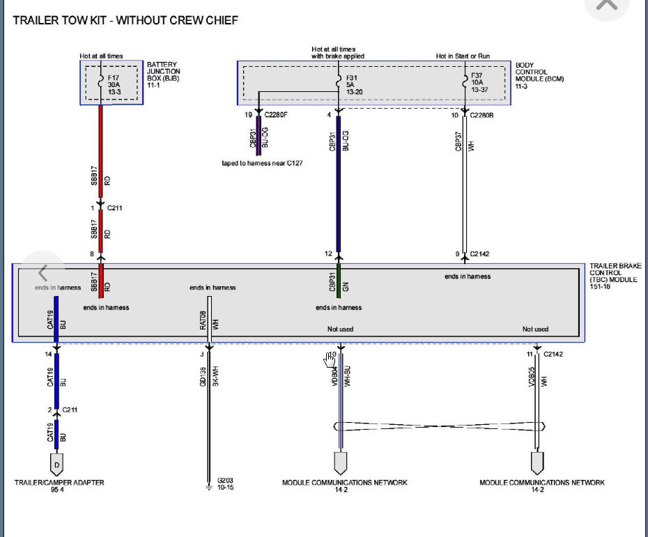
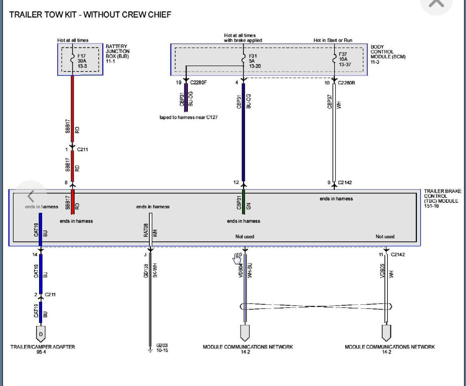
Wiring diagrams for TT lights would be very helpful.
thanks for help,
Gayle
Friday, June 28th, 2019 AT 5:37 PM





















