Wednesday, September 26th, 2018 AT 8:19 PM
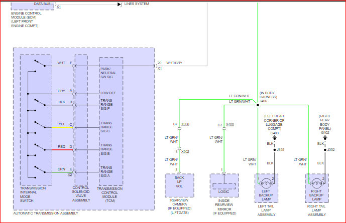
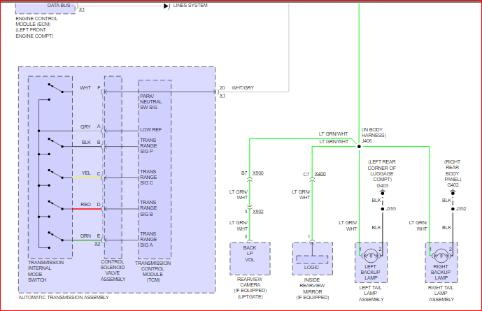
I need to find out where to check for fuse, module location before replacing tail light assembly. Any help on which fuse box, front, back, passenger front compartment would be helpful, plus which fuse? Module? Location to look at. Thanks





