Saturday, September 5th, 2015 AT 7:36 PM
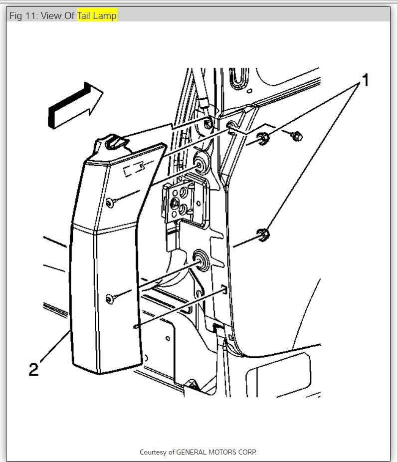
My right lamp is out but my brake light still works. When I drive I only have one tail light working (left side). When I put my right signal on it works but it flashes fast I do not know if I need a whole lamp or is there a replacement lights. I do not want the police tripping on me with one tail lamp on. Please I need answer on what to do.






