When attempting to start the vehicle the engine revs high and then it shuts off

Tiny
DANI ZATELLI
  • MEMBER
  • 2006 HYUNDAI TIBURON
  • 2.7L
  • V6
  • MANUAL
  • 147,000 MILES
I have had issues with my car. Now it's trying to start but revs way too high and shuts right down. It's not the starter or battery I just replaced BCM due to a fire and starter. Tomorrow is my birthday and all I want is my car fixed. Please help me.
Monday, February 22nd, 2021 AT 10:54 AM

6 Replies

Tiny
KASEKENNY
  • MECHANIC
  • 18,907 POSTS
This sounds like it is a theft issue as that is common when it is an active security event. Is the theft light remaining on?

https://www.2carpros.com/articles/how-to-reset-a-security-system

If not then we need to check the fuel pressure as it may be loosing its prime when you start the vehicle. So let's use this guide and test the fuel pressure after the engine starts and stalls:

https://www.2carpros.com/articles/how-to-check-fuel-system-pressure-and-regulator

The last most likely cause is the idle control has failed.

https://www.2carpros.com/articles/how-to-replace-an-idle-speed-control-motor-iac

Below you will find the detail about your idle control. If nothing else, I would replace this and retest the issue.

Let us know if you have questions. Thanks
Was this
answer
helpful?
Yes
No
Tuesday, February 23rd, 2021 AT 5:42 PM
Tiny
DANI ZATELLI
  • MEMBER
  • 4 POSTS
It record really high a couple more times then like magic it leveled out. But I have no lights brake or turn signals and I have headlights but when I switch them off they stay on until I shut off the car. Also to start it I have to take the relay cover off and just touch it and it starts right up. I'm so confused.
Was this
answer
helpful?
Yes
No
Wednesday, February 24th, 2021 AT 2:16 AM
Tiny
KASEKENNY
  • MECHANIC
  • 18,907 POSTS
The lights issue sounds like a different issue so let's get a new post started for that but if you can clarify what you are touching in the relay cover to get the engine to start that would help.

It sounds like there is a loose relay so we need to narrow this down. If you can notice what you are touching to get it to start and then get a picture of that or tell me what it is and we can dig further into that.

Let me know. Thanks
Was this
answer
helpful?
Yes
No
Wednesday, February 24th, 2021 AT 7:23 PM
Tiny
DANI ZATELLI
  • MEMBER
  • 4 POSTS
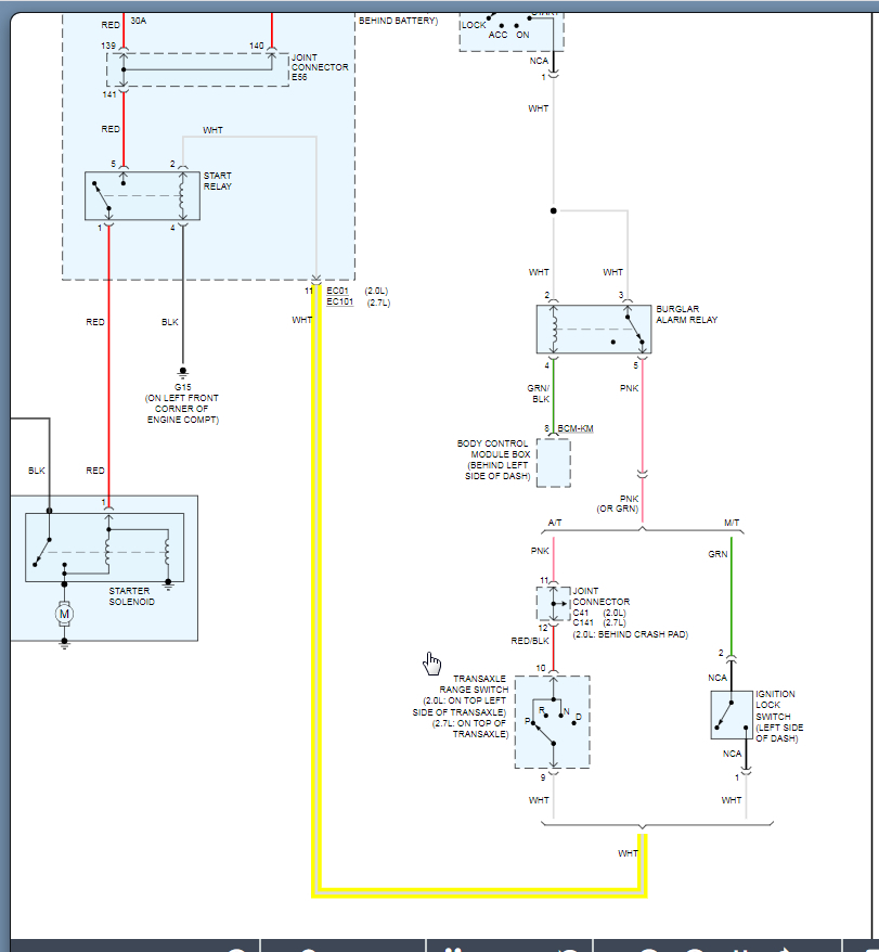
I am touching the starter relay the one next to the main relay the copper inside of the relay itself.
Was this
answer
helpful?
Yes
No
Thursday, February 25th, 2021 AT 8:57 AM
Tiny
DANI ZATELLI
  • MEMBER
  • 4 POSTS
And I'm touching it with my finger I take the cover off of the relay itself and then just touch it. Starts every time like that. I'm going to take a pic of it here in a few minutes.
Was this
answer
helpful?
Yes
No
Thursday, February 25th, 2021 AT 8:58 AM
Tiny
KASEKENNY
  • MECHANIC
  • 18,907 POSTS
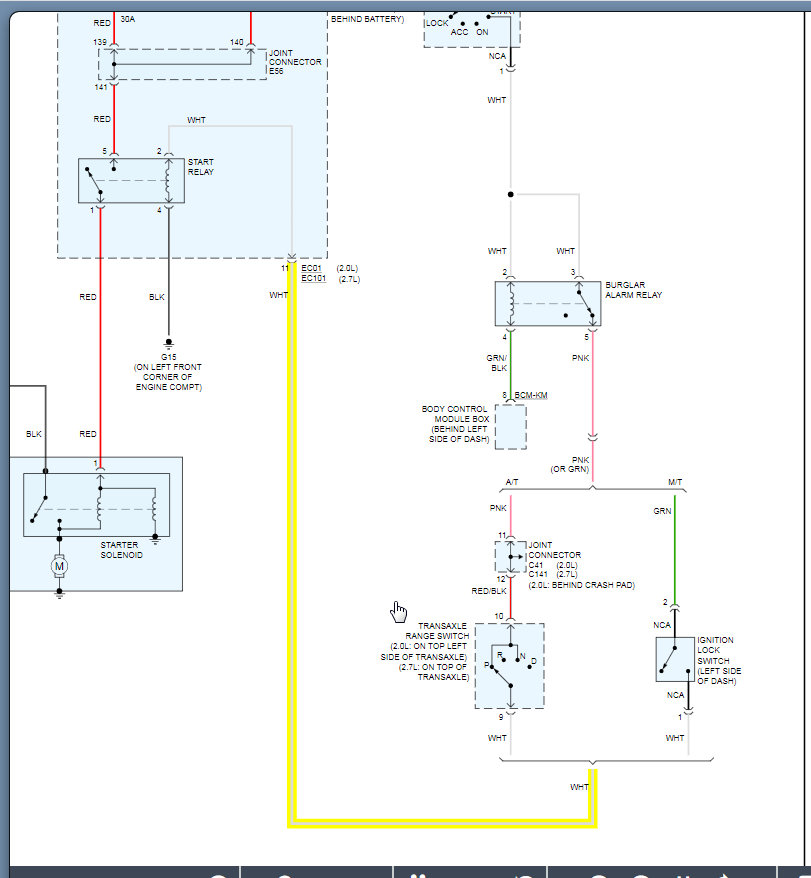
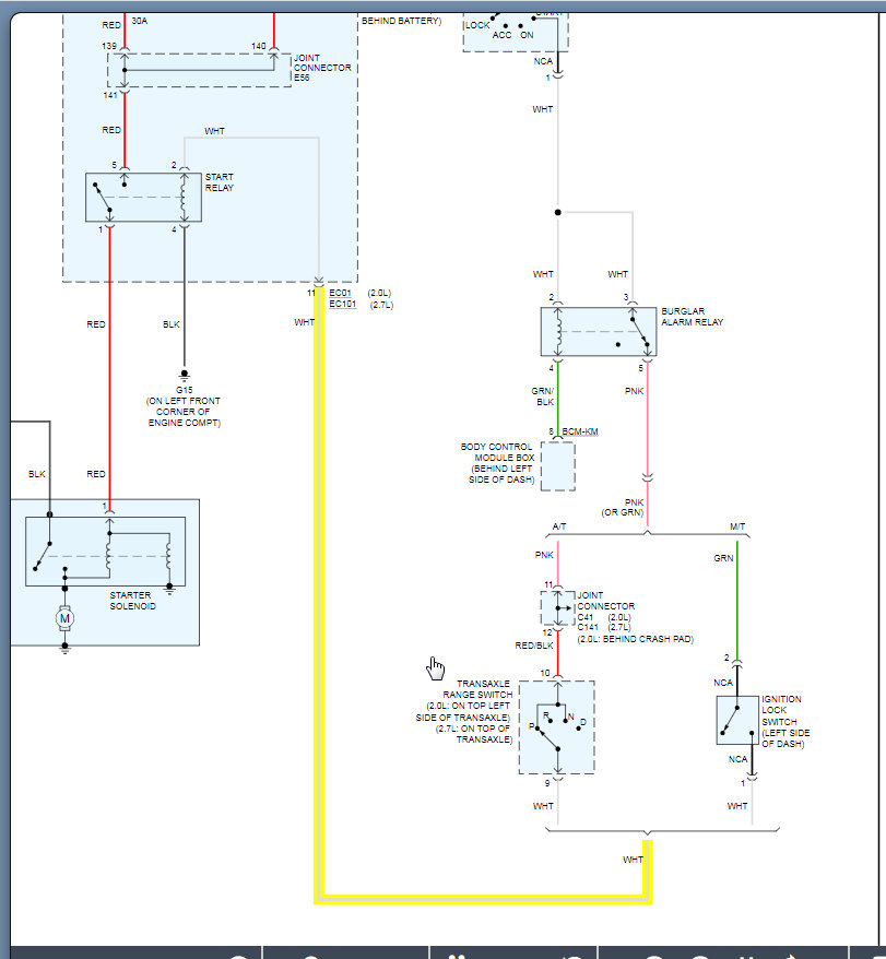
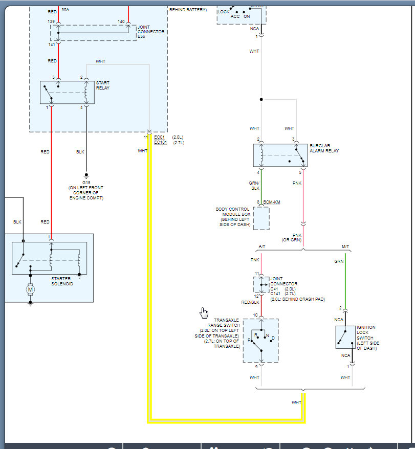
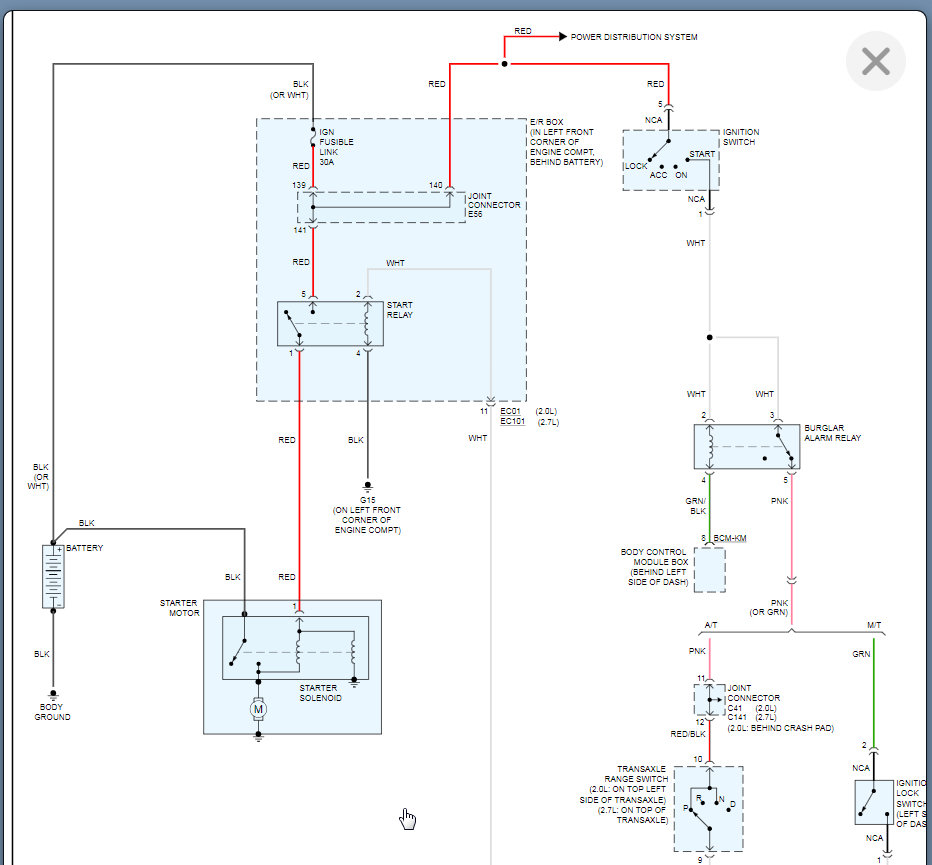
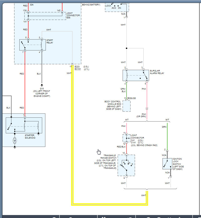
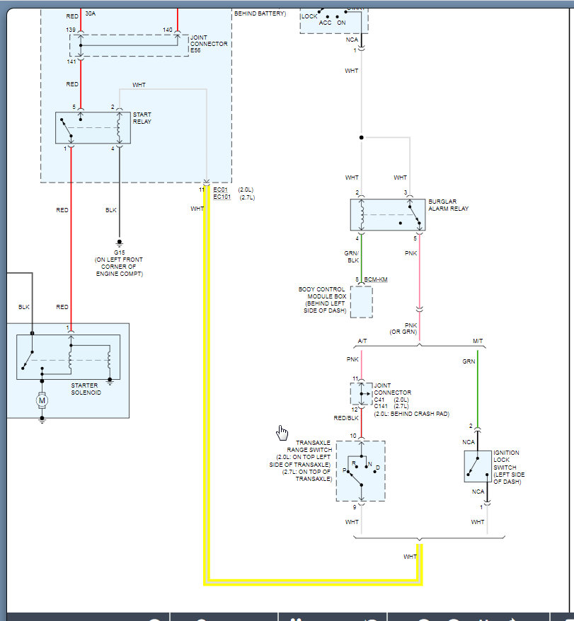
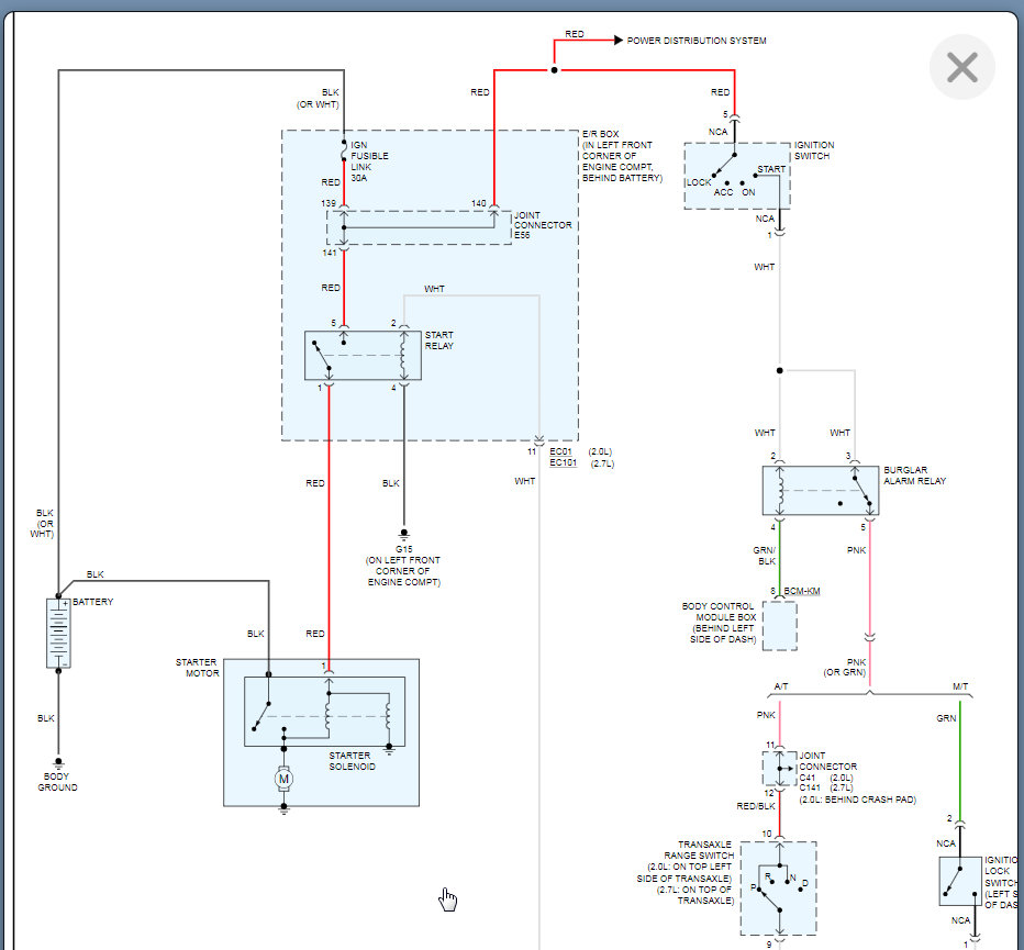
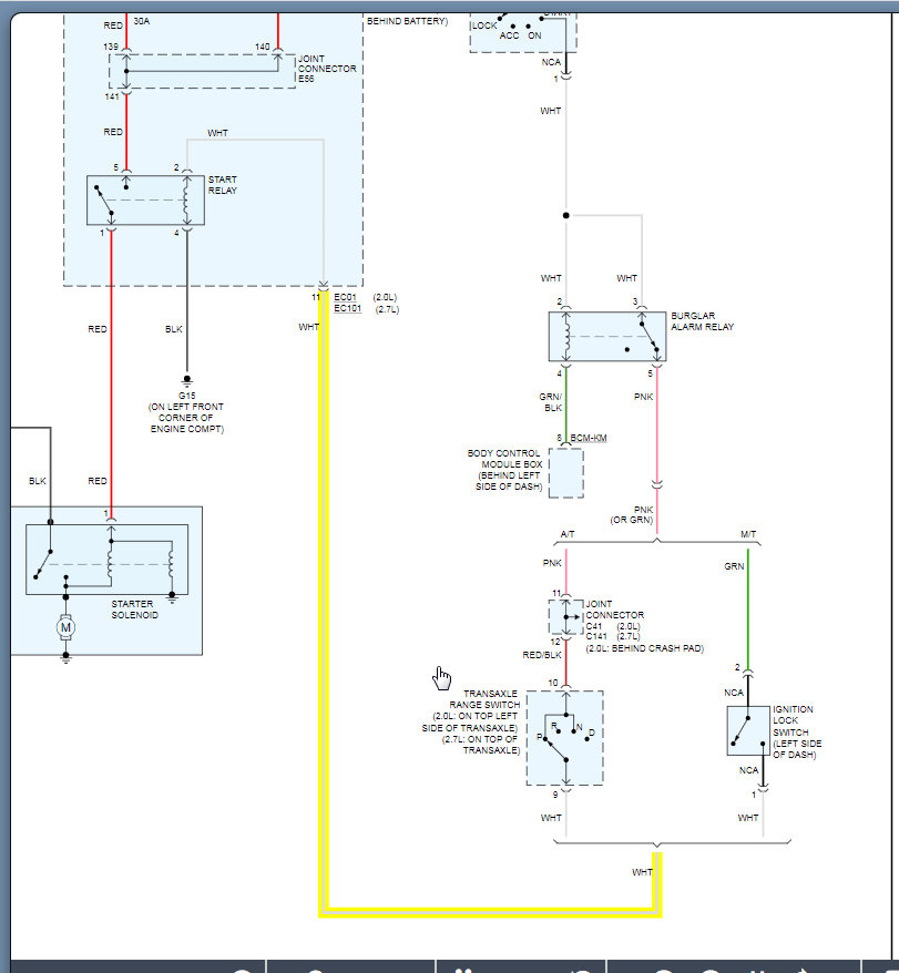
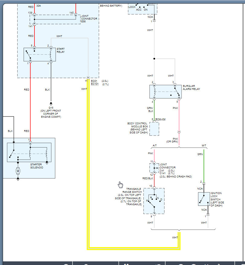
That is great info. So what you are doing is closing the relay yourself rather then the coil side of the relay where it energizes when power is applied to it and it pulls the contact closed.

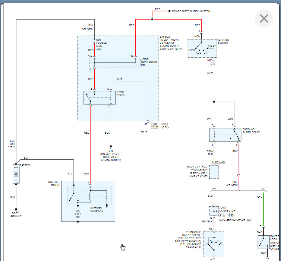
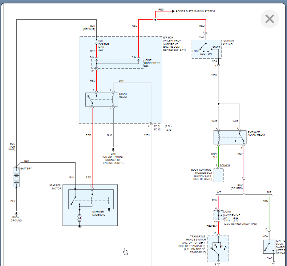
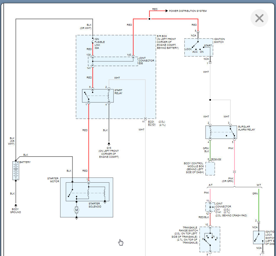
This means that highlighted wire is not supplying voltage. So either the alarm relay has failed or the ignition lock switch (on manual transmissions) has failed or the BCM is not grounding the alarm relay.

Let's go to the ignition switch and test for voltage coming in. If you have it coming in on the green wire then you can just the switch and the engine should start. This proves the switch is the issue.

Let's start with this and go from there.

Let me know what questions you have.
Was this
answer
helpful?
Yes
No
Thursday, February 25th, 2021 AT 6:40 PM

Please login or register to post a reply.