Friday, July 22nd, 2022 AT 9:45 AM
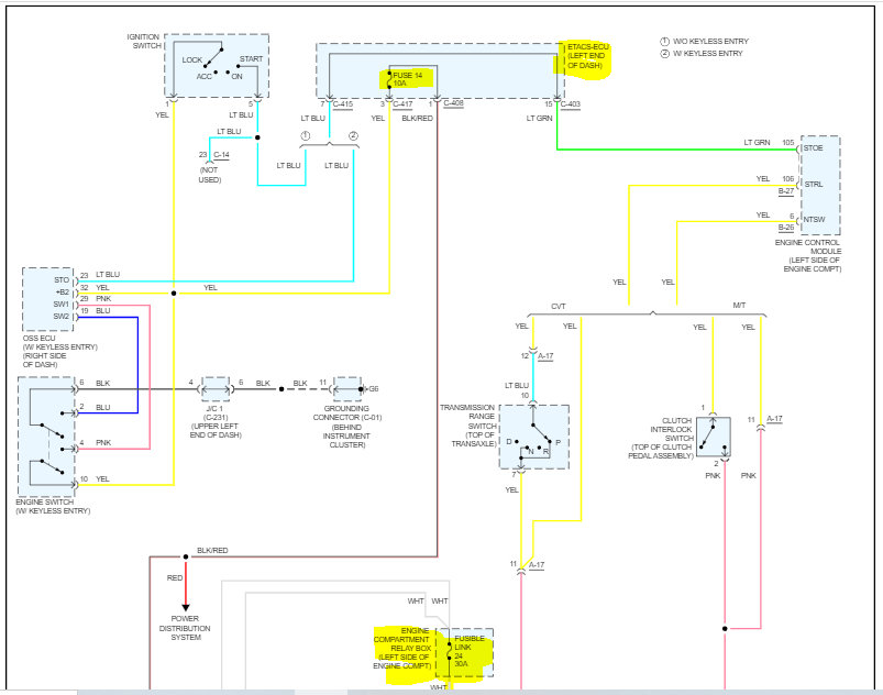
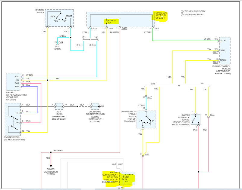
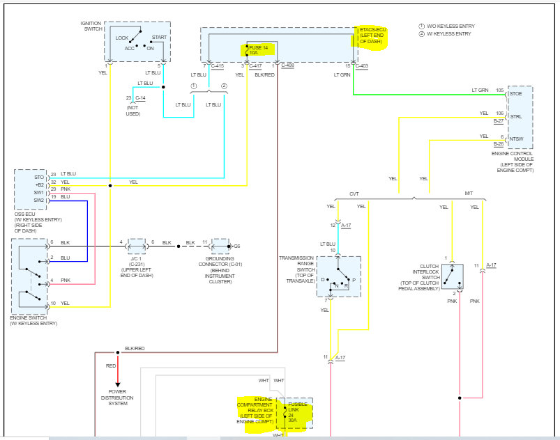
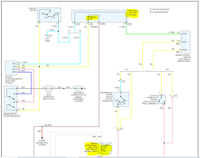
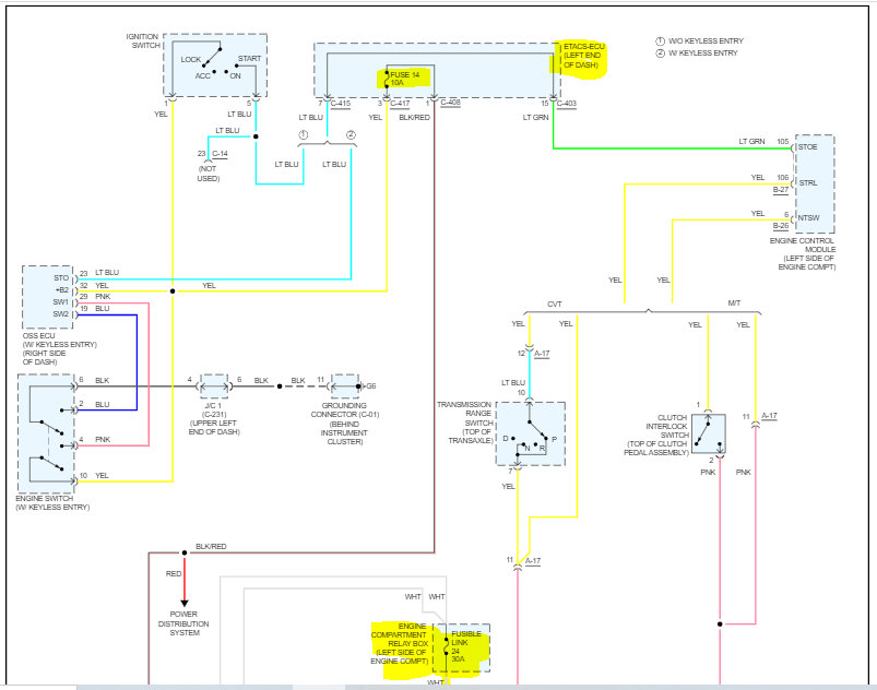
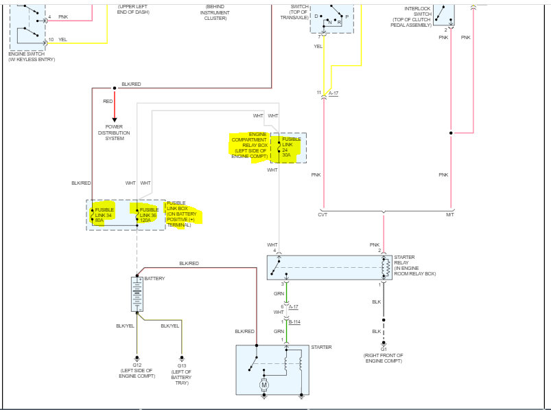
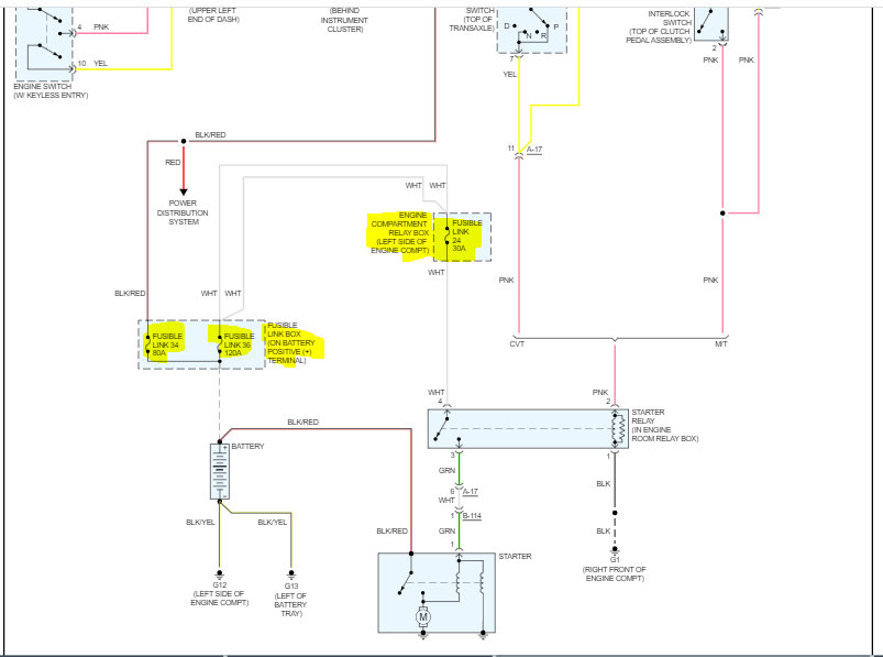
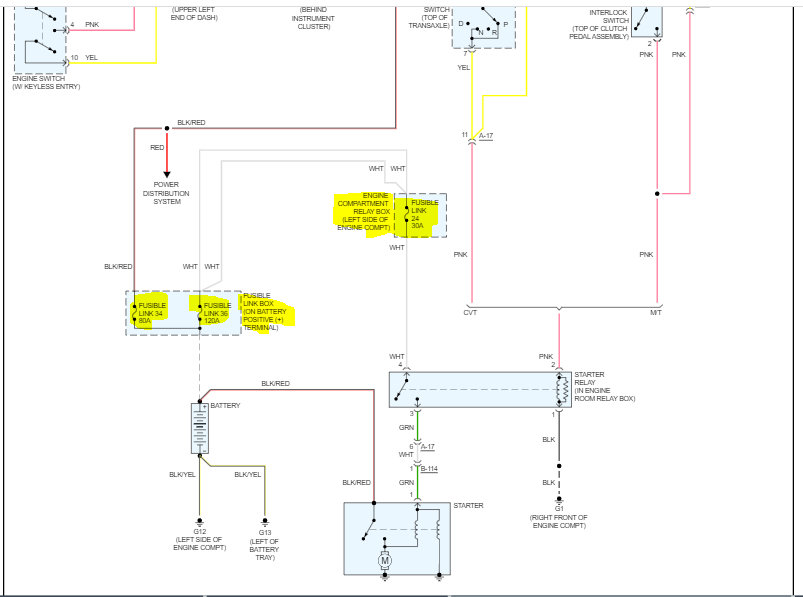
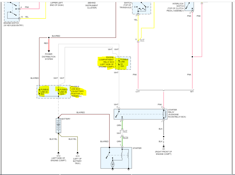
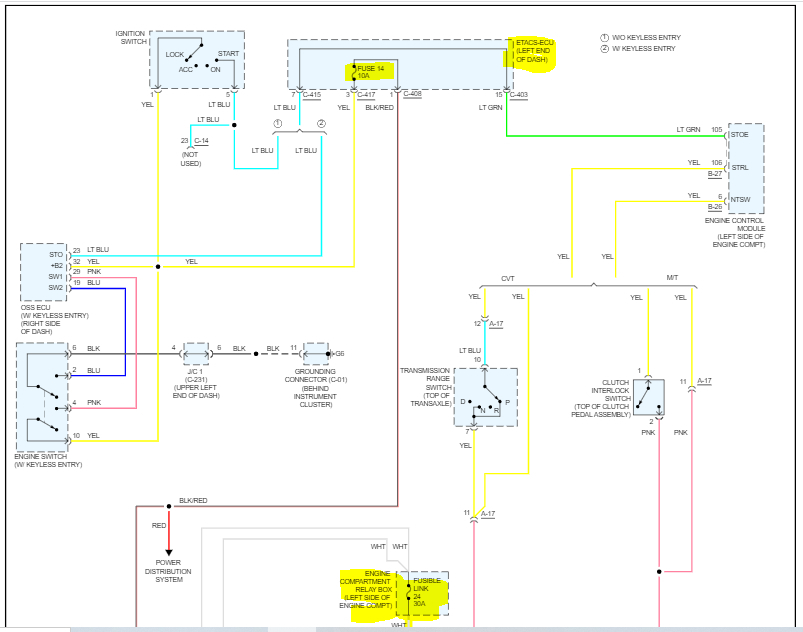
My battery kept draining over a 3-day period, I kept having to get it jumped off, so I went to AutoZone to have them check the battery, alternator, starter and they couldn't check past the battery because it was bad. We got a new battery and my husband hooked it up backwards, the horn started going off, I got out of the car and that's when I noticed it was hooked up backwards. After that, interior lights, power door locks and radio would not work and of course the vehicle wouldn't start. We replaced the battery, replaced the fuse on the positive battery terminal because it was blown and the fuse for the radio. Everything started working again but the vehicle still won't turn over. We have unhooked the battery and let it sit, tried different things with the key fob but we weren't sure if we were doing the right thing because we couldn't find very much information on it, switched around some of the relays and nothing will work. When you try to start it you just hear a slight click noise. If you could help, I would greatly appreciate it. The Mitsubishi dealership wouldn't even give me any advice over the phone they just wanted me to bring it in, but there isn't a dealership in my town so I would have to have it towed over fifty miles.



