Hello,
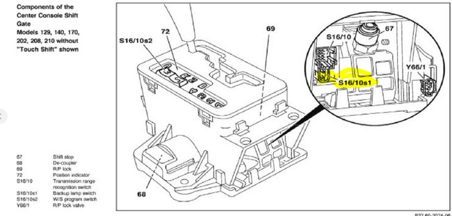
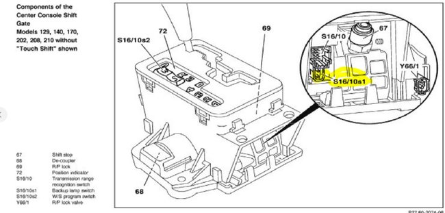
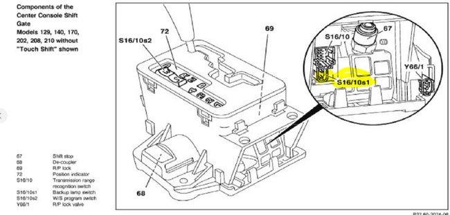
The reverse lights not working at all. checked the bulbs found okay, when releasing the gear to the reverse the light not coming up at all, checked the fuses found all okay in front and in the trunk beside I don't know if there is a fuse for the reverse lights.
Please help, thanks
RAMZI
The reverse lights not working at all. checked the bulbs found okay, when releasing the gear to the reverse the light not coming up at all, checked the fuses found all okay in front and in the trunk beside I don't know if there is a fuse for the reverse lights.
Please help, thanks
RAMZI
Apr 9, 2021 at 8:56 PM








