HOME
ASK A QUESTION
REPAIR GUIDES
BECOME A MEMBER
LOG IN
Login with Facebook
OR
Remember me
NOT A MEMBER?
FORGOT PASSWORD?
CONTACT US
PRIVACY POLICY
TERMS AND CONDITIONS
☰
Home
Toyota
Corolla
Exterior Light
Reverse Light
Not Working
Reverse light not working?
SMAN CARUSO
MEMBER
1998 TOYOTA COROLLA
1.8L
4 CYL
2WD
AUTOMATIC
236,000 MILES
My reverse light suddenly stopped working troubleshooting done:
Gauge tested
Fuse tested
Bulb tested
Looking for the reverse knock switch.
The transmission is a 4AFE.
Wednesday, November 2nd, 2022 AT 12:11 PM
2 Replies
AL514
MECHANIC
5,547 POSTS
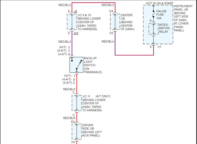
Hello, here is the location and wiring diagrams for the Back Up Light Switch. And a couple guides to help with testing.
https://www.2carpros.com/articles/how-to-use-a-test-light-circuit-tester
https://www.2carpros.com/articles/how-to-use-a-voltmeter
Images (Click to make bigger)
Was this
answer
helpful?
Yes
No
Wednesday, November 2nd, 2022 AT 1:56 PM
SMAN CARUSO
MEMBER
2 POSTS
Awesome, that was really quick response.
Was this
answer
helpful?
Yes
No
Wednesday, November 2nd, 2022 AT 2:19 PM
Please
login
or
register
to post a reply.
Related Reverse Light Not Working Content
Problem With Tailights
1991 Toyota Corolla Dx, 1.6l Both Brake, Tail, And Back-up Lights Work Until I Step On The Brake Or Put The Car In Reverse. When I Do...
Asked by
CaliforniaKenPhd
·
2 ANSWERS
1 IMAGE
1991
TOYOTA COROLLA
1993 Toyota Corolla Back Light
Hey Guys, One Of My Back Light Work While The Other Is Dead. I Check The Fuse And The Bulb And They Looked Fine. When I Step On The...
Asked by
LorVang
·
1 ANSWER
1993
TOYOTA COROLLA
Problem With Tailights
Both Brake, Tail, And Back-up Lights Work Until I Step On The Brake Or Put The Car In Reverse. When I Do The Right Rear (passenger) Side...
Asked by
CaliforniaKenPhd
·
1 ANSWER
1991
TOYOTA COROLLA
Parking Lights Will Not Turn Off
Hello, The Parking Lights On My Car Will Not Turn Off Even After I Turn The Car Off. It Drains My Battery And I Have No Clue Why This...
Asked by
mkangelheart1
·
2 ANSWERS
6 IMAGES
2001
TOYOTA COROLLA
Brake Light Turn On When I Turn My Lights On
I Have A 91 Corolla And When I Turn The Lights On The Brake Lights Light Up, Also When I Hit The Brakes When The Light Are Turned Off The...
Asked by
cliffmunk3
·
1 ANSWER
TOYOTA COROLLA
VIEW MORE
Ask a Car Question. It's Free!
How to Use a Test Light
Have a Dim Headlight? - Try Replacing This!
Turn Signals Blink Fast