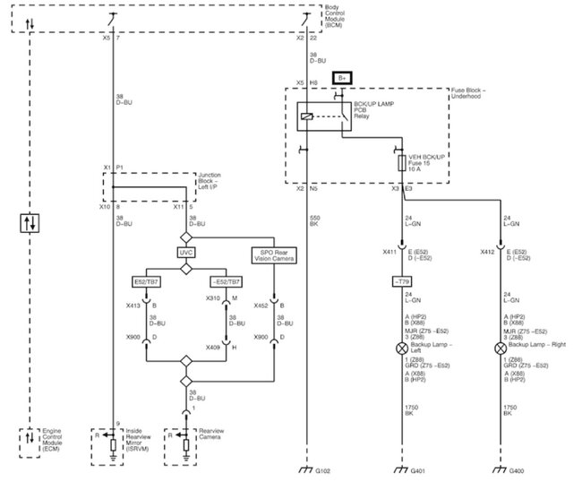
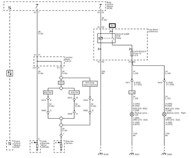
The fuses are good and I am measuring voltage at the light itself which is zero.
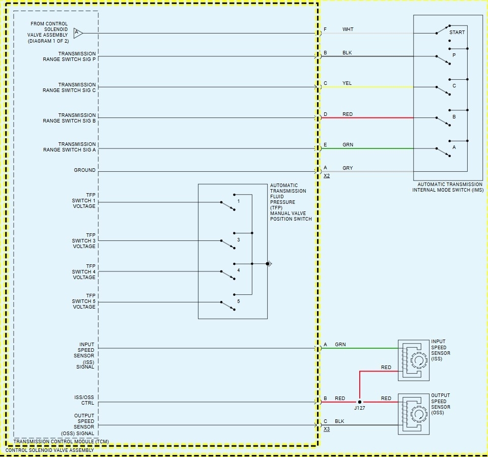
I suspect it is the reverse switch located somewhere on the transmission but I have not been able to determine where.
The transmission is apparently a 6L80 because this 2013 Suburban is a 2500 4x4.
Looking for a location/part to swap or check out.
Saturday, August 23rd, 2025 AT 8:10 PM







