Sunday, March 19th, 2023 AT 2:12 PM
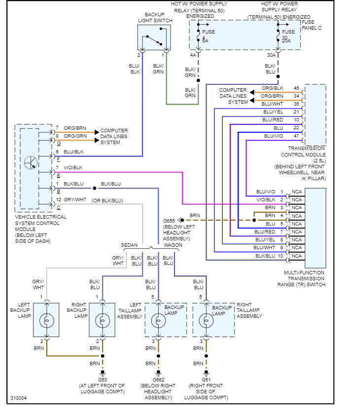
I have a Sony xav-ax1000. I watched a video on how to wire up the cam. I just want to run the camera by pressing the cam button on the touch screen. It has a reverse wire hooked up but I think it's interfering or perhaps shouldn't be connected at all. The problem is the camera comes on in every gear but reverse. I can't get off the cam unless I go to reverse. I have ground in the rear and a power wire connected to the video cable power wire. Other end of video cable to rear of deck and video power wire to 12v power for the deck. Anyone know the solution?




