Reverse backup lamp switch location

Tiny
BILLSOROSS
  • MEMBER
  • 2008 CHEVROLET COBALT
  • 2.4L
  • 2WD
  • AUTOMATIC
  • 65,000 MILES
Where is the back up light switch on the car listed above SS model?

Do you have its image, steps to replace it?
Tuesday, March 2nd, 2021 AT 1:30 PM

1 Reply

Tiny
STEVE W.
  • MECHANIC
  • 15,700 POSTS
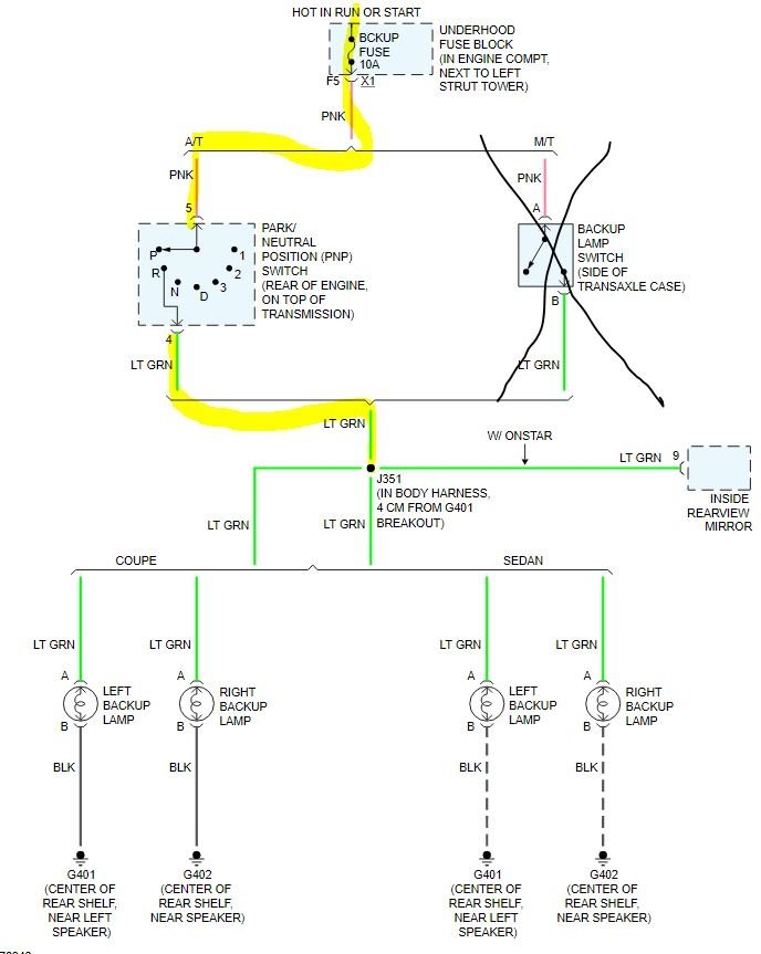
The switch is part of the transmission range sensor located on the top left end of the transmission. To remove it you need to block the wheels and put the shifter into neutral. Then go out under the hood and remove the manual shift lever retaining nut from the top of the shift shaft. Next you disconnect the range switch connector from the switch. Then you can remove the two bolts that secure the switch to the top of the transmission. The process gets reversed to put the new switch on. However you need to be sure not to rotate the shift shaft in the transmission or move the interior shifter out of neutral when you install the new switch. The new switch should come with it in the neutral position. To make sure there are three alignment marks on the switch, two are on the rotating switch sector and the third is on the switch case. They simply line up in a straight line for neutral. Then you place the switch into place and tighten the two bolts down to 15 ft lb. and then place the shift lever onto the shaft and tighten that nut to 26 ft lb. Connect up the switch and then verify that the car will only start in park and neutral. If it does you are done. If not then you need to adjust the switch so that it only starts in those two gear positions. That is why the bolt holes are slotted. Simply loosen the two bolts and rotate the switch until it only starts in park and neutral.

Now with all that said I would do a couple simple tests to be sure it is a bad switch before swapping it, while that can fail it's not a common thing to happen.
To test it you only need a test light and a sewing needle and a dab of sealer like liquid tape, or even nail polish. For the tests you will take the light and connect the clip to a ground, the battery is a good place for that. Then use the test light to verify that the backup lamp fuse in the underhood fuse block has power at both sides by touching the two tabs on the top of the fuse with the test light with the key on. If it has power there then go to the harness for the switch on the top of the transmission. On that connector you need to find two wires. One will be pink and on pin 5 and next to it will be a light green wire on pin 4. The pink wire should have power with the key on, the Lt Green wire will have power with the key on and the transmission in reverse. To test them block the wheels, then turn the key on and use the needle/pin to pierce the insulation on the pink wire first. Now touch the test light to that pin. If the pin is touching the inner conductor the light should come on. Now remove the pin from that wire and repeat the same thing with the light green wire. If the test light comes on in both locations the problem isn't the switch. If it comes on in the pink wire but not the light green it's the switch, if it doesn't come on in either then there is a problem in the pink wire power feed. Once you complete the tests take the liquid tape/nail polish/sealant and put a small dab over the holes you put in the insulation of the two wires. That will seal them against corrosion. Then proceed from there with switch replacement or other circuit repairs as needed.

https://www.2carpros.com/articles/how-to-use-a-test-light-circuit-tester
https://www.2carpros.com/articles/how-to-check-a-car-fuse
Was this
answer
helpful?
Yes
No
Tuesday, March 2nd, 2021 AT 4:46 PM

Please login or register to post a reply.