Replacing timing belt

Tiny
KSTEELE
  • MEMBER
  • 1995 TOYOTA CELICA
  • 1.8L
  • 4 CYL
  • 2WD
  • MANUAL
  • 25,373 MILES
I need to replace my timing belt and I have never done this before. I have worked on cars a little bit, but this is new to me. I have already removed the valve cover and part of the timing belt cover which is all obviously accessed from the top. From here I am totally clueless and need some help! Trying to understand instructions I find online is like reading stereo instructions in french because it makes no sense. Please, if anyone can offer me a more simplified and descriptive step guide for doing this, this almost middle aged tomboy would very much appreciate the help!
Sunday, August 2nd, 2020 AT 6:43 PM

12 Replies

Tiny
JACOBANDNICKOLAS
  • MECHANIC
  • 110,194 POSTS
Hi,

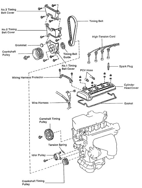
Everything I have shows the 1.8L as having a duel overhead cam. If that is incorrect, let me know. However, here are the directions for removal and replacement of the belt. The attached pictures correlate with the directions. Please take your time and make sure that all timing marks are located as described in the directions; otherwise, the engine won't run and it can cause internal damage to it.

_________________________________________________

Removal

1995 Toyota Celica Liftback L4-107.5 1762cc 1.8L DOHC (7A-FE)
Timing Belt Removal
Vehicle Engine, Cooling and Exhaust Engine Timing Components Timing Belt Service and Repair Procedures Timing Belt Replace Timing Belt Removal
TIMING BELT REMOVAL

See last pic

pic 1

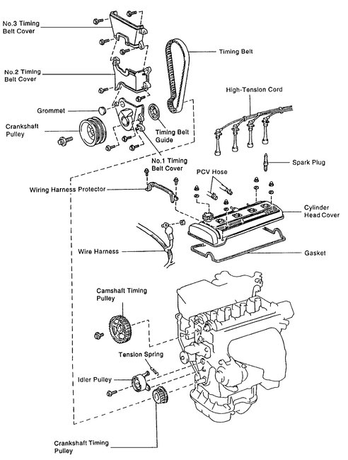
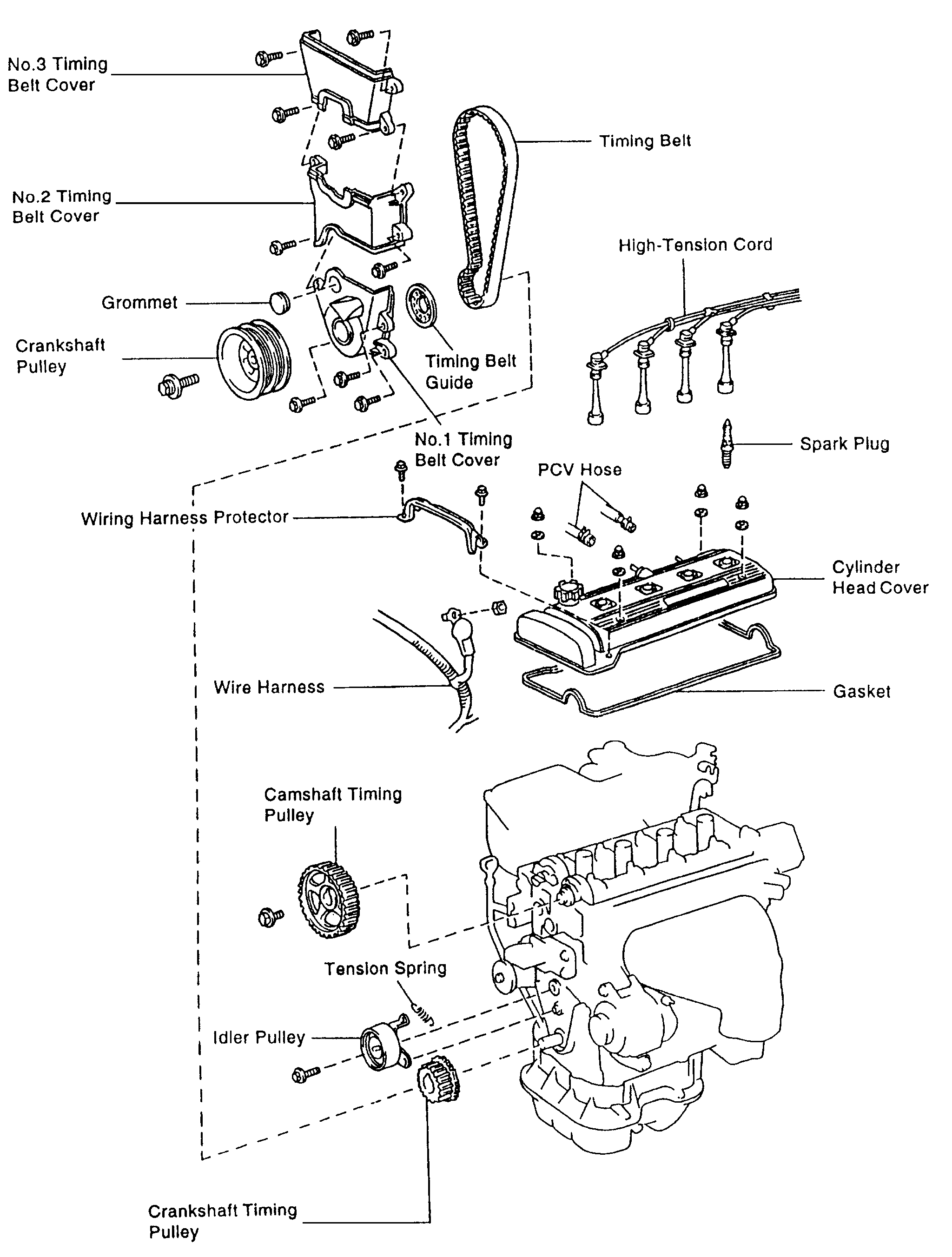
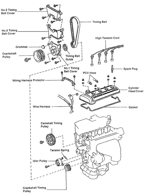
COMPONENTS FOR REMOVAL AND INSTALLATION

1. W/ CRUISE CONTROL SYSTEM: REMOVE CRUISE CONTROL ACTUATOR
(a)Disconnect the actuator connector.

Pic 2

(b)Remove the 3 bolts, and disconnect the actuator with the bracket.
2. REMOVE RH FRONT WHEEL
3. REMOVE RH ENGINE UNDER COVER

pic 3

4. SLIGHTLY JACK UP ENGINE
- Raise the engine enough to remove the weight from the engine mounting on the right side.

HINT: Place a wooden block between the jack and engine.

5. REMOVE RH ENGINE MOUNTING INSULATOR
- Remove the 2 bolts, 4 nuts and insulator.

Pic 4

6. LOOSEN WATER PUMP PULLEY BOLTS
- Stretch the belt tight and loosen the water pump pulley bolts.
7. REMOVE GENERATOR DRIVE BELT
8. W/A/C: REMOVE A/C COMPRESSOR WITHOUT DISCONNECTING HOSES
9. W/A/C: REMOVE A/C COMPRESSOR MOUNTING BRACKET

pic 5

10. REMOVE PS PUMP DRIVE BELT
(a)Loosen the pivot and lock bolts.
(b)Swing PS pump toward the engine and remove the drive belt.
11. DISCONNECT WATER PUMP PULLEY
12. REMOVE CYLINDER HEAD COVER
- Remove the 4 cap nuts, seal washers, and cover and gasket.

Pic 6

13. SET NO.1 CYLINDER TO TDC/COMPRESSION
(a)Turn the crankshaft pulley and align its groove with the timing mark "0", of the No.1 timing belt cover.

Pic 7

(b)Check that the hole of the camshaft timing pulley is aligned with the timing mark of the bearing cap.
If not, turn the crankshaft one revolution (360°).

Pic 8

14. REMOVE CRANKSHAFT PULLEY
(a)Using SST, remove the pulley bolt.

SST 09213-54015,09330-00021

pic 9

(b)Using SST, remove the pulley.

SST 09950-50010 (09951-05010, 09952-05010, 09953-05020, 09954-05030)

pic 10

15. REMOVE TIMING BELT COVERS
- Remove the 9 bolts and timing belt covers.
16. REMOVE TIMING BELT GUIDE
17. REMOVE TIMING BELT

pic 11

HINT: If reusing the timing belt, draw a direction arrow on the belt (in the direction of engine revolution), and place matchmarks on the pulleys and belt as shown in the illustration.

Pic 12

(a)Loosen the mounting bolt of the idler pulley and shift pulley toward the left as far as it will go and then temporarily tighten it.
(b)Remove the belt.

Pic 13

18. REMOVE IDLER PULLEY AND TENSION SPRING
- Remove the bolt, pulley and tension spring.

Pic 14

19. REMOVE CRANKSHAFT TIMING PULLEY
- If the pulley cannot be removed by hand, use 2 screwdrivers.

Pic 15

20. REMOVE CAMSHAFT TIMING PULLEY
- Hold the hexagonal head wrench portion of the camshaft with a wrench, and remove the bolt and timing pulley.

NOTICE: Be careful not to damage the cylinder head with the wrench.

_____________________________

Install

1995 Toyota Celica Liftback L4-107.5 1762cc 1.8L DOHC (7A-FE)
Timing Belt Installation
Vehicle Engine, Cooling and Exhaust Engine Timing Components Timing Belt Service and Repair Procedures Timing Belt Replace Timing Belt Installation
TIMING BELT INSTALLATION
1. INSTALL CAMSHAFT TIMING PULLEY

HINT: Align the camshaft knock pin with the knock pin groove of the pulley, and slide the timing pulley on the camshaft.

Torque: 59 Nm (600 kgf-cm, 43 ft-lb)

2. INSTALL CRANKSHAFT TIMING PULLEY
(a)Align the pulley set key with the key groove of the pulley.
(b)Slide the timing pulley on the crankshaft, facing the flange side inward.

Pic 16

3. TEMPORARILY INSTALL IDLER PULLEY AND TENSION SPRING
(a)Install the idler pulley with the bolt. Do not tighten the bolt yet.
(b)Install the tension spring.
(c)Push the pulley toward the left as far as it will go and tighten the bolt.

Pic 17

4. SET NO.1 CYLINDER TO TDC/COMPRESSION
(a)Turn the hexagonal wrench head portion of the camshaft, and align the hole of the camshaft timing pulley with the timing mark of the bearing cap.

Pic 18

(b)Using the crankshaft pulley bolt, turn the crankshaft and align the timing marks of the crankshaft timing pulley and oil pump body.
5. INSTALL TIMING BELT

NOTICE: The engine should be cold.

Pic 19

HINT: If reusing the timing belt, align the points marked during removal, and install the belt with the arrow pointing in the direction of engine revolution.

Pic 20

Install the timing belt. And check the tension between the crankshaft timing pulley and camshaft timing pulley.
6. CHECK VALVE TIMING
(a)Loosen the idler pulley bolt.

Pic 21

(b)Slowly turn the crankshaft 2 revolutions from TDC to TDC.

NOTICE: Always turn the crankshaft clockwise.

Pic 22

(c)Check that each pulley aligns with the timing marks as shown in the illustration.
If the timing marks do not align, remove the timing belt and reinstall it.
(d)Tighten the idler pulley bolt.

Torque: 37 Nm (375 kgf-cm, 27 ft-lb)

pic 23

7. Reference: CHECK TIMING BELT DEFLECTION
- Check that there is belt deflection at the position indicated in the illustration.

At 20 N (2 kgf, 4.4 lbf): 5-6 mm (0.20-0.24 in.)

pic 24

If the deflection is not as specified. Readjust with the idler pulley.
8. INSTALL TIMING BELT GUIDE
(a)Remove the temporarily installed crankshaft pulley bolt.

Pic 25

(b)Install the guide, facing the cup side outward.
9. INSTALL TIMING BELT COVERS

Torque: 7.4 Nm (75 kgf-cm, 65 in-lb)

10. INSTALL CRANKSHAFT PULLEY

Torque: 118 Nm (1,200 kgf-cm, 87 ft-lb)

11. INSTALL CYLINDER HEAD COVER
12. INSTALL WATER PUMP PULLEY AND PS PUMP
13. PS PUMP DRIVE BELT
14. W/A/C: INSTALL A/C COMPRESSOR MOUNTING BRACKET

Torque: 47 Nm (480 kgf-cm, 35 ft-lb)

15. W/A/C: INSTALL A/C COMPRESSOR
16. INSTALL GENERATOR DRIVE BELT
17. TIGHTEN WATER PUMP PULLEY BOLTS

Torque: 9.3 Nm (95 kgf-cm, 82 in-lb)

pic 26

18. INSTALL RH ENGINE MOUNTING INSULATOR
- Install the mounting insulator with the 2 bolts and 4 nuts.

Torque:
Bolt: 64 Nm (650 kgf-cm. 47 ft-lb)
Nut A: 52 Nm (530 kgf-cm, 38 ft-lb)
Nut B: 28 Nm (290 kgf-cm, 21 ft-lb)

19. INSTALL RH ENGINE UNDER COVER
20. INSTALL RH FRONT WHEEL
21. W/ CRUISE CONTROL SYSTEM: INSTALL CRUISE CONTROL ACTUATOR

____________________

Let me know if this helps. If you have other questions, let me know.

Take care,
Joe
Was this
answer
helpful?
Yes
No
+1
Sunday, August 2nd, 2020 AT 9:23 PM
Tiny
KSTEELE
  • MEMBER
  • 10 POSTS
Thank you very much for the instructions! I have made extreme progress! However, I have reached a stand-still again. Any suggestions on how to hold the camshaft pulley still without the SST or impact wrench? I have a breaker bar and a hand drill (not sure if I can make that work or not) and the proper fitting socket and ratchet, but that's all.
Was this
answer
helpful?
Yes
No
Thursday, August 6th, 2020 AT 12:21 PM
Tiny
JACOBANDNICKOLAS
  • MECHANIC
  • 110,194 POSTS
If you look at pic 16 above, it shows a crescent wrench holding the hex shaped section on the cam. That is the only way I know to do it. Do you have any open ended wrenches or a crescent wrench that would fit?

Joe
Was this
answer
helpful?
Yes
No
Thursday, August 6th, 2020 AT 11:44 PM
Tiny
KSTEELE
  • MEMBER
  • 10 POSTS
It took me almost 2 weeks and a lot of blood sweat and tears, but I finally managed to get that stupid bolt loose and remove that darn pulley! Timing belt is finally removed! Now, the challenge of putting it all back together. It ended up taking a heavy duty impact wrench to get the thing to get loose.
Was this
answer
helpful?
Yes
No
Wednesday, August 26th, 2020 AT 3:42 PM
Tiny
JACOBANDNICKOLAS
  • MECHANIC
  • 110,194 POSTS
Wow! It shouldn't have been that tight. As far as replacement, do you have any questions? Do you need help with anything?

Joe
Was this
answer
helpful?
Yes
No
Wednesday, August 26th, 2020 AT 7:12 PM
Tiny
KSTEELE
  • MEMBER
  • 10 POSTS
No, it shouldn't have been as hard to remove as it was. Not sure why it was. But belt is now on and so are the belt covers. I am now at the point of replacing valve cover gaskets. With that gasket came the gaskets that go in the cover around the spark plugs. Am I supposed to use gasket sealer for these?
Was this
answer
helpful?
Yes
No
Thursday, August 27th, 2020 AT 2:31 PM
Tiny
JACOBANDNICKOLAS
  • MECHANIC
  • 110,194 POSTS
Hi,

If you are referring to the rubber o-ring seals for the plug towers, just make sure everything is clean and dry. Then, place a thin film of motor oil on the o-rings and install.

When you tighten the valve cover, do it in a uniform manner and tighten the bolts to 52 inch/pounds (not foot pounds).

Let me know how things go for you or if you have questions.

Joe
Was this
answer
helpful?
Yes
No
Thursday, August 27th, 2020 AT 8:26 PM
Tiny
KSTEELE
  • MEMBER
  • 10 POSTS
Thank you so much. You have been beyond helpful! I got it all put back together, tried starting it (and I was so nervous at this point!).. And she started right up! Been driving it now for a good portion of the day on and off and so far no issues or troubles showing their annoying little heads. Keeping my fingers crossed though. Thanks again! You rock!
Was this
answer
helpful?
Yes
No
Monday, August 31st, 2020 AT 5:51 PM
Tiny
KSTEELE
  • MEMBER
  • 10 POSTS
Not sure if you would answer this question or not, but how would it be possible to know that the proper amount of engine oil has been added to a vehicle but no oil is showing on the dipstick?
Was this
answer
helpful?
Yes
No
Monday, August 31st, 2020 AT 5:53 PM
Tiny
JACOBANDNICKOLAS
  • MECHANIC
  • 110,194 POSTS
Hi,

That's a tough one. If it's isn't on the stick and the stick is properly installed and the correct one, it sounds low on oil. How much did you add?

Here is what my manual says:

1995 Toyota Celica Coupe L4-107.5 1762cc 1.8L DOHC (7A-FE)
Capacities
Vehicle Engine, Cooling and Exhaust Engine Engine Lubrication Engine Oil Specifications Capacities
CAPACITIES
Engine Oil Refill, Qts. 5S-FE [01]. 4.1
Engine Oil Refill, Qts. 3S-GTE [01]. 4.1

Is that what was added? If so, it will be low if you replaced the filter.

Let me know.

Joe

PS: I'm glad to hear it's running good for you.
Was this
answer
helpful?
Yes
No
Tuesday, September 1st, 2020 AT 6:31 PM
Tiny
KSTEELE
  • MEMBER
  • 10 POSTS
That last question wasn't in reference to my Celica actually, but thank you so much for the info you gave! It actually ended up being helpful anyways.
Once again, this website and the expert advice and instructions given here have helped me pull through a tough mechanic situation. You rock! Thank you!
Was this
answer
helpful?
Yes
No
Monday, September 7th, 2020 AT 6:31 PM
Tiny
JACOBANDNICKOLAS
  • MECHANIC
  • 110,194 POSTS
You are very welcome. I have to be honest. It's a good feeling when you help someone that appreciates it. So again, happy to help.

Please feel free to come back anytime in the future.

Take care,
Joe
Was this
answer
helpful?
Yes
No
Monday, September 7th, 2020 AT 8:09 PM

Please login or register to post a reply.