Replacement fuse for 12V power outlet in the center console

Tiny
WOFTAM
  • MEMBER
  • 2005 MITSUBISHI MAGNA
  • 3.6L
  • V6
  • 2WD
  • AUTOMATIC
  • 110,000 MILES
What is the location of the fuse for 12V power outlet in the center console-mail? What is it labelled as?
Wednesday, October 23rd, 2019 AT 6:09 AM

1 Reply

Tiny
KEN L
  • MASTER CERTIFIED MECHANIC
  • 55,512 POSTS
Hello,

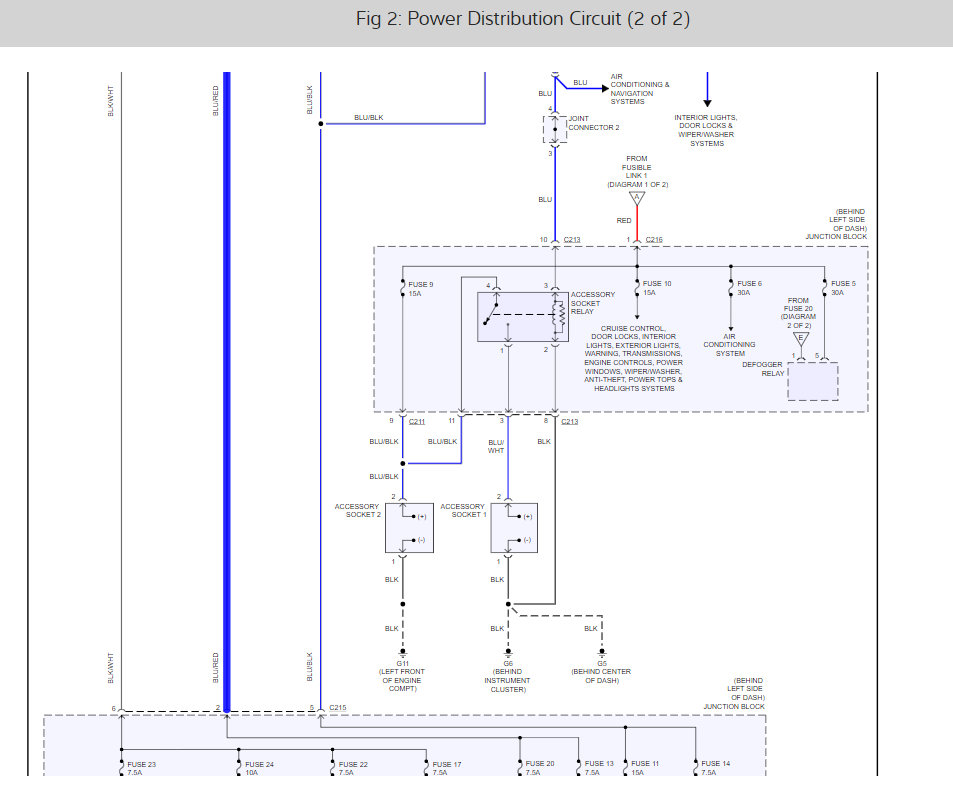
There is a fuse #9 that needs to be checked. but there is also an accessory relay that needs to be checked as well. here is the wiring diagrams so you can see how it works with two guides to help you with the testing:

https://www.2carpros.com/articles/how-to-check-a-car-fuse

and

https://www.2carpros.com/articles/how-to-check-an-electrical-relay-and-wiring-control-circuit

Check out the diagrams (below). Please let us know what you find.
Was this
answer
helpful?
Yes
No
Thursday, October 24th, 2019 AT 1:04 PM

Please login or register to post a reply.