Wednesday, July 19th, 2017 AT 6:03 AM
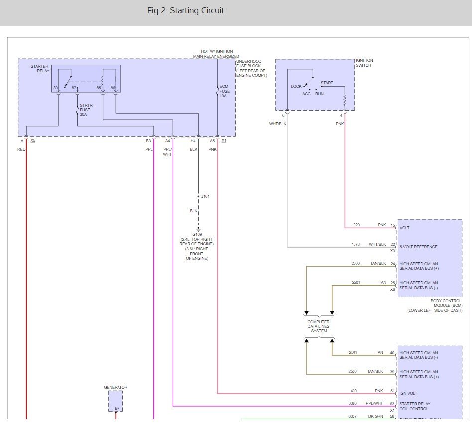
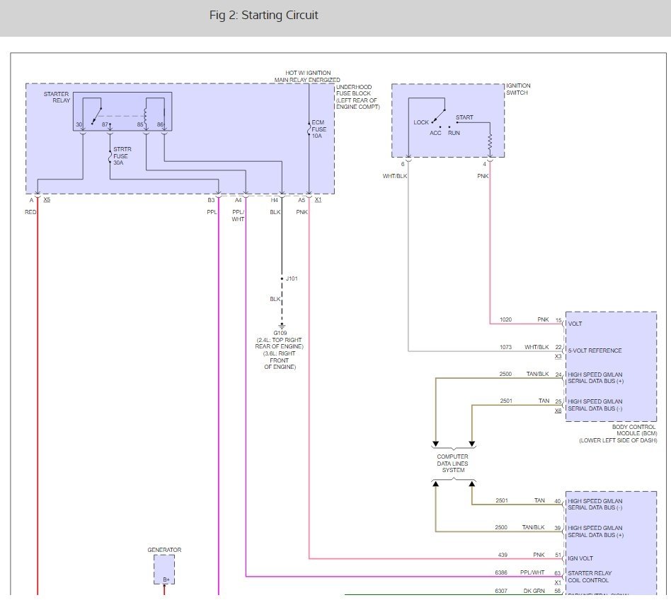
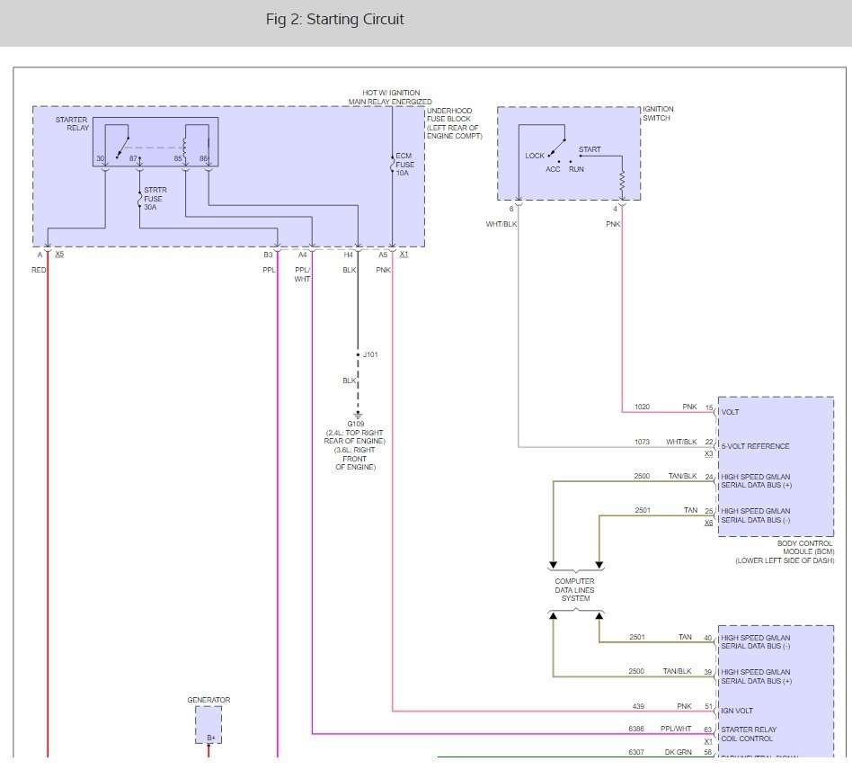
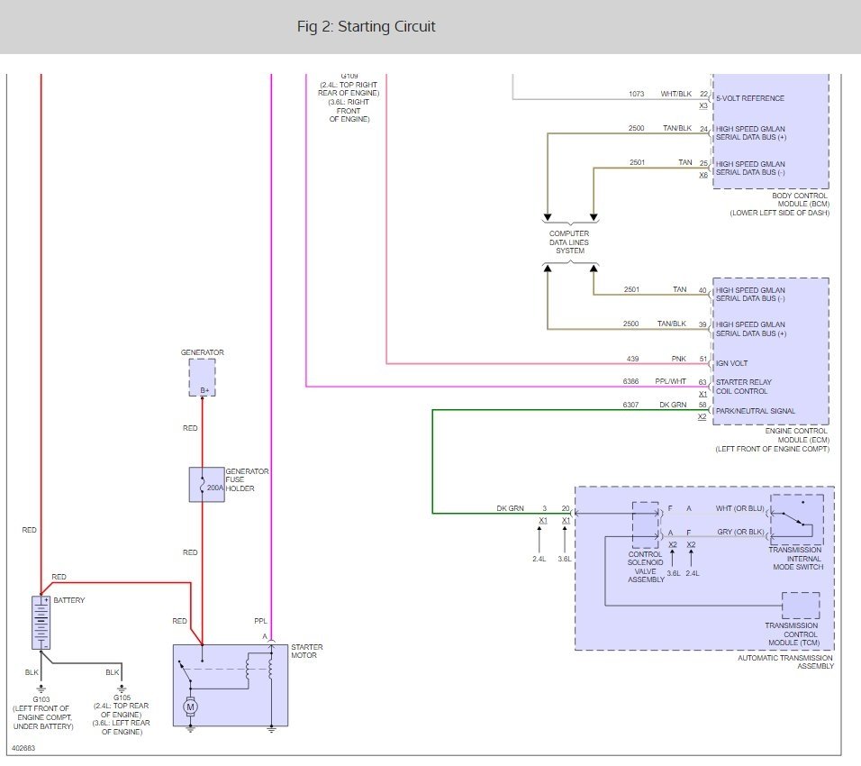
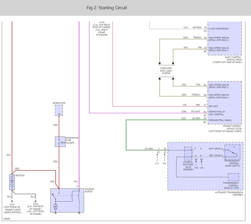
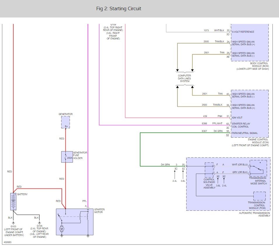
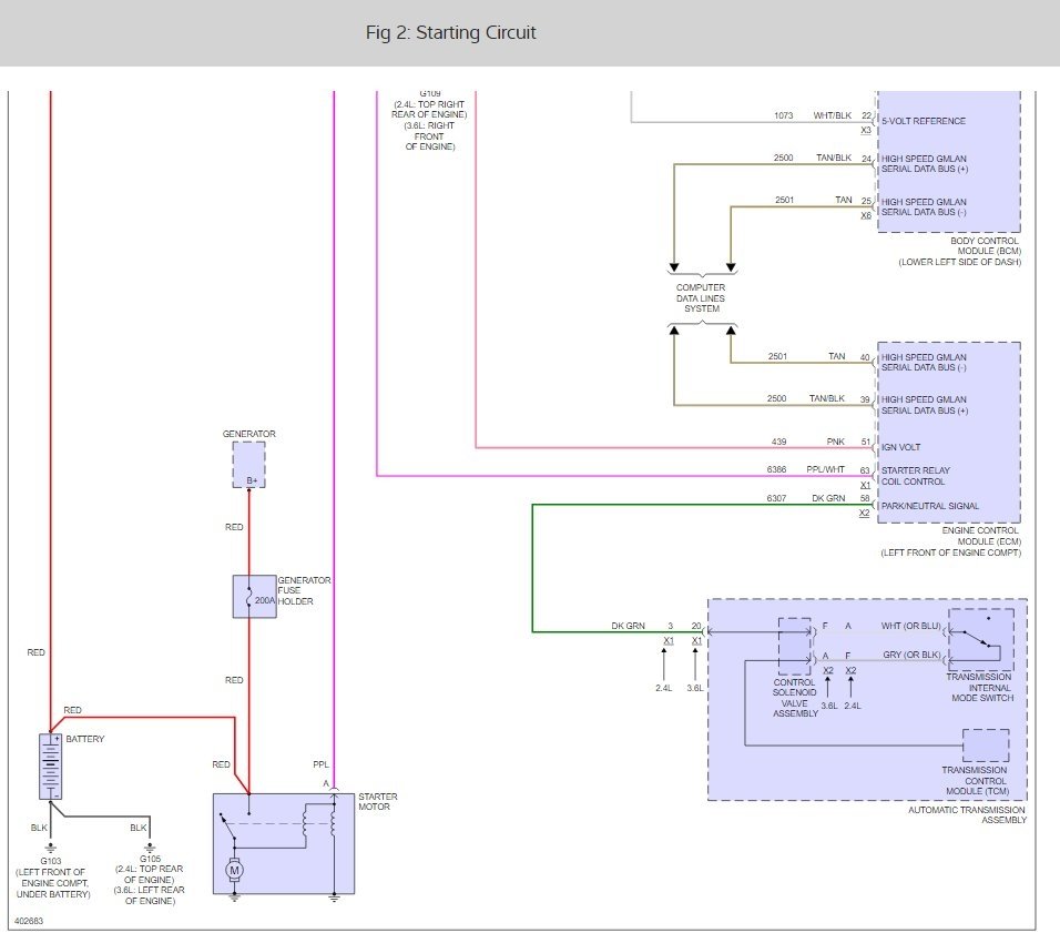
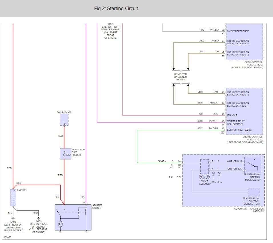
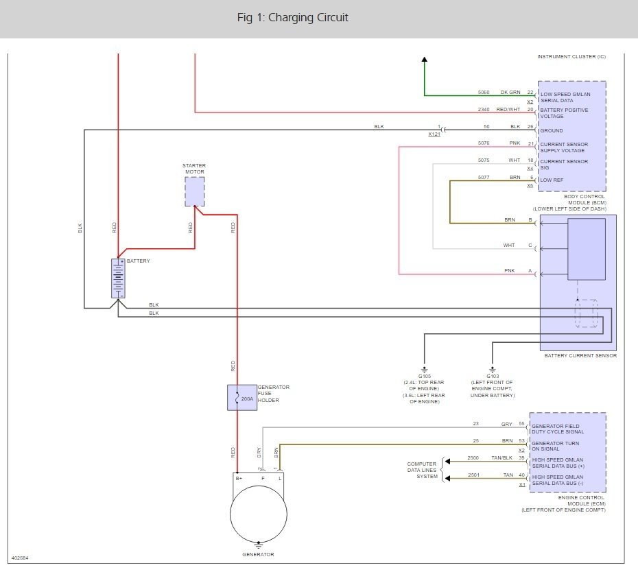
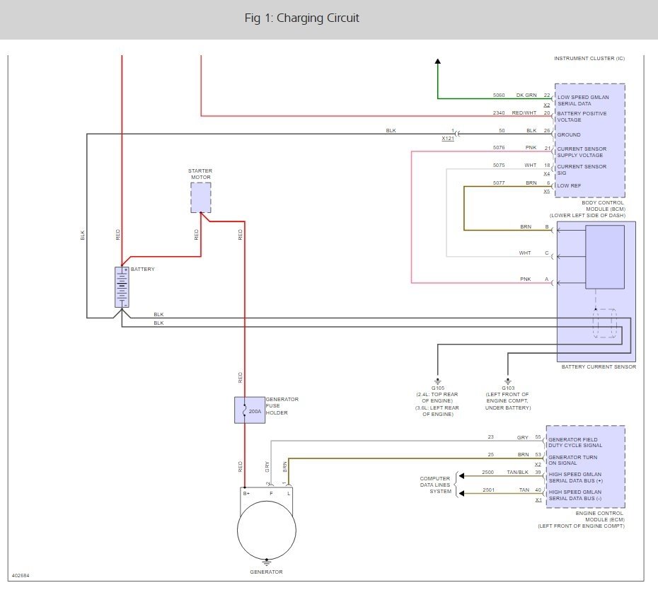
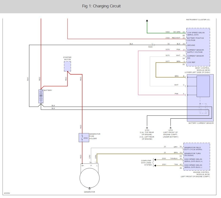
I have a no crank/no start condition. Replaced engine due to bad bearings. Engine came out of Malibu with only thirty five miles (GM crash test vehicle). I have power to the starter, no power to starter solenoid, no power to starter fuse when ignition turned to start position. When ignition in on position all dash instruments activate, radio on, etc. I do not have schematic for fuse box. Have not tested ignition switch. All worked before engine replacement.


















