Thursday, April 7th, 2022 AT 8:48 PM
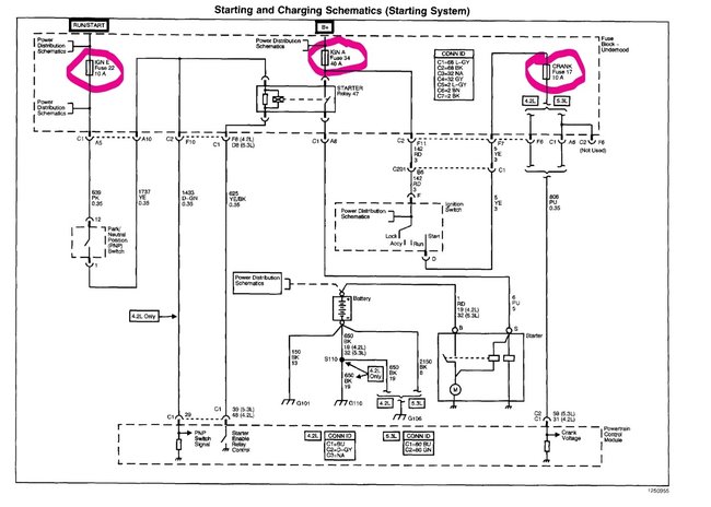
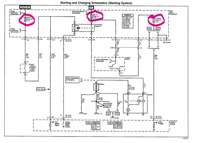
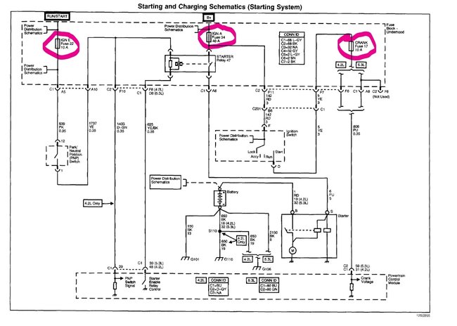
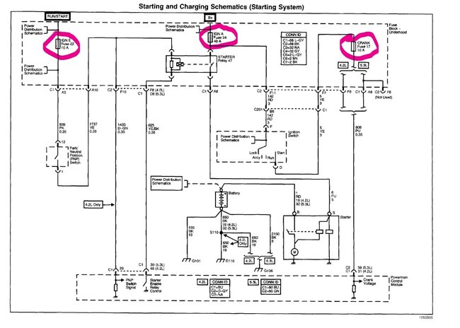
I replaced my camshaft and crankshaft sensors earlier today. When I finished, I hooked the negative battery cable back up and went to start it to do the relearn procedure. Well, it won't start, it doesn't crank or click either. I do hear a soft whirring noise when the key is in the on position (before I try to start it). Also, the interior lights, power windows and door locks will not work either. But yet the headlights and instrument panel lights along with the radio and the heat turn on just fine. So, I'm not sure what's happening. I feel like if it was the battery wouldn't none of it work. I don't know, just trying to figure this out ASAP as it is my only means of transportation. Thank you so much for your time and help.



