Friday, November 4th, 2022 AT 12:01 PM
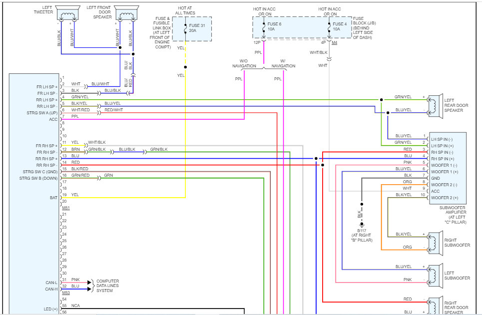
I'm trying to put my10in Eonon media player in my car listed above with Navigation and steering wheel controls. I got a Metra wiring harness for an 2007 Maxima but my question is, there are 4 wire connections on the back of my factory Nissan 6-disc stereo, what are each of them used for and do I need to have them all plugged with more wiring harnesses because the one I got just has one white connector and a smaller grey one for the antenna/amp?









