Radio and navigation

Tiny
DERRICK JOHNSON
  • MEMBER
  • 2002 NISSAN MAXIMA
  • 6.5L
  • 6 CYL
  • AUTOMATIC
  • 320,000 MILES
No sound comes out.
Tuesday, May 16th, 2017 AT 7:33 PM

1 Reply

Tiny
KEN L
  • MASTER CERTIFIED MECHANIC
  • 55,335 POSTS
Hello,

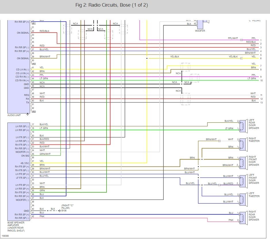
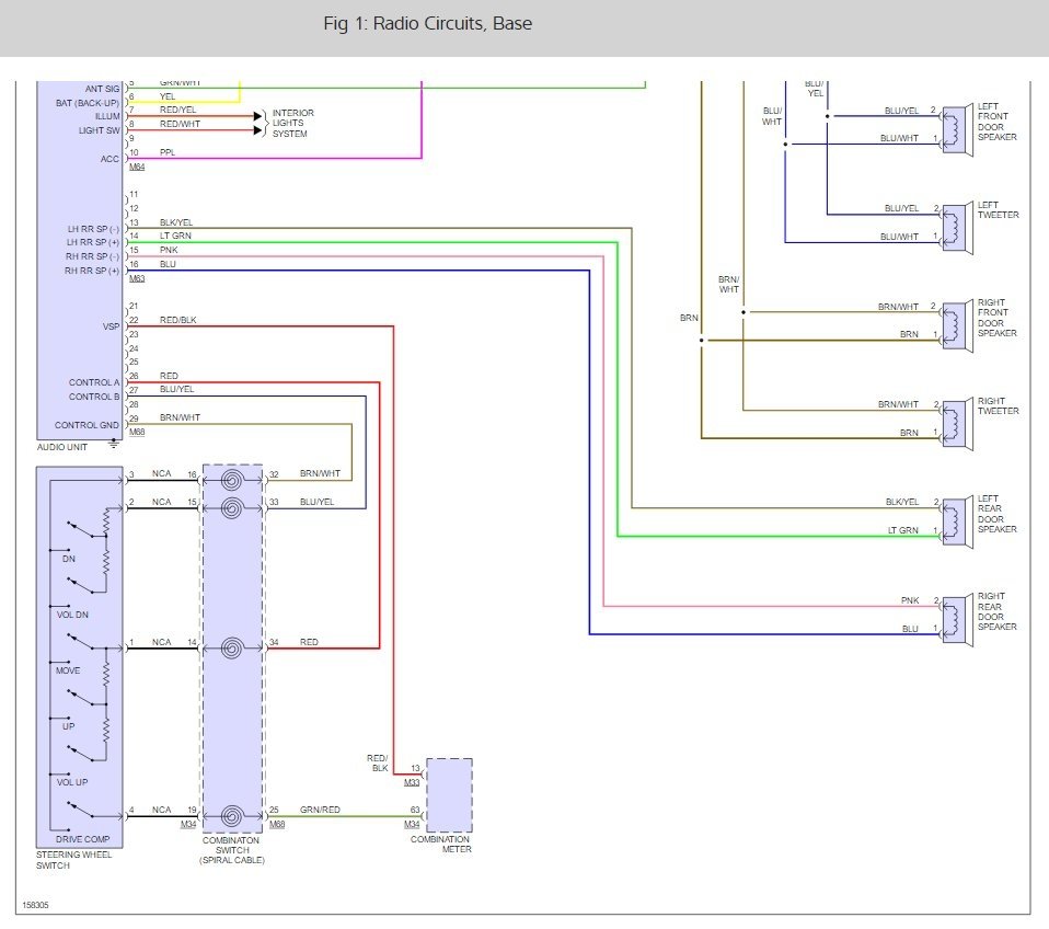
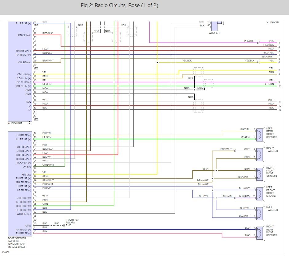
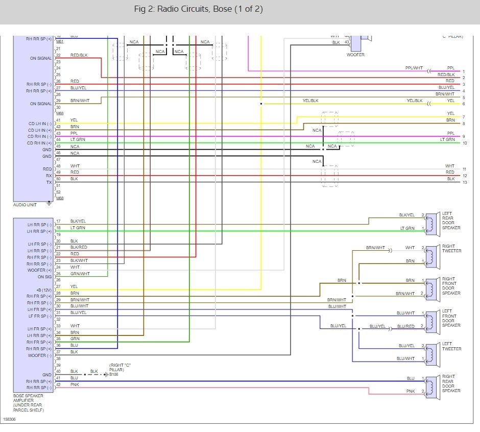
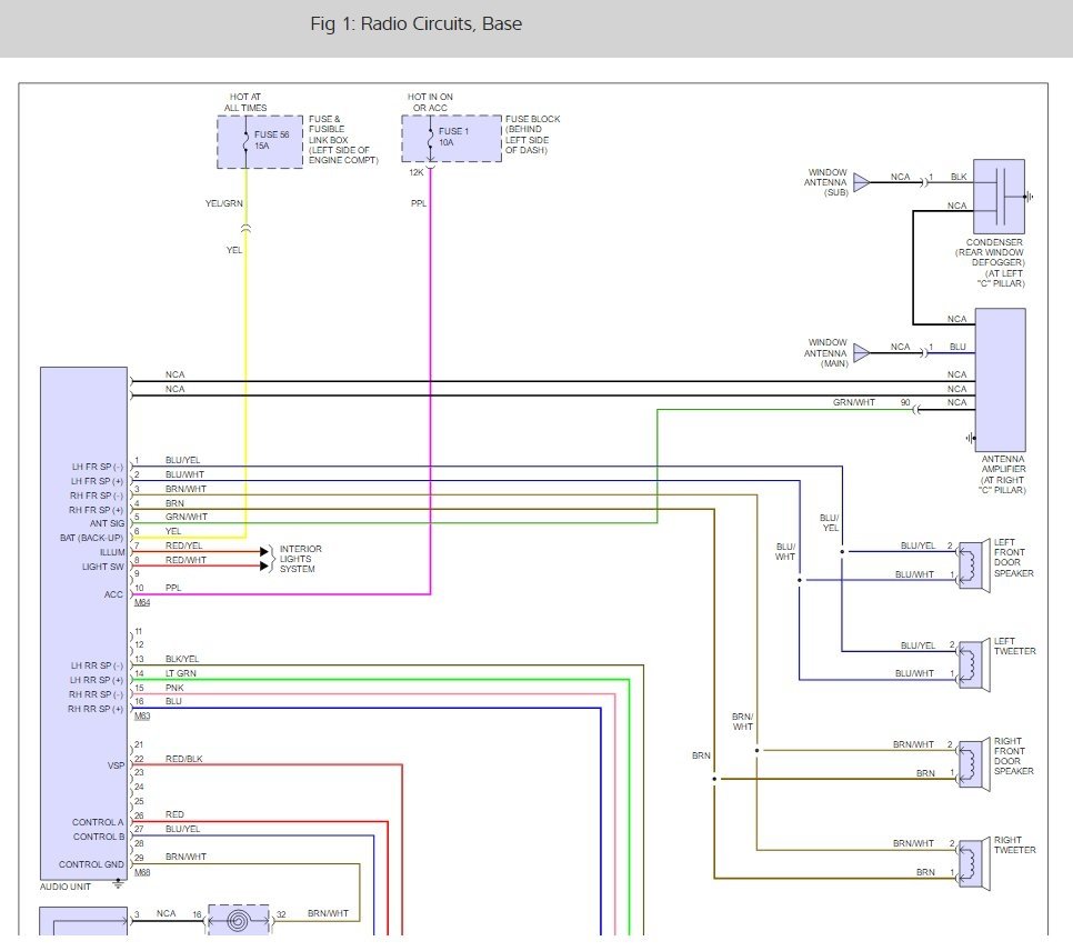
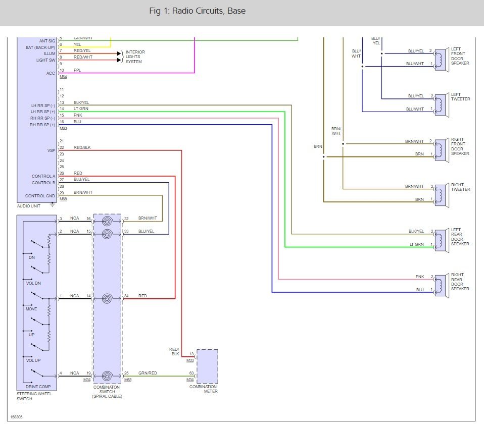
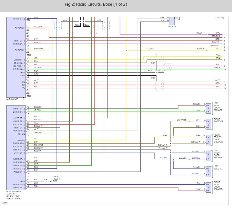
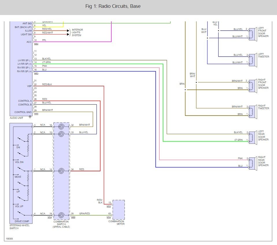
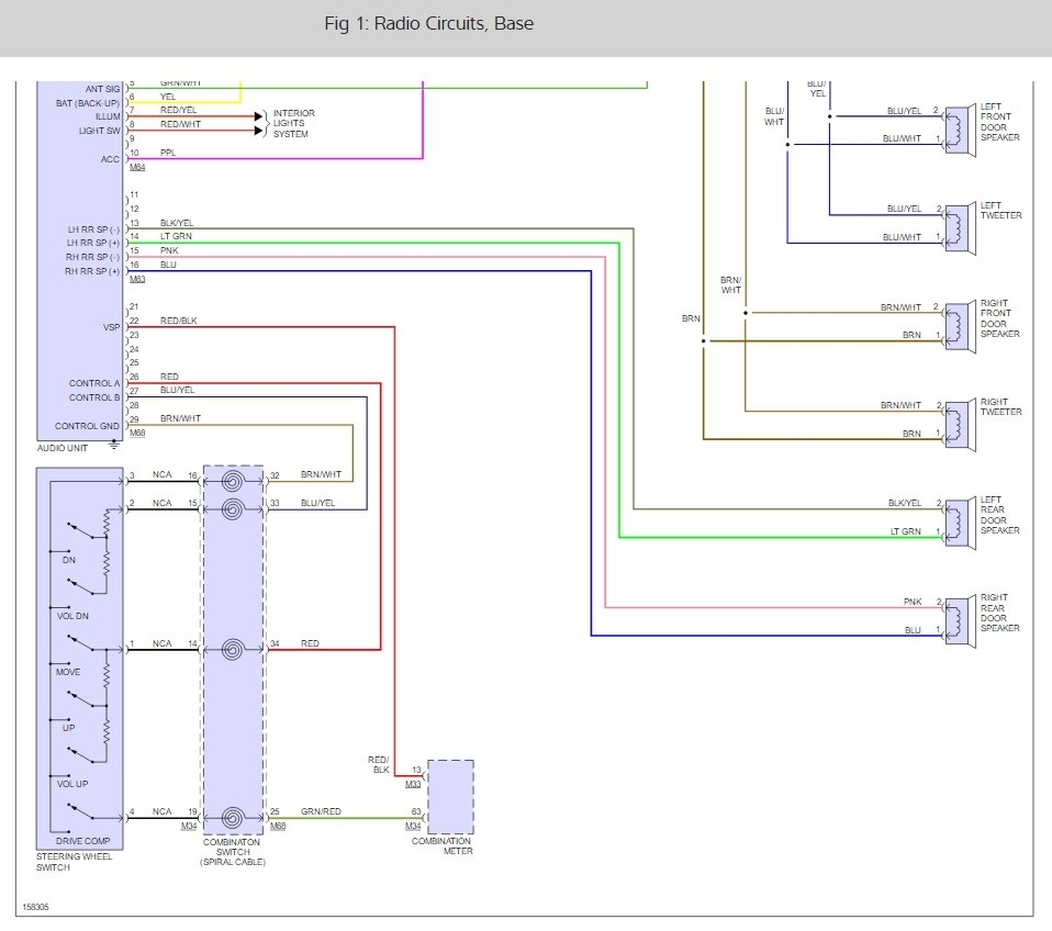
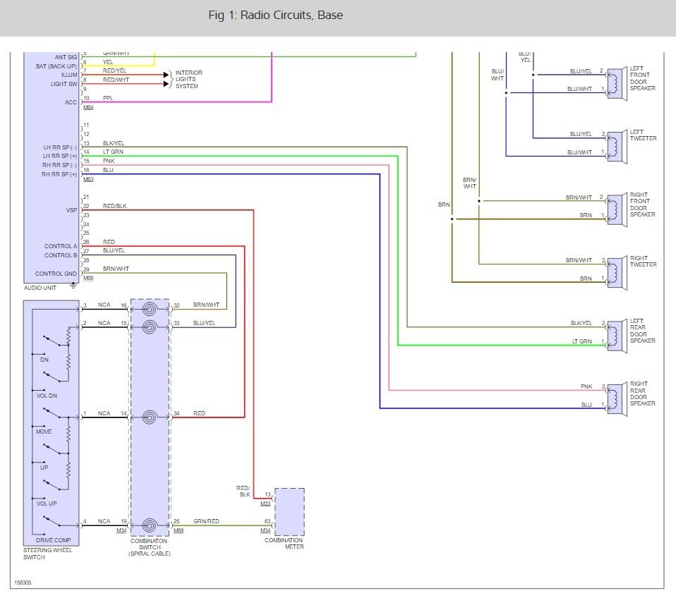
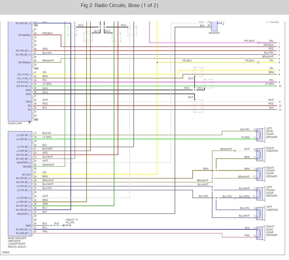
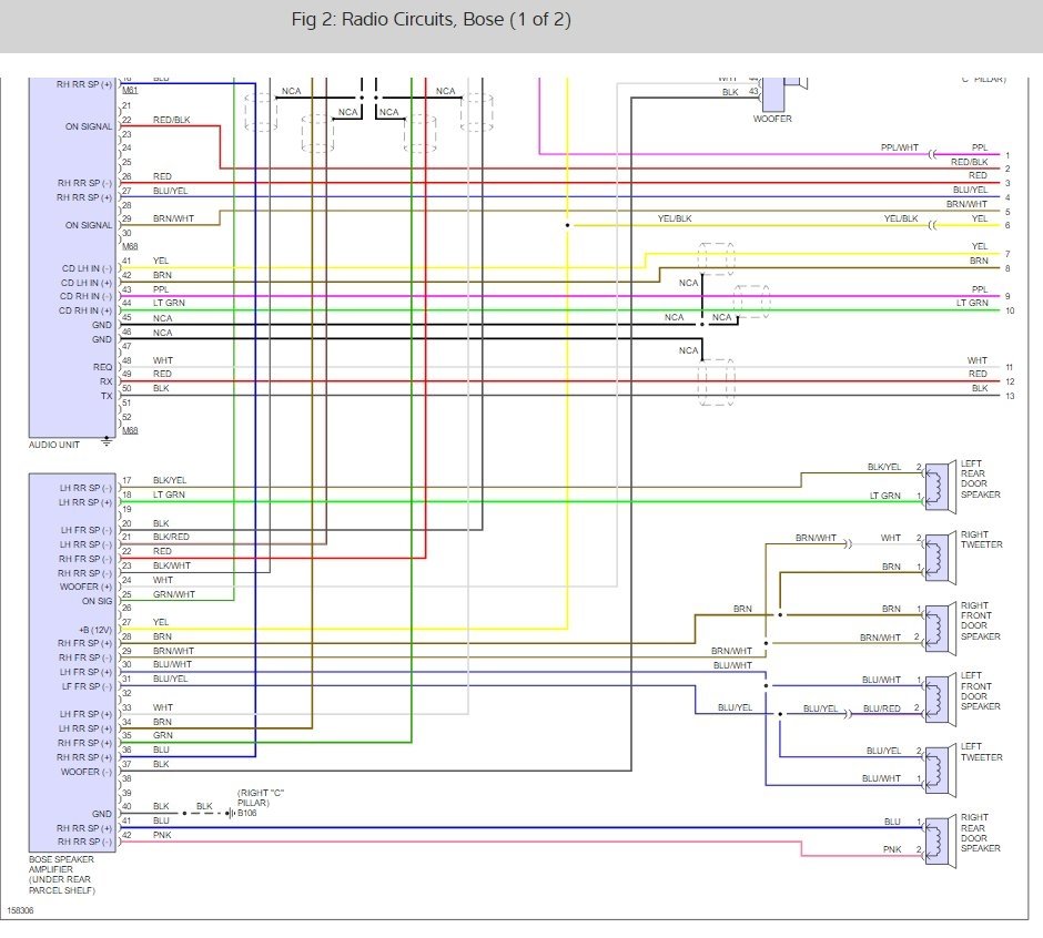
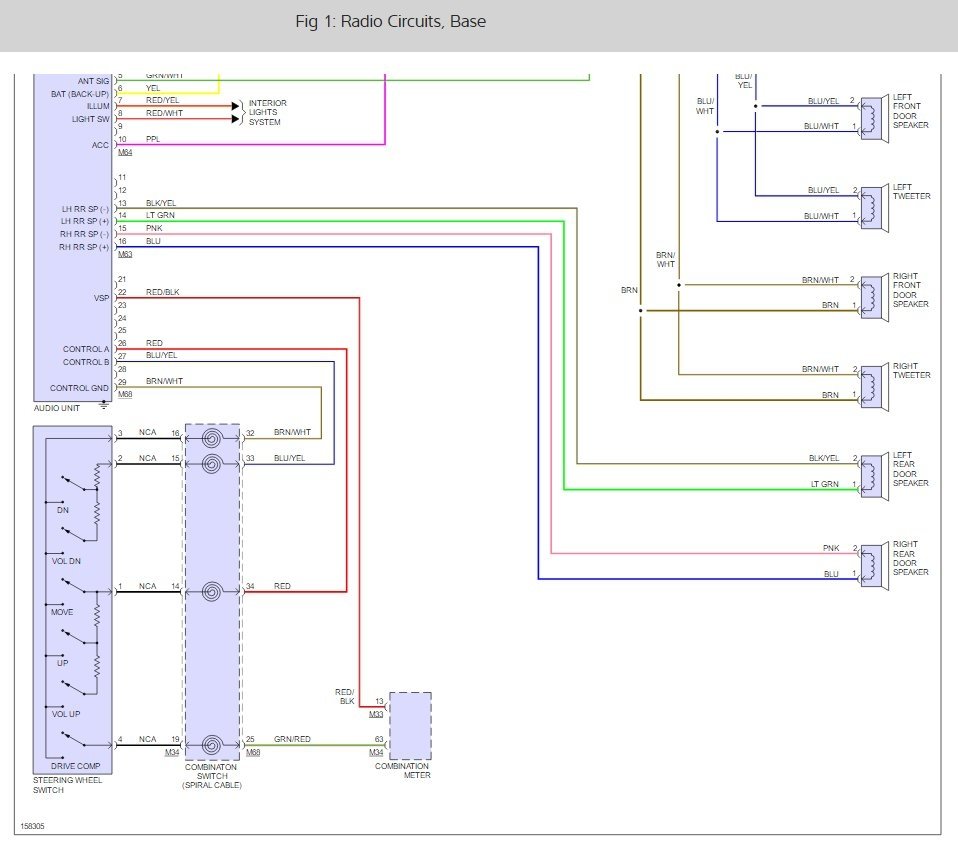
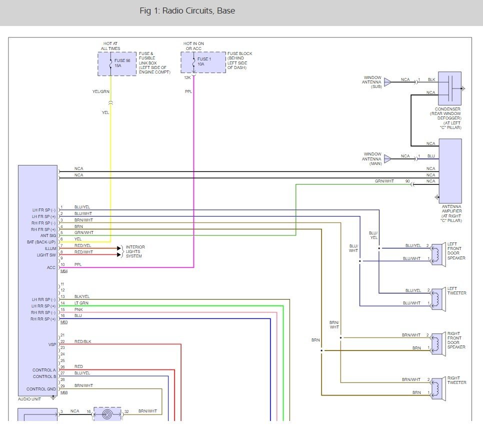
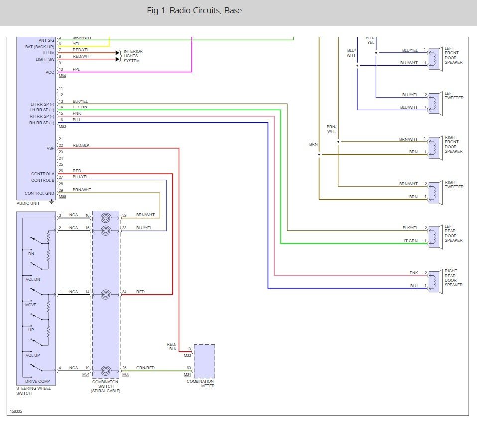
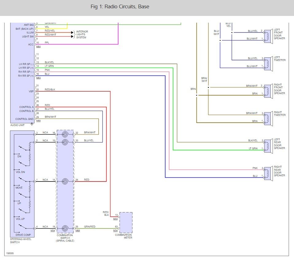
there are two radio systems in this car one has an amp. I have found the wiring diagrams for you and a guide to help you find the problem. Check the fuses first.

https://www.2carpros.com/articles/how-to-check-a-car-fuse

If the fuses are good then the amp or the head unit has gone bad.

Please run this test and get back to us so we can continue helping you.

Cheers, Ken

Was this
answer
helpful?
Yes
No
Monday, November 11th, 2019 AT 10:46 AM

Please login or register to post a reply.