Door locking not working

Tiny
BLUETII
  • MEMBER
  • 2 POSTS
My boy just bought a 92 Maxima wih 50k miles all original. GXE auto. He has some weird gremlins with the alarm. Sometimes it will be going off and he cannot get it to go off and start the car. We thought it was because he didn't have the original remotes. We bought this: 2101L Avital 1-Way Vehicle Keyless Entry System but still its not working. Only the trunk works. The installer said you need a lock timer. So I bought 7 of these 1990-1996 Nissan 300zx door lock timer module 28451 F9901. The installer tried all 7 and none of them helped. Has anyone had this problem. I don't even know what to call it other than lock issue. The main lock switch also doesn't work manually. We doing care about the inside locks. Just to get a remote keyless entry to work would be great. The car has low mileage and would like to keep I around as long as possible. Thanks any help is much appreciated. Cannot open door locks. Plus have to manually lock all doors. Trunk is only item that works 100%. Locking and unlocking the doors with the supplied avital emotes sometimes works but that's like 1% of the time.
Was this
answer
helpful?
Yes
No
Thursday, June 11th, 2020 AT 2:01 PM (Merged)
Tiny
KEN L
  • MASTER CERTIFIED MECHANIC
  • 55,281 POSTS
Hello,

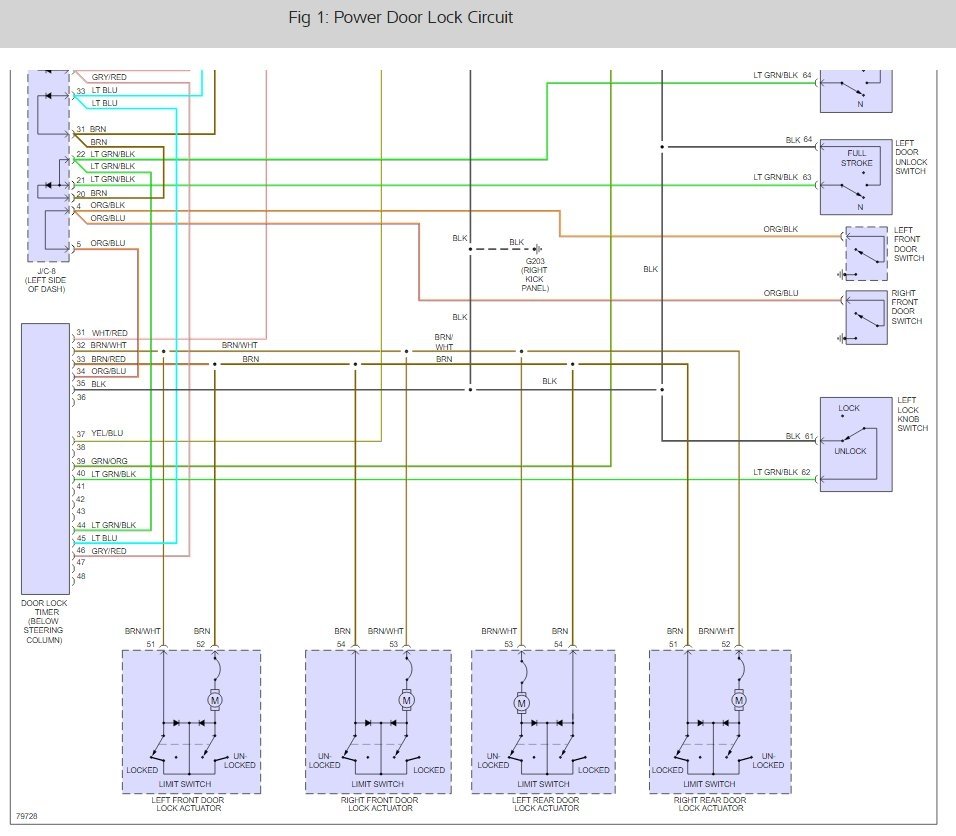
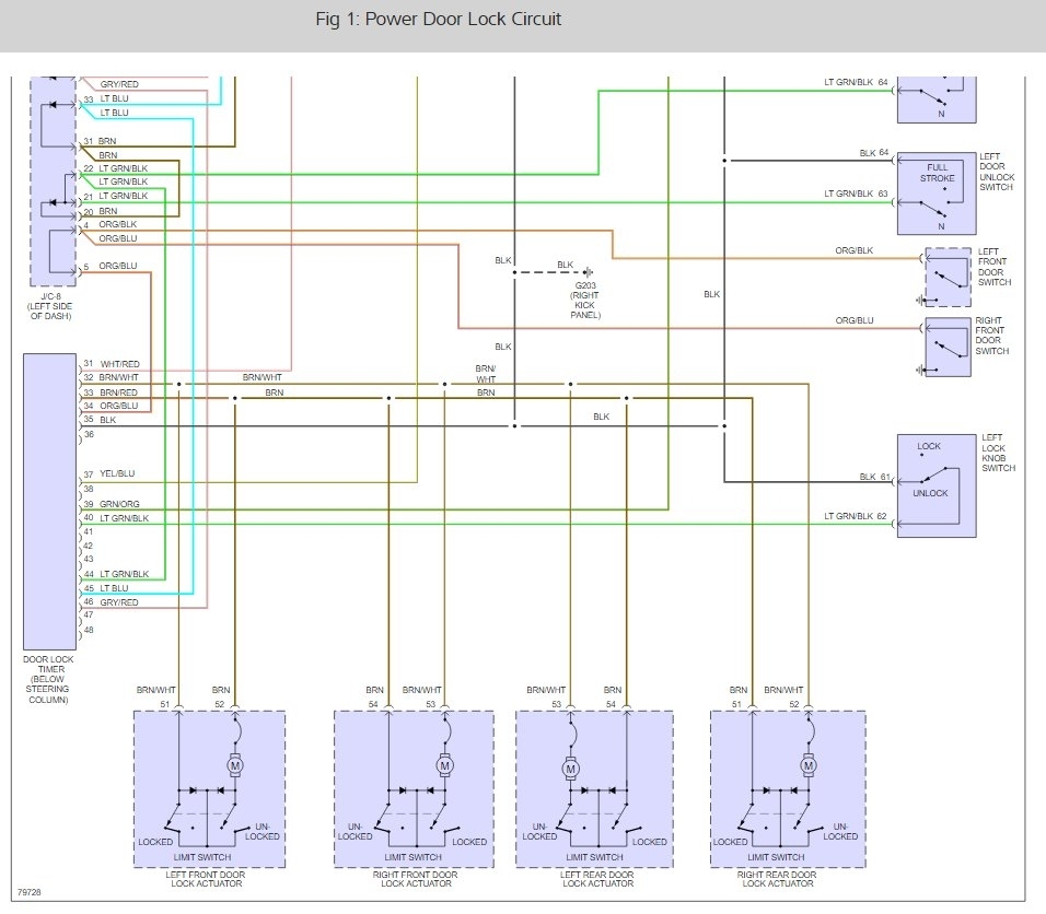
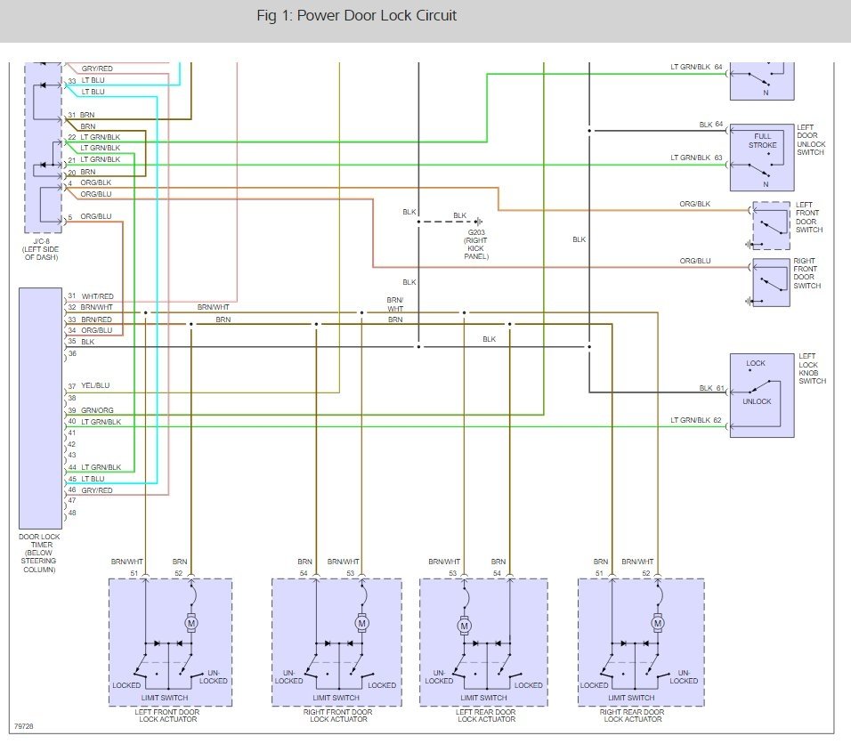
It sounds like the main switch is bad but to be sure here is a wiring diagram (below) of the system, it looks pretty straight forward.

Here are a couple of guide to show you how to do some testing

https://www.2carpros.com/articles/how-to-use-a-test-light-circuit-tester

and

https://www.2carpros.com/articles/how-to-check-wiring

Please run some tests and get back to us so we can continue helping you.

Cheers, Ken
Was this
answer
helpful?
Yes
No
Thursday, June 11th, 2020 AT 2:01 PM (Merged)
Tiny
TOMMY802
  • MEMBER
  • 3 POSTS
  • 1990 NISSAN MAXIMA
  • 6 CYL
  • FWD
  • AUTOMATIC
  • 140,000 MILES
Hi:

My power windows and power door locks stopped working today. They both work from buttons on the drivers door.
Was this
answer
helpful?
Yes
No
Thursday, June 11th, 2020 AT 2:01 PM (Merged)
Tiny
2CARPRO JACK
  • MECHANIC
  • 11,533 POSTS
Do they work from the drivers door or not working at all? I dont understand. Check fuse -Z in the fuse block and test for power at the circuit breaker#1. Both systems run off the same power feeds
Was this
answer
helpful?
Yes
No
Thursday, June 11th, 2020 AT 2:01 PM (Merged)
Tiny
TOMMY802
  • MEMBER
  • 3 POSTS
My power windows and power door locks don't work from anywhere. This is a 1990 maxima, I used to use the panel on the drivers door to lock the doors and close and open the windows.
Was this
answer
helpful?
Yes
No
Thursday, June 11th, 2020 AT 2:01 PM (Merged)
Tiny
2CARPRO JACK
  • MECHANIC
  • 11,533 POSTS
Get a test light and check the fuses and for power at circuit breaker #1
Was this
answer
helpful?
Yes
No
Thursday, June 11th, 2020 AT 2:01 PM (Merged)
Tiny
TOMMY802
  • MEMBER
  • 3 POSTS
Are the fuses in the engine compartment? I don't see any fuses for the windows or locks under the left side dash.
Was this
answer
helpful?
Yes
No
Thursday, June 11th, 2020 AT 2:01 PM (Merged)
Tiny
2CARPRO JACK
  • MECHANIC
  • 11,533 POSTS
Did you seea fuse labeled "Z"? Or a silver circuit breaker in the fuse block? If not look under hood next to battery
Was this
answer
helpful?
Yes
No
Thursday, June 11th, 2020 AT 2:01 PM (Merged)
Tiny
ALEX1996
  • MEMBER
  • 2 POSTS
  • 1996 NISSAN MAXIMA
My †96 Maxima suddenly lost window control on all 4 doors and power lock no longer working while using switch on driver door. The individual control on each door also fails to operate the windows, but I can lock and unlock all, but driver door, using remote from original security system

The driver’s door window was smashed last night by someone while trying to steal GPS unit (fortunately only GPS bracket was in the car attached to windshield). Technician tried to replace the glass and was not able to roll it down. Everything was working a day before.

Fuses look normal. I tried to swap main windows fuse (the 30A green one under the hood), but still no luck. No damage to internal wiring notes.

Than you for any help you can give
Was this
answer
helpful?
Yes
No
Thursday, June 11th, 2020 AT 2:02 PM (Merged)
Tiny
FISHERMAN
  • MECHANIC
  • 937 POSTS
Hello !

Looks to me like you have a damage control or wiring on the Driver`s door.
That its the main unit and controls all four doors
check the power wire that feeds the control (i think that same wire feeds the power lock) use a 12 volt light tester and check for power.
I`m almost positive that the problem is in there !

Let us Know !
Was this
answer
helpful?
Yes
No
-2
Thursday, June 11th, 2020 AT 2:02 PM (Merged)
Tiny
ALEX1996
  • MEMBER
  • 2 POSTS
Hi Fisherman

Than you for you help!

Yes, it was a control module from driver door. How it's broke we don't know, but it is some electronics involved (this module has a PCB inside) and apparently something went wrong there

Thanks again!
Was this
answer
helpful?
Yes
No
Thursday, June 11th, 2020 AT 2:02 PM (Merged)
Tiny
FISHERMAN
  • MECHANIC
  • 937 POSTS
Hello!

Thank you for choose 2Carpros !

We`re Glad to be at your service!

Good Luck!
Was this
answer
helpful?
Yes
No
-1
Thursday, June 11th, 2020 AT 2:02 PM (Merged)
Tiny
ANDYC66
  • MEMBER
  • 1 POST
  • 1996 NISSAN MAXIMA
My 96 maxima has a problem where I locks doors, either I push the lock button, use the key, or the remote to lock the doors, however the drivers side door doesn't seem to stay locked. Even though it seems like its locked and everything seems fine, anyone can go up to the drivers side and open the door and it will open. Could it be the door lock actuator that doesn't allow the door to remain locked? Please help me!
Was this
answer
helpful?
Yes
No
Thursday, June 11th, 2020 AT 2:02 PM (Merged)
Tiny
CARADIODOC
  • MECHANIC
  • 34,463 POSTS
There's two possibilities. The lock part of the latch assembly could be broken so even though the manual knob and the linkages move, the lock isn't engaging. You'd have to replace the latch assembly for that. A linkage could also be disconnected. That would be more common on older cars where the lock motor was separate from the latch. On newer cars that motor is built into the latch. On those, if a linkage is disconnected, the manual knob won't work but the power lock would. '96 is about the time many manufacturers were switching over to latch assemblies with the lock motor built in. You'll have to pop the trim panel off to check if a linkage is disconnected or if the latch isn't working.
Was this
answer
helpful?
Yes
No
+2
Thursday, June 11th, 2020 AT 2:02 PM (Merged)
Tiny
DAVE_S
  • MEMBER
  • 1 POST
  • 1987 NISSAN MAXIMA
  • 6 CYL
  • FWD
  • AUTOMATIC
  • 90 MILES
Car door locks (keys) require too much force to rotate key. Afraid will break key in lock.
Used graphite powder, did not help.
Was this
answer
helpful?
Yes
No
Thursday, June 11th, 2020 AT 2:02 PM (Merged)
Tiny
KHLOW2008
  • MECHANIC
  • 41,814 POSTS
Check for stiff connections inside door panel. If linkages lacks lubrication, they would require additional force to turn the key. H

If wiggling the key allows easier turning, the key lock cylinder/tumblers are bad and you would have to get it repaired/replaced to resolve problem.
Was this
answer
helpful?
Yes
No
Thursday, June 11th, 2020 AT 2:02 PM (Merged)
Tiny
BAYAREABADBOY
  • MEMBER
  • 1 POST
  • 1996 NISSAN MAXIMA
The problem is with the door lock. When I lock it from the inside and when its all locked, it still opens, I guess something is blocking the lock from the inside to lock all the way but, what can I do to lock it all the way?
Was this
answer
helpful?
Yes
No
Thursday, June 11th, 2020 AT 2:02 PM (Merged)
Tiny
TARSUS_ENDRI
  • MEMBER
  • 4 POSTS
I have followed your instructions and went as far as cleaning all of the battery terminals with baking soda and a steel brush powered by a power-drill.

The cables you have told me to concentrate on were cleaned to the best of my ability. The female connector, suprisingly, had tan-ish orange subtance with the consistency of runny gel. I have taken the liberty of cleaning out the female connector of this substance. Once more, I have steel brush cleaned the contacts of the cables you have pointed out for me to clean.

Interestingly, my vehicle actually sounded better and ran significantly better than last time. After a 2 hour torture-drive-test, the vehicle has not stalled. Sadly, however, the engine continues to idle pretty rough and each time it idles rough, I can notice the electricity in my car pulsate from each rough point during idling.

Any ideas about the rough idling?

**Will be cleaning the female connector near the radiator core more thoroughly and steel-brush/sand-paper clean the male connector tomorrow**
Was this
answer
helpful?
Yes
No
Thursday, June 11th, 2020 AT 2:02 PM (Merged)
Tiny
TARSUS_ENDRI
  • MEMBER
  • 4 POSTS
Hhmm.

I tried to start my car with in the morning and, sadly, the fuel pump did not engage upon starting. Thus, my car is dead once again.

I will aqcuire the instrument required to pull off codes from the PCM. I just recently had a friend stop by to pick me up and decided to look at my vehicle. She came to the conclusion that my engine was not recieving sufficient spark. After testing my battery (Full Power) and checked the connections, we could not figure out the possible causes. I had my ICM (Ignition Control Module) replaced nearly 2 years ago, is it possible that the ICM is going bad again?

I will attempt to pull off codes from my car's computer and see what other problems I have over looked.

Tarsus
Was this
answer
helpful?
Yes
No
Thursday, June 11th, 2020 AT 2:02 PM (Merged)
Tiny
TARSUS_ENDRI
  • MEMBER
  • 4 POSTS
After toiling with the car the two whole days, I have found out my problem.

There apparently was no power flowing to the fuel pump, however, with my father's assistance, we determined that the fuel pump was functioning by by-passing the CCRM. We have also determined that the fuel-pump relay inside the CCRM was functioning well. We have narrowed down the entire problem to a tiny little piece that caused the random stalls and the fuel-pump problems; the FUSABLE LINK. (Cable connection with a fuse connected inside the wiring)

Also, I had discovered the source of the rough idling. It seems that the first cylinder's spark plug was not connected properly. After reconnecting that cylinder, my engine sounded alot more different and powerful than it used to sound and operate. The idling significantly improved a GREAT deal.

I hope this will help any other owners of Ford Tempos. Many mechanics could not find out the problem that was plauging my car and, with my father (An accomplished Electrical Engineer), we have narrowed the cause of this problem to a tiny component.

Thanks for all the help you all!

Tarsus
Was this
answer
helpful?
Yes
No
Thursday, June 11th, 2020 AT 2:02 PM (Merged)

Please login or register to post a reply.