Relay starter replacement

Tiny
SYDNEY BOUCHER
  • MEMBER
  • 2016 NISSAN SENTRA
  • 55,000 MILES
We bought this car used with 54,000 miles on it just under a month ago. On Saturday the car had trouble starting and we used push to start approximately 20-25 times before it started up. It was fine on Sunday and Monday but Tuesday morning and since then it refused to start. We picked up a replacement starter relay part but when we open the fuse box (?) Inside the drivers side, we are unsure which plug should be replaced and some are behind a sort of metal shield.
Really trying to replace this ourselves versus pay for a tow, the parts and labor at the dealership.
Help!
Wednesday, February 13th, 2019 AT 4:19 PM

21 Replies

Tiny
SCGRANTURISMO
  • MECHANIC
  • 4,897 POSTS
Hello,

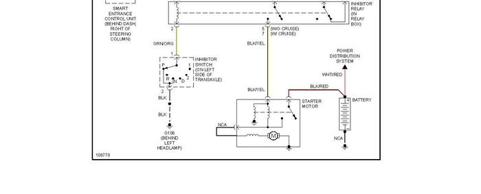
Engine starting system functions by controlling both starter relay and starter control relay. Both relays are integrated in IPDM E/R. Starter relay is controlled by BCM, and starter control relay is controlled by IPDM E/R on request from BCM. IPDM E/R transmits starter relay and starter control relay status signal to BCM via CAN communication. I have included for you in the diagrams below wiring diagrams with and without intelligent key options. Both have the location of the starter relay location on them. I hope this helps.

Thanks,
Alex
2CarPros
Was this
answer
helpful?
Yes
No
Thursday, February 14th, 2019 AT 1:16 PM
Tiny
SCGZ
  • MEMBER
  • 3 POSTS
  • 2011 NISSAN SENTRA
  • 2.0L
  • 4 CYL
  • 2WD
  • AUTOMATIC
  • 156,000 MILES
Hello. Tonight I started having issues with my vehicle. I tried the crank the car and there was nothing. No sounds. No crank. No clicks. All the lights work, headlights, horn, radio, A/C, overhead lights but no start. We jump started the car to get it home with a screwdriver to the starter. Our local mechanic is saying it is probably a starter relay. We cannot locate it. We have checked both fuse boxes under the hood and the one under the driver side dash. Our owners manual diagram of the fuse block looks entirely different and the manual has no mention of a starter relay. I am at a loss. 2 mechanics and our local mechanic cannot locate it. Where is it? Is the relay integrated into the fuse block itself?
Was this
answer
helpful?
Yes
No
Monday, December 28th, 2020 AT 1:18 PM (Merged)
Tiny
JOETECHPRO
  • MECHANIC
  • 705 POSTS
Hey SCGZ,

The starter relay looks like it is integrated into the intelligent front power distribution (IPDM E/R)

Another issue you could have is with the P/N safety switch.

The vehicle will not start unless it is getting a signal that it is in Park or Neutral.

Can you please check fuse 12 in the interior fuse board, should be behind the dash on the left hand end.

If this is okay the easiest way to check switch function is with a scan tool check the status of the neutral safety switch.

Do you have access to a multi-meter?
The next stage will be to test what you have as values in/out of the integrated power module.

Regards, Joe
Was this
answer
helpful?
Yes
No
-1
Monday, December 28th, 2020 AT 1:18 PM (Merged)
Tiny
SCGZ
  • MEMBER
  • 3 POSTS
Just finished checking the fuse 12 and it looks okay. So if I was to replace the intelligent front power distribution (IPDM E/R), is that something I can purchase online and its like a plug and play? With a multi-meter how would I go about testing values in/out of the integrated power module?
Was this
answer
helpful?
Yes
No
Monday, December 28th, 2020 AT 1:18 PM (Merged)
Tiny
SCGZ
  • MEMBER
  • 3 POSTS
This the fuse I pulled and checked.
Was this
answer
helpful?
Yes
No
Monday, December 28th, 2020 AT 1:18 PM (Merged)
Tiny
JOETECHPRO
  • MECHANIC
  • 705 POSTS
Hey SCGZ,

I have attached information for the pin reference values at the IPDM E/R

There is a document that describes checking the power and ground for the module.

Please check the power and ground and let us know what you get.

I have also attached the instructions for replacing the IPDM E/R module.

Appears to be plug and play if you can source one online this should work for you.

Regards, Joe
Was this
answer
helpful?
Yes
No
Monday, December 28th, 2020 AT 1:18 PM (Merged)
Tiny
HELPGORDO921
  • MEMBER
  • 3 POSTS
  • 1999 NISSAN SENTRA
  • 1.6L
  • 4 CYL
  • 2WD
  • MANUAL
  • 222,000 MILES
Car won't start, no crank. I replaced clutch relay no difference. My car has new starter and fuel pump all fuses are good.
Was this
answer
helpful?
Yes
No
Monday, December 28th, 2020 AT 1:18 PM (Merged)
Tiny
KASEKENNY
  • MECHANIC
  • 18,907 POSTS
Your engine being a manual transmission does not have a starter relay.

What happens when you crank the engine? Does it click at all? If not, do you have a security light on?

The other thing we need to check is the clutch interlock switch. This is on the clutch pedal and if you just jump it with a paper clip and see if the engine cranks and starts.

This switch is what is needed to ground the interlock relay. Let me know what you find and we can go from there.
Was this
answer
helpful?
Yes
No
Monday, December 28th, 2020 AT 1:19 PM (Merged)
Tiny
JACOBANDNICKOLAS
  • MECHANIC
  • 110,192 POSTS
Hi,

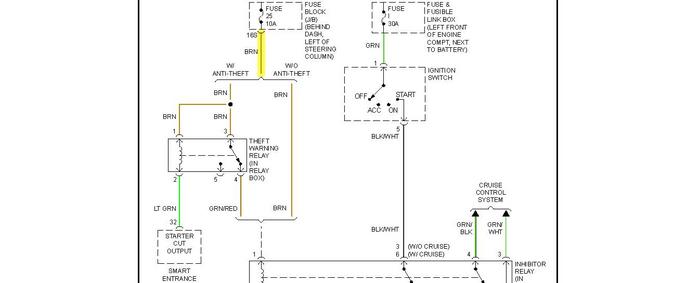
Is there power to the relay? That clutch relay does the job of the starter relay. Take a look at pic 2. I attached the entire starting system schematic.

If you look at pic 1, I highlighted the relay shown in the schematic. Is that the one you replaced? If it is, confirm power to the black wire with the yellow tracer. It should get 12v when the key is in the start position.

Let me know what you find.

Joe
Was this
answer
helpful?
Yes
No
+1
Monday, December 28th, 2020 AT 1:19 PM (Merged)
Tiny
HELPGORDO921
  • MEMBER
  • 3 POSTS
Thank you both for the advice. I bypassed the clutch pedal and no difference. But looking at the shamanic I traced it to the ignition cylinder after I bypass that car crank and started.
Was this
answer
helpful?
Yes
No
Monday, December 28th, 2020 AT 1:19 PM (Merged)
Tiny
KASEKENNY
  • MECHANIC
  • 18,907 POSTS
Okay. Great. So at least you found it. Let us know if you need other info but thanks for the update.
Was this
answer
helpful?
Yes
No
Monday, December 28th, 2020 AT 1:19 PM (Merged)
Tiny
JACOBANDNICKOLAS
  • MECHANIC
  • 110,192 POSTS
Hi,

I'm not sure I understand. What did you trace to the ignition switch? Was it a black wire with a yellow tracer? Was it broken or disconnected?

Let me know.
Joe
Was this
answer
helpful?
Yes
No
Monday, December 28th, 2020 AT 1:19 PM (Merged)
Tiny
DANAKEITH2005
  • MEMBER
  • 1 POST
  • 1998 NISSAN SENTRA
  • 18,000 MILES
I have an automatic 1.6l. I went to the store and went to leave and the car will not turn over. All the lights come on, the radio, all the oil engine, brake lights come on the dash. We bought a new battery and starter thinking that was the problem still will not turn over. We also jump started the starter with a screw driver and the starter comes on fine but still did not start the car. We checked the fuses they all look good. What could be the problem please help? Thanks
Was this
answer
helpful?
Yes
No
Monday, December 28th, 2020 AT 1:19 PM (Merged)
Tiny
RASMATAZ
  • MECHANIC
  • 75,992 POSTS
This could be a security issue or a neutral safety switch that is malfunctioning.

Here are some guides and diagrams that might help:

https://www.2carpros.com/articles/how-a-neutral-safety-switch-works

and

https://www.2carpros.com/articles/car-cranks-but-wont-start

Please let us know who it goes.

Was this
answer
helpful?
Yes
No
-2
Monday, December 28th, 2020 AT 1:19 PM (Merged)
Tiny
KEN L
  • MASTER CERTIFIED MECHANIC
  • 55,254 POSTS
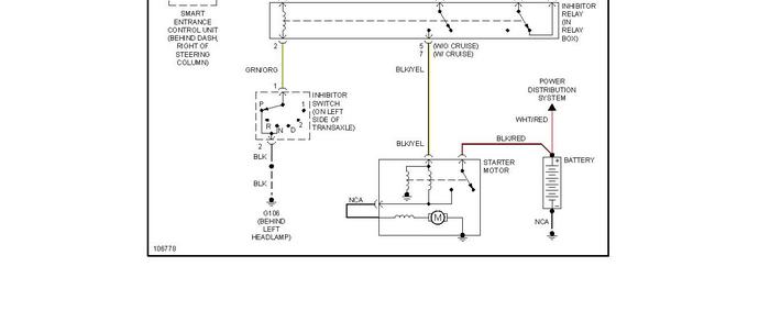
Hello, sorry for the confusion, our experts try their best, the starter relay is called an inhibitor relay, here is its location.

Let me know if it helps

Best, Ken
Was this
answer
helpful?
Yes
No
+12
Monday, December 28th, 2020 AT 1:19 PM (Merged)
Tiny
SCORPIO08
  • MEMBER
  • 8 POSTS
Much better Ken!
Was this
answer
helpful?
Yes
No
+2
Monday, December 28th, 2020 AT 1:19 PM (Merged)
Tiny
KEN L
  • MASTER CERTIFIED MECHANIC
  • 55,254 POSTS
Glad we can help please use 2Carpros anytime!
Was this
answer
helpful?
Yes
No
+1
Monday, December 28th, 2020 AT 1:19 PM (Merged)
Tiny
ZOET1231
  • MEMBER
  • 1 POST
  • 1996 NISSAN SENTRA
Where is the starter relay switch located?
Was this
answer
helpful?
Yes
No
Monday, December 28th, 2020 AT 1:19 PM (Merged)
Tiny
RASMATAZ
  • MECHANIC
  • 75,992 POSTS
The inhibitor relay is also the starter relay located in the image below


https://www.2carpros.com/forum/automotive_pictures/12900_inhibitor_relay_1.jpg



Please let us know happens so it will help others.
Was this
answer
helpful?
Yes
No
+5
Monday, December 28th, 2020 AT 1:19 PM (Merged)
Tiny
HHENLEY12
  • MEMBER
  • 2 POSTS
  • 1994 NISSAN SENTRA
  • 4 CYL
  • FWD
  • AUTOMATIC
  • 54,000 MILES
I have a 1994 sentra. Have all power but when I turn the key nothing happens. No noise or click or anything.I have it narrowed down to three possibilities but was wondering if there were any others.1st bad starter.2nd starter relay.3rd loose connection. Are there any other things I should check?
Was this
answer
helpful?
Yes
No
Monday, December 28th, 2020 AT 1:19 PM (Merged)

Please login or register to post a reply.