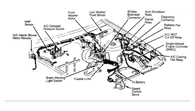
Fuel pump relay diagram

Tiny
KEITH DUNCAN
  • MEMBER
  • 1990 DODGE CARAVAN
  • 3.3L
  • V6
  • 2WD
  • AUTOMATIC
  • 100,000 MILES
Can you led me to a diagram of the location of the fuel pump relay and a diagram of all the relays. Just changed the wire harness and now I am either not getting fuel and possible ignition control module need to know. I have plenty of fuel going to the injectors but I have no spark at all. At this point I should give you a little background, about three months ago the engine caught fire on the drivers side it destroyed the harness on that side along with the ignition control module the battery since then I have changed the entire wire harness under the hood, changed the ignition control module and all the relays, air cleaner housing, battery and holder, and now I have no spark to the plugs at all. I had changed the coil and seems to have been the problem but with old one it would try to start but just would not catch. What do you suggest trying to do next? Is there a way to check the ignition control module? How to test it?
Monday, August 20th, 2018 AT 7:46 PM.
Monday, August 20th, 2018 AT 6:09 PM

13 Replies

Tiny
CARADIODOC
  • MECHANIC
  • 34,491 POSTS
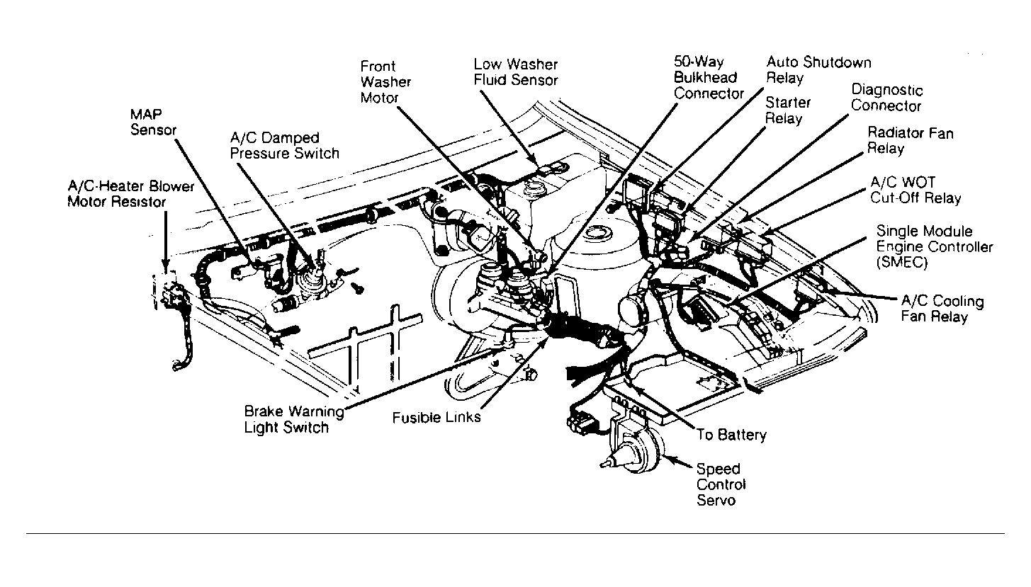
No fuel pump relay. The pump gets its 12 volts from the automatic shutdown, (ASD) relay which also powers up the injectors, ignition coil pack, and the alternator field. The easiest way to see if the circuit is working is to measure the voltage on the dark green/orange wire at the coil pack or any injector. I prefer to use a test light so I can see it from inside the van.

You should see the 12 volts appear for one second when you turn on the ignition switch, then it will go back to 0 volts. That proves the ASD relay is okay and the Engine Computer has control of it. You should also hear the hum of the fuel pump for that one second. What is important is if that 12 volts comes back during cranking. Most commonly for crank/no-starts, it will not, then you will have no injector pulses and no spark. About five percent of the time the 12 volts will come back during cranking. In that case you have a fuel supply or an ignition problem, but not both.

When the ASD relay does not turn back on during cranking, the two common suspects are the crankshaft position sensor and the camshaft position sensor. If one of those failed, you might get lucky and have a diagnostic fault code to tell you which circuit to diagnose, but the absence of a fault code doesn't guarantee the sensors are working properly.

If you have not read the fault codes yet, that should be the first step in the diagnosis, and that must be done before the battery is disconnected or run dead. Doing so will erase the codes, then that valuable information will be lost.

You can go here to see the code definitions:

https://www.2carpros.com/articles/retrieve-trouble-codes-for-chrysler-dodge-plymouth-odb1-1995-and-earlier-car-mini-van-and-light-trucks

or tell me the code numbers and I can interpret them for you.

Chrysler made reading the fault codes yourself real easy. Cycle the ignition switch from "off" to "run" three times within five seconds without cranking the engine, leave it in "run", then count the flashes of the Check Engine light. Count the number of flashes for the first digit, there will be a short pause, count the number of flashes for the second digit, then there will be a longer pause before the next code starts flashing. When you see code "55", that just means it is done. If you want to double-check your counting, cycle the ignition switch off, then back to "run", and the sequence will repeat.
Was this
answer
helpful?
Yes
No
+1
Monday, August 20th, 2018 AT 6:54 PM
Tiny
KEITH DUNCAN
  • MEMBER
  • 8 POSTS
Please read the update above.
Was this
answer
helpful?
Yes
No
Monday, August 20th, 2018 AT 7:46 PM
Tiny
CARADIODOC
  • MECHANIC
  • 34,491 POSTS
The test you are asking about is the ASD relay test I described. Do not be fooled by fuel pressure. While it is possible that is working, be aware that fuel pressure will appear to be normal due to the fact the pump runs for one second when you turn on the ignition switch. Given the recent history, you could indeed have just an ignition system problem, but way too many people get stuck on the first thing they find missing and fail to see the additional symptoms. Also, the crankshaft position sensor is on the driver's side, rear of the transmission, right below the end of the rear cylinder head. Both of those sensors often fail by becoming heat-sensitive, so this becomes an even better suspect related to a fire.
Was this
answer
helpful?
Yes
No
+1
Monday, August 20th, 2018 AT 8:22 PM
Tiny
KEITH DUNCAN
  • MEMBER
  • 8 POSTS
I changed the crankshaft sensor and now it trys to start but then backfires through air cleaner then trys to start and does the same thing what do you suggest now sir done all of the above and you suggested that sensor so it's new also.
Was this
answer
helpful?
Yes
No
Wednesday, August 22nd, 2018 AT 9:14 PM
Tiny
CARADIODOC
  • MECHANIC
  • 34,491 POSTS
The air gap for the crank sensor is critical. If it was the original design, it should have had a thick paper spacer glued to the end to set that air gap. You need to push it in as far as it will go, then tighten the mounting bolt. The spacer slides off the first time the engine is cranked, so if you have to remove it and reinstall it, you need to get another paper spacer from the dealer's parts department.

A lot of aftermarket sensors have a thin plastic rib molded to the end to set that air gap. You can pull those out and reinstall them up to a point. Eventually it is likely that rib will wear off, then you are supposed to cut it off and install the paper spacer if you have to remove and reinstall it.

Backfiring and laboring to start is a common symptom of an incorrect air gap. Also, I never like to throw random parts at a problem as a test unless you already have the part handy. I would be more confident after seeing a diagnostic fault code. If none has set yet, you need a scanner to view the status of the cam and crank sensors. They will be listed with some indication as to whether their signals are showing up at the computer during cranking. I have a Chrysler DRB3 scanner for all of my vehicles. That shows these sensors with a "No" or "Present" during cranking. If you see one that stays on "No", or bounces back and forth, that is the one to suspect, but you also have to look at the wiring. Wires rubbed through and connector terminals that are spread or lightly corroded are also good suspects. A recent fire adds another list of places to look.
Was this
answer
helpful?
Yes
No
+1
Wednesday, August 22nd, 2018 AT 9:50 PM
Tiny
KEITH DUNCAN
  • MEMBER
  • 8 POSTS
I have change the entire wire harness in the engine compartment along with the ignition module all the relays the battery and holder all the vacuum lines and fuel lines along with the fuel pump and filters power steering pump and water pump. And finally the crank sensor. So I will try and do as you stated and let you know the outcome. Thank you.
Was this
answer
helpful?
Yes
No
Wednesday, August 22nd, 2018 AT 11:48 PM
Tiny
KEITH DUNCAN
  • MEMBER
  • 8 POSTS
I reset the crank sensor and the backfiring stop but it is struggling and start it wants to but just will not catch all the way but it is closer than before to actually starting kind of acts like it is not getting enough fuel. What do you suggest next?
Was this
answer
helpful?
Yes
No
Thursday, August 23rd, 2018 AT 10:35 PM
Tiny
CARADIODOC
  • MECHANIC
  • 34,491 POSTS
This sounds suspiciously like a very common problem on all Chrysler products after the battery has been disconnected, or power has been lost to the Engine Computer. It loses its memory, and most of that will be relearned without you even noticing, except for "minimum throttle". Until that is relearned, you may need to hold the accelerator pedal down 1/4" to get the engine to run, you will not get the nice idle flare-up to 1,500 rpm at start-up, and it will tend to stall at stop signs.

To meet the conditions for the relearn to take place, drive at highway speed with the engine warmed up, then coast for at least seven seconds without touching the pedals.

Until you do that relearn, try holding the accelerator pedal down just a little.
Was this
answer
helpful?
Yes
No
-1
Friday, August 24th, 2018 AT 6:13 PM
Tiny
KEITH DUNCAN
  • MEMBER
  • 8 POSTS
See comment above to fully understand. Thank you
Was this
answer
helpful?
Yes
No
Friday, August 24th, 2018 AT 10:46 PM
Tiny
KEITH DUNCAN
  • MEMBER
  • 8 POSTS
I am in real hopes that you will read my comment from the last thing told to me by you guys and how it did not really help at all. Now it starts and runs really rough and misfires cannot give it more than a quarter throttle as it stalls out besides the rough running it is misfiring and seem to be running on all six cylinders.
Was this
answer
helpful?
Yes
No
Saturday, August 25th, 2018 AT 12:36 AM
Tiny
CARADIODOC
  • MECHANIC
  • 34,491 POSTS
You are confusing me. Your previous description of the symptoms fits perfectly with minimum throttle not being relearned yet. That can only be done by driving at highway speed. This may not be what is causing the current running problem, but it cannot be ignored either.

You said it is misfiring and it is running on all six cylinders. You cannot have it both ways. I have a suspicion you mean all six cylinders are contributing power, but overall, power is not up to normal.

When the engine tends to stall out as you increase throttle, the best suspect for that is the MAP sensor. Chrysler is the only manufacturer that never needed a mass air flow sensor to make their engines run right. The MAP sensor is by far the largest contributor to fuel metering calculations. They did have a huge failure rate with this sensor in the late 1980's and early 1990's, but it is very doubtful you still have one of those original sensors. The redesigned sensors were very trouble-free, so the better suspect is a broken or cracked vacuum hose going to it, or, given the recent history, a wiring problem.

On 1996 and newer models, there are well over a dozen diagnostic fault codes related to MAP sensors. They mean very different things and can get pretty descriptive. We are not that lucky with a 1990 model, so you might have to use a scanner to see what that sensor is reporting. You can try to back-probe at the connector too, but the signal voltage will be nearly impossible to interpret. A tenth of a volt change means a great deal to the Engine Computer, but in general, you can expect to see roughly 4.2 volts with the ignition switch on and the engine not running. That represents barometric pressure and will go into the computer's memory for the next drive cycle.

As soon as the engine starts running, the MAP voltage will drop to typically around 1.8 to 2.0 volts. The higher the manifold vacuum, the lower the voltage. As you accelerate with the engine under load, manifold vacuum will go down, and the MAP voltage will go up. The computer is looking for an instantaneous change. If the vacuum hose is unplugged, the sensor will always see barometric pressure. The signal voltage for that is a valid reading, so no fault code will be set related to an incorrect value, but the computer sees the engine is running, and if it does not see the expected drop in voltage right away, it can set a fault code related to "no change in MAP between start and run". You can get the same fault code if the vacuum hose is restricted by a kink or by condensed gas puddling in a low-hanging point in that hose.

If you do not have access to a scanner, you can also try running the engine with the MAP sensor unplugged. It is guaranteed to not run well, but if it runs better, that is a dandy clue. The computer sees right away the sensor is not working. It will set a related diagnostic fault code, but it knows it has to do something, so based on all the other sensor readings and operating conditions, it "injects" an approximate value, then tries to run on that. With a defective sensor connected and providing bad values, the computer uses those values, with miserable results. With any sensor disconnected, the computer jumps in and does not look at that one sensor, usually with better results. For example, it knows how far the throttle is open, and it knows engine speed. Based on just those two things, it will command some gas, but most likely not the right amount. The logic is something is better than nothing.

Now for the best clue yet to a MAP sensor problem. These vehicles often came in on a tow truck, then we drove them into the shop, much the owners' surprise. The key to keeping the engine running with one of those failed sensors was to keep moving the throttle. It did not matter which way or how fast you moved it; it just had to be moving, then the engine would remain running.

The important part of this story is a problem with the MAP sensor circuit is the engine gets the wrong volume of gas. If it gets too much, you will get black smoke from the tail pipe, but unless it is really too much, the engine will run fairly well. Way too much gas will make it run just like an older car with the choke stuck closed. Too little gas will make the engine tend to stall at idle, and it will stumble and cut out just like the old carbureted engines did when they had a bad accelerator pump. You can identify too little gas by using a squirt bottle to spray in a little gas into the throttle body. That will instantly pick up an engine that is starving for fuel.

You can also look at the short-term fuel trim numbers on a scanner to see if the computer is requesting more or less gas than normal. The problem is you do not know for sure if the computer is requesting more gas to overcome a problem, but without success, or if it is requesting more fuel in response to an erroneous sensor reading, and that too much gas is the cause of the poor running. At that point a mechanic would artificially introduce a too-lean or a too-rich condition to see how the engine responds. Forcing a lean condition is easy. Just unplug one of the smaller vacuum hoses, such as for the cruise control servo down below the battery tray. To force a slightly rich condition, disconnect the vacuum hose at the fuel pressure regulator on the passenger side of the fuel rail, and plug it. Fuel pressure will go up, but that is not monitored by the computer. Its fuel calculations are based on all kinds of things, but to be right, it assumes fuel pressure is right. That resulting higher pressure will cause more gas to enter the engine each time an injector fires.

When everything else is working properly, the throttle position sensor, the coolant temperature sensor, and the intake air temperature sensor contribute extremely little to the fuel metering calculations. Their readings basically just fine-tune the mixture under certain conditions, so as far as suspects, put those way at the bottom of the list.
Was this
answer
helpful?
Yes
No
Sunday, August 26th, 2018 AT 11:03 PM
Tiny
KEITH DUNCAN
  • MEMBER
  • 8 POSTS
You have mentioned using a scanner on my van there is only one problem with that. There is no connection to hook a scanner up so what do I do in this instance. I have checked the vehicle from front to rear and there is not one on this vehicle. Also, it is not running on all six cylinders and is misfiring a lot.
Was this
answer
helpful?
Yes
No
Monday, August 27th, 2018 AT 7:50 AM
Tiny
CARADIODOC
  • MECHANIC
  • 34,491 POSTS
The diagnostic connector on 1995 and older models is close to the left hood hinge. It looks like about a 1 1/4" square plug with one corner cut out of it. There is six terminals in it, and they are not all positioned the same way, but they are all the same size and shape. I have an 1988, and 1989, a 1994 daily driver, and a 1995. On two of them the plug is hanging loose just in front of the left strut tower. Two of them have the plug clipped into a protective cover that is attached to the inner fender.

If you do not already know which cylinders are not firing, you can unplug one injector at a time, then watch if the roughness changes. Injector problems on Chrysler products are just about unheard of, so more commonly you will have a spark problem. You have three ignition coils and each one fires two spark plugs. If you find two cylinders that are bad and both are fed from the same ignition coil, that coil pack becomes a good suspect.
Was this
answer
helpful?
Yes
No
+1
Monday, August 27th, 2018 AT 6:50 PM

Please login or register to post a reply.